Қант өндірісін автоматтандыру



Қант өңдеу аппараттарын автоматтандыру
Орындаған: МАХАББАТ О.
Тобы: Ажб 17-12
Тексерген: Аскаров А.
ҚАЗАҚСТАН РЕСПУБЛИКАСЫ БІЛІМ ЖӘНЕ ҒЫЛЫМ МИНИСТРЛІГІ
АЛМАТЫ ТЕХНОЛОГИЯЛЫҚ УНИВЕРСИТЕТІ
АЛМАТЫ 2020

Мақсаты және міндеттері
Есеп беру жұмысының мақсаты - қант өндіру технологиялық желісін қарастыру және қант өңдеу үрдісін автоматтандыру арқылы қант өндірісінің өнімділігін және сапа көрсеткіштерін арттыру.
Қойылған мақсатқа жету үшін келесі мәселелерді шешу қажет:
қант өңдеу технологиялық процесінің сипаттамасын қарастыру;
қант өңдеу технологиялық процесін автоматты басқару жүйесін құру;
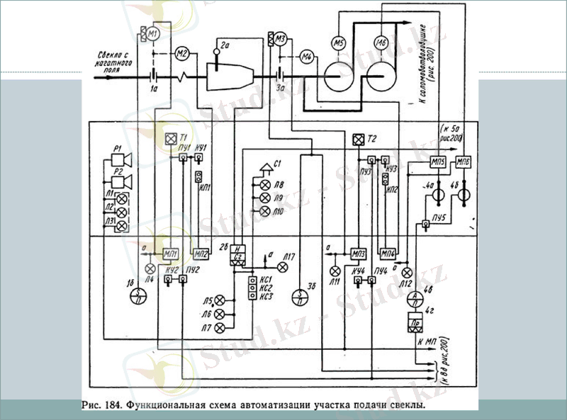
қызылша өндіру желісіндегі қант өңдіру технологиялық үрдісін автоматтандырудың функционалдық схемасын құру;
қант өңдіру үрдісін автоматты реттеу жүйесін жобалау;
қызылша өндіру желісіндегі қант үрдісіндегі объектінің моделін құру;

Қант қызылшасын жуу КМЗ-57М
КМЗ-57М үш бөлімнен тұрады.
Бірінші бөлімше ұзындығы 8 м, оның астында тұтас түбі бар жартылай цилиндрлі түбі бар жуылатын қабық болып табылады. Астықтың ішінде ағаш жұдырықтары бар білік айналады (айналу жиілігі 20 айн/мин), оның көмегімен қызылша араласады, кірден жуылады және астаудың бойымен жылжиды. Балшық пен құм тор арқылы өтіп, құм үстағышта жиналады 1, ал тастар тас тазалағышта тазаланады 2. Бірінші бөлімшенің араластырғыш құрылғысы су деңгейінен төмен орналасқан және оның бетіне жуудан шығарылатын жеңіл қоспалар (сабан, ботқа) шығады. Қызылшаның жуғышқа біркелкі түсуі 3 шнекпен және 4 реттеуші қалқамен қамтамасыз етіледі.

Автоматты таразы ДС-500-2
Бұл таразылар қызылша ауырлық күші мен оның ағынының кинетикалық энергиясы әсерінен жұмыс істейді. ДС-500-2 таразының жалпы схемасы көрсетілген. Бір жағынан 2 гиредер ұстағышы, екінші жағынан 3 қызылша шөміші 4 ашылатын түбі ілінген. Шөміштің түбі ысырманың көмегімен жабылады. Шөміштің үстінде 5 секторлық жапқышпен жабылатын шұңқыр орналасқан. Таразы екі шкаласы бар 6 есептегіш тетікпен жабдықталған.

Қызылшаны жапырақтап турау арқылы диффузиялық жолмен тазартылған шырын алу СЦ-16М
1-тиегіш бункер;
2-корпус;
3-үш жақты ұлпа;
4-майлы түтіктер;
5-тіректер;
6-конустық редуктор;
7-редуктор корпусы;
8, 11-біліктер;
9, 14-конустық тістегершіктер;
10, 15, 16, 18, 19- подшипниктер;
12 - төменгі қаптама;
13, 17 - түтіктер;
20 - жоғарғы қаптама;
21-пышақ рамалары;
22 - жүкшығыр;
23 - редуктор;
24 - электр қозғалтқышы; 25 - гидравликалық шибер; 26-жөндеу жапсырмалары.

Қызылша турау аппаратының техникалық сипаттамасы
Көрсеткіштері
СЦБ-12
СЦБ-12А
СЦБ-16М
Рамалар саны
12
12
16
Корпус диаметрі, мм
1200
1200
1600
5 мм жүз қолданғандағы өнімділік, т/тәу:
пластина жоңқасы
науа жоңқасы
1050
1500
1050
2500
1500
2100
Қызылшаны кесу жылдамдығы, м/с
9
6
9, 5
Айналу жиілігі, мин-1
143
96 . . . 143
71, 5. . 113
Электржетек қозғалтқышының қуаты. кВт
75
75
100
Жалпы өлшемі, мм:
ұзындығы
ені
биіктігі
4300
2040
2560
4950
2040
2560
5650
2440
3000
Салмағы, кг
5700
7800
11 400

Диффузионды шырын алудың техникалық жолы

Қант өндірісін автоматтандыру
Автоматтандырылған қант өңдеу цехның сызбасы.


Siemens SIMATIC S7-1500 автоматтандыру контроллері
IP20 қорғау дәрежесі бар модульдік типтегі әмбебап масштабталатын жүйе. Циклдық өндірісті автоматтандыру жүйелері үшін тиімді шешім. Контроллер өнімділіктің жоғары көрсеткіштерімен және максималды ыңғайлылықпен сипатталады. Ұсынылған серия жабдықтарының жоғары талап етілуі командалардың орындалу жылдамдығымен, жаңа тілдік кеңейтулердің болуымен, бағдарламалық кодтарды генерациялаудың оңтайлы процестерімен және деректердің жаңа түрлерін қолданумен түсіндіріледі. Қуатты коммуникациялық мүмкіндіктеріне SIMATIC S7-1500 жатады PROFINET IO, опциональный қосымша PROFINET интерфейсі, сондай-ақ мүмкіндігі тиімді кеңейту коммуникациялық модульдермен қосылу үшін өнеркәсіптік желілері немесе мақсатында деректер алмасу арқылы қосылыстар.

Өлшеу және сұрыптап алу
Қызылша қабылдау кезеңінде үлгілерді өлшеу және іріктеу кезінде механизмдердің қозғалатын бөліктері бақылауға жатады. Ол үшін N II 82 4 32-PC көлбеу бұрышының датчигі (инклинометр) және IS IT 12 айналмалы басы бар датчигі орнатылады.

Түсіру және жуу
Механизмдердің қозғалатын бөліктерін бақылауды жағдай датчиктері жүзеге асырады. Шикізатты барлық тасымалдау автоматтандыру құралдарымен жабдықталған конвейермен қамтамасыз етіледі.
Конвейерлік автоматика аспаптары:
АТВ авариялық трос ажыратқыштары
ДКСЛ лентаның түсуін бақылау датчиктері
СКМС ең төменгі жылдамдықты бақылау датчигі
ДКС жылдамдықты бақылау датчигі
ЖКО мойынтіректерінің температурасын бақылау датчигі
ДЗ жапсырмасының датчиктері
ДКО қоршауларын бақылау датчигі
Жүктің жағдайын бақылау датчиктері
УКПР лентасының бойлық үзілуін бақылау құрылғысы
БУК конвейерін басқару блогы

Диффузия
Кептіру және диффузды аппарат температурасын датчиктер-ТТ типті температура релесі бақылайды . . . , олардың іске қосылу шегі дайындау кезінде беріледі (тапсырыс бойынша) . Агрессивті орталарға тұрақты ОВТИУ типті датчиктер. 12, VTIU. 14, диффузды аппаратта және кептіруде материалдың деңгейін бақылайды.

Сатурация
Бұл кезеңде деңгейді бақылауды HSN W типті сыйымдылық датчиктері жүзеге асырады . . . жоғары қысымды ортада жұмыс істеу үшін. Ысырманың орналасуын бақылауды ДКЗ-1Г, ал ISN IC18P типті бұрылысты бекіту-реттеу арматурасын бақылауды жүзеге асырады және ISN IT18P.

- Іс жүргізу
- Автоматтандыру, Техника
- Алғашқы әскери дайындық
- Астрономия
- Ауыл шаруашылығы
- Банк ісі
- Бизнесті бағалау
- Биология
- Бухгалтерлік іс
- Валеология
- Ветеринария
- География
- Геология, Геофизика, Геодезия
- Дін
- Ет, сүт, шарап өнімдері
- Жалпы тарих
- Жер кадастрі, Жылжымайтын мүлік
- Журналистика
- Информатика
- Кеден ісі
- Маркетинг
- Математика, Геометрия
- Медицина
- Мемлекеттік басқару
- Менеджмент
- Мұнай, Газ
- Мұрағат ісі
- Мәдениеттану
- ОБЖ (Основы безопасности жизнедеятельности)
- Педагогика
- Полиграфия
- Психология
- Салық
- Саясаттану
- Сақтандыру
- Сертификаттау, стандарттау
- Социология, Демография
- Спорт
- Статистика
- Тілтану, Филология
- Тарихи тұлғалар
- Тау-кен ісі
- Транспорт
- Туризм
- Физика
- Философия
- Халықаралық қатынастар
- Химия
- Экология, Қоршаған ортаны қорғау
- Экономика
- Экономикалық география
- Электротехника
- Қазақстан тарихы
- Қаржы
- Құрылыс
- Құқық, Криминалистика
- Әдебиет
- Өнер, музыка
- Өнеркәсіп, Өндіріс
Қазақ тілінде жазылған рефераттар, курстық жұмыстар, дипломдық жұмыстар бойынша біздің қор #1 болып табылады.

Ақпарат
Қосымша
Email: info@stud.kz