Динамикалық оперативті ЕСҚ


Мазмұны:
Кіріспе . . .
І. Есте сақтау құрлығылары . . .
1. 1. Есте сақтау құрылғыларына жалпы сипаттама . . .
1. 1. 1. Есте сақтау құрылғыларының жіктелуі . . .
1. 1. 2. Есте сақтау құрылғыларының негізгі
параметрлері . . .
1. 2. Есте сақтау құрылғыларының құрылымы . . .
ІІ. Оперативті есте сақтау құрылғылары . . .
2. 1. Статикалық оперативті ЕСҚ . . .
2. 2. Динамикалық оперативті ЕСҚ . . .
ІІІ. Тұрақты есте сақтау құрылғылары . . .
ІҮ. Флэш-жады . . .
Ү. CD-жинақтауыштар . . .
5. 1. Компакт-дискілер . . .
5. 2. Компакт-диск құрылымы . . .
5. 3. Компакт-дискілер стандарттары . . .
5. 4. Компакт-дискілер приводтары . . .
ҮІ. Есте сақтау құрылғыларының қолданылуы . . .
Қорытынды . . .
Қолданылған әдебиеттер тізімі . . .
Жоспар:
Кіріспе
І. Есте сақтау құрлығылары
1. 1. Есте сақтау құрылғыларына жалпы сипаттама
1. 1. 1. Есте сақтау құрылғыларының жіктелуі
1. 1. 2. Есте сақтау құрылғыларының негізгі
параметрлері
1. 2. Есте сақтау құрылғыларының құрылымы
ІІ. Оперативті есте сақтау құрылғылары
2. 1. Статикалық оперативті ЕСҚ
2. 2. Динамикалық оперативті ЕСҚ
ІІІ. Тұрақты есте сақтау құрылғылары
ІҮ. Флэш-жады
Ү. CD-жинақтауыштар
5. 1. Компакт-дискілер
5. 2. Компакт-диск құрылымы
5. 3. Компакт-дискілер стандарттары
5. 4. Компакт-дискілер приводтары
ҮІ. Есте сақтау құрылғыларының қолданылуы
Қорытынды
Зерттеу жұмысының тақырыбы:
CD-жинақтауыштар
Мақсаты: ақпаратты сақтау мен өңдеу процесіндегі есте сақтау құрылғыларының орны мен құрылымын, CD-жинақтауыштардың ерекшеліктерін қарастырып, болашақ маман жұмысына тиімділігі анықтау
Міндеттері: 1. есте сақтау құрылғылары жөнінде жалпы түсініктерді, жіктелуін, негізгі сипаттамаларын, түрлерін және қолданылу өрісін қарастыру;
- есте сақтау құрылғыларының қарастыру;
- есте сақтау құрылғыларының зерттеу;
- есте сақтау құрылғыларының қарастыру;
- CD-жинақтауыштардың құрылымын қарастыру;
- CD-жинақтауыштарға ақпаратты жазу процесін ашып көрсету;
- CD-жинақтауыштардың стандарттарын қарастыру;
- компакт-дискілер приводтарын қарастыру.
Гипотезасы: компакт-дискілер - ақпаратты сақтау, жазу, тасымалдау және оқуға арналған компьютердің маңызды қосымша құрылғысы
Таңдалған тақырыптың өзектілігі: Жаңа ХХІ ғасырмен қоса елімізге, ғаламымызға жаңа мегаақпарат ғасыры келді. Адамзаттың жұмыс іс-әрекеттерді жүзеге асыруындағы кез-келген салада заманауи техникалық құрылғылар орын алып, күннен-күнге көптеген өндірістік және ғылыми операцияларды элекронды машиналар көмегімен атқарып отырғанына күнделікті көзіміз жетуде. Осы орайда есептеуіш машиналар жұмысының негізгі принциптерін тереңірек зерттеп, оның басты деген элементтерін айқындап, олардың құрылымын, ерекшеліктерін, жұмыс принциптерін қарастыруды ұйғардық.
Заманауи техника - компьютермен, сандық техникамен алынған және өңделген ақпаратты сақтап, тасымалдаудың қазіргі кезде әр қилы құрылғылары пайда болды. Олардың көмегімен ақпаратты уақытша сақтау, тасымалдау, ұзақ мерзімді сақтау секілді көптеген операцияларды жүзеге асыруға болады.
Курстық жұмыста ақпаратты сақтауға арналған компьютердің перифериялық құрылғылары тобына жататын есте сақтау құрылғылары қарастырылып, олардың негізгі топталуы, түрлері, құрылымдық және функционалдық ерекшеліктері, соның ішінде компакт-дискілер, оларды қолдану ерекшеліктері, технологиясы ақпараттық процестегі орны мен маңызы көрсетіліп, анықталады.
Белгіленген мақсат-міндеттерді жүзеге асыруда сараптамалық, салыстыстырмалық, проблемалық, индукциялық, дедукциялық, практикалық, ақпаратты жинақтау және сұрыптау әдіс-тәсілдері пайдаланылды.
І. Есте сақтау құрлығылары
1. 1. Есте сақтау құрылғыларына жалпы сипаттама
1. 1. 1. Есте сақтау құрылғыларының жіктелуі
Есте сақтау құрылғылары ақпаратты жазуға, сақтауға, оқуға арналады.
Есте сақтау құрылғылары (ЗУ - запоминающие устройства) қолданылуы, жасалу технологиясы, адрестеу, ақпаратты сақтау тәсілі және т. б. жіктейді.
Қолданылуы бойынша есте сақтау құрылғылары оперативті есте сақтау құрылғылары (ОЗУ) және тұрақты есте сақтау құрылғылары (ПЗУ) болып топталады. Оперативті есте сақтау құрылғылары ақпаратты жазу, сақтау және оқуды оны өңдеу барысынгда қамтамасыз етеді.
Тұрақты есте сақтау құрылғылары жұмыс режимінде тек ақпаратты оқуға ғана мүмкіндік береді.
Жасақтау технологиясы бойынша есте сақтау құрылғылары биполярлық (ТТЛ-, ТТЛШ-, ЭСЛ-, И 2 Л-технологиялары) және униполярлық (п-МОП, КМОП -, т. б. технологиялар) юолып жіктеледі.
Адрестеу тәсілі бойынша есте сақтау құрылғылары адрестік және адрессіз (ассоциациялық) болық ббөлінеді. Адрестік есте сақтау құрылғыларында жады элементтеріне нұсқаулар олардың адрестеріне сәйкес екілік кодпен беріледі. Есте сақтау құрылғыларының көпшілігі адрестік болып келеді. Ассоциациялық есте сақтау құрылғыларында ақпаратты оқу оның мазмұнына байланысты және жады элементтерінің физикалық координаталарына тәуелді емес. Ассоциациялық есте сақтау құрылғыларының адрестік сигналдларға арналған кірістері болмайды.
1. 1. 2. Есте сақтау құрылғыларының негізгі параметрлері
Есте сақтау құрылғыларының негізгі параметрлеріне жататындар:
- ақпараттық сыйымдылығы;
- тұтынатын қуаты;
- ақпаратты сақтау мерзімі;
- жылдамдығы, т. б.
Есте сақтау құрылғысының ақпараттық сыйымдылығы оның жадысындағы ұяшықтар санымен анықталады және сақталатын ақпараттың максимал көлемін көрсетеді. Егер есте сақтау құрылғысы т разрядты п сандарды (сөздерді) сақтауға есептелген болса, құрылғының N ақпараттық сыйымдылығы N = п · т өрнегімен анықталады.
Мысалы, егер есте сақтау құрылғысы 16 сөзді сақтауға есептелген болса, әр сөздің 4 разряды болса, онда оның құрылымдық ұйымдастырылуы 16х4, ал ақпараттық сыйымдылығы - N = 16х4 = 64 бит. 64 бит сыйымдылықты есте сақтау құрылғысын 32х2 деп те ұйымдастыруға болады (2 ьразрядтық 32 сөз) . Сыйымдылық жиірек байтпен көрсетіледі, 1 байт 8 битке тең. Есте сақтау құрылғыларының сыйысмдылықтары бірнеше ондық биттен бірнеше миллион битке жетеді.
Тұтынатын қуат - жұмыстың орнатылған режимінде есте сақтау құрылғысының тұтынатын қуаты.
Ақпаратты сақтау уақыты - берілген режимде есте сақтау құрылғысы ақпаратты сақтап тұратын уақыт интервалы.
Жылдамдығы - ақпараттық жазу немесе оқуға қажетті уақыт бөлігі.
Кез келген есте сақтау құрылғысының негізінде жады матрицасы (жинақтауыш) болады.
1. 2. Есте сақтау құрылғыларының құрылымы
Ерікті қол жеткізетін есте сақтау құрылғыларының, яғни адрестік есте сақтау құрылғыларының, жүзеге асырылуының түрлілігіне қарамастан оларды жасақтау құрылымында көптеген ұқсастықтар бар. Динамикалық оперативті есте сақтау құрылғыларының құрылымдарында өзіндік ерекшеліктер бар.
Төменде есте сақтау құрылғыларының көптеп кездесетін құрылымдары көрсетілген:
- бір өлшемді адесациялық ЕСҚ (немесе 2D және 2 DM құрылымды, жинақтауыштардың сөздің ұйымдастырылуымен) ;
- екі өлшемді адресациялы (немесе 3D құрылымды, ұйымдастырылуы матрицалық) ;
Есте сақтау құрылғысының бір өлшемді адресациялық құрылымы келесі суреттегі матрицатүрінде болады. Оның жолдар саны сақталатын п сөдер санына, ал бағаналар саны сөддердің разрядтылығына сәйкес келеді.
DC дешифраторы қажетті сөзді таңдап, таңдалған жолдың барлық есте сақтайтын элементтеріне осы сөзге жол ашады. әрі қарай есте сақтау құрылғысының жұмыс режиміне байланысты ақпаратты таңдалған ұяшықтан оқу немесе ақпаратты таңдалған жолдың ұяшығына жазу жүзеге асырылады. Қарастырылған құрылым 2D құрылым деп аталады. Оның басты кемшілігі - жады көлемін үлкейткенде дешифратордың шығыстар саны да жоғарылайды.
Мысалы, 4х4 ұйымдастырылған есте сақтау құрылғысына төрт шығысты дешифратор қажет, ал 256х4 болса, 256 шығысы бар дешифратор керк, бұл аппараттық жүзеге асыруды күрделілендіреді.
Бұл жағдайды болдырмау шарасы ретінде жолының ұзындығы сақталатын сөздердің разрядтылығынан бірнеше есе артық матрицаны қолдануға болады. Бұл матрица жолдарын азайтып, дешифратор шығыстарының санын азайтуға әкеліп соғады. Матрицаның таңдалған жолынан қажетті сөзге сәйкес сол жолдың бір бөлігі ғана алынады.
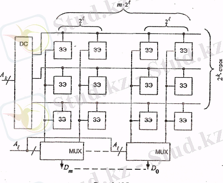
Мұндай есте сақтау құрылғысының құрылымында ( 2D құрылым ) матрица жолын таңдауға арналған дешифратор және сөз разрядын таңдауға арналған мультиплексор болады.
Керекті сөзді таңдауға арналған адрестік нышанның k+l разряды болады. k бір бөлігі 2 k жолдан қажетті жолды таңдауға беріледі, ал екінші l бөлігіберілген жолдағы керекті сөзді таңдауға мүмкіндік береді. Жолдың ұзындығы т· 2' тең, мұнда т - сақталатын сөздердің разрядтылығы. Мультиплексорлардың т шығыстарында әр разряды жолдың 2' ұзындығы бойынан таңдалатын шығыс сөзі қалыптасады.
Мысалы, берілген принципке сәйкес 256х4 есте сақтау құрылғысында 32х32 элементті матрицаны қолдануға болады, оның әр элементіне қол жеткізу үшін сегіз разрядтық адрестік сөз қажет. Бұл сөздің бес разряды адрес дешифраторына түсе отырып, матрицаның 32 жолының бірін таңдайды. Адрестік сөздің қалған үш разряды төрт мультиплексордың адрестік кірістеріне түсе отырып, 2'=8 ұзындықтан әр сөзге бір бит алады.
Қарастырылған құрылымдарды көп разрядты сөздерді бір мезгілде жазу және оқу үшін арналған.
Екі өлшемді адресациялы есте сақтау құрылғысын қарастырайық. Ол ақпаратты биттеп жазу мен оқуға мүмүкіндік береді. Ондай құрылымды есте сақтау құрылғылары матрицаның есте сақтау элементтерінің екі координаталық таңдауын жүзеге асырады, осы салдарынан адрестер дешифраторлары қарапайымдалады, яғни дешифратор шығыстарының саны азаяды.
Таңдалатын сөздің бір битіне ерікті қол жеткізетін аталмыш есте сақтау құрылғысының құрылымы төмендегі сызбада берілген.
ІІ. Оперативті есте сақтау құрылғылары
Оперативті есте сақтау құрылғылары (оларды ағылшын аббревиатурасымен RAM деп белгілейді) статикалық және динамикалық болып жіктеледі.
2. 1. Статикалық оперативті ЕСҚ
Статаикалық есте сақтау құрылғыларында ұяшық ретінде биполяр немесе өрістік транзисторлар негізіндегі триггер келеді, бұл жағдай басқарушы сигналдардың потенциалды характерін және ақпаратты бұзбай ақ оқу мүмкіндігін анықтайды. Статикалық есте сақтау құрылғылары түрлі технологиялар көмегімен жасақталады (ТТЛ, ЭСЛ, КМОП, п -МОП, И 2 Л) және олардың кемшіліктері мен артықшылықтары барлық осы элементтер негізінде жасалатын құрылғылардай. Мысалы, есте сақтау құрылғыларының жылдамдығын арттыру үшін оларды ЭСЛ-технологиямен жасқтайды, ал И 2 Л-технология ТТЛ-технологиямен салыстырғанда есте сақтау құрылғысының функционалдық тығыздығын бірнеше есе арттыруға мүмкіндік береді. соңғы уақытта КМОП-технологиямен жасақталған статикалық есте сақтау құрылғылары қарқынды дамып келеді.
Отандық микросхемалар сериясында К500, К1500 сериялы микросхемалар ЭЛС-технологиямен, К132, К1809 - п -МОП-технологиямен, К176, К561, К573, К581 - КМОП-технологиямен, К555 - ТТЛ-технологиямен К541, К185 - И 2 Л-технологиямен жаслған.
Жоғары жылдамдығына байланысты статикалық оперативті есте сақтау құрылғылары КЭШ-жадыда кеңінен қолданылады. КЭШ-жады (немесе буфер жадысы) түрлі құрылғылар арасында берілетін ақпараттар көшірмесін есте сақтауға арналған (ең алдымен түрлі есептеуіш қондырғыдардың процессоры мен негізгі жадысы арасындағы) .
КЭШ-жадының негізігі жадымен салыстырғанда ақпараттық сыйымдылығы төмен, дегенмен жылдамдығы жоғары, бұл нақты бір берілгендерді бірнеше мәрте қолданған жағдайда өте тиімді келеді.
Мысалы, К1500 микросхемасы - ЭЛС-технологиямен жасқталған, 64х4 ұйымдастырылған, локалды және буферлік (КЭШ-жадыны) оперативті есте сақтау құрылғысын құрастыруға арналған статикалық оперативті есте сақтау құрылғысы.
2. 2. Динамикалық оперативті ЕСҚ
Динамикалық оперативті ест есақтау құрылғыларында жады элементі болып сыйымдылық (мысалы, өрістік транзистордың кіріс сыйымдылығы) табылады, ол жүйелі түрде қайта қалпына келтіруді (регенерацияны) талап етеді.
Динамикалық оперативті есте сақтау құрылғылары жадының үлкен көлемін жүзеге асыруға мүмкіндік береді, олардың қолданылуы күрделірек, себебі оның жұмыс режимдерін басқаратын арнайы схемалар қажет. Заманауи динамикалық оперативті есте сақтау құрылғыларында кіріктірілген регенерация және синхронизация схемалары болады. Мұндай ОЕСҚбасқарудың сыртқы сигналдары бойынша статикалық оперативті есте сақтау құрылғыларынан көп ерекшеленбейді.
Мысал ретінде бірнеше ОЕСҚ микросхемаларын қарастырайық.
Микросхемалардың белгіленуінде серия номерінен кейін РУ әріптері микросхеманың оперативті есте сақтау құрылғысының түріне қатысын білдіреді.
Динамикалық оперативті есте сақтиау құрылғыларының элементтер тығыздығы статикалық ОЕСҚ элементтер тығыздығынан әлдеқайда артығырақ, яғни олардың ақпараттық сыйымдылығы жоғары, сонымен қатар, олар статикалық ОЕСҚ арзанырақ келеді.
Динамикалық оперативті есте сақтау құрылғыларының басты бір ерекшелігі - оларды тізбекті адресация қолданылады. Динамикалық ОЕСҚ қатарына К565 сериялы микросхемалар жатады.
К565РУ8 микросхемасы - п-МОП құрылым негізіндегі динамикалық есте сақтау құрылғысы. Кірістері мен шығыстары бойынша ТТЛ-құрылымдарға үйлеседі. 64Лх1 ретінде ұйымдастырылған. Адрес шинасы мультиплексор режимінде жұмыс жасайды. Онда алдымен жолдар адрестері шығарылады, олар RAS ішкі регистрге тіркеледі. Содан кейін бағаналар адрестері беріліп, CAS сигналымен тіркеледі.
ІІІ. Тұрақты есте сақтау құрылғылары
Барлық тұрақты есте сақтау құрылғыларын келесі топтарға жіктеуге болады:
- жасақтау барысында бағдарламаланатын (ПЗУ немесе ROM деп белгіленеді) ;
- бір мәрте бағдарламаланатын, берілген бағдарлама бойынша электрлік жолмен жады матрицасының қалып-күйін бір мәрте өзгертуге мүмкіндік береді;
- қайта бағдарламаланатын (репрограммаланатын), бірнеше мәрте электрлік жолмен ақпаратты ультракүлгін (РПЗУУФ немесе ЕР ROM) немесе электрлік (РПЗУЭС, немесе ЕЕROM, немесе Е2ROM) сүртуге мүмкіндік беретін.
Жады көлемін ұлғайтқанда шығысы бойынша біріктірілу мақсатында барлық тұрақты есте сақтау құрылғыларының жадыларында үш қалып-күйлі шығыстар немесе ашық коллекторлы шығыстар орын алады.
Жасақтау барысында бағдарламаланатын ТЕСҚ ақпарат оларды жасақтау барысында маска деп аталатын фотошаблон көмегімен технологиялық процестің ақырғы кезеңінде жазылады. Мұндай ТЕСҚ маскалық деп аталады, диодтар, биполяр және МОП-транзисторлар негізінде құрылады.
а б
Маскалық ТЕСҚ матрицалар схемаларының фрагменттері
а) биполяр транзистор негізіндегі ТЕСҚ
б) өрістік транзистор негізіндгі ТЕСҚ
Маскалық ТЕСҚ 155, 568, 1656, 541, 555, 1801 сериялы микросхемалар жатады. Олар ТТЛ, ТТЛШ, п-МОП, КМОП технологияларымен жасақталады.
Бір мәрте бағдарламаланатын ТЕСҚ жинақтауыштың нихром немесе басқа металдардан жасалған балқитын перемычкалары болады. Ақпаратты жазу процесінде балқитын перемычкалар таңдамалы түрде күйдіріледі.
Қайта бағдарламаланатын тұрақты есте сақтау құрылғылары мОП-технологиялар негізінде жасақталады. Оларды екі түрлі диэлектрлік орла немесе өткізгіш және диэлектрлік орта арасындағы зарядты сақтаудың түрлі физикалық құбылыстары қолданылады.
Кейбір түрлерінде қпаратты жазу жоғары кернеулер берк арқылы жүзеге асады.
Ультракүлгін сәулемен ақпаратты сүртетін ТЕСҚ сәуле түсетін арнайы тесік орын алады, сонымен қатар ақпарат барлық кристалдан өшіріледі.
Электрлік ақпарат сүрту барысында тек қажетті ақпаратт ы ғана сүртуге мүмкіндік бар. Қалған ақпарат көлемін кристалда сақтауға болады. Сонымен қатар, ақпаратты өшіру ұзақтытығы әлдеқайда төмен, сондықтан олар жиі қолданылып келеді.
Кейбір ТЕСҚ салыстырмалы сипаттамалары
ТЕСҚ жататын микросхемалар
ІҮ. Флэш-жады
Негізгі жұмыс принциптері және есте сақтағыш элементтерінің түрі бойынша Флэш-жады (Flash-Memory) электрлік ақпарат жазу және өшіру функциялы ППЗУ ұқсас келеді.
Дегенмен, Флэш-жадының оны бөлек бір топқа бөлік шығаратындай ерекшеліктері бар.
Флэш-жады - электр желісін қажет етпейтін қайта жазуды қамтамасыз ететін жартылай сілтемелі жады.
- Электр желісін қажет етпейді - қосымша қуатты қажет етпейді (қуат жазу үшін керек) ;
- Қайта жазады - түзетулерді жүргізеді;
- Жартылай сілтемелі (қатты қабатты) - механикалық қозғалыстағы бөліктері жоқ, интегралды микросхемада құрылған.
Басқа жартылайсілтемелі жадылардан ерекшелігі, флэш-жады ұяшықтарында конденсаторлар болмайды, флэш-жады ұяшықтары ерекше архитектуралық транзистордан құралған.
Флэш-жады ұяшығы өте жақсы масштабтан және ақпаратты бірнеше битте сақтайды. Флэш-жады ROM (Read Only Memory) жадыдан құралған, RAM (Random Access Memory) -да функциалайды. Флэштың мәліметтерін ұяшық жадында сақтайды, DRAM ұяшығына ұқсас. DRAM-нан өзгешелігі электр қуатын өшірген кезде де ақпарат флэш - жадыда сақталады.
SRAM және DRAM флэш жадымен алмастыру екі ерекшелікке байланысты жүзеге аспайды.
Флэш жай жұмыс істейді және жазу циклы шектеулі (10 000-нан 1 000 000) . Ұзақтылы флэш-жадыда сақталған ақпарат ұзақ уақытқа (20-дан 100-ге дейін) сақталады және механикалық күшке өте жақсы шыдайды (қарапайым қатты дискіге қарағанда 5-10 рет) .
Қатты дискіден және СД ROM-нан айырмашылдығы жұмыс істеуде флэш- жады қуатты өте көп қажет етпейді (10-20 есе аз) .
Флэш-жадыны 1988 жылы Intel шығарды деген сөз бар. шындығында жады ең бірінші Toshіba фирмасы 1984 жылы шығарды, содан соң келесі жылы 256 Кбитті FLASH-жады шығарылды. 1988 жылы Intel флэш - жадының өздерінің жеке нұсқасымен жасап шығарды.
Ү. CD-жинақтауыштар
5. 1. Компакт-дискілер
Оптикалық дискілер немесе компакт-дискілер (compact disk, CD) компьютер ғалам бойынша таралған соң пайда болды. Берілгендерді сақтау технологиялары алуан түрлі және өте көп болғанына қарамастан, қазіргі кезде компакт-дискілер басқа магниттік және магнитооптикалыө дискілерді шеттетіп, компьютердің ажырамас құрылғысы болуға айналды. Бұған бірнеше факторлар әсер етті. Біріншіден - пластмасса компакт-дискінің жасау технологиясы аса қарапайым және бағасы арзан келеді. Компакт-дискілер приводына да баға төмендеп, қазіргі кезде иілгіш магниттік дискілер дискжетегінің екі есе қақын ғана құрайды. Сонымен қатар, компакт-диск дискжетектері ЭЕМ архитектурасына өте қарапайым кіріктірілген, себебі винчестерлерге аналогиялық түрле қосылады. Ал еі басытысы - компакт-дискілерді жазу және қайта жазу технологиясы пайда болған, олар бұл операцияларды кез келген тұтынушыларға орындауға мүмкіндік береді.
Дегенмен, компакт-дискілерді қолдану барысында туындайтын мәселелер аз емес. Қаншалықты компакт-дискілерді қолдану технологиялары қарапайымвдала түссе, соншалықты олардан туындайтын сұрақтар да көбее түсуде. Мысалы, саздық жазбалар мен бейнефильмдерге авторлық құқық иелері соңғы уақытта компакт-дискілерден көшірмелеуден қорғауды жүзеге асыру жолдарын қарастыруда. Жыл сайын компакт-дискіге ақпарат жазудың жаңа стандарттары пайда болады, оны қолданушылар жұмысын жеңілдеті мақсатында жүзеге асырылады деп түсіндіріледі. Нәтижесінде компакт-диск дискжетекті бүлдіреді немесе жазылған бейнефильмді бірнеше мәрте қараған соң өзі істен шығады.
5. 2. Компакт-диск құрылымы
Стандартты компакт-диск - бұл диаметрі 120 мм, кез келген СD-приводқа қосылатын (тіпті тұрмыстық аудио- және бейнедискілерді ойнатқышқа да) пластмасса диск.
Қазіргі кезде 80 мм диаметрлі кіші габаритті компакт-дискілерді қанат жаюда. Соынмен қатар, тік төртбұрышты компакт-дискілер - компьютерлендірілген визиттік карточкаларда белгілі. Мұндай компакт-дискілер станддартты СD-приводтарында оқылып және жазылады, олардың диск орналастыру бөлігінде 80 мм диаметрлі арнайы ойпат орын алады. Соынмен қатар, компьбтердің басқа бөлшектеріне қарағанда, компакт-дискілер өлшемнің метрикалық бірлігінде жасқталған.
Жазылатын берілгендердің көлемі 120 мм компакт-дискіде 650 немесе 700 Мбайтты құрайды, сонымен қатар одан үлкен 800 Мбайт көлемді ақпаратты жазатын да технологиялар белгілі.
Аудиокомпакт-дискілер мен тек оқуға арналған СD-ROM компакт дискілердің (CD-Read-Only Memory) жақсы сұранысқа ие болғанынан кейін 1995 жылы DVD (Digital Video Disk) стандарты пайда болды. Ол стандарт компакт-дисктерге видеофильмдерді жазуды қамтамасыз етеді.
DVD-дисктерді оқу үшін 0, 63-0, 65 мкм сәуле шығару ұзындықты толқынды пайдалану копмакт-дискке жазу тығыздығын үлкейтуге мүмкіндік берді. DVD-приводтарының алғашқы сатысында дискінің бір бетіне 4, 7 Гбайт (133 минут фильм), екі бетіне 9, 4 Гбайт дейін ақпарат жаздыруға мүмкіндік берді (дискі қолмен аударылып отырды) . Кейіннен көп қабатты дискілер пайда болып, оларға 9, 4 және 17 Гбайт-қа дейін ақпарат жазылатын болды (сәуле сыртқы немесе ішкі қабатында фокусталады) .
Компакт дискілерді жасақтау әдісі патефон пластинкаларын жасау әдәсәне ұқсас келеді. Поликарбонаттан жасалған 1, 2 мм қабатты мөлдір дискіде металл матрица көмегімен тесу және қысу арқылы ақпараттық жолдар жасалады. Шағылыстыру қасиеттерін жақсарту мақсатында дискіге алюминий қабатын жұқалап жағады (кейде алтын қабат жағылады), ал шаң-тозаңнан қорғау мақсатында лак қабатымен боялады. Бір мәрте ақпарат жазылатын CD-R (CD-Recordable) форматты компакт-дискілерде металл қабатымен диск арасында термосезімтал бояу қабаты орналасады. Жоғары қуатты жазатын лазер оны қыздырған кезде метал және бояу қабаттары қызып, басталған химиялық реакция қыздырылыған нүктенің шағылыстыру қасиеттерін өзгертеді. Бояғыш зат ретінуде негізінен цианин немесе фталоцианин қолданылады.
CD-RW (CD-ReWritable) стандартты компакт-дискіні көп мәрте пайдалану үшін пластмасса дискінің сыртқы бетінде түрлі құқрамды пленкаларды күрделі композиция жасақталады. Мысалы, металл қабатының алдында қыздырған кезде өзінің кристал құрылымын өзгертетін зат орнатылады. Кристал құрылымының өзгеруі оптикалық қасиеттерінің өзгеруіне әкеліп соғады.
... жалғасы- Іс жүргізу
- Автоматтандыру, Техника
- Алғашқы әскери дайындық
- Астрономия
- Ауыл шаруашылығы
- Банк ісі
- Бизнесті бағалау
- Биология
- Бухгалтерлік іс
- Валеология
- Ветеринария
- География
- Геология, Геофизика, Геодезия
- Дін
- Ет, сүт, шарап өнімдері
- Жалпы тарих
- Жер кадастрі, Жылжымайтын мүлік
- Журналистика
- Информатика
- Кеден ісі
- Маркетинг
- Математика, Геометрия
- Медицина
- Мемлекеттік басқару
- Менеджмент
- Мұнай, Газ
- Мұрағат ісі
- Мәдениеттану
- ОБЖ (Основы безопасности жизнедеятельности)
- Педагогика
- Полиграфия
- Психология
- Салық
- Саясаттану
- Сақтандыру
- Сертификаттау, стандарттау
- Социология, Демография
- Спорт
- Статистика
- Тілтану, Филология
- Тарихи тұлғалар
- Тау-кен ісі
- Транспорт
- Туризм
- Физика
- Философия
- Халықаралық қатынастар
- Химия
- Экология, Қоршаған ортаны қорғау
- Экономика
- Экономикалық география
- Электротехника
- Қазақстан тарихы
- Қаржы
- Құрылыс
- Құқық, Криминалистика
- Әдебиет
- Өнер, музыка
- Өнеркәсіп, Өндіріс
Қазақ тілінде жазылған рефераттар, курстық жұмыстар, дипломдық жұмыстар бойынша біздің қор #1 болып табылады.

Ақпарат
Қосымша
Email: info@stud.kz