Ауа баптау


ҚАЗАҚСТАН РЕСПУБЛИКАСЫ БІЛІМ ЖӘНЕ ҒЫЛЫМ МИНИСТІРЛІГІ
С. Өтебаев атыңдағы Атырау Мұнай және Газ Университеті
Индустриалды-технологиялық факультет
РЕФЕРАТ
Пән аты : Техника және технология қауіпсіздігі .
Тақырыбы : « Желдету жүйелері»
Орындаған : БЖД-18 қ/т студенті Сақыпов А. Қ
Қабылдаған : Профессор Канбетов А. Ш
Атырау, 2020ж
Жоспары
Кіріспе . . . 3
Негізгі бөлім:
1 . Желдету және ауа баптау жүйелері . . . 4
2 . Желдету мен ауа баптаудың санитарлық-гигиеналық негіздері. . 4
3 . Бөлмедегі ауа алмасу және желдету жүйесінің жіктелуі . . . 5
4. Табиғи желдету жүйелері . . . 6
5. Жергілікті желдету жүйелері . . . 8
7. Ауа баптау . . . 9
Қорытынды . . . 10
Қолданылған әдебиеттер . . . 11
Кіріспе
Атмосфералық ауа бірнеше газ бен су буының қоспасынан құралады. Қоршаған биосферадағы атмосфералық ауа келесі газ қоспасынан құралады: азот -78, 1%, оттегі-20, 9%, көміртегі-0, 03%, ал қалғаны инертті газдар болып саналады. Қазіргі таңдағы қалалардың ауасы өнеркәсіп орындарынан шығатын қалдықтар мен автомобильдерден пайда болатын газдармен ластануда. «Желдету» деген сөзді латын тілінен аударғанда «бөлмедегі ауаны алмастыру» деген ұғымды береді екен. Бөлмені желдету табиғи және жасанды болып бөлінеді.
Желдету (латынша: ventіlatіo - желдету) - үй бөлмелерінде, өндіріс орындарында, т. б. реттеулі ауа алмастыруға, адам денсаулығына қолайлы жағдай жасауға, сондай-ақ технологиялық процестердің талаптарына сай құрал-жабдықтар мен құрылыстық құрылымдарды, материалдарды, азық-түлікті, т. б. сақтауға арналған шаралар жүйесі.
Желдету ағындата желдету, сора желдету, ағындата-сора желдету, жалпылай алмастыра желдету және жергілікті желдету болып бөлінеді. Ағындата желдету ішке тек таза ауа беруді қамтамасыз етеді. Ал ауаны тысқа шығару іштегі қысымның артуына байланысты саңылаулардан, есіктің ашылып-жабылуы кезінде іске асады. Сора желдету желдетілетін бөлмедегі ауаны әкету үшін қолданылады. Бұл жағдайда бөлмедегі ауа қысымы кемиді де, есіктен және саңылаудан таза ауа кіреді. Ағындата-сора желдетуде таза ауаның енуі мен лас ауаның әкетілуі бір мезгілде қатар жүреді. Бұл әдіс ауа алмасуы үнемі қарқынды жүрген кезде ғана тиімді.
Жалпылай алмастыра желдету бөлмеде бөлінетін шектен тыс зиянды заттардың, жылу мен будың таза ауамен залалсыз шекке дейін араласуына негізделген. Ал жергілікті желдетуде зиянды заттар (газ, бу, т. б. ) олардың пайда болатын жерлерінен сору құралдары арқылы тысқа шығарылады. Бұл әдіс шектеулі кеңістікте ғана қолайлы ауа ортасын тудыра алады. Желдету үйдің және сыртқы температураларының айырмашылығы мен желдің әсерінен (мысалы, үймерет аэрациясы) болатын табиғи желдету және механикалық әсер ету арқылы (ауа желдеткіштер арқылы қозғалысқа түсіріледі) атқарылатын механикалық желдету болып ажыратылады.
Ауа алмастыруды қамтамасыз ететін техникалық құрал-жабдықтар жиынтығы да желдету деп аталады. Сырттан сорылып алынатын ауаны шаң-тозаңнан тазарту үшін желдету жүйелеріне ауа сүзгілер орнатылады, ал тысқа шығарылатын ауа шаң тұтқыштар - абсорбер және адсорберлер арқылы тазартылады.
Желдету және ауа баптау жүйелері
Желдету және ауа баптау жүйелері - бөлмелерде адамдардың өзін жақсы күйде сезінуіне қажетті микроклимат (ауа температурасы, ылғалдылығы және қозғалыс жылдамдығы) және технологиялық процестердің тиімді өтуіне қажетті санитарлық-гигиеналық жағдайлар туғыза алатын, ғимараттар мен құрылымдардың инженерлік жүйелерінің бір түрі.
Желдету мен ауа баптаудың санитарлық-гигиеналық негіздері
Желдету және ауа баптау жүйелерінің көмегімен мынадай зиянды заттардың әсерлерін жоюға болады: 1) бөлмелердегі артық жылу; 2) ауаның артық ылғал құрамы; 3) жалпы улы әсер ететін химиялық заттардың булары мен газдары; 4) улы және усыз шаң; 5) радиоактивті заттар.
Артық жылу бөлінуі - адамдардан және технологиялық жабдықтардан түседі.
Тыныштық күйіндегі үлкен адам қалыпты микроклимат жағдайында 1150 Вт жылу бөледі, оның 20 % конвекциямен, 55 % сәулелену арқылы, ал қалған 25 % буландыру арқылы бөлінеді. Адамнан бөлінетін жылу мөлшері оның механикалық жұмысы мен микроклиматқа байланысты болады.
Өндірістік бөлмелерде жылу көзі пештер, станоктар, технологиялық жабдықтар, электрлік қозғалтқыштар, жылутасымалдағышты құбырлар және т. б. болып табылады.
Ауаның артық ылғал құрамының көзі адамдар (қалыпты температурада, мардымсыз физикалық жүктемелі адам сағатына 40-75 грамм су буын бөледі; ауа ортасының температурасы жоғарылағанда сағатына 150 грамм және одан да артуы мүмкін), және түрлі технологиялық жабдықтар (булау камералары, ванналар және т. б. ) болып табылады.
Адам организміне зиянды әсер ететін газдар мен булар (аммиак, көміртегі тотығы, күкіртті сутек, көмірсутек және т. б. ) бөлме ауасына түрлі технологиялық процестер нәтижесінде бөлінуі мүмкін. Тыныштық күйіндегі адам 500 литр ауамен дем алып, шығарады, дем алғаннан кейін ауа құрамы өзгереді - оттегі құрамы 20, 9 %-тен 16, 4 %-ке дейін төмендеп, көміртегі құрамы 0, 03 %-тен 3, 6 %-ке дейін артады.
Ауа құрамындағы шаң концентрациясы артып кететін болса, ол адам организміне кері зиянды әсерін тигізеді. Дем алу органдарына тереңдеп өткен шаң созылмалы аурулар, мысалы, силикоз және т. б. аурулар туғызады. Әсіресе, ауада улы шаңдардың (кремнийдің, асбестің, қорғасынның және оның қосылыстарының қос тотықтары) концентрациясы артуы қауіпті.
Радиоактивті заттар өте улы болады, және олардың ауаға таралуы адамдар мен жануарлардың радиоактивті зардап шегуіне әкеліп соқтырады.
Бөлмедегі ауа алмасу және желдету жүйесінің жіктелуі
Қажетті тазалықты және адамдардың жұмыс істеуіне, тұрмысына қолайлы жағдай туғызу үшін желдету және ауа баптау жүйелері бөлмелерде тиімді ауа алмасуды қамтамасыз етуі тиіс.
Ауа алмасу - бөлмедегі «қызған» немесе лас ауаны жартылай немесе толығымен таза атмосфера ауасымен алмастыру.
Бөлменің ішкі көлеміне шаққанда бір сағатта ішке берілетін немесе одан әкетілетін ауа мөлшері ауа алмасу еселігі деп аталады.
Бөлмелерде талап етілетін санитарлық-гигиеналық жағдайларды ауа алмасу қамтамасыз ететіндіктен, яғни бөлмеден лас ауаны әкетіп, таза ауа беретіндіктен, желдету жүйелері жұмыс түріне байланысты ауа беру және ауа шығару жүйелері болып бөлінеді.
Бөлмеден әкетілетін және бөлмеге берілетін ауа қозғалысын тудыру тәсіліне байланысты желдету жүйелері табиғи (ұйымдасқан және ұйымдаспаған) және механикалық желдету жүйелері болып бөлінеді.
Ұйымдаспаған табиғи желдету кезінде бөлмедегі ауа алмасу ішкі және сыртқы ауа тығыздықтарының айырымынан немесе жел әсерінен қоршау конструкцияларының саңылаулары, ойықтар арқылы жүреді.
Ішкі және сыртқы ауа тығыздықтарының айырымынан немесе жел әсерінен, бірақ, сыртқы қоршауларда арнайы орнатылған, ашылып-жабылуы реттелетін фрамугалар арқылы орын алатын ауа алмасу түрі - табиғи ұйымдасқан желдету жүйесі немесе аэрация деп аталады.
Бөлмеге ауа беру немесе одан ауа әкету механикалық қозғалыс туғызатын қондырғылар, яғни желдеткіштер көмегімен жүргізілетін болса, ондай жүйелерді механикалық желдету жүйелері деп атайды.
Бөлмелерде ауа алмасуды ұйымдастыру тәсіліне байланысты желдету жүйелері жалпы алмасу, жергілікті, локализациялық, аралас және апатты жағдайдағы желдету жүйелері болып бөлінеді.
Жергілікті желдету жүйесі бөлменің белгілі бір жерлерінде, атап айтсақ жұмыс орындарында (мысалы, жұмыс орнына бағытталған ауа ағыны - «ауа себезгісі») қажетті санитарлық-гигиеналық жағдайлар туғызады.
Локализациялық желдету жүйесі - бөлме ауасына зиянды зат тарамауы үшін өндірістік қондырғылардың зиянды зат бөлінетін жеріне орнатылатын, арнайы жабындармен, шатырлармен жабдықталған ауа шығару жүйесі.
Желдетудің аралас жүйесі деп - жалпы алмасу жүйесінің жергілікті немесе локализациялық жүйемен бірге қолданылуын айтады.
Апатты жағдайдағы желдету - кенеттен зиянды заттар бөлінуі мүмкін ғимараттарда орнатылады. Апатты желдету жүйелерін тек зиянды заттарды тез шығару керек болған жағдайларда іске қосады.
Желдету жүйесінің түрін бөлменің арналуына, ондағы зиянды заттар түріне, ауа ағындары қозғалысының схемасына қарай таңдайды. Мысалы:
- «Ыстық» цехтарда аэрация, жергілікті ауа шығару және ауа себезгілері кеңінен қолданылады;
- «Салқын» цехтарда ауа беру және шығарудың жалпы алмасу схемаларын, ал қақпаларға ауа перделерін қолданады;
- Қоғамдық ғимараттарда (театр, мәжіліс залдары, дүкендер және т. б. ) ауа беру және шығарудың жалпы алмасу жүйелерін таңдайды;
- Мардымсыз ғана ауа алмасуды қажет ететін бөлмелерде ауа шығару жүйелерін ғана қарастырады, ал сыртқы ауа ішке ашық терезелер, фрамугалар және ойықтар арқылы кіреді;
- Тұрғын үйлерде, әдетте, ас бөлмелер мен әжетханалардан ауа шығару жүйелерін ғана қарастырады.
Табиғи желдету жүйелері
Табиғи желдету жүйелеріндегі ауа алмасу ішкі және сыртқы ауа қысым бағандарының айырымы әсерінен орын алады. Бөлмеден «лас» ауаны шығару және бөлмеге «таза» ауа беру табиғи желдету жүйелерінде қоршау конструкцияларындағы арнайы ойықтар немесе арнайы ауа өткізгіштер арқылы жүргізіледі. Бірінші жағдайда, желдету каналсыз, екінші жағдайда каналды жүйе деп аталады. Табиғи каналсыз желдету жүйесінің мысалы ретінде артық жылу бөлінетін цехтағы аэрацияны қарастыруға болады (37-сурет) .
Бөлмеге төменгі 1-ойықтар арқылы ауа кіріп, сыртқы ауаға қарағанда температурасы жоғары іштегі ауа жоғарыдағы 2- желдету фонарының фрамугасы арқылы шығарылады да, ауа алмасу жүреді.

Табиғи каналды желдету жүйелерінде сыртқы ауаны беру және ішкі лас ауаны әкету арнайы каналдар немесе ауа өткізгіштер арқылы жүреді (38-сурет) .
Табиғи каналды желдетудің ауа шығару жүйесі тұрғын және қоғамдық ғимараттарда, бір еседен артық ауа алмасуды керек етпейтін бөлмелерде қолданылады. Бөлмеден шығарылатын ауа қозғаласының қарқындылығын арттыру үшін шығару шахталарына дефлекторлар орнатылады (39-сурет) . Дефлектордың жұмысы жел ағыны энергиясын пайдалануға негізделген.
38-сурет. 1- ауа өткізгіштер; 2- ауа алу торлары; 3-дефлектор; 4-құрастырмалы көлденең ауа өткізгіш; 5- ауа шығару шахтасы.

39-сурет.
1-шығару шахтасы; 2-диффузор.
Механикалық желдету жүйелері
Механикалық желдету жүйелері табиғи желдету жүйелерімен салыстырғанда құрылымы жағынан күрделі және алғашқы күрделі қаржыны, пайдалану шығындарын көп қажет етеді. Сонда да, оның артықшылықтары көп: 1) сыртқы ауа температурасы тербелісі мен жел жылдамдығына тәуелсіз; 2) ауа ағынын едәуір қашықтықтарға жеткізу; 3) бөлмеге берілетін ауаны түрлі өңдеулерден өткізуге болады(қыздыру немесе салқындату, тазарту, ылғалдандыру немесе кептіру) .
Сондықтан да механикалық желдету жүйелері өндірістік және қоғамдық ғимараттарда кеңінен қолданылады.
Желдетудің механикалық ауа беру және шығару жүйелерінің схемалары 40, а, б -суретте көрсетілген.
Механикалық желдету жүйелерінде ауа қозғалысы электрмен жүретін ортадан тепкіш және осьтік желдеткіштер көмегімен іске асады (41-сурет)
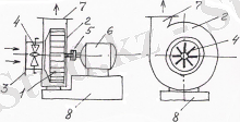
41-сурет, а) ортадан тепкіш желдеткіштің схемасы
1- жұмысшы дөңгелек; 2- қаптама; 3- кіру құбыры; 4- бағыттағыш аппарат; 5- муфта; 6- электрлі қозғалтқыш; 7- шығу құбыры; 8-тіректі іргетас
б) осьтік желдеткіш схемасы,
1- қаптама; 2- өзек; 3- жұмыс дөңгелектерінің қалағы; 4- электрлі қозғалтқыш; 5- тіректі рама
Ортадан тепкіш желдеткіштерді (41, а-сурет) жұмыс дөңгелегінің айналу бағытына қарап ажыратады. Егер электр қозғалтқышы жағынан қарағанда желдеткіштің жұмыс дөңгелегі сағат бағытымен айналса, онда ол оң айналу желдеткіші, ал сағат бағытына кері айналса, сол айналу желдеткіші деп аталады. Желдеткішке жұмыс дөңгелегінің дециметрлік диаметріне сай номер тағайындалады (мысалы, №5 желдеткіштің жұмыс дөңгелегінің диаметрі 5 дм, яғни 500мм) .
Осьтік желдеткіш (41, б- сурет) электр қозғалтқышының өзегіне орнатылған жұмыс дөңгелегінен және ауа ағыны бағытын туғызатын қаптамадан тұрады. Қалақтар айналған кезде, желдеткіш осі бойымен ауа ғаыны қозғалысы туындайды, желдеткіш атауы да осыған байланысты.
Желдеткіштер екі параметр бойынша таңдалады: өнімділігі және арыны.
Ауаны жылыту үшін желдету жүйесінде болат пластинкалы калориферлер қолданылады, олар қыздыру бетінің ауданын үлкейту үшін пластинкалар немесе таспалар орнатылған болат құбырлардан тұрады.
Желдетудің механикалық жүйелерінде берілетін ауаны шаңнан тазарту үшін түрлі шаң ұстағыш құрылымдар: майлы, қағаз және жең тәрізді сүзгілер, циклондар, шаң отырғызу камералары және т. б. қолданылады.
Жергілікті желдету жүйелері
Жергілікті желдету жүйесі жалпы алмасу секілді ауа беруге және шығаруға арналады. Жергілікті ауа шығару жүйесін зиянды заттарды түзілу орнынан алып кету қажет болғанда орнатады. Ол үшін бүркеме түріндегі сору құрылымдары қолданылады (сору шкафтары, шатырлар, плиталарға орнатылатын шатырлар, ванналар ернеуіндегі сору құрылымдары, станоктардан сору құрылымдары және т. б. ) . Жергілікті
ауа беру жүйесіне ауа себезгілері, ауа перделері және ауа оазистері жатады.
Мысал ретінде пеш аузына орнатылған шатыр-бүркеменің схемасы берілген
(42-сурет) .
Ауа себезгісі дегеніміз арнайы құрылғыдан шығатын ауаның жұмыс орнына немесе шектеулі жұмыс аумағына бағытталып берілуі (43-сурет) . Құрамындағы зиянды заттар концентрациясын ауа себезгілері көмегімен ауа ағыны әсер ететін аумақта оның қозғалыс жылдамдығын, температурасын, ылғалдылығын және оның өзгертуге болады. Кей жағдайларда ауа себезгілерін жергілікті ауа шығару жүйелерімен бірге қолдануға болады. Ауа оазисі дегеніміз бөлменің қоршаулармен оқшауланған, бірақ жоғарғы жағы бекітілмеген, бөлменің барлық көлеміне қарағанда ішінде белгілі микроклимат туғызуға болатын бөлігі. Жан-жағынан қоршалған, бірақ төбесі ашық ұяға бөлменің басқа көлеміне қарағанда таза, жылы ауа беріледі.
Ауа пердесі дегеніміз есік немесе қақпаның жоғарғы, төменгі немесе жанына орнатылатын, ұзын жіңішке саңылаудан үлкен жылдамдықпен ауа беретін құрылғы. Пердеге берілетін ауа бөлменің жоғарғы жағынан алынады немесе
арнайы калориферде қыздырылады (бұл жағдайда ол ауа жылу пердесі деп аталады) . 44-сурет.
Ауа баптау
... жалғасы- Іс жүргізу
- Автоматтандыру, Техника
- Алғашқы әскери дайындық
- Астрономия
- Ауыл шаруашылығы
- Банк ісі
- Бизнесті бағалау
- Биология
- Бухгалтерлік іс
- Валеология
- Ветеринария
- География
- Геология, Геофизика, Геодезия
- Дін
- Ет, сүт, шарап өнімдері
- Жалпы тарих
- Жер кадастрі, Жылжымайтын мүлік
- Журналистика
- Информатика
- Кеден ісі
- Маркетинг
- Математика, Геометрия
- Медицина
- Мемлекеттік басқару
- Менеджмент
- Мұнай, Газ
- Мұрағат ісі
- Мәдениеттану
- ОБЖ (Основы безопасности жизнедеятельности)
- Педагогика
- Полиграфия
- Психология
- Салық
- Саясаттану
- Сақтандыру
- Сертификаттау, стандарттау
- Социология, Демография
- Спорт
- Статистика
- Тілтану, Филология
- Тарихи тұлғалар
- Тау-кен ісі
- Транспорт
- Туризм
- Физика
- Философия
- Халықаралық қатынастар
- Химия
- Экология, Қоршаған ортаны қорғау
- Экономика
- Экономикалық география
- Электротехника
- Қазақстан тарихы
- Қаржы
- Құрылыс
- Құқық, Криминалистика
- Әдебиет
- Өнер, музыка
- Өнеркәсіп, Өндіріс
Қазақ тілінде жазылған рефераттар, курстық жұмыстар, дипломдық жұмыстар бойынша біздің қор #1 болып табылады.

Ақпарат
Қосымша
Email: info@stud.kz