РРЛ аралықтарының профильдерін есептеу және құру


Қазакстан Республикасының
Білім және ғылым
Министрлігі
Министерство
образования и науки
Республики Казахстан
Д. Серікбаев атындағы
ШҚТУ
ВКТУ
им. Д. Серикбаева
Аспап жасау және технологиялық процестерді автоматтандыру кафедрасы
Білім беру бағдарламасы «Радиотехника электроника және телекоммуникациялар»
Дайындық бағыты
«Радиотехника электроника и телекоммуникации»
Курстық жұмыс
Пәні « Радиорелейные линии связи»
Тақырыбы " АНТЕННАЛАРДЫ ІЛУ БИІКТІГІН ЖӘНЕ РРЛ-ДАҒЫ БАЙЛАНЫС ТҰРАҚТЫЛЫҒЫН ЕСЕПТЕУ "
Курстық жоба жетекшісі :
«ПиАТП» Кафедраның аға оқытушысы Черниговец В. Н.
Орындаған: күндізгі бөлімнің 4 курс студенті, 17 РТК - 1 тобынан
Акимчинова Әминә Бақтиярқызы Аты-жөні
қолы
Оқытушы қабылдады В. Черниговец
Баға балл
Күні 2020 ж.
Усть-Каменогорск
2020
Мазмұны
Кіріспе
1 Курстық жобаланы талдау
1. 1 Курстық жобаға тапсырма
1. 2 Жолды таңдау жобаланған РРЛ құрылымын
1. 3 Аралықтағы ысыраптардың шамасын және үзілуге арналған қорды анықтау
2 РРЛ аралықтарының профильдерін есептеу және құру
2. 1 Дайын болмау көрсеткіштері мен қателіктер бойынша сапа көрсеткіштері үшін нормаларды есептеу
2. 2 Дайын болмау көрсеткіштерін есептеу
2. 3 Қателіктер бойынша сапа көрсеткіштерін есептеу
2. 4 Аппаратура түрін және АФТ сипаттамаларын түпкілікті таңдау.
Қорытынды
Пайдаланылған әдебиеттер тізімі
КІРІСПЕ
Қазіргі заманғы байланыс құралдарының негізгі түрлерінің бірі көп арналы телефон (ТФ) хабарламаларының, радиохабарлар мен теледидардың сигналдарын, телеграфтық және фототелеграфтық сигналдарды, газет жолақтарын беру үшін пайдаланылатын тікелей көрінетін радиорелелік желілер (РРЛ) болып табылады. Хабарламалардың барлық түрлері жоғары сапалы және үлкен Сенімділікпен ұзақ қашықтыққа РРЛ арқылы жіберіледі.
РРЛ жобалаушылары мен құрылысшылары шешетін ең маңызды міндеттер - бұл күрделі инвестициялардың тиімділігін арттыру, объектілерді салу мерзімдерін қысқарту, жобалық қуаттылықты игеруді жеделдету, құрылыс сапасын арттыру және құнын төмендету, ғылым мен техниканың жаңа жетістіктерін пайдалану негізінде жұмыс істеп тұрған РРЛ-ны қайта құру және техникалық қайта жарақтандыру.
Сандық РРЛ радио сигналы радиожиілікте Аналогты, сондықтан радио толқындарының таралуы бірдей, бірақ сапалық көрсеткіштерді есептеуде ерекшеленеді. ОӨО орналасқан "Өскемен-Шемонаиха" трассасын таңдадық, Аналогты РРЛ жобалау кезіндегідей жарықты таңдадық.
Жобамен жұмыс жасау барысында біз жобаланған РРЛ құрылымын анықтап, МИК-РЛ8 жабдықтарын, оның негізгі техникалық деректерін, қабылдау және беру жабдықтарының құрылымдық схемаларын таңдап, аралық профильдерді есептеп, салдық, антенналардың іліну биіктігін және РРЛ аралығындағы байланыс тұрақтылығын анықтадық, алынған мәліметтерге талдау жасадық.
1 КУРСТЫҚ ЖОБАҒА ТАЛДАУ
Курстық жұмыс барысында тарату жылдамдығы 34 Мбит/с болатын Өскемен-Шемонаиха қаласының радиорелелік трассасын әзірлеу қажет, радиорелелік Станциялар арасындағы ең аз рұқсат етілген қашықтықтың мәні 16 км. осы қалалар арасындағы қашықтық 330 км құрайды. Бұл курстық жұмыста МИК-РЛ8 аппаратурасы таңдалды. Есептеу нәтижелері таңдалған жабдық қажетті талаптарды толығымен қанағаттандыратынын көрсетті.
Осылайша, жобаланған радиорелелік желі (бұдан әрі-РРЛ) станцияларының саны 7-ге тең болады. Интервалдар саны-6.
Маршруттың бірнеше нұсқаларының ішінен ең оңтайлы таңдалды. Ең алдымен, таңдау жобаланған сызықтың зигзагтығын сақтау жағдайынан жүзеге асырылды. Сондай-ақ, мүмкіндігінше антенналық-мачталық құрылғылардың құнын азайту мақсатында станцияларды биіктіктерге орналастыру қажет болды. Үлкен су кеңістіктерінен, сондай-ақ жазық жерлерден аулақ болуға тырыстық. Жолдың жалпы ұзындығы-345 км бізде 2 терминал және 5 аралық станция болды.
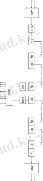
Схемалық жобаланған РРЛ трассасы 1-суретте көрсетілген.
1 -сурет. Жобаланған РРЛ трассасының құрылымдық сызбасы
1. 1 КУРСТЫҚ ЖОБАҒА ТАПСЫРМА
Өскемен-Шемонаиха ұзындығы 87 км;
РРЛ аралықтарының санын анықтаңыз, олардың ұзындығын есептеңіз, радиорелейлік сызықтың құрылымдық сызбасын жасаңыз. Пайдаланылатын жабдықтың қысқаша сипаттамасын беріңіз. Терминал станциясының құрылымдық диаграммасын жасаңыз. CRRL аралықтарында Антенналарды іліп қоюдың оңтайлы биіктігін анықтаңыз. Негізгі нәтижелерге бағалау жүргізу, қорытындыда тұжырымдар тұжырымдалған радиорелелік аппаратура: МИК‒РЛ8
Радиорелелік аппаратураның сипаттамасы: МИК-РЛ8
Техникалық сипаттамалары:
- РРС негізгі параметрлері 2. 1-кестеде келтірілген
- Кесте 2. 1. - МИК-РЛ8 негізгі параметрлері
- Жұмыс жиілік диапазоны, ГГц 8
- E2 беру жылдамдығы
- 1+1 жүйе конфигурациясы
- Сервистік арналар, кбит / с 6*64
- Таратқыштың қуаты dbwt 0-118
- Оқпандар арасындағы жиіліктердің әртүрлі болуы, МГц 3, 5
- Антенна диаметрі, м 0, 6
- QPSK модуляциясының түрі
- Жұмыс жиіліктерінің салыстырмалы тұрақсыздығы 5х10-6
- Синтезатор жиілігінің минималды қадамы, МГц 0. 5
- Таратқыштың жанама сәулелену деңгейі, дБВт -90 артық емес
- Өзендердің жиілік жоспары. ITU-R F. 386 - 6; ГОСТ Р50765-95
- Жиіліктерді қайта құру кіші диапазонының ені, МГц 90
- Жұмыс жиілігінің формулалары: төменгі жұмыс жиілігі Fnн, МГц Жоғарғы жұмыс жиілігі Fnн, МГц мұндағы n = 1 . . . 32-жұмыс жиілігінің нөмірлері 8157 - 252 + 7•n 8157 + 14 + 7•n
- Аралықтың ұзындығы, км, жылдамдығы 34 Мбит/с, дайындыққа - 99, 99% және антенна диаметрі: 0, 6 м шамасы 1 м шамасы 1, 8 м - 40 50
1. 2 ЖОЛДЫ ТАҢДАУ ЖОБАЛАНҒАН РРЛ ҚҰРЫЛЫМЫН АНЫҚТАУ
РРЛ трассасын таңдау кезінде қойылатын талаптар:
- Елді мекендердің даму перспективаларын ескере отырып, оларды байланыспен қамтамасыз ету.
- Қабылданған сигналдың деңгейі мен уақыты бойынша жоғары және тұрақты қамтамасыз ету. Байланыстың сенімділігі мен сапасы нормаларды қанағаттандыруы керек.
- Релелік станциялар интерференциялық қатып қалуды болдырмау үшін зигзаг түрінде орналасады.
- Электрмен жабдықтаудың ыңғайлылығын, кірме жолдарды, байланыс өнімдерін өткізу мүмкіндігін қамтамасыз ету қажет.
- Радиорелелік станциялар мүмкіндігінше Антенналарды ілу биіктігін төмендету мақсатында табиғи биіктіктерде орналасады.
- Жұмыс істеп тұрған радиорелелік станциялар мүмкіндігінше әуеайлақтардан алыс орналасады. Құнарлы егістік жерлерді пайдалануға тыйым салынады. Усть-Каменогорск - Шемонаиха трассасын таңдаймыз. (сурет 1) .
ЦРРЛ Ұзындығы - 87 км.
2- Сурет. РРЛ Өскемен-Шемонаиха
2 РРЛ АРАЛЫҚТАРЫНЫҢ ПРОФИЛЬДЕРІН ЕСЕПТЕУ ЖӘНЕ ҚҰРУ
Трассаны жобалау РРЛ өтуі тиіс жердің топографиялық карталарын зерттеуден басталады. Карталарда жер бетінің контурлары мен рельефі, сондай-ақ ормандар, өзендер, елді мекендер, су кеңістіктері жеткілікті түрде егжей-тегжейлі көрсетілген.
Маршрутты алдын-ала таңдағаннан кейін картада радиорелелік станциялардың орналасуы көрсетілген орындар көрсетіледі. Көршілес станциялар жер бедерінің ерекшеліктері мен құрылыстар, орман және басқа да кедергілер сияқты жер бетінен шығып тұратын шекараларды белгілейтін түзу сызықпен жалғанады.
Карталарды егжей-тегжейлі зерделеп, оларға трассалар мен жобаланған желі станцияларының орналасқан жерлерін салғаннан кейін байланыс желісінің әр аралығының бойлық профилі салынады. Бойлық профильдерді салу көлденең және тігінен әртүрлі масштабтарды қолдана отырып, тікбұрышты координаттар жүйесінде жүзеге асырылады. Жер бетіндегі кедергілердің биіктігі метрмен, ал радиорелелік Станциялар арасындағы қашықтық километрмен өлшенеді. Осылайша, биіктіктер профильге жердің ортасынан өтетін сызық бойынша қойылмайды (яғни. жердің радиусы бойынша), ал тігінен (ординат ос бойынша) және оларды есептеу бейіннің көлденең сызығынан емес, теңіз деңгейінің сызығы немесе шартты нөлдік деңгей үшін алынатын жер бетінің қисықтық сызығы бойынша жүргізіледі.
Станциялар арасындағы қашықтық қисық сызық бетіне емес, көлденеңінен (абсцисса осі) орналастырылады. Профильдің осындай құрылымымен жер беті шеңбермен емес, параболамен бейнеленген. Жердің қисықтық доғасын (Параболаны) құру Станциялар арасындағы қашықтықты және жер бетіндегі биіктіктердің максималды айырмашылығын анықтағаннан кейін жүзеге асырылады, өйткені қашықтыққа байланысты масштаб тігінен өзгереді. Станциялар арасындағы қашықтық, сондай-ақ интервал профилінің ең төменгі және ең жоғары нүктелері топографиялық карталардың деректері бойынша анықталады.
2. 1 Дайын болмау көрсеткіштері мен қателіктер бойынша сапа көрсеткіштері үшін нормаларды есептеу
Радиорелелік байланыс арнасы учаскесінде телефон және теледидар арналарының сапалық көрсеткіштерін анықтау
Қабылданатын сигналдың орташа деңгейін анықтау
8-0 Курс радиорелелік станциясы жабдықтарының сипаттамалары 2. 1 кестеде келтірілген.
Радиорелелік станция жабдықтарының сипаттамасы Курс 8. 0
600 арналы телефонияны беру кезіндегі жүйе коэффициенті;
теледидар
Ко
135, 8дБ
129, 7дБ
Пайдаланылатын аппаратураның техникалық сипаттамалары
- Жиілік диапазоны -7, 9 . . . 8, 4 ГГц
- Орташа толқын ұзындығы - 3, 68 см
- Жж оқпандардың ең көп саны
(жиілік жоспары бойынша) - 4 қуыс.
- Жж-300 сыйымдылығы
а) телефон, арналар-2 дыбыс.
б) теледидар, арналар - 1 изобр.
- 2 дыбыс.
- Аралықтың орташа ұзындығы, км-47
- Антенналардың күшейту коэффициенті, дБ-46
- 45, 5
- Таратқыштың қуаты, Вт-0, 3
- Қабылдағыштың Шу коэффициенті, дБ-10
- Қабылдағыштың өткізу жолағының ені, М-40
- Оқпандағы ТВ арналар саны - 300
- Алмастырушы Генераторды қосу шегі, ввт-25
- Оқпан ТФ жүйесінің коэффициенті, дБ-144
- Оқпан ТФ жүйесінің коэффициенті, дБ-143, 3
2. 2 - кестеде қабылданатын сигналдың орташа деңгейін есептеу үшін бастапқы деректер ұсынылған
Кесте 2. 2-бастапқы деректер

Қабылданатын сигнал қуатының орташа мәні формуламен анықталады
(2. 1)
немесе децибелде
(2. 2)
Қабылданатын сигналдың орташа деңгейін анықтау келесі тәртіпте жүзеге асырылады:
Профиль бойынша сурет. 2. 1 R0 = 40 км аралықтың берілген ұзындығында, H1 және h2 антенналарының биіктіктерінде критикалық кедергінің (шағылысу нүктесінің) салыстырмалы координаты болады)
және рефракция болмаған кездегі бос орынның шамасы Н(0) = 20 м.
Сур. 2. 1-аралықтың бойлық профилі
2. Ф-ле (3. 4. 4) немесе график бойынша сурет. 3. 4. 2 [1] берілген аралықтағы нөлдік қосымша шығындар жағдайына сәйкес келетін H0 шамасы анықталады
=
=4. 8
5м
3. Ф-ле (3. 4. 22) немесе кесте бойынша сурет. 3. 4. 6 [1] бос орынның орташа өсуі анықталады
м
4. Салыстырмалы люменнің шамасы анықталады
5. Бос кеңістік өрісінің жоғалуы анықталады
дБ
6. Қисық сызықтар бойынша сурет. 3. 4. 11 [1] орташа қосымша шығындардың мөлшері
7. Таратқыш пен қабылдағыштың антенналық-толқындық жолдарындағы шығындар анықталады
және
дБ
дБ
Мұнда
- фидердегі қума энергия шығындары, дБ/м; bэл авт - таратқыштың немесе қабылдағыштың антенна-толқынжол жолы элементтеріндегі шығындар.
8. G1= G2=39, 5 таратушы және қабылдайтын антенналардың белгілі күшейту коэффициенттері бойынша аралықтағы жүйе шығынының орташа шамасы анықталады.
дБ
Апроч-тің басқа шығындары 1 дБ-ге тең. 9.
Рпд=33 дБм таратқышының белгілі қуатымен қабылданған сигналдың орташа қуаты анықталады-
дБм
2. 4 Аппаратура түрін және АФТ сипаттамаларын түпкілікті таңдау
Жоғарғы телефон арнасындағы Шу қуатын және теледидар арнасындағы сигнал/шу қатынасын анықтау
РРЛ интервалында телефон арнасындағы РШ шуының қуаты жалпы түрде
(2. 3)
Бұнда Р шапп = 385пВт - аппаратурамен (қабылдағыш, модуляторлармен және демодуляторлармен және УГР ыстық резервтеуді басқару тіректерімен) енгізілетін жылу шуының (Ршт) және сызықты емес өту шуының (Ршн) қуаты; Ршнавт = 40пвт- антенналық-толқынды трактідегі (АВТ) электромагниттік толқын энергиясының шағылысуынан туындайтын өтпелі шудың қуаты; Ршнпза=20пвт-антенналардың қорғаныс әсерінің жеткіліксіз шамасынан туындаған өтпелі шудың қуаты; ршмн=0пвт- толқындардың көп сәулелі таралуынан туындаған шудың қуаты; Рштдоп = 16пвт-РРЛ аралықтарында жүйенің қосымша ысыраптарының өзгеруіне байланысты жылу шуының қуаты.
Аппаратурамен енгізілетін Ршапп пен Ршнавт шуының қуаты оның құрамымен және конструкциялық ерекшеліктерімен айқындалады және әдетте есептелмейді, бірақ эксперименталды түрде анықталады. Кестеде. 4. 4. 2 . ХҚКР ұсынған алдын-ала іздеулерді пайдалану кезінде кейбір отандық радиорелелік жүйелер үшін жоғарғы телефон каналындағы шудың негізгі компоненттерінің псофометикалық қуатының мәні келтірілген (кесте. 4. 3. 1) .
Rshnpza жұмыс жиілігін бөлудің екі жиілікті жоспарына сәйкес жүйе жұмыс істеп тұрған кезде антенналардың шуылға қарсы иммунитетінен туындаған өтпелі шулардың мөлшерін күріш көмегімен анықтауға болады. 3. 2. 5 .
Антенналардың кедергіден қорғалу ықтималдығын анықтау кезінде радиорелелік станциялар алаңдарының жанындағы жердің сипаты туралы нақты түсініктің болмауына байланысты қорғанудың неғұрлым қатаң шарттары қабылданады (мысалы, кедергіден қорғалу мәндерінің арту ықтималдығының 1% - ы үшін) . Бұл ретте Р-600 жүйесінде тура және кері бағыттарда беру кезінде толқындардың поляризациясының әртүрлі түрі пайдаланылатынын ескере отырып, антенналардың шуылға қарсы қорғанысын 60-65 дБ тең қабылдауға болады. Шудың алғашқы үш терминінің қуатын берілген РРЛ интервалы үшін тұрақты деп санауға болады, өйткені ол радио толқындарының таралу жағдайларына байланысты емес.
Көп сәулелі таралудан туындаған шудың қуатына келетін болсақ, оның пайда болу ықтималдығы тіпті 8. 0 Курс жабдықтарымен жабдықталған орташа ұзындықтағы РРЛ теңіз жолдарында да шамалы.
2. 4 Суреті профилі бар жабық тау трассасын есептеу. 1 және жотаның жотасының профилі Суретінде. 2. =1 м толқын үшін әлсіреу көбейткішін есептеу қажет.
2. 2-сурет. Тау трассасының профилі
2. 3-сурет. Жотаның профилі
Сурет -1 және Сурет - 2 анықтаймыз:
км,
км,
км, Н=600 м,
м,
м. Жер бетінен шағылысулар іс жүзінде жоқ деп санаймыз (таулы рельефтің азаюына байланысты) . Теңсіздікке сүйене отырып, сына тәрізді формуланың кедергілерін қарастыруға болатындығын тексереміз:
1. 87<2
<
1. 73<2
... жалғасы- Іс жүргізу
- Автоматтандыру, Техника
- Алғашқы әскери дайындық
- Астрономия
- Ауыл шаруашылығы
- Банк ісі
- Бизнесті бағалау
- Биология
- Бухгалтерлік іс
- Валеология
- Ветеринария
- География
- Геология, Геофизика, Геодезия
- Дін
- Ет, сүт, шарап өнімдері
- Жалпы тарих
- Жер кадастрі, Жылжымайтын мүлік
- Журналистика
- Информатика
- Кеден ісі
- Маркетинг
- Математика, Геометрия
- Медицина
- Мемлекеттік басқару
- Менеджмент
- Мұнай, Газ
- Мұрағат ісі
- Мәдениеттану
- ОБЖ (Основы безопасности жизнедеятельности)
- Педагогика
- Полиграфия
- Психология
- Салық
- Саясаттану
- Сақтандыру
- Сертификаттау, стандарттау
- Социология, Демография
- Спорт
- Статистика
- Тілтану, Филология
- Тарихи тұлғалар
- Тау-кен ісі
- Транспорт
- Туризм
- Физика
- Философия
- Халықаралық қатынастар
- Химия
- Экология, Қоршаған ортаны қорғау
- Экономика
- Экономикалық география
- Электротехника
- Қазақстан тарихы
- Қаржы
- Құрылыс
- Құқық, Криминалистика
- Әдебиет
- Өнер, музыка
- Өнеркәсіп, Өндіріс
Қазақ тілінде жазылған рефераттар, курстық жұмыстар, дипломдық жұмыстар бойынша біздің қор #1 болып табылады.

Ақпарат
Қосымша
Email: info@stud.kz