Сипаттамаларының сипаттамасы


Мазмұны
Кіріспе 3
1 Негізгі бөлім 4
1. 1 Тарату желілерінің токтан жоғары қорғанысы 4
1. 2 БМРЗ қондырғыларының уақыттық сипаттамасы 4
1. 3 Сақтандырғыштардың уақытша сипаттамалары 9
2 Технологиялық бөлім 12
2. 1 TT және ТН схемалары 12
2. 2 Бір фазалы жерге тұйықталудан қорғауды қосу 13
3 Есептеу бөлімі 16
3. 1 Қорғаныс параметрлерін есептеу 16
3. 2 Қорғаудың бағытталған параметрлерін есептеу 18
3. 3 Оқшауланған бейтарап желідегі SPP-тен қорғанысты есептеу мысалы 20
Қорытынды 25
Пайдаланылған әдебиеттер тізімі 26
Кіріспе
Бұл стандарт ПУЭ-да көрсетілген талаптар мен ұсыныстарға сәйкес келеді. «Релелік қорғаныс».
Стандарт БМРЗ қондырғыларының құрылысы мен жұмысының ерекшеліктерін, сондай-ақ оларды пайдалану тәжірибесін ескереді.
Осы стандартты әзірлеу кезінде отандық электр энергетикасында қабылданған шешімдер практикасы ескерілді.
Бұл стандарт параметрлерді есептеудің кешенді әдісін ұсынады және тарату желілерінің келесі қорғанысы үшін кідірістерді таңдау бойынша ұсыныстар береді:
- ауалық және кабельдік желілердің фазалық-фазалық қысқа тұйықталуынан, 6-10 кВ қорғасын және секциялық ажыратқыштардан артық токтан қорғау;
- трансформаторлардың токтан қорғанысы 6 (10) / 0, 4 кВ;
- оқшауланған, компенсацияланған және резистивті жерге қосылған бейтараппен жұмыс істейтін желілердегі бір фазалы жерге тұйықталудан қорғау.
Стандарттағы есептеулер алғашқы мәндерде жасалады. Параметрлердің есептелген мәндерін БМРЗ блоктарына енгізу үшін шамалардың бастапқы мәндерін екінші деңгейлерге қайта есептеу керек.
Стандартты пайдалану жобалау ұйымдары мен жұмыс істеп тұрған кәсіпорындарға «СТК» ЖШС шығаратын БМРЗ қондырғыларының барлық артықшылықтарын толық іске асыруға мүмкіндік береді.
1 Негізгі бөлім
1. 1 Тарату желілерінің токтан жоғары қорғанысы
Тарату желілерінің 6 және 10 кВ желілік элементтерінің қысқа тұйықталудан қорғанысы негізінен ток күшінен қорғаныс көмегімен жүзеге асырылады.
Ағымнан жоғары қорғаныс TO және MTZ болып бөлінеді. TO және MTZ бір-бірінен селективтілікті қамтамасыз ету тәсілімен ерекшеленеді. Асқын токтан қорғаудың таңдамалылығына уақыттың кешігуінің көмегімен, ал ТО-ға жұмыс тогын таңдау арқылы қол жеткізіледі.
ТО-ның жұмыс тогы жабу аймағының соңындағы қысқа тұйықталу тогынан ажыратылады. Уақыттың кідіріссіз TO әсер ету аймағы, таңдамалылықты қамтамасыз ету шартына сәйкес қорғалатын элементтің шегінен шықпауы керек. Уақыттың кешігуімен TO әсер ету аймағы қорғалған элементтің шегінен шығады және селективтілік шартына сәйкес, ағымдағы және уақыт тұрғысынан іргелес учаскенің TO әрекет аймағының соңынан тұрғызылуы керек.
Ағымнан жоғары қорғаныс қосылыстың максималды жүктеме тогынан ажыратылады. Ағымнан және жоғары уақыттан қорғаныс алдыңғы қосылыстардың ағымдағы қорғанысымен үйлесуі керек.
Ағымдағы сәйкестік дегеніміз, жүктеме тогын ескере отырып, алдыңғы токтың қосылымынан жоғары болуы керек.
Уақыт - бұл ағынның қорғаныс реакциясы алдыңғы қосылыстардың ағынымен қорғаныс реакциясының уақытынан көп болуы керек.
Ағым мен уақытты сәйкестендіру уақыт-ток сипаттамаларының түріне байланысты. Іс жүзінде БМРЗ қондырғысының ток қорғанысын ұқсас ток қорғанысымен үйлестіру қажет болады, 6 (10) кВ және 0, 4 кВ сақтандырғыштар мен 0, 4 кВ автоматты сөндіргіштер. Одан әрі БМРЗ қондырғыларының уақыттық-ток сипаттамалары, сақтандырғыштар мен ажыратқыштардың сақтандырғыштары қарастырылған.
1. 2 БМРЗ қондырғыларының уақыттық сипаттамасы
Ең кең тарағаны - уақыт ағымының тәуелсіз сипаттамасы бар МТЗ (1. 1-сурет) .
Сурет 1. 1 - Уақыттың тәуелсіз сипаттамасы
Тәуелсіз сипаттамамен асқын ток қорғанысымен қатар, токқа тәуелді уақыттың кешігу сипаттамасымен асқын ток қорғанысы қолданылады. Суретте уақытқа тәуелді сипаттамалардың отбасы көрсетілген.
Параметрлерді есептеу кезінде қорғаныс СК-нің өшіру тогы есептеледі. Уақытты кешіктіруді түзету бірдей тоқ күші бар отбасынан сипаттамалардың бірін таңдау арқылы жүзеге асырылады.
Сурет 1. 2 - тәуелді уақыт-ток сипаттамалары
Уақытқа тәуелді сипаттамаларды қолданған жағдайда, көзге жақын орналасқан қорғаудың жауап беру уақыты аз болады, яғни. ең қысқа тұйықталу тогының деңгейі бар нүктеде.
1. 3-суретте желінің бөлімі және ток күшінен қорғаныстың уақыттық сипаттамалары көрсетілген. Суреттен көруге болады, тәуелді уақыт-ток сипаттамалары бар асқын токты қорғауды қолданған кезде, қысқа тұйықталу тогы ең жоғары К1 нүктесіндегі қысқа тұйықталу қысқа уақыт кідірісімен ажыратылады.
Уақыт бойынша үйлестірілген кезде, қысқа сипаттаманың көзіне жақын, тәуелсіз сипаттамалары бар асқын ток қорғанысы ең ұзақ кідіріспен өшіріледі.
а) желі бөлімінің бастапқы сызбасы; б) тәуелді сипаттамалары бар МТЗ-ны сәйкестендіру; в) тәуелсіз сипаттамалары бар МТЗ-ны сәйкестендіру
Сурет 1. 3 - желі ағыны мысалында тәуелді және тәуелсіз уақыт-ток сипаттамасымен асқын токты қорғауды салыстыру
БМРЗ блоктарында уақытқа тәуелді төрт сипаттаманың бірін таңдауға болады. Уақыт-ток сипаттамаларының түрлері мен аналитикалық тәуелділіктері IEC 60255-3 сәйкес келеді және 1. 1 кестеде көрсетілген.
Кесте 1. 1 БМРЗ бірліктерінің уақыт-ағымдық сипаттамаларының түрлері
№
Сипаттамаларының сипаттамасы
Тұрақты мәндер
Аналитикалық тәуелділік
1
Кері
𝑘 = 0, 14
𝛼 = 0, 02
t 0, 14 K
I 0, 02
1
Iс . з .
2
Толығымен кері
𝑘 = 13, 5
𝛼 = 1
t 13, 5 K I 1
Iс . з .
3
Ұзақ мерзімді кері
𝑘 = 120
𝛼 = 1
t 120 K I 1
Iс . з .
4
Өте кері
𝑘 = 80
𝛼 = 2
t 80 K
I 2
1
Iс . з .
Белгілеулер: K - пайда (уставка К) ; I - енгізу
бірлікпен өлшенген екінші реттік ток, А; Ic. з. - қорғаныс сапарының ағымы.
1. 4-суретте тәуелділік сипаттамалары 1-ге тең күшейтілген.
Сурет 1. 4 - БМРЗ қондырғыларының уақыт-ағым сипаттамасы
Уақыт осіне параллель және Ic. z ток мәнінен өтетін түзу барлық тәуелді уақыт-ток сипаттамалары үшін тік асимптота болып табылады. Сахна Isc-тен асатын токтардан басталады. Уақытқа тәуелді сипаттамалардың максималды бағаланған жауап беру уақыты - 180 минут.
Уақыт сипаттамасына тәуелді қадамдар үшін жауап беру уақытындағы рұқсат етілген қателік шектері 1 , 2 IIс. з. 20 : кезінде t ≤ 1 c бұдан былай құрмаңыз 30 мс, кезінде t > 1 c 5% -дан аспайды.
Жауап беру уақытын реттеу K күшейтуді таңдау арқылы жүзеге асырылады. 4. 5-суретте K-факторының әр түрлі мәндеріндегі тәуелді уақыт-ток сипаттамаларының жанұясы көрсетілген. Сондай сипаттамалардың отбасыларын басқа уақыт-ток сипаттамалары үшін де құруға болады.
Сурет 1. 5 - Кері сипаттамалар отбасы
Көп жағдайда кері сипаттаманы қолдану ұсынылады, өйткені бұл сипаттама көзден қашықтыққа байланысты уақыттың кешігуін қамтамасыз етеді. Жақын тұйықталу кезінде қысқа тұйықталуды ең қысқа уақыт кідірісімен ажырату керек, ал алдыңғы қорғаныс аймағының басында қысқа тұйықталумен - келісім шартымен анықталатын кідіріспен.
Қысқа тұйықталу тогының айтарлықтай төмендеуімен қатты кері сипаттама қолданылады, өйткені нүкте қуат көзінен алшақтайды, яғни. қуат көзінің кедергісіне қатысты желі элементінің айтарлықтай кедергісімен. Жоғары кері сипаттамалы реленің жауап беру уақыты релеге берілген токқа кері пропорционалды.
Өте кері сипаттамалы реленің жауап беру уақыты релеге қолданылатын ток квадратына кері пропорционалды. Бұл трансформаторларға осы сипаттаманы қолдануға мүмкіндік береді, қосқан кезде магниттелетін ток пайда болады. Сондай-ақ, шамадан тыс кері сипаттамадан жоғары ток қорғанысы сақтандырғыштармен жақсы сәйкес келеді.
1. 3 Сақтандырғыштардың уақытша сипаттамалары
Сақтандырғыштар тармақталған желілерге қосылған 6-10 кВ трансформаторларды қорғау үшін қолданылады. Сондай-ақ, сақтандырғыштар 0, 4 кВ қосылыстарды қорғау үшін кеңінен қолданылады.
Сақтандырғыштың ratedvs номиналды тогы ол бағытталған үздіксіз жұмыс істейтін ток деп аталады. PUE-ге сәйкес, максималды жүктеме тогының сенімді берілуі жағдайында сақтандырғыш-сілтеменің номиналды тогы мүмкін болатын минимум ретінде таңдалуы керек.
Асқын токтың қорғанысын сақтандырғыш сілтемелерімен сәйкестендіру үшін ажыратылатын токтың мәнінен жалпы ажырату уақытының (кірістіру балқу уақыты мен доғаның жану уақытының қосындысы) уақытша сипаттамасы қажет. 1. 6-суретте сақтандырғыш байланысының уақыт-ток сипаттамасы көрсетілген.
𝐼 вс - сақтандырғыш байланысының номиналды тогы, А
Сурет 1. 6 - Сақтандырғыш сілтемесінің уақыттық сипаттамасы
Асқын токтың қорғанысын сақтандырғыш сілтемелерімен сәйкестендіру үшін сақтандырғыштың ажыратылуының уақыттық сипаттамасы қажет - эквивалентті ажырату уақытының (максималды мәні) периодты компоненттің тиімді мәніне тәуелділігі қисығы күтілетін ағымдағы.
Көп жағдайда, құжаттамада сақтандырғыш байланысының балқуының уақыт-ағымдық сипаттамасы - эквивалентті доғаға дейінгі уақыттың күтілетін токтың периодты компонентінің тиімді мәніне тәуелділігі қисығы келтірілген. Бұл жағдайда доғаның жану уақытын ескеру қажет. Ағымға байланысты доғаның жану уақыты туралы мәліметтер келтірілген. Доғаның 50-ден 250 А дейінгі токтардағы жану уақыты шамамен 0, 1 с құрайды.
Сақтандырғыштың нақты сөну уақыты каталогтың орташа мәнінен айтарлықтай өзгеше болуы мүмкін. 1000 В дейінгі сақтандырғыштардың зауыттық деректерінен нақты ажырату уақытының ауытқуы 50% дейін жетуі мүмкін екендігі эксперименталды түрде анықталды. Бұл спрэд ең маңызды жағдайларда қабылданады. Көбінесе, 25% спрэд қабылданады.
Сурет 1. 7 - 1000 В дейінгі сақтандырғыштардың конструктивті сипаттамаларын құру
3 кВ-тан жоғары сақтандырғыш-сілтемелер үшін балқудың алдын-ала берілген уақытында күтілетін балқу уақытының ауытқуына сәйкес балқу уақыты-ток сипаттамасынан алынған ағымдағы мәннен ± 20% аспауы керек.
Ағымдағы қорғанысты сақтандырғыш-сілтемелермен сәйкестендіру үшін, мүмкін ауытқуларды ескере отырып, сақтандырғыш-сілтемелер сипаттамаларын құру ұсынылады (1. 8-сурет) .
Сурет 1. 8 - 3 кВ-тан жоғары сақтандырғыштарының конструктивті сипаттамаларын құру
Сақтандырғыш байланысының бір сағаттық балқу тогының мәні бойынша ол 1, 3∙𝐼 вс -тен 2, 0∙𝐼 вс , -қа дейінгі мәндер арасында орналасады, оны токпен сәйкестендіру кезінде ескеру керек.
2 Технологиялық бөлім
2. 1 TT және ТН схемалары
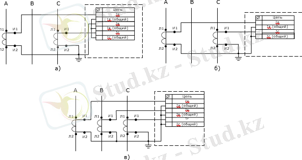
6-10 кВ тарату желілерінде БМРЗ блоктарын пайдалану кезінде келесі қосылу схемалары қолданылады:
- екі фазалы үш релелік схема (2. 1 а сурет) ) . Ib блогының аналогтық кірісі бейтарап сымға қосылады;
- екі фазалы екі релелік схема (2. 1 б сурет) ) . Iv токтың бағдарламалық есебі мүмкін, ал қосылу схемасы екі фазалы үш релелік схемаға ұқсас болады;
- үш фазалы үш релелік схема (2. 1 в сурет) ) .
Сурет 2. 1 - Фазалық-фазалық қысқа тұйықталудан қорғаудың қосылу схемалары
Шығатын сызықтар үшін шиналардан сызыққа бағыт оң бағыт ретінде қабылданады, кіріс ажыратқышты қорғау үшін - жүйеден шиналарға, секциялық ажыратқышты қорғау үшін оны ерікті түрде таңдауға болады. 2. 1-суретте L1-ден L2-ге дейінгі бағыт токтардың оң бағыты ретінде алынады.
PUE бойынша екі фазалы тізбектер 6-10 кВ желілерде қолданылады (2. 1 а) сурет, б) ) . Бұл жағдайда, көп жағдайда екі рет жерге тұйықталу болғанда, тек бір ақаулық орны ажыратылғанына көз жеткізу үшін КТ берілген кернеудің бүкіл желісіне бірдей фазаларға қосылуы керек.
Екі фазалы тізбектер қолданылады, егер КТ-ны орналастыру берілген кернеудің бүкіл желісі бойынша бір фазада орындалса және SPC-тен қорғаныс дабылға әсер етсе. Бұл жағдайда үш релелік тізбекті қолдану ұсынылады, өйткені ол 6 (10) / 0, 4 кВ трансформаторлардың артында екі фазалы қысқа тұйықталу кезінде қосылу схемаларымен және бірфазалы қысқа тұйықталу кезінде сезімталдықтың жоғарылауын қамтамасыз етеді. контуры бар трансформатордың артындағы тізбек.
Егер SPC-тен қорғаныс өшіру кезінде әрекет етсе, онда үш фазалы үш релелік схема қолданылады.
Үш фазалы үш релелік схема, егер берілген кернеудің бүкіл желісі бойынша КТ-ны бір фазада орналастыру талабы орындалмаса, қолданылады. КТ орналасуында қате болған жағдайда екі фазалы тізбекті қолдану КТ орнатылмаған фазаларда екі рет жерге тұйықталу кезінде қорғаныстың бұзылуына әкелуі мүмкін.
Үш фазалы үш релелік схема фазалық токтардан қалдық токты есептеуге мүмкіндік береді.
2. 2 Бір фазалы жерге тұйықталудан қорғауды қосу
6-10 кВ тарату желілерінде BMRZ блоктарын пайдалану кезінде SPL-ден қорғаудың келесі қосылу схемалары қолданылады:
- TTNP-ге қосылу (2. 2 а сурет) ) ;
- ТТ жинағының кері сымына қосылу (2. 2 б сурет) ) ;
- фазалық токтардан нөлдік реттілік тогын есептеу (3. 2 в сурет) . Бұл жағдайда қондырғыны үш фазалы үш релелік схемаға сәйкес қосу керек.
Сурет 2. 2 - SPE қорғанысының қосылу схемалары
Ағымдардың оң бағыты үшін L1-ден L2-ге дейінгі бағыт, яғни автобустардан байланысқа дейін алынады.
Қорғанысты TTNP-ге қосу ұсынылады (сурет 2. 2 а) ), ал SPP-тен қорғаныс сезімтал болып шығады, өйткені TTNP теңгерімсіздігі токтың есептелген мәні бойынша теңгерімсіздікке қарағанда әлдеқайда аз 3I0 (сурет 2. 2 в) ) немесе ТТ жинағының кері сымына қосылған кезде (сурет 2. 2 б) ) . TTNP-ді пайдалану тек кабельдік желілермен шектеледі, өйткені TTNP кабельдік жеңге салынған.
Әуе желілерінде OZZ-ден қорғаныс есептелген нөлдік тізбектегі ток бойынша орындалады немесе ТТ жинағының кері сымына қосылады (2. 2 б-сурет) ) . Әуе желісі бойынша сезімталдық жеткіліксіз болған жағдайда, оған TTNP қосылған кабельді кірістіру қажет.
TTNP орнатқан кезде кабельдік сауытты жерге тұйықтаудың белгілі бір ережелерін сақтау қажет. Егер терминалда кабельдік сауытқа жалғанған металл шұңқыр болса, онда воронка мен сауытты ТТНП-дан воронкаға дейінгі учаскедегі жерлендірілген бөліктерден бөліп, жерге қосқыш өткізгішті воронкаға қосып, оны өткізгіштен өткізу керек. TTNP магниттік тізбегіндегі керісінше тесік, 2. 3 а) суретте көрсетілгендей.
Заманауи соңғы муфталар оқшаулағыш материалдан жасалған, ал егер металл броньмен кабель TTNP арқылы өтпейтін болса, онда жерге қосқыш өткізгішті TTNP терезесінен өткізбеу керек (2. 3 б-сурет) .
1 - втулка оқшаулағышы; 2 - ілінісу корпусы; 3 - TTNP; 4 - жер сымы; 5 - кабель
Сурет 2. 3 - кабель қабығының жерге тұйықталуын орнату
Нөлдік реттілік кернеуін алу үшін 3U0 аналогтық кірісі VT ашық үшбұрыш орамына қосылады. Ашық үшбұрыш тізбегі қосымша VT орамдарында жинақталады.
3 Есептеу бөлімі
3. 1 Қорғаныс параметрлерін есептеу
Қалдық токтың негізгі гармоникасына жауап беретін жерге тұйықталудан қорғаныс қолданылады:
- оқшауланған бейтарап желілерде;
- кедергісі жоғары резистор арқылы бейтарап жерге қосылған желілерде;
- кедергісі төмен резистор арқылы бейтарап жерге қосылған желілерде;
- кедергісі төмен резисторды қоса отырып, компенсацияланған бейтараптағы желілерде.
𝐼 ОЗЗ с. з. , А негізгі қорғаныс тогы формула бойынша сыртқы жерге тұйықталу тогынан ажырату жағдайынан таңдалады.
мұндағы 𝑘 в = 0, 95 - қайтару коэффициенті;
𝑘′ отс - сыртқы жерге тұйықталудан ажырату коэффициенті. Қорғаныс уақыт кідірісімен жұмыс жасағанда 1, 5-ке тең, 2, 5 - қорғаныс уақыт кідіріссіз жұмыс жасағанда;
𝐼 𝐶 - қорғалған қосылыстың тұрақты күйдегі жерге тұйықталу тогы, А;
𝑘′′ отс = 1, 5 - анықтау факторы;
𝐼 нб - нөлдік дәйектілік тогын өлшеу немесе есептеу қателігі салдарынан тұрақтылықтың алғашқы тепе-теңдік тогы, А.
Құрылғы TTNP-ге қосылған кезде, екінші теңгерімсіздік тогының ұсынылған мәні 𝐼 нб сек 10 мА құрайды. Мән жұмыс тәжірибесіне сәйкес көрсетіледі.
Алғашқы теңгерімсіздік тогы 𝐼 нб , A формула бойынша есептеледі
𝐼нб = 𝐼нб втор ∙ 𝑛т,
мұндағы 𝐼 нб сек - теңгерімсіздіктің екінші тогы, А;
𝑛 т - КТ түрлендіру коэффициенті.
Сонымен қатар, жүктемені өздігінен іске қосу кезінде тепе-теңдіктен қалыпқа келтіру керек. 𝐼 нб сек 30 мА өздігінен іске қосылған кезде теңгерімсіздіктің қайталама тогының ұсынылатын мәні. 𝐼 нб сек мәні жұмыс тәжірибесіне сәйкес көрсетіледі.
Ішкі қысқа тұйықталу кезінде SPC-тен қорғаныс жұмысының алдын алу үшін, токтан жоғары қорғанысты бастаған кезде қорғанысты блоктау ұсынылады.
Егер қорғаныс есептелген нөлдік тізбектегі токқа әсер етсе немесе кері сымға қосылса, бастапқы теңгерімсіздік тогы 𝐼 нб , A формула бойынша есептеледі
𝐼нб = 0, 03 ∙ 𝐼раб. макс
мұндағы maxжұмыс істейтін максимум - қорғалған қосылыстың максималды жұмыс тогы, А.
Жүктемені және ішкі қысқа тұйықталуды өздігінен іске қосқанда, жердің бірфазалы ақауларынан қорғаудың жұмысының болмауы келесі тәсілдердің бірімен қамтамасыз етіледі:
- 𝐼раб. макс -тан жоғары токтарда бұғаттау;
- пикап параметрін тежеу сипаттамасына сәйкес арттыру.
Бір фазалы ақаулардан қорғаудың сезімталдығы формула бойынша ішкі жерге тұйықталуымен анықталады
мұндағы 𝐼 0𝛴 - қорғалатын сызықтағы тұрақты ақаулық тогы, A;
𝐼 ОЗЗ 𝑐. з. - жердің бірфазалы ақауларынан қорғаныс тогы, А.
Кабельдік желілерді қорғау үшін SPL-ден қорғаныстың сезімталдық коэффициентін кемінде 1, 25, әуе желілерін қорғау үшін - кем дегенде 1, 5 қамтамасыз ету ұсынылады.
Оқшауланған бейтарап және жоғары кедергісі бар резистор арқылы бейтарап жерге қосылған бейтарап желілерде сезімталдық жеткіліксіз болған жағдайда қорғанысты TTNP-ге қосу ұсынылады. TTNP-ге қосылған қорғаныстың жеткіліксіз сезімталдығы кезінде қорғаныс бағытта орындалады.
Төмен кедергісі бар резистор арқылы жерге тұйықталған бейтарап желілерде жеткіліксіз сезімталдық жағдайында ішкі жерге тұйықталу тогын көбейту үшін ТТНП-ға қосылу немесе резистордың кедергісін азайту ұсынылады.
Төмен кедергісі бар резистор арқылы жерге тұйықталған бейтарап желілерде қорғаныс алдыңғы қосылыстармен таңдамалылықты қамтамасыз ету шартымен орындалады.
Оқшауланған бейтарап және бейтараптылығы жоғары резистор арқылы жерлендірілген желілерде қысқа мерзімді доғалы ақаулар болған жағдайда қорғаныс жұмысын қамтамасыз ету үшін уақытты кідіртпей қорғауды ұсынған жөн.
Уақытты кешіктіріп қорғауды жүзеге асырған кезде формуладағы 𝑘′ отс ажырату коэффициенті төмендейді, ал қорғаныстың сезімталдығы сәйкесінше артады. Сезімталдықты арттыру үшін 𝑡 ОЗЗ 𝑐. з. , уақытты кідірте отырып қорғауды жүзеге асыруға болады, 0, 05 с-қа тең.
3. 2 Қорғаудың бағытталған параметрлерін есептеу
Бағдарлы жерге тұйықталудан қорғаныс оқшауланған бейтарап, жоғары кедергісі бар резистор арқылы жерге тұйықталған және өтімділікке төзімді резисторды қосқанда бейтарапталған желілерде қолданылады.
Бір фазалы жерге тұйықталудан қорғаудың бастапқы жұмыс тогы 𝐼 ОЗЗ с. з. , А формула бойынша таңдалады
мұндағы 𝑘 отс = 1, 5 - ажырату коэффициенті;
𝐼 нб - теңгерімсіздіктің қайталама тұрақты күйіндегі ток, нөлдік тізбекті токты өлшеу немесе есептеу қателігі салдарынан.
𝑘 в = 0, 95 - қайтару коэффициенті.
Кернеудің параметрі қалыпты режимде кернеуді теңгерімсіздендіру жағдайымен анықталады. Кернеуді орнату
𝑈 0𝑐. з. , В, 15 В-қа тең қабылдау ұсынылады.
Оқшауланған бейтарапты желі үшін ϕмч бұрышын 900-ге тең етіп орнату ұсынылады.
Резистор арқылы жерге тұйықталған бейтарап желі үшін бұрыш максималды сезімталдық 𝜑 м. ч. , °, формула бойынша есептеледі.
мұндағы 𝐼 0𝑅 , 𝐼 0𝐶 - ішкі жерге тұйықталуы бар нөлдік реттілік тогының белсенді және сыйымдылықты құраушылары.
Жоғары кедергісі бар резистор арқылы бейтарап жерге қосылған желі үшін бұрыштың ұсынылған мәні ϕмч = 1350.
Жоғары кедергісі бар резисторды қоса отырып, компенсацияланған бейтараптағы желіде белсенді ток бағытталған реле қолданылады.
SPP-тен бағытталған қорғаныстың сипаттамалары 3. 1-суретте көрсетілген.
а) оқшауланған бейтарабы бар желі; б) резистор арқылы бейтарап жерге қосылған желі; в) кедергісі жоғары резисторды қоса отырып, өтелген бейтарапты желі
Сурет 3. 1 - SPE-ден бағытталған қорғаудың сипаттамалары
Резистор арқылы оқшауланған бейтарап және бейтарап жерге қосылған желілерде бір фазалы ақаулардан қорғаныстың сезімталдығы ішкі жерге тұйықталуымен анықталады.
Жоғары кедергісі бар резистор қосылған компенсацияланған бейтараптағы желіде бір фазалық ақаулардан қорғаныстың сезімталдығы формула бойынша ішкі жерге тұйықталуымен анықталады.
мұндағы 𝐼 𝑅 - токтың белсенді компонентінің тұрақты мәні, A;
𝐼 ОЗЗ 𝑐. з. - жердің бірфазалы ақауларынан қорғаныс тогы, А.
Бағдарлы қорғанысты 𝑡 ОЗЗ 𝑐. з. , уақытты кешіктіріп орындау ұсынылады, 0, 05 с-қа тең, ағымдағы сигналдың тұрақсыздығына байланысты қорғаныс жұмысын болдырмау үшін.
3. 3 Оқшауланған бейтарап желідегі SPP-тен қорғанысты есептеу мысалы
SPP-тен қорғаныс параметрлерін есептеу мысалы 3. 2 суретте көрсетілген желілік диаграмма үшін келтірілген. 10 кВ желі оқшауланған бейтараппен жұмыс істейді.
Сурет 3. 2 Негізгі желі диаграммасы
Қосылу параметрлері 3. 1 кестеде көрсетілген.
Кесте 3. 1 - Қосылу параметрлері
... жалғасы- Іс жүргізу
- Автоматтандыру, Техника
- Алғашқы әскери дайындық
- Астрономия
- Ауыл шаруашылығы
- Банк ісі
- Бизнесті бағалау
- Биология
- Бухгалтерлік іс
- Валеология
- Ветеринария
- География
- Геология, Геофизика, Геодезия
- Дін
- Ет, сүт, шарап өнімдері
- Жалпы тарих
- Жер кадастрі, Жылжымайтын мүлік
- Журналистика
- Информатика
- Кеден ісі
- Маркетинг
- Математика, Геометрия
- Медицина
- Мемлекеттік басқару
- Менеджмент
- Мұнай, Газ
- Мұрағат ісі
- Мәдениеттану
- ОБЖ (Основы безопасности жизнедеятельности)
- Педагогика
- Полиграфия
- Психология
- Салық
- Саясаттану
- Сақтандыру
- Сертификаттау, стандарттау
- Социология, Демография
- Спорт
- Статистика
- Тілтану, Филология
- Тарихи тұлғалар
- Тау-кен ісі
- Транспорт
- Туризм
- Физика
- Философия
- Халықаралық қатынастар
- Химия
- Экология, Қоршаған ортаны қорғау
- Экономика
- Экономикалық география
- Электротехника
- Қазақстан тарихы
- Қаржы
- Құрылыс
- Құқық, Криминалистика
- Әдебиет
- Өнер, музыка
- Өнеркәсіп, Өндіріс
Қазақ тілінде жазылған рефераттар, курстық жұмыстар, дипломдық жұмыстар бойынша біздің қор #1 болып табылады.

Ақпарат
Қосымша
Email: info@stud.kz