Автоматты реттеудің статикалық және динамикалық сипаттамалары


Дипломдық жұмыс тақырыбы
Цехтың (заводтын) электрмен жабдықтау сұлбасын талдау
Орал ЖЭО "Жайықжылуқуат"
Мазмұны
Кіріспе
1 Жұмыс обьектісінің қысқаша сипаттамасы . . . ………. 1
1. 1 Орал ЖЭО Қысқаша сипаттамасы . . . … . . . … 2
1. 2 Орал ЖЭО негізгі жабдықтарының жағдайы . . . 4
2 Негізгі және қосалқы жабдықтардың құрамы негізгі құрал-жабдықтар . . .
2. 1 Турбинасының құрылысы және жұмыс істеу принципіПТ -12-3, 4/1, 0-1…5
2. 2 Турбинада қорғаныс жүйесінің құрылғылары. 8
2. 3 Конденсациялық жүйе және эжекторлар . . .
2. 4 Регенеративті жүйе . . .
2. 5 Технологиялық сызба . . .
2. 6 Қосалқы күштік электр жабдығы турбиналары ПТ-12-3, 4/1, 0-1 . . .
2. 7 Электр сымдары . . .
2. 8 Басқару және релелік қорғау . . .
3 Басқару жүйесі . . .
3. 1 Автоматтандыру объектісінің қысқашасипаттамасы . . .
3. 2 Басқару жүйесінің жалпы тұжырымдамасы . . .
4 Техникалық-экономикалық көрсеткіштері . . .
5 Қорытынды . . .
6 Қолданылған әдебиеттер . . .
Приложения
БЕЛГІЛЕР МЕН ҚЫСҚАРТУЛАР
Дисертациялық жұмыста төмендегі белгілер мен қысқартылған сөздер қолданылады
ЖЭО- Жылу электр орталығы
ЧВД- часть турбины высокого давления
ЧСД- часть турбины среднего давления
ЧНД- часть турбины низкого давления
ПНД-Подогреватели низкого давления
ПВД- Подогреватели высокого давления
САУ ПТУ- Системы автоматического управления паротурбинной теплофикационной установки
УРОВ- Устройство резервирования при отказе выключателя
1. 1 Жұмыс обьектісінің қысқаша сипаттамасы
Орал ЖЭО- қазақстан жылу электр станциясы (жэо) жергілікті маңызы бар. Батыс Қазақстан облысының Орал қаласында орналасқан. Қаланы жылу және электр энергиясымен қамтамасыз етеді. "Жайықжылуқуат"АҚ тиесілі. Оқшауланған Орал энергия торабы Қазақстанның бірыңғай энергия жүйесіне кірмейді.
1. 2 ЖЭО жұмыс істеу қысқаша принципі :
Жайық өзенінің жағалық су бөгетінен техникалық су дайындау қондырғысына, содан кейін шикі бу-су жылытқыштарына қайнатады, содан кейін 2 ағынға бөлінеді. Бір ағын жіберіледі 2 сатылы Nа-катионитті сүзгілер және машзал ауасыздандырғыштар және бу қазандары бағытталады. Басқа ағын вакуумға жіберіледі ауасыздандырғыштар, содан кейін аккумуляторлық бактарға. Әрі қарай қоректік сорғылар су кері құбырға жылу желісін толтыру үшін беріледі.
Жылу желісінің кері құбырынан су ӘКҚ желілік құбырларға беріледі қазандықтарға, бойлер қондырғысына және тікелей тұтынушыларға бағытталады.
Бу қазандықтарынан бу №1, 2, 3 турбиналарға және РОУ-ға(Редукционно-охладительные установки) беріледі. Турбиналарды іріктеуден бу қазандықтар мен ВПУ(валопо-воротных устройства) жылытқыштарына, регенерацияға, мазут шаруашылығына беріледі.
ЖЭО схемалық схемасы көлденең байланыстармен жасалады. ПР-10-35/10/1, 2 турбоагрегатының нақты істелген жұмысы (ПТ-12-35/10м) №1 пайдаланудың басталуы-344 234 сағат, нормативтік мерзімде дайындаушы зауыт орнатқан 200 мың сағат. Бүгінгі күні № 1 турбоагрегат пайдаланудан шығарылды, соңғы дамыған қуаты 2016 жылы белгіленген қуаты 10 МВт болатын 2, 0 МВт құрады.
Орал ЖЭО негізгі жабдықтарының жағдайы
Кесте 1. 1
Жұмыс істеген уақыты
01. 01. 2020, сағ
2 Орал ЖЭО негізгі жабдықтары туралы
2. 1 Турбинасының құрылысы және жұмыс істеу принципі ПТ -12-3, 4/1, 0-1
Турбина - бір цилиндрлі. Турбинаның реттелетін іріктеу камераларымен ол жоғары қысым бөлігіне (ЧВД), орташа қысым бөлігіне (ЧСД) және төмен қысымды бөлінеді (ЧНД) . ЧВД 5 сатыдан, ЧСД - 8 сатыдан, ЧНД-дан тұрады - 5 қадамнан.
Турбина роторы-саптамалы дискілерден тұрады. Турбина және генератор роторлары олар қатты муфтамен байланысады және төрт мойынтірекке сүйенеді. Жолдау роторлардың айналуы-турбина жағынан сағат тіліне қарсы бағытта генератор.
Бір мезгілде валмен турбина орындалды дөңгелегі бас май сорғысы- орталықтан тепкіш типті реттегіш, ол бір уақытта тарақ болып табылады тірек подшипнигі.
Турбина корпусы шығатын бөліктің екі табанымен іргетасқа сүйенеді алдыңғы бөлігінің табандары-алдыңғы мойынтіректің корпусына икемді тіректердегі рамка, бұл оның қозғалу мүмкіндігін қамтамасыз етеді осьтік бағытта және орталықтандыруды сақтау.
Турбинаның Фикс-пункті тік жазықтықтың қиылысу нүктесі болып табылады, тірек табандары шпонкаларының осі бар тік шпонкалардың осі арқылы өтетін турбина корпусының пайдаланылған бөлігі.
Турбина лабиринтті терминалды тығыздағыштармен жабдықталған, болғызбайтын протечки бу бөлмесі.
Турбина гидравликалық білік бұрғышымен жабдықталған, артқы подшипник қақпағына орнатылған, ол бұралуы мүмкін ротор. Білік бұрғыш құрылғыны қосу және ажырату өндірістік нұсқаулық талаптарына сәйкес жүргізіледі.
Бу тарату - клапанды. Бу ағынды бөлікке беріледі ретімен ашылатын басқару клапандары арқылы турбиналар және оларға сәйкес саптама топтары. Жетек - реттеу блогының сервомоторынан.
Өндірістік және өндірістік камералардағы бу қысымын реттеу үшін айналмалы диафрагмалар орнатылған. Жетек-бастап басқару блогының сервомоторлары.
Турбина электр және электр энергиясы бойынша параллель жұмысты қамтамасыз етуі тиіс. онымен бірдей басқа турбиналары бар жылу жүктемелері
Автоматты реттеудің статикалық және динамикалық сипаттамалары.
Турбина жалпы буға бу жіберу бойынша параллель жұмысты қамтамасыз етуі тиіс редукциялық-салқындату қондырғылары (РОУ) бар бу коллекторы, егер row қысым реттегіштерінің сипаттамалары сипаттамаға сәйкес келеді турбинаның бу қысымын реттегіш, ал азайтылған будың температурасы турбинадан түсетін температура деңгейінде автоматты түрде ұсталады РОУ жүктемелерінің барлық диапазонындағы бу. Турбина жүктемені түсіргеннен кейін бос жүрістегі жұмысты қамтамасыз етуі тиіс.
Турбинаны автоматты реттеу жүйесі - гидродинамикалық, бір насос. ЧВД реттеу блогы алдыңғы қақпаққа орнатылған турбина подшипниктері, ЧСД және ЧВД реттеу блоктары және айналмалы жетектер диафрагмалар турбина корпусының төменгі жартысында орналасқан.
Реттеу жүйесі мыналарды қамтамасыз етеді: - ротордың жылдамдығын автоматты түрде реттеу; - реттелетін үлгілерде бу қысымын автоматты түрде ұстап тұру; - генератор желіден ажыратылған кезде турбинаны бос жүрісте ұстау.
Турбина роторының айналу жиілігінің өзгеруі бойынша сигнал датчигі негізгі май сорғысы-қысымның өзгеруі тәуелді болатын реттегіш (ГМН) ротордың айналу жиілігінен реттеу жүйесімен қабылданады, ЧВД, ЧСД және ЧНД бу тарату органдарының қозғалысын жүзеге асыратын ұйым. Ротордың айналу жиілігін автоматты түрде реттеу жүзеге асырылады қысым трансформаторымен қамтамасыз етеді: - турбина роторының айналу жиілігінің бос жүрісте өзгеруі генераторды синхрондау; - ротордың айналу жиілігін белгіленген шектерде автоматты түрде ұстау турбинаның жеке жұмысы жағдайында жүктемелер өзгерген кезде; - қатарлас жұмыс кезінде турбинаны жүктеу және жүктемені бір турбиналар басқа.
Қысым трансформаторында басқару синхронизаторы бар басқару және дабыл қалқанынан қашықтан немесе қолмен.
Айналу жиілігін Автоматты реттеудің біркелкі емес дәрежесі - Турбинаның қуаты бос жүрістен бастап 4-5% номиналдыға дейін өзгерген кезде номиналды.
Ротордың синхрондау диапазоны- 9%. Жиілікті автоматты реттеу жүйесінің сезбеушілік дәрежесі ротордың айналуы номиналды айналу жиілігінің 0, 3% - нан аспауы тиіс.
Реттелетін іріктеулердегі бу қысымын автоматты түрде реттеу турбинаның жылу кестесі бойынша жұмысы қысымды реттегіштермен жүзеге асырылады, оларды көрсетілген шектерде сақтай алады. Реттегіштерді қосу қысымды электр жүктемесінің 30% - ын жинағаннан кейін жүргізуге рұқсат етіледі.
Қысым реттегіштерін басқару қашықтықтан жүзеге асырылады басқару және дабыл қалқаны немесе қолмен.
Бу қысымын автоматты түрде реттеудің біркелкі емес дәрежесі реттелетін іріктеулерде: өндірістік іріктеуде - 10%, жылыту іріктеуінде - 20% тиісті қысым реттегіштерінің тағайыншамалары кезіндегі номиналды қысым нөлден бастап іріктеуден будың шығыстарын өзгерту кезіндегі номиналды қысымдарға номиналды.
Қуаттың Автоматты өзгеруінің реттеу диапазоны шегінде 1, 5% дейінгі жылдамдықпен қуаттың шексіз өзгеруіне рұқсат етіледі номиналды қуаты минутына.
Жүктеменің кенеттен төмендеуі кезіндегі реттеу жүйесі барлық қуат диапазонындағы желіден генераторлар, оның ішінде номиналды, будың номиналды параметрлері мен номиналды айналу жиілігі жұмыс істеуге жол бермей, айналу жиілігінің динамикалық лақтырылуын шектеу қауіпсіздік реттеушісінің
Турбинаның қызмет ету мерзімі ішінде жүктеме тастауларының саны шектеледі.
2. 2 Турбинада қорғаныс жүйесінің құрылғылары
а) турбинаны тоқтату жолымен тоқтатуды қамтамасыз ететін тоқтатқыш клапандар алдында май қысымы төмендеген кезде турбинаға жаңа бу кіру 0, 3 МПа (3, 0 кгс/см2) ;
б) Автоматты ысырма арқылы қамтамасыз ететін қауіпсіздік реттегіші тығындау клапандары мен турбина тоқтатуларының жиілігі жоғарылаған кезде жабылуы турбина роторының 56 1/с дейін айналуы (3360 айн/мин) ;
в) электромагниттік жетегі бар қашықтықтан ажыратқыш, тоқтатқыш клапандарды жабуды және турбинаның тоқтатылуын жүзеге асыратын басқару және дабыл қалқанынан автоматты түрде қашықтықтан әсер ету қорғау әрекеті кезінде;
г) тоқтатқыштың жабылуын қамтамасыз ететін гидравликалық қысым қосқышы майлау жүйесіндегі май қысымы төмендеген кезде клапандар мен турбинаның тоқтауы 0, 025 МПа (0, 25 кгс / см2) ;
д) жылдам ілмекті клапандардың қашықтықтан ажыратқышы-іріктеу бөгеті жоғары қашықтықтан әсер ету кезінде олардың іске қосылуын қамтамасыз ететін ЧВД және ЧСД қорғаныс әрекеті кезінде автоматты түрде басқару және дабыл қалқаны.
е) жабуды қамтамасыз ететін осьтік жылжуды өлшеу құрылғысы тоқтатқыш клапандар, реттеуші клапандар және кері тез қысымды клапандар-қашықтан ажыратқыштарға сигнал беру арқылы жабу ротор бастапқы қалыптан шегіне дейін ығысқан кезде;
ж) тоқтату клапандарының жабылуын қамтамасыз ететін электрондық тахометр, реттеуші клапандар және кері тез қысымды клапандар-бітеуіш үлкейту кезінде қашықтан ажыратқыштарға сигнал беру арқылы айналу жиілігі шегіне дейін;
з) стопорлардың жабылуын қамтамасыз ететін дірілді өлшеу кешені клапандар, реттеуші клапандар және кері тез қысымды клапандар - қашықтықтан ажыратқыштарға сигнал беру арқылы жабу турбина подшипниктерінің діріл жылдамдығының шегіне дейін артуы;
и) кері тез қысымды клапандар-реттелетін іріктеулердің бітеулері;
к) кері тез қысымды клапандар-реттелмейтін іріктеулердің жабындары;
л) реттеуші клапандарды жабу релесі және реле-бітеуіш тоқтатқыш клапандарды жабумен бір мезгілде реттеуші клапандарды жабу және тез қысымды клапандар-іріктеу қорғаны;
м) айналмалы диафрагмаларды жабу релесі бекіту клапандарын жабу айналмалы диафрагмаларды жабу;
н) іске қосу электр сорғысын автоматты түрде қосатын құрылғы турбинаны тоқтату және қосу кезінде ажыратқыш, негізгі жұмысқа кіріскеннен кейін мұнай сорғы реттегіші: - қосу қысымы 0, 72 МПа (7, 2 кгс / см2) ; - ажырату қысымы 0, 82 МПа (8, 2 кгс / см2) ;
о) тұрақ немесе апатты автоматты түрде қосатын құрылғы майлау жүйесіндегі май қысымының авариялық төмендеуі кезіндегі май электр сорғысы-0, 025 МПа (0, 25 кгс/см2) дейінгі) ;
п) буды өндірістік іріктеудің сақтандырғыш клапандары, артық қысымның жоғарылауы кезінде атмосфераға бу шығаруды қамтамасыз ету бұл іріктеу 1, 58 МПа (15, 8 кгс / см2) ;
р) бумен жылытуды қамтамасыз ететін сақтандырғыш клапанбұл іріктеуде артық қысымның жоғарылауы кезінде атмосфераға бу шығару 0, 324 МПа (3, 24 кгс/см2) астам конденсациялық режимде) ;
с) турбина пайдаланылған кезде іске қосылатын сақтандырғыш будың абсолюттік қысымының 0, 12 МПа (1, 2кгс / см2) ;
т) түсіру кезінде қамтамасыз ететін электр жүктемесін түсіру релесі электр жүктемесінің ТЖҚ реттеуші клапандарын жағдайға ауыстыру бос жүру. Ротор білігінің алдыңғы ұшында ашылатын клапан бар жұмыс істеп тұрған турбинада қауіпсіздік реттегішін сынауды жүзеге асыру ротордың айналу жиілігін арттыру, бұл ретте жабудың болмауы Автоматты ысырмадағы құлыптау клапандары бұрылу клапанын аудару керек "сынақ" жағдайына сақина.
Автоматты ысырманың қызыл түймесін басу арқылы турбинаны қолдануға болады қолмен тоқтату.
2. 3 Конденсациялық жүйе және эжекторлар
Пайдаланылған будың конденсациясы үшін турбинада конденсатор қарастырылған КП - 1000 типті, келесі сипаттамамен:
- салқындату беті-1000 м2;
- салқындатқыш су-тұщы;
- конденсатордың су кеңістігіндегі ең үлкен жұмыс қысымы -0, 6 МПа (6, 0 кгс / см2) ;
- салқындатқыш судың номиналды температурасы-20°C;
- салқындатқыш судың номиналды шығыны-3000 м3 / сағ;
- салқындатқыш судың ең аз рұқсат етілген шығыны (құбырлардағы жылдамдық кезінде 1 м/с) - 1500 м3/ сағ;
- таза түтіктер мен номиналды тұтыну кезіндегі гидравликалық кедергі 0, 033 МПа (0, 34 кгс/см2) артық емес;
- габариттік өлшемдері ДхШхВ-6750х2850х3180 мм;
- салмағы-23 800 кг.
Конденсатордың бу кеңістігінде тұрақты қысымды ұстап тұру үшін бу-ауа қоспасын жою арқылы ЭО-30м со негізгі эжекторы көзделген келесі сипаттамамен:
- жұмыс буының номиналды абсолютті қысымы-7 кгс/см2;
- жұмыс буының температурасы-250-280°С;
- жұмыс буының шығыны-190 кг/сағ артық емес;
- номиналды режимде салқындату конденсатының шығыны-18 м3/сағ;
Турбинаны іске қосу алдында конденсатордан ауаны сору үшін ЭП-150 іске қосу эжекторы. Бу-ауа қоспасын және тығыздағыштардан буды сору үшін эжектор қарастырылған эу-200м-1 тығыздағыштарын келесі сипаттамамен:
- жұмыс буының номиналды абсолютті қысымы-7 кгс / см2;
- жұмыс буының температурасы-250-280°С;
- жұмыс буының шығыны-63 кг/сағ артық емес;
- номиналды режимде салқындату конденсатының шығыны-18 м3/ сағ;
Конденсатордан Конденсат ЭКН 50-55 сорғыларының қондырғыларымен сорылады, келесі сипаттамасы бар:
- номиналды беру-50 м3/ сағ;
- номиналды қысым-55 м;
- рұқсат етілген кавитациялық қор-1, 2 м;
- ПӘК сорғы-56 %;
- электр қозғалтқышының параметрлері-18, 5 кВт; 380 В; 50 Гц;
- айналу жиілігі-50 1/с (3000 айн / мин) .
2. 4 Регенеративті жүйе
Турбинада регенерацияның 3 сатысы бар: ПНД, ауасыздандырғыш, ПВД Конденсатты регенеративті қыздыруға арналған ПН-30 14 сатылы турбинаның реттелмейтін іріктеуінен төмен қысымды бу. ДС-30 сипаттамасы:
- жылыту беті - 32 м2;
- бу температурасы-240°с артық емес;
- салқындату конденсатының қысымы-0, 6 МПа (6, 0 кгс/см2) ;
- гидравликалық конденсат кедергісі-50 кПа;
- габариттік өлшемдері ВхДхШ-3350х880х725 мм;
- салмағы-760 кг.
Жылыту буының конденсатын деаэраторға айдау үшін конденсаттық (ағызу) электр сорғы ЭКН 12-50, келесі сипаттамасы:
- номиналды беру-12 м3/ сағ;
- номиналды қысым-53 м;
- рұқсат етілген кавитациялық қор-0, 8 м;
- к. п. д сорғы - 45 %;
- электр қозғалтқышының параметрлері - 5, 5 кВт; 380В; 50 Гц;
- айналу жиілігі-50 1/с (3000 айн / мин) .
ПВ-110 қоректік суды регенеративті жылытуға арналған, буды өндірістік іріктеу жұбын пайдалану.
ПВ-110 сипаттамасы:
- қыздыру беті - 110 м2;
- судың рұқсат етілген қысымы - 7, 2 МПа (7, 2 кгс / см2) ;
- гидравликалық конденсат кедергісі-25 кПа;
- габариттік өлшемдері ВхДхШ-5470х1575х862 мм;
- салмағы-7184 кг.
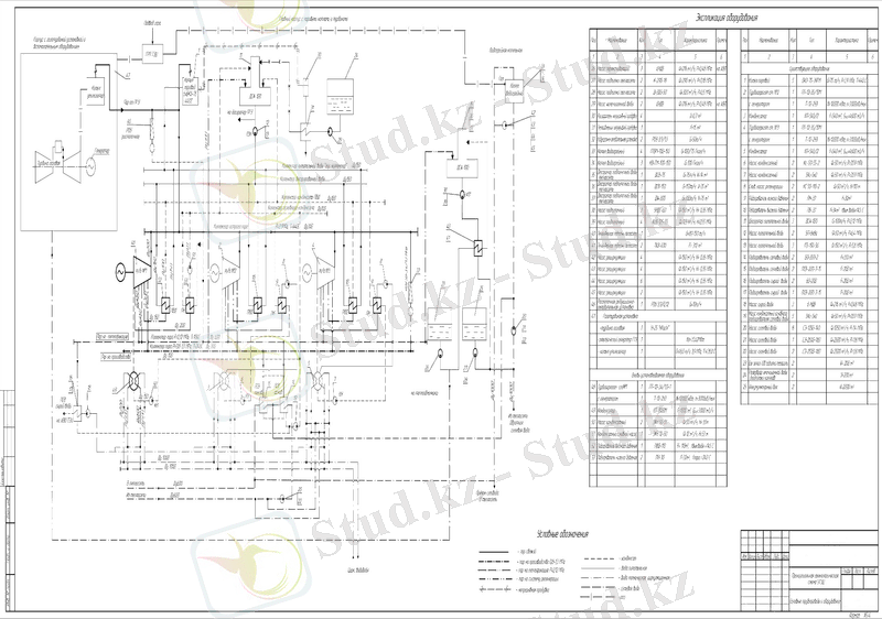
2. 5 Технологиялық сызба
Жаңадан орнатылу керек бу турбинасы ПТ-12-3, 4/1, 0-1 кіреді негізгі бойынша көлденең байланыстары бар қолданыстағы жылу сұлбасы технологиялық құбырларға - өткір будың құбырына, бу құбырында пайдаланылған бу, пайдаланылған газ шығатын құбыр, салқындататын су құбыр. ЖЭО-ның қолданыстағы жылу схемасы өзгермейді. Қазандықтардың қоректік суын деаэрациялау атмосфералық ауасыздандырғыштар. Желілік суды жылыту желілік жылытқыштарда жүзеге асырыладысу. Жылу желісін қоректендіру схемасы бар болып қалады. Энергия үнемдеу жөніндегі іс-шаралар . Жұмыс жобасында бағытталған іс-шаралар кешені көзделеді энергия шығынын болдырмау немесе шектеу үшін де, оны қамтамасыз ету үшін де ұтымды пайдалану. Бұл ретте энергия үнемдеу жөніндегі іс-шаралар жеке қондырғы немесе қондырғы. Мысалы, қайта қосу схемасы Орнатылатын ПТ -12-3, 4/1, 0-1 турбинасы жалпы технологиялық схемаға, сондай-ақ жұмыс режимдерінде ұтымды энергияны пайдалану көзделеді. Орал ЖЭО технологиялық циклдерінің тиімділігі:
- ПТ-12-3, 4/1, 0-1 турбинасы орнатылады қосалқы жоғары техникалық-экономикалық және экологиялық көрсеткіштермен, сенімділікпен және жөндеуге жарамдылығымен;
- Қоршаған ортаға жылу шығынын азайту үшін барлығы ПТ-12-3, 4/1, 0-1 турбинасының Жоғары температуралы беттері №1 және бу құбырлары жылу оқшаулағышпен жабылады;
- Негізгі технологиялық параметрлерді бақылау және есепке алу жүргізіледі ПТ-12-3, 4/1, 0-1 турбиналары (температура, қысым, шығын) . Деректер іс-шаралар уақтылы объективті бағалау жүргізуге мүмкіндік береді турбоагрегаттың техникалық жай-күйін және қажет болған жағдайда олардың тиімділігін арттыру бойынша іс-шаралар, яғни жөндеу және қайта жаңарту;
- Шығарылатын өнім көлемін есепке алу және бақылау жүргізіледі - будан турбиналар.
2. 6 Қосалқы күштік электр жабдығы турбиналары ПТ-12-3, 4/1, 0-1
Қуаты 150 кВт кем қосалқы жабдықтың электр қозғалтқыштары 0, 4 кВ кернеуде қуатталған. электр қозғалтқыштарын қосу нүктелері іске қосу май сорғысын, айдайтын май сорғысын, резервтік май сорғысын, білік бұратын құрылғы агрегаты және газ салқындатқыштар сорғыларының электр қозғалтқыштары генераторлар жиынтығы бірге жеткізілетін қуат жинақтары болып табылады бар РУСН-0, 4 кВ қосылған турбогенератормен жабдықталған. Турбинаның авариялық май сорғысының электр қозғалтқышы Ажыратқышты ауыстырумен бар тұрақты ток қалқаны ЩПТ және іске қосу аппаратурасында. Шкафтар мен жинақтардың коммутациялық және қорғаныс жабдықтарын таңдау электр жабдықтарының номиналды жұмыс режимі бойынша және термиялық және қысқа тұйықталу токтарындағы динамикалық тұрақтылық. Қосалқы электр қозғалтқыштарын орналастыру және қосу жоспары турбина жабдықтары орнату сызбалары негізінде жасалған технологиялық жабдықтар. Т-12-2У3 генераторының күштік электр жабдығы . Бу турбинасы жетегімен ұзақ жұмыс істеу үшінтурбинамен жиынтықта жеткізілетін Т-12-2У3 генераторы орнатылады . Калуга турбиналық зауыты. Генераторда жабық циклде өзін-өзі желдетудің ауа жүйесі бар IC7A1W7 типті ГОСТ Р МЭК 60034-6-2012
Генератордың қозуы диодтың щеткасыз жүйесінен жүзеге асырылады генератормен бірге жеткізілетін СВБД сериясының қозуы.
Қоздыру жүйесінің трансформаторын, ажыратқыштарды қосу үшін, ток трансформаторлары, генератордың нөлдік шығыс ток трансформаторлары КМ-1аф шкафтарымен жабдықталған РУ-10кВ генератор қарастырылған "КЭМОНТ" АҚ Өскемен қаласы. Тарату отм-да орналасқан. 0. 00 генератор астында. Генератордың қуат ажыратқышы қолданыстағы №3 ұяшыққа орналастырылады GRU-10kv. қолданыстағы генераторлық қосқыш түріне байланыстыМГГ-10 өткізу қабілеті бойынша ток сипаттамаларына сәйкес келмейдіқосылған генератор, осы қосқышты ауыстыру тогы 1600А ВВ-АЭ-12-1600/31, 5 кА ажыратқышы.
2. 6 Электр сымдары Қуатты тарату және басқару желілері кабельдермен орындалады оқшаулағышы бар тиісті қималардың алюминий және мыс желісімен жануға. Кәбілдерді төсеу қолданыстағы кәбіл бойынша көзделеді белгісі бар металл конструкцияларға, қабырғалар бойынша кронштейндерде, кабельдік туннельде және болат құбырлар мен металл түтіктердегі электр жабдықтарына жақындағанда.
2. 7 Басқару және релелік қорғау
Турбинаны жеткізу жиынтығына автоматтандырылған жүйе кіреді (бұдан әрі мәтін бойынша - ҚБТУ АБЖ) . ПТУ АБЖ турбогенераторды басқару функцияларын жүзеге асыру үшін құрылады жалпы, бақылау, қорғау және басқару міндеттерін орындауды қоса алғанда: агрегаттың ішкі жүйелері:
- турбинаның бу құбырлары;
- -турбинаның өзі;
- -турбинаны реттеу және қорғау тетіктері;
- -турбинаның май жүйесі;
- -турбиналық тығыздау жүйесі;
- -турбинаның конденсаттық жүйесі;
- -турбинаның вакуумдық жүйесі;
- -турбоагрегаттың салқындатқыш суы;
- -ПНД, ПВД;
- -генератордың жылу бақылауы.
Негізгі функциялары САУ ПТУ :
... жалғасы- Іс жүргізу
- Автоматтандыру, Техника
- Алғашқы әскери дайындық
- Астрономия
- Ауыл шаруашылығы
- Банк ісі
- Бизнесті бағалау
- Биология
- Бухгалтерлік іс
- Валеология
- Ветеринария
- География
- Геология, Геофизика, Геодезия
- Дін
- Ет, сүт, шарап өнімдері
- Жалпы тарих
- Жер кадастрі, Жылжымайтын мүлік
- Журналистика
- Информатика
- Кеден ісі
- Маркетинг
- Математика, Геометрия
- Медицина
- Мемлекеттік басқару
- Менеджмент
- Мұнай, Газ
- Мұрағат ісі
- Мәдениеттану
- ОБЖ (Основы безопасности жизнедеятельности)
- Педагогика
- Полиграфия
- Психология
- Салық
- Саясаттану
- Сақтандыру
- Сертификаттау, стандарттау
- Социология, Демография
- Спорт
- Статистика
- Тілтану, Филология
- Тарихи тұлғалар
- Тау-кен ісі
- Транспорт
- Туризм
- Физика
- Философия
- Халықаралық қатынастар
- Химия
- Экология, Қоршаған ортаны қорғау
- Экономика
- Экономикалық география
- Электротехника
- Қазақстан тарихы
- Қаржы
- Құрылыс
- Құқық, Криминалистика
- Әдебиет
- Өнер, музыка
- Өнеркәсіп, Өндіріс
Қазақ тілінде жазылған рефераттар, курстық жұмыстар, дипломдық жұмыстар бойынша біздің қор #1 болып табылады.

Ақпарат
Қосымша
Email: info@stud.kz