Темірбетон құбырларының конструкциясы


Мазмұны
Кіріспе
- Темірбетон құбырларының конструкциясы
- Су өткізетін құбырлардың негізгі өлшемдерін тағайындау
- Су өткізетін құбырларды беріктікке есептеу
- Құбырды жарықталуға төзімділігін тексеру
- Су өткізетін құбырлардың жаңбырлы және еріген судың шығынын анықтау
Қорытынды
Қолданылған әдебиеттер
Кіріспе
Су өткізетін құбырлар жасанды ғимараттардың ең қарапайым түріне жатады және олар суды аз көлемде өткізеді. Сол себепті олар жолмен кішігірім жылғалар және уақытша су ағындар (жаңбыр жауғанда, қар ерігенде) ағындар қиылысы тұсында салынады. Автомобиль жолында жасанды ғимараттардың 80 %-ы су откізетін құбырлар болып табылады. Құбырды орнатқан кезде оның үстіндегі үйіндінің биіктігі 0, 5 метрден кем болмауы керек. Бұл жолдағы автомобильден пайда болатын қысымды тарату және оның динамикалық әсерін әлсірету үшін қәжет болады. Құбырлар ішіндегі судың ағу шартына байланысты олар қысымсыз, жартылай қысымды және қысымды болып жіктеледі.
Қысымсыз құбырларда судың ең үлкен шығыны болатын кезінде барлық су құбырдың ішінде еркін және ешқандай кедергісіз ағады. Қысымды құбырлар келген сулардың барлығын өткізе алмайды және су құбырдың аузында жиналып қалады. Мұндай жағдайларда су құбырдың ішінде үлкен жылдамдықпен ағатын себепті олар құбырдың басындағы және аяғындағы топырақтардың бетін бекіту қәжет.
Егер құбыр толық қысыммен жұмыс істеп тұрған құбырдың басты қуысынан су еркін өтпесе және оның толық қимасы жұмыс істемесе, онда гидравликалық тәртіп бойынша мұндай құбырды жартылай қысымды деп атаймыз. Бойлық бағыттағы су өткізгіш құбырларды гидравликалық есептер бойынша 2%-дан кем емес ылғалдылықпен орнату қәжет. Құбырларды үйіндінің және құбыр іргетасының шөгуінің орнын толтыру үшін, топырақтың түріне байланысты құбыр үстіндегі үйінді биіктігінің 1/40 . . . 1/80 бөлігіне тең құрылыс биіктігімен орнатқан дұрыс болады. Су өткізу үшін құбырларда тесіктері бір, екі немесе бірнеше болады. Бірнеше тесіктері бар құбырлар көп тесікті деп аталады. Судың құбырға кірген және шығатын кездегі жағдайын жақсарту үшін құбырды бас бөліктермен жабдықтайды. Шығатын және кіретін бас бөліктердің түрі құбырдың қандай гидравликалық тәртіп бойынша жұмыс істеуіне байланысты болады. Негізі қысымды және жартылай қысымды құбырларға бас бөліктерді міндетті түрде орнату қәжет. Бас бөліктердің келесі түрлері болады:
Сурет. 1 Темір-бетон құбырлары бастарының негізгі түрлері: а-порталды; б-қонышты; в-сүйірлі; г-жағалы; д-ақпалы
Порталдық бас бөлік дегеніміз жол өсіне паралальді, яғни құбыр өсіне перпендикуляр қойылған сүйелмелі қабырғаны айтамыз. Құбырдың шеткі бөлігінің шеңбер тәрізді қабырғасы бар конструкция порталдық бас бөлікке жатады. Порталдық бас бөліктердің конструкциялары өте қарапайым болады, бірақ олар судың бірқалыпты ағуын қамтамасыз ете алмайды. Сондықтан оларды судың шығыны аз және ағуының жылдамдығы азайған кезде пайдаланған жөн деп есептеледі.
Құбырдың қонышты бас бөліктері порталдық қабырға мен судың құбырға кіруін жеңілдетуге арналған екі қанаттардан тұрады. Қонышты бас бөліктер су ағынының жылдамдығы қандай болса да, қысымсыз және қысымды құбырларда пайдаланылады.
Жағалы бас бөліктер дегеніміз жиналмалы құбырдың шеткі бөлімдері көлбеу жазықтықта кесілген және шеттері белдеумен айнала қоршалған темірбетон конструкцияларды айтамыз. Жағалы бас бөлік - бас бөліктердің ертеректе қолданылып жүрген түрлеріне жатады, яғни ол жерде материалдар шығыны аз кетеді. Бірақ олардың гидравликалық көрсеткіштері нашар болады. Сол себепті бұл түрде судың шығыны аз және оның ағу жылдамдығы төмен кезінде пайдаланады.
Сүйірлі бас бөліктер дегеніміз қиылған конус немесе қиылған пирамада тәрізді болып келуін айтамыз. Мұндай бас бөліктер көбінесе қысымды және қысымсыз дөңгелек құбырларда пайдаланылады. Су өткізетін құбыр бойынша беріктігі тұрақты болады немесе сол үшін кіретін бөлік жағын судің кіруін жеңілдету үшін биігірек етіп орналастырылады. Автомобиль жолдарындағы құбырлар көбінесе темірбетон, тас және бетоннан жасалады. Құбырлар ішінде метал құбырлар өте сирек кездеседі. Су өткізетін құбырлардың ең көп тараған түрі темірбетонды құбырлар болып есептеледі.
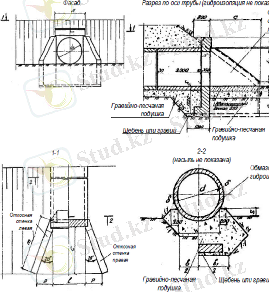
1. Темірбетон құбырларының конструкциясы
Қазіргі су өткізетін темірбетон құбырының конструкциясы көбінесе жиналмалы болып жасалады, кейбір кездерде оларды құйма темірбетоннан жасайды. Темірбетон құбырларында жиі пайдаланатын қималары төртбұрышты немесе дөңгелек болып келеді. Төртбұрышты жиналмалы құбырлар бөлек қабырға және жабын блоктарынан немесе біртұтас төртбұрышты звенолардан жиналып жасалады. Құбырдың іргетасы дайын бөлшектерден жасалынады және құрғақ жақсы сіңдіретін топырақтар кездескен кезде іргетас тікелей топырақтың үстіне қойылады. Суыққа деформацияланатын ылғал топырақ болған кезде іргетастың астына ірі құмнан, шағалдан немесе қиыршықтардан тесеуіш жасайды. Төртбұрышты құбырлардың саңылау 1, 5м-ден 4, 0м-ге дейін болады, ал олардың қалыңдығы әр түрлі болады және олардың бас бөліктері кеңейтіліп, қонышты етіп жасалынады.
Дөңгелек темірбетон құбырлары өте кеңінен таралған, себебі оларға материалдар шығыны аз кетеді және олардың өндірістік артықшылықтары мол болады. Автомобиль жолдарындағы дөңгелек су өткізетін жиналмалы құбырлардың звенолары соңғы жобалар бойынша зауыттарда саңылауы 0, 5м-ден бастап (жалғыз конструуктивтік арматурасы бар) 0, 1; 1, 25; 1, 5 және 2, 0м шығарылады. Құбырлардың қабырға қалыңдықтары олардың диаметріне және үйінде биіктігіне байланысты 8 . . . 24см болып келеді. Құбырлар ұзындығы 1 . . . 3м бөлек жиналмалы звенолардан жасалынады. Звеноның ішкі және сыртқы беттерінде орналасқан екі спираль тәріздес арматуралары болады (0, 5м диаметрден басқа) . Спиральдың әр қатары бойлық үйлестіретін арматурамен байланыстырылады да дөңгелек және бойлық арматураның диаметрі 8мм кем болмайды.
Құбырлар жүктелген кезде әр түрлі жағдайда жұмыс істеуіне байланысты болады, осылайша звенолар қималарында шамасы әртүрлі иілу моменттері пайда болады. Құбырдың темірленуі осы есептік иілу моменттерінің ең үлкен мәні бойынша жасалынады.
Звенолардың орнына қояр алдында олардың сыртқы бетіне екі қабат битум мастикасын жағылады. Звенолардың жіктерін битум сіңдірген қалдық талшықтармен бекітіп, сыртынан екі қабат битумдалған матамен орайды. Іш жағынан жіктерді цемент ерітіндісімен бекітеді.
Жақсы сіңдіретін тығыз ірі түйіршікті құмды, шағалды немесе қиыршықты топырақтары кездескен кезде олардың диаметрі кіші құбырлардың звеноларын топырақтың үстіне қоюға болады.
Сурет. 2 Су өткізгіштік құбыр: лекальды блокты конструкциялы жиналмалы фундаменттен құралған
Сурет. 3 Су өткізгіштік құбыр: лекальды блокты конструкциялы дөңгелек темірбетонды фундаменттен құралған
Құмдақ, майда құм және саз топырақтар болған кезде құбыр звенолар астына қиыршық тастан, шағалдан және ірі құмнан қылыңдығы 30см кем емес төселініп жасалады, ал егер үйіндінің биіктігі 4м көп болса темірбетон немесе құймалы бетон плиталар төселеді. Әр 2 . . . 4м сайын іргетастарда көлденең деформациялық жіктер жасалады. Сазды және саздық топырақтарда құбырдың шеткі негіздерін тонданған қалыңдықтан 0, 25 . . . 0, 3 метрден төмен орналастырылады.
2. Су өткізетін құбырлардың негізгі өлшемдерін тағайындау
Құбырлар, көпірлер және су өткізетін басқа жасанды ғимараттар ең қарқынды тасқын су, нөсер немесе қар еру кезіндегі барлық жиналған суларды, ал өзендерде оған қоса мүз ағуын қауіпсіз өткізу қәжет. Уақыт бірлігінде құбырға ағып келетін судың ең көп мөлшерін есептік шығын деп атайды.
Судың есептік шығындары ғимаратқа келетін бассейінің ауданына байланысты алынған табиғи бақылау мәліметтері статистикасы және ықтималдық теориялар әдістерімен өңдеу арқылы анықталады.
Есептік шығын
2%
бойынша 1-қосымшадан су өткізетін құбырдың лайықтық диаметрі қабылданады, ол кестеден бас бөліктің түрі құбыр алдындағы су тереңдігіне, құбырдан шыққан кездегі су ағыны жылдамдығы тағы да басқа көрсеткіштер алынады.
Құбырдың бағасын азайтуға тырысу үшін, оның алдындағы судың шоғырлануын есептеуге болады. Шоғырланған кездегі су шығыны (
ш
) бойынша құбыр диаметрін кішірек алуға болады. Құбырдың су өткізгіштік шығыны
мына төмендегі теңдеу арқылы анықтаймыз:
(1)
- тапсырмада берілген судың есептік шығыны - 3, 0
- аккумуляция коэффициенті мына теңдеумен анықталады:
(2)
W- логтағы есептік көлем - 4м 3
W і ак - судың аккумуляциялық көлемі мына теңдеумен анықталады,
(3)
Мұндағы
- логостың нормалық коэффициенті мына төмендегі коэффициенттпен анықталады (4),
Н і - берілген су тереңдігі, 1-2 м 0, 25 адыммен.
(4)
мұндағы, і скл , і лог - тапсырма бойынша логостардың еңкіштігі. Мәндерді қоямыз, сонымен логтың нормалық коэффициенттерін мына теңдеумен анықтаймыз, (4)
Судың аккумуляциялық көлемін мына теңдеумен анықтаймыз, (3)
Жоғарыда көрсетілген теңдеу арқылы аккумуляция коэффициентін анықтаймыз, (2)
Көрсетілген теңдеу арқылы су өткізу шығынын анықтаймыз, (1)
Кесте 1 (1) бойынша құбыр таңдаймыз, су өткізгіш құбырдың диаметрі d=1. 25
Звеноның кіреберіс типі - цилиндрлік. Тапсырмада берілген W,
арқылы Q
i
теңдеу арқылы анықтаймыз, оларды әр түрлі тереңдікте анықтап, кестте тұрғызамыз. Су шығынын аккумуляциялық есеппен жүргіземіз.
Кесте 1

Сонымен біз ықтемалдылықты қарастырып, Q i =f(Н і ) және осы ықтемалдлықтарды құрастыра отырып, құбырлардың су өткізгіштігін айқындайтын график тұрғызамыз, (сүрет 1) . Осылайша қатар кіші диаметрлік құбыр таңдаймыз, оны 1 (1) әдебиеттегі кесте арқылы есептейміз.
А- су өткізгіш құбырдың конусты кіреберіс звеносымен
Б- су өткізгіш құбырдың цилиндрлік кіреберіс звеносымен
В- су өткізгіш құбырдың порталдық кіреберіс звеносымен
Сурет. 4 Су өткізгіштік құбырлардың түрлері
Құбырдың диаметрін анықтау
Құбырлар көпірлер және де басқа жасанды ғимараттардан жиналған суларды өзінен ыңғайлы жағдайда суларды өткізу қажет, әсіресе көктемгі, күзгі жауын -шашын мол болған кезде қардың еруінен жиналған суларды құбырлардан өткізуі қажеттілігі туындаған кезде пайдаланылады. Көптеп жиналған сулар біздің құбырымыздың белгілі бір уақыт бірлігінде өтуін есептік шығын деп атаймыз. Есептік шығынды
2%
-ке сәйкес кесте 1-де көрсетілгендей бізге қажетті құбырдың диаметрін таңдаймыз.
Біз кестеден бас бөліктің түрін, құбырдың алдындағы су тереңдігін және құбырдан шыққан кездегі судың жылдамдығын анықтаймыз. Бірақ су өткізетін құбырдың бағасын азайтуға тырысу үшін құбыр алдында судың шоғырлануын есепке кіргізуімізге болады. Осы жағдайда құбырдан өтетін судың шығыны төмендегідей теңдеу арқылы анықтауға болады.
Сурет. 5 Су өткізгіштік құбырларда ағындардың ағуы: а-арынсыз режим; б-жартылай арынды режим; в-арынды режим
3. Су өткізетін құбырларды беріктікке есептеу
Автомобиль жолындағы су өткізетін құбырларға үйінді топырақтарының және олардың үстіндегі жылжымалы жүктердің тік және көлденең қысымдары әсер етеді. Көлденең қысымдардың шамасы өте кіші болғандықтан, оларды көбінесе есептемесе де болады.
Берілген мағлұматтар: Құбырдың диаметрі - 1, 0м;
Үйіндінің биіктігі - 6, 3м
Үйіндінің салмағынан құбырлар звеноларына топырақтың мөлшерлік қысымы 1-ші теңдеу бойынша анықталады:
h-құбырдың үстіндегі үйінді биіктігі, м;
Y T -топырақтың тығыздығы, кН/м 3 ;
... жалғасы- Іс жүргізу
- Автоматтандыру, Техника
- Алғашқы әскери дайындық
- Астрономия
- Ауыл шаруашылығы
- Банк ісі
- Бизнесті бағалау
- Биология
- Бухгалтерлік іс
- Валеология
- Ветеринария
- География
- Геология, Геофизика, Геодезия
- Дін
- Ет, сүт, шарап өнімдері
- Жалпы тарих
- Жер кадастрі, Жылжымайтын мүлік
- Журналистика
- Информатика
- Кеден ісі
- Маркетинг
- Математика, Геометрия
- Медицина
- Мемлекеттік басқару
- Менеджмент
- Мұнай, Газ
- Мұрағат ісі
- Мәдениеттану
- ОБЖ (Основы безопасности жизнедеятельности)
- Педагогика
- Полиграфия
- Психология
- Салық
- Саясаттану
- Сақтандыру
- Сертификаттау, стандарттау
- Социология, Демография
- Спорт
- Статистика
- Тілтану, Филология
- Тарихи тұлғалар
- Тау-кен ісі
- Транспорт
- Туризм
- Физика
- Философия
- Халықаралық қатынастар
- Химия
- Экология, Қоршаған ортаны қорғау
- Экономика
- Экономикалық география
- Электротехника
- Қазақстан тарихы
- Қаржы
- Құрылыс
- Құқық, Криминалистика
- Әдебиет
- Өнер, музыка
- Өнеркәсіп, Өндіріс
Қазақ тілінде жазылған рефераттар, курстық жұмыстар, дипломдық жұмыстар бойынша біздің қор #1 болып табылады.

Ақпарат
Қосымша
Email: info@stud.kz