Материалдардың макро және микроқұрылымын зерттеу


Ө. Байқоңыров атындағы Тау-кен металлургия институты
Материалтану, нанотехнология және Инженерлік физика кафедрасы
ЗЕРТХАНАЛЫҚ ЖҰМЫС №3
Тақырыбы: Материалдардың макро және микроқұрылымын зерттеу
Оқытушы: Ыбырайымқұл Д. Т.
Студент: Жанабилова Айдана
Мамандығы: 6B07109
Топ: 2
Алматы 2021 ж.
Жұмыстың мақсаты: макро және микроскопиялық талдау үшін үлгілерді дайындау әдістерімен танысу, оптикалық микроскоптың және шарлы шлиф әдісінің көмегімен кремнийдің монокристалдарындағы эпитаксиалды қабаттың қалыңдығын және дислокация тығыздығын анықтау.
Теориялық мәліметтер
Металдар мен қорытпалар белгілі бір пішіндегі көптеген кристалдардан - дәндерден тұрады. Олар дөңгелек және ұзартылған, белгілі бір ретпен немесе кездейсоқ орналасуы мүмкін, сонымен қатар мөлшері бойынша да ерекшеленеді.
Металл құрылымы мыналарды қамтиды:
өзара орналасуы;
нысаны;
материалдық бөлшектердің мөлшері;
порлардың болуы;
олардың мөлшері мен сипаты.
Материалдың құрылымы оның құрамы сияқты қасиеттерге де әсер етеді, ол екі түрге бөлінеді:
1. Микроқұрылым
2. Макроқұрылым
Сарапшылар металдың құрылымы оның қасиеттерін анықтайтын маңызды фактор деп санайды. Макро - және микроанализді қолдана отырып, материалдың сапасы мен беріктігін төмендететін металл ақауларын уақытында анықтауға болады. Құрылымды өнімді өндірудің барлық кезеңдерінде тексеру керек: металды балқытудан бастап дайындалған бөлшектерді термиялық өңдеуге дейін.
Металл құрылымы арнайы тегіс және тегіс беттерге - тегістеуіштерге тексеріледі. Шлифті дайындау металды тегістеуден және одан әрі жылтыратудан тұрады. Металл өңдеу екі әдіспен жүзеге асырылады:
Механикалық-қатты материалдарда;
электролиттік-электр тогының әсерінен химиялық реагентте еріту арқылы.
Металл құрылымы бірнеше жолмен анықталады, алайда негізінен химиялық маринадтау қолданылады. Бұл келесі процесті білдіреді: белгілі бір реактив шлифтің бетіне әсер етеді, ол дәндердің шекараларын, әртүрлі фазаларды, металл емес компоненттерді, сондай-ақ қабаттар, тесіктер, жарықтар және металл құрылымының басқа элементтерін анықтайды.
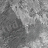
Микроқұрылым - бұл микроскоптың көмегімен үлкен үлкейту кезінде көрінетін металл немесе қорытпаның құрылымы. Микроқұрылымды талдау металл түйірлерінің мөлшері мен орналасуын, металдағы ұсақ металл емес қосындылардың мөлшері мен санын анықтауға, өнімнің беткі қабаты құрылымының күйін бақылауға, микро-ақауларды, сондай-ақ кристалдық құрылымның кейбір ақауларын (дислокация және олардың жинақталуы) анықтауға мүмкіндік береді.
Микроқұрылымды зерттеу дайындаманың сапасы, құю, қысыммен өңдеу немесе дәнекерлеу кезінде процесті дұрыс немесе қате жүргізу туралы қорытынды жасауға мүмкіндік береді. Кейде металды сынудың түрі бойынша бағалауға болады, бұл бұзылудың қалай болғанын анықтауға мүмкіндік береді (денеде немесе астық шекарасында) .
Металды микроскопиялық зерттеу әдісі бойынша оны арнайы дайындалған жалпақ үлгілерде - микрошлифтерде металлографиялық микроскоптардың көмегімен зерттеу түсініледі. Микроскоптың көмегімен зерттелген металдың ішкі құрылымы микроқұрылым деп аталады. Микроанализдегі үлкейту зерттеу мақсатына және зерттелетін құрылымға байланысты таңдалады. Кәдімгі оптикалық микроскоптардың максималды өсуі 1500 есеге жетеді. Алайда, көміртекті және түсті қорытпалардың қалыпты құрылымын әдеттегі зерттеу кезінде 90-дан 600 есе көбейту жеткілікті. Әдетте, микроқұрылымды зерттеу әрдайым кішігірім өсулерден басталады (90 - 100 есе), содан кейін қажет болған жағдайда үлкен өсулерге көшеді.
Микроанализдің негізгі міндеттері:
- әр түрлі фазадағы дәндердің мөлшері мен формасын және қорытпалардың құрылымдық компоненттерін анықтау;
- өңдеудің кейбір түрлеріне тән құрылымдарды анықтау;
- металлдың тұтастығын бұзатын микроөткізгіштерді-микрокректерді, Раковиналарды және т. б. анықтау.
- металл емес қосындыларды анықтау және зерттеу;
- егер қатысатын фазалардың құрамы және олардың үлес салмағы белгілі болса, қорытпаның химиялық құрамын шамамен анықтау;
-термиялық, химиялық-термиялық, жоғары жиілікті токтармен өңдеу (ТВЧ) және өңдеудің басқа да түрлерінің әртүрлі режимдерінің әсерінен болатын қорытпаның құрылымын өлшеуді анықтау;
Металды зерттеудің микроқұрылымдық әдісі келесі кезеңдерді қамтиды:
- үлгіні кейінгі зерттеу үшін бөлшектен кесу;
- дайындалған микрошлифа;
- микроқұрылымды анықтау үшін микрошлифтің бетін арнайы реактивтермен өңдеу;
- шлифті микроскоппен зерттеу.
Металдардың ішкі құрылымы мен құрамы гетерогенді, өйткені олар әдетте бір-біріне іргелес кристаллиттер түрінде көптеген дәндерден тұрады. Көбінесе бұл гетерогенділіктер микроскопиялық өлшемдерге ие, сондықтан ішкі құрылымның тиісті сорттары микроқұрылымдар деп аталады.
Геометриялық параметрлер тұрғысынан микроқұрылымдар дәндердің мөлшері, пішіні және бағыты бойынша өзгеруі мүмкін. Композициядағы айырмашылықтар қазіргі фазалардың дәндерінің салыстырмалы санымен және жеке дәндердің ішіндегі жергілікті сегрегациямен сипатталады.
Микроқұрылымның ең тән ерекшелігі-металлдағы дәндерді бөлетін ішкі шекаралардың болуы. Бұл бір фазаның бөлінген дәндерінің немесе әртүрлі фазалардың дәндерінің арасындағы шекара бола ма, жоқ па, олар металдың ішкі құрылымындағы күрт өзгерістерді білдіреді.
Металдың қасиеттері тұрақты емес, олар әртүрлі сыртқы факторлардың әсерінен өзгеруі мүмкін, мысалы:
- механикалық күштер,
- жылу әсері,
- химиялық өзара іс-қимыл.
Сондықтан микроқұрылым өңдеу режимдеріне және металдың жұмыс жағдайларына байланысты.
Тек бір фазасы бар металда микроқұрылымдар бір-бірінен тек дән мөлшері, пішіні және бағыты бойынша ерекшеленуі мүмкін. Көп фазалы материалдардың микроқұрылымдары бір фазалы металдарға тән дәндердің мөлшері, пішіні және бағыты бойынша ғана емес, сонымен қатар екі немесе одан да көп фазалардың салыстырмалы саны мен өзара орналасуы бойынша да ерекшеленеді.
Металл материалының микроқұрылымы жеке фазалардың кристалдарының немесе олардың біртекті көрінісі бар агрегаттарының пішінімен, мөлшерімен, салыстырмалы санымен және өзара орналасуымен анықталады. Жұқа құрылым (субқұрылым) деп жеке дәндердің құрылымы түсініледі, олар кристалдық тордың орналасуы мен басқа да ақауларымен анықталады.
Заттың құрылымдық күйін зерттеудің тікелей әдістеріне оптикалық металлография, электронды микроскопия, рентгендік талдау және т. б. жатады.
Металдардың микроқұрылымын зерттеу үшін металлографиялық Микроскоптар қолданылады. Оптикалық микроскоппен микроқұрылымның өлшемдері 0, 4-0, 6 мкм-ден аспайтын бөлшектерін зерттеуге және суретке түсіруге болады. Алынған микроқұрылымның кескінін үлкейтуге болады, бірақ құрылымның жаңа бөлшектері анықталмайды. Ұсақ дисперсті құрылымдар мен астық шекараларының құрылымын, блоктық құрылымды және дислокациялық құрылымды тереңірек және егжей-тегжейлі зерттеу үшін электронды микроскопия әдісі қолданылады. Рентгендік құрылымдық талдау әдісін қолдану кристалдардың жетілу дәрежесін, олардың бағдарлануын анықтауға, құрылымдық өзгерістерді терең зерттеуге мүмкіндік береді. Рентгендік құрылымды талдау мәселелерін шешу үшін дифрактометрлер қолданылады.
... жалғасы- Іс жүргізу
- Автоматтандыру, Техника
- Алғашқы әскери дайындық
- Астрономия
- Ауыл шаруашылығы
- Банк ісі
- Бизнесті бағалау
- Биология
- Бухгалтерлік іс
- Валеология
- Ветеринария
- География
- Геология, Геофизика, Геодезия
- Дін
- Ет, сүт, шарап өнімдері
- Жалпы тарих
- Жер кадастрі, Жылжымайтын мүлік
- Журналистика
- Информатика
- Кеден ісі
- Маркетинг
- Математика, Геометрия
- Медицина
- Мемлекеттік басқару
- Менеджмент
- Мұнай, Газ
- Мұрағат ісі
- Мәдениеттану
- ОБЖ (Основы безопасности жизнедеятельности)
- Педагогика
- Полиграфия
- Психология
- Салық
- Саясаттану
- Сақтандыру
- Сертификаттау, стандарттау
- Социология, Демография
- Спорт
- Статистика
- Тілтану, Филология
- Тарихи тұлғалар
- Тау-кен ісі
- Транспорт
- Туризм
- Физика
- Философия
- Халықаралық қатынастар
- Химия
- Экология, Қоршаған ортаны қорғау
- Экономика
- Экономикалық география
- Электротехника
- Қазақстан тарихы
- Қаржы
- Құрылыс
- Құқық, Криминалистика
- Әдебиет
- Өнер, музыка
- Өнеркәсіп, Өндіріс
Қазақ тілінде жазылған рефераттар, курстық жұмыстар, дипломдық жұмыстар бойынша біздің қор #1 болып табылады.

Ақпарат
Қосымша
Email: info@stud.kz