Уақытша коммутация


Қазақстан Республикасы білім және ғылым министрлігі
Е. А. Бөкетов атындағы Қарағанды мемлекеттік университеті
РЕФЕРАТ
Тақырыбы: Уақыттық коммутация дәрежесі.
Орындаған: Ешетай Е.
Тексерген: Бектурганов Ж. С.
Қарағанды - 2021
Жоспар:
Кіріспе.
Негізгі бөлім
1. 1. Арналардың кеңістіктік коммутациясы
1. 2. Уақытша коммутация
1. 3 Уақытша коммутацияны іске асыру
Қорытынды.
Пайдаланылған әдеиеттер тізімі.
Кіріспе.
Уақытша коммутация-арналық Интервалдардың (КИ) жүру тәртібінің өзгеруіне немесе ақпараттың бір интервалдан екіншісіне ауысуына негізделген коммутация. Уақытша т-қосқыштар (уақыт - уақыт сөзінен) белгілі бір уақыт аралығында ғана болатын виртуалды қосылымды қолдайды. Тұжырымдамалық түрде, уақытша коммутацияны әртүрлі уақыт аралықтары үшін әртүрлі жад ұяшықтарын тағайындайтын жад жүйесі ретінде қарастыруға болады, сондықтан мұндай жүйе интертервальды алмасу жады деп аталады. Уақыт аралықтарын бағдарламалық тағайындау тұжырымдамасы әртүрлі қосылыстар үшін әр түрлі интервалдарда бірдей кеңістіктік коммутация нүктелерін пайдалануға мүмкіндік береді. Уақытша коммутатор буферлік жад негізінде жасалады, жазба оның ұяшықтарында кірістерді жүйелі түрде сұрау арқылы жасалады, ал коммутация қажетті жад ұяшықтарынан шығатын деректерді оқу арқылы жүзеге асырылады. Бұл жағдайда бір "жазу-оқу"циклі кезінде кідіріс болады. Қазіргі уақытта көбінесе уақытша немесе аралас коммутация қолданылады. Код-импульстік модуляциясы бар топтық арна бар. Кіріс жақтауының құрылымын өзгерту қажет. Біз арна есептегішін (терезе есептегішін) қолданамыз. Сериялық кодты параллель түрлендіруге арналған код түрлендіргіші. Бұл әрекетті коммутация кестесі бар мекен-жай аудармашысы бағдарламалық түрде жүзеге асырады. Деректер B(y) жад ұяшығына жазылады. Топтық кіріс арнасының код түрлендіргіші параллель кодты сериялық кодқа түрлендіреді. Шығу жақтауында терезе болған кезде Y нөмірі, оған B(y) ұяшығынан мәліметтер оқылады. Деректерді ауыстыруды тиімді жүзеге асыру үшін дуплексті байланыс қолданылады. Уақытша коммутацияның бұл әдісінің басты кемшілігі - қазіргі Шығыс жақтауының барлық терезелері кіріс жақтауының терезелерімен толтырылмаған. Сандық интеграцияланған есептеу коммутаторы. Деректерді уақытша коммутациялау схемасы сандық интеграцияланған есептеу коммутаторы. Бір арнаға бір ұяшық бөлінеді. Одан Оқу бар. Осыдан кейін ұяшыққа жазба жасалады. Тығыздалған арналар әртүрлі ақпарат алмасу жылдамдығына ие болуы мүмкін. Коммутацияның интеграцияланған әдістері қолданылады: кеңістіктік коммутация қолданылады, ал аралық сызықтарға қызмет көрсетуді тиімді ұйымдастыру үшін уақытша тығыздау қолданылады. Коммутатор-есептеу желілерінің маңызды элементі.
- Арналардың кеңістіктік коммутациясы
Схемалық тұрғыдан алғанда, арналардың кеңістіктік коммутациясын жүзеге асыратын қарапайым коммутациялық құрылымды кеңістікте бір-бірімен орналасқан коммутация нүктелерінен тұратын тікбұрышты тор түрінде ұсынуға болады (сурет. 1) .
Сур. 1-тік бұрышты толық қол жетімді коммутациялық схема (коммутатор)
Егер қос сымды тізбектер кірулер мен шығуларға қосылған болса, онда әр қосылу үшін тек бір коммутация нүктесі қажет (екінші сым - жалпы нүкте-коммутация түйінінің электрмен жабдықтау қондырғысының оң полюсі) . Төрт сымды тізбектерге арналған коммутациялық жүйелер (арналарды сандық ауыстыру) тарату тізбегінің тікелей және кері тармағы үшін бөлек қосылыстарды орнатуды қажет етеді.
ИКМ трактілерінің сандық арналарының (арналық интервалдарының) кеңістіктік коммутациясы-бұл ақпарат КИ уақытша жағдайын өзгертпестен бір ИКМ трактісінен екіншісіне ауысады. Бұл суретте көрсетілген мысалмен суреттелген. 2, мұнда КИ 5 ақпараты 1-жолдан екінші жолға сол уақытша жағдайға ауыстырылады. Сол суретте КИ 21 үшін 2-ші жолдың біріншісімен екінші кеңістіктік байланысы көрсетілген.
Сур. 2-Сандық арналардың кеңістіктік коммутаторының жұмысы
Кеңістіктік коммутацияны жүзеге асыру
Кеңістіктік коммутатор (КК) белгілі бір кіріс және шығыс ИКМ желілерінің арналарын бірдей ki - де фазалық коммутациялауға арналған, сондықтан ол трактқа сақтау құрылғыларын (zu) қосуды қажет етпейді.
N-кірістер мен М-шығыстардағы кеңістіктік қосқышты қарастырыңыз. Кірістерге сәйкесінше N сандық желілер кіреді ИКМ, шығуларға-m сандық желілер, әр ИКМ сызығында n-уақытша арналар (КИ) бар. Мұндай коммутаторда мультиплексорларда немесе демультиплексорларда жүзеге асырылуы мүмкін кеңістіктік коммутация нүктелерінің N сызығы бар.
Мультиплексор (MUX) - бұл жад элементтері жоқ сандық комбинациялық құрылғы, оның бірнеше кірісі бар, олардың ақпараты басқару (мекен-жай) ақпаратына сәйкес бір шығысқа жіберіледі. 3-суретте 8 кірістегі MUX көрсетілген (x0 X7 шрифті), оның 3 адрестік кірісі бар (A0 A2 шрифті) .
Сур. 3. 8 кірістегі Мультиплексор: логикалық схема және белгілеу.
Демультиплексор (DMX) - мультиплексордан айырмашылығы, керісінше, бір кіріс және бірнеше шығыс бар, олардың біреуіне Ақпарат басқару (мекенжай) ақпаратына сәйкес кірістен беріледі (сурет. 4) .
Сур. 4-4 шығуға арналған Демультиплексор
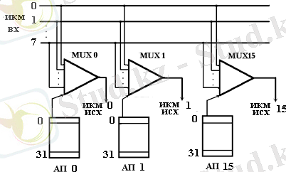
Сур. 5 мультиплексорларда жүзеге асырылған ПК 8х16 құрылымдық схемасы ұсынылған.
Сур. 5-мультиплексорлардағы 8х16 кеңістіктік коммутатор схемасы
Мұндай компьютер кіру арқылы басқарылады. Схемада 16 мультиплексор бар, оларда тиісті кірістер параллель орналасқан. Әр мультиплексордың өзіндік адрестік жады (AP) бар, оның ұяшықтарындағы ақпаратты басқару құрылғысы (UU) жазады. АП ұяшықтарының мазмұны мультиплексордың 8 кірісінің қайсысын АП ұяшығының нөмірімен сәйкес келетін уақыт (КИ) сәтінде шығысқа қосу керектігін көрсетеді. Әр AP ұяшығының сыйымдылығы 3 - ке тең (формула бойынша анықталады, мұндағы N-кіріс сандық сызықтардың саны ICM) . Осы 32 адрестік жад ұяшықтарының бірінде, қажетті арна аралығына (КИ) сәйкес, UU кіріс мекенжайын алдын-ала жазады (Icmvh. ), ол берілген шығысқа қосылуы керек (шығу нөмірі мультиплексор нөмірімен анықталады) .
Компьютерге N нөмірі бар ki-ге ақпарат түскен кезде, N нөмірі бар адрестік жад ұяшығынан адрес оқылады, ол осы мультиплексордың қай кіруінен оның шығуына қосылуы керек екенін анықтайды.
Кеңістіктік коммутаторды Шығыс арқылы басқаруға болады. Бұл жағдайда ДК-де коммутациялық нүктелерді іске асыру үшін демультиплексорлар (DMX) қолданылады, олардың саны кіріс сандық сызықтардың санына тең және сол атаудағы параллель шығулар бар (сурет. 6) . Адрестік жадтан келетін басқару ақпараты кіріс цифрлық желінің КИ нөміріне сәйкес келетін және АП ұяшығының нөміріне сәйкес келетін уақыт сәтінде оның кіруінен алынған ақпаратты демультиплексордың қандай шығысына қосу керектігін анықтайды. Демультиплексорлардың АП ұяшықтарының разрядтылығы мына формула бойынша анықталады, мұндағы M - шығатын цифрлық желілердің саны. ИКМ-30/32 сандық желілерін пайдаланған жағдайда АП ұяшықтарының саны трактідегі КИ саны бойынша 32-ге тең болады.
Сур. 6- кеңістіктік коммутатор схемасы
Кеңістіктік коммутаторда тек сол атаудағы (фазалық) арналарды қосуға болады. Осы себепті, тек ДК негізінде салынған коммутациялық өрістер іс жүзінде кең қолданылмады.
- уақытша коммутация
Сандық сигналды уақытша ауыстыру функциясын орындайтын Блок немесе модуль (Оның уақытша координатасын түрлендіру) уақытша коммутатор (Vc) деп аталады. Кіріс ИКМвх1 сандық желісі ВК кірісіне қосылсын, ал шығыс ИКМисх2 ВК-дан шығады (сурет. 7) . Әр уақыт интервалына ИКМ сандық желісінің қатаң анықталған арна аралығы бекітілген (мысалы, абоненттің сөйлеу сигналы) . А абоненті I кіріс ИКМ-желісінің арна аралығына, ал В абоненті Шығыс ИКМ-желісінің j арна аралығына бекітілсін. Шығыс ИКМ-желісінің бір арналық интервалының кіріспен салыстырғанда жүру тәртібінің өзгеруі сөйлеу ақпаратын бір абоненттен екінші абонентке беруді білдіреді. Бұл уақытша коммутация принципі (кейде олар арна аралықтарын ауыстыру немесе ақпаратты арнадан арнаға ауыстыру туралы айтады) .
Сур. 7-уақытша коммутация принципі
Уақытша коммутация операциясы іс жүзінде белгілі бір уақыт каналының кодтық сөзін (белгілі бір ki ақпараты) белгілі бір уақытқа кідірту әрекеті болып табылады. кіріс (Ni) және шығыс (Nj) және бір ki TKI ұзақтығы (ICM-30/32 сандық трактісі үшін ол 3, 9 мкс-қа тең) :
τ = ( Nj - Ni) × Tки , жағдайда j > i,
τ = (32 + Nj - Ni) × Tки жағдайда j ≤ i.
Ескерту: екінші жағдайда, j жағдайында I енгізу КИ i-ден алынған ақпарат келесі ИКМ циклінің J Шығыс КИ-ға жіберіледі, демек, ВК-ДА максималды кідіріс кіру және шығу кезінде (Nj = Ni) бірдей КИ коммутациясы кезінде болады және ол ИКМ циклінің ұзақтығына тең 32 TKI жылдамдығы = 125 мкс.
Абоненттердің екі жақты (дуплексті) сөйлесуін жүзеге асыру үшін сөйлесу жолы төрт сымды болуы қажет. Электрондық коммутация бір бағытты сипатқа ие болғандықтан( көптеген Электронды компоненттердің тек бір ғана ақпарат беру бағыты болғандықтан), уақытша коммутация, әдетте, тікелей ғана емес (j арнасы бар I арна), сонымен қатар кері (i арнасы бар j арнасы) .
- уақытша коммутацияны іске асыру
Арналардың қажетті уақытша коммутациясын қамтамасыз ету үшін уақытша коммутация байланыстары кідіріс элементтерінің белгілі бір түрін қажет етеді. Кідірістерді кез - келген үлгідегі сақтау құрылғысы (жедел жад немесе жедел жад) көмегімен жүзеге асыру оңай, олар деректердің түсуіне қарай жазылады, ал қажет болған жағдайда оларды жібереді. Егер әрбір арналық интервал (КИ) үшін ИКМ циклінде бір жад ұяшығы бөлінсе, онда әрбір арнаның ақпараты бір толық циклдың ұзақтығына дейін уақыт ішінде қайталап жазумен бұрмалаусыз сақталуы мүмкін.
Уақытша коммутатордың (Vc) жұмыс схемасын қарастырыңыз (сурет. 8) . Сериялық сандық ICM ағыны ақпаратты сериялық формадан параллель формаға түрлендіретін ВК схемасының кірісіне енеді. Бұдан әрі бұл ақпарат сөйлеу (ақпараттық) сақтау құрылғысына (ROM) жазылады. Жазу мекен-жайы уақытша арналар есептегішімен орнатылады, ол ICM циклінде ki нөмірлерін дәйекті түрде жасайды. Сондықтан Ақпарат уақытша арна (КИ) нөмірі өскен сайын РЗУ-да орналасады.
Сур. 8-уақытша коммутатордың құрылымдық схемасы
Бұл ақпаратты Шығыс трактіге оқу адрестік есте сақтау құрылғысында (БҚА) жазылған ақпаратқа сәйкес жүргізіледі. Бұл жадты зерттеу уақытша арналар есептегішінен келетін сағат импульстарымен де жүргізіледі. Әрбір сағат Шығыс сандық трактідегі КИ нөміріне сәйкес келеді.
- Сур. 8 кіріс арнасының мекен-жайы ki J орнында мекен-жай жадына жазылады. және керісінше, кіріс арнасының мекен-жайы ki i орнында мекен-жай жадына жазылады. бұл ki J кезінде мекен-жай жадынан оқылған кезде I мекен-жайы RZU кірісіне түседі дегенді білдіреді.
Осылайша, әрбір арналық интервал ішінде РҚҚ-ға екі айналым жүргізіледі. Біріншісі (жазба) кейбір басқару құрылғысы болған кезде (суретте. 8 ki есептегіші ретінде көрсетілген) қажетті RZU ұяшығына ақпарат жазу мекенжайын анықтайтын ki нөмірін таңдайды. Екінші (оқу), белгілі бір Qi сәйкес келетін адрестік жадтың (Azu) мазмұны тиісті RZU ұяшығынан ақпаратты оқу мекен-жайы ретінде таңдалған кезде.
RPZU жұмысын басқару үшін екі әдіс қолданылады:
дәйекті жазу және еркін оқу;
Еркін жазу және дәйекті оқу.
9-суретте ki №3-тен ki №17-ге ақпаратты беру кезінде жадқа қол жеткізу әдісін көрсете отырып, басқарудың екі әдісі үшін де уақытша коммутацияның жұмыс принципі көрсетілген. Уақытша коммутация байланысының екі әдісі де циклдік басқару жадын пайдаланатынын ескеріңіз, оған қол жеткізу уақыт аралықтарының есептегішінің (ki) жұмысыме синхронды жүзеге асырылады.
а) б)
Сур. 9 уақытша коммутатордың жұмыс істеу тәсілдері:
а) жүйелі жазу-еркін оқу; б) Еркін жазу-дәйекті оқу
Суретте көрсетілген уақытша коммутация байланысының бірінші әдісіне сәйкес. 9А, белгілі бір жад ұяшықтары ICM кіріс жолының тиісті арналарына бекітіледі. Әрбір кіріс арна аралығының (КИ) ақпараты жүйелі жад ұяшықтарында есте сақталады, бұл әрбір КИ-да 32 модуль бойынша санауыштың 1 мазмұнына артуымен қамтамасыз етіледі. Жоғарыда айтылғандай, №3 КИ ішінде қабылданған ақпарат үшінші ЗУ ұяшығында автоматты түрде есте сақталады. Жадтан ақпарат беру кезінде мекен-жай жадынан келетін басқару ақпараты берілген ci үшін ақпаратты оқу мекенжайын анықтайды. Жоғарыда айтылғандай, мекен-жай жадының он жетінші сөзінде 3 саны бар, яғни 3-мекен-жайдағы уақытша коммутация байланысының ЗУ мазмұны №17 КИ ішінде оқылып, Шығыс жол бойынша берілуі керек.
9Б суретте көрсетілген уақытша коммутация байланысының екінші жұмыс әдісі біріншіге қарама-қайшы. Кіріске келіп түсетін ақпарат мекенжай жадында сақталатын мекенжайға сәйкес ЖҚ ұяшықтарына жазылады; алайда ақпаратты оқу арна аралықтары есептегішінің басқаруымен ұяшықтан кейінгі ұяшыққа рет-ретімен жүргізіледі. Осы мысалда көрсетілгендей, 3 арналық интервал ішінде қабылданған ақпарат тікелей 17 мекен-жайы бойынша VK zu-ға жазылады, ол жерден Шығыс ICM жолының 17 нөмірімен Шығыс арнаға автоматты түрде оқылады.
9-суретте көрсетілген уақытша коммутация байланысының екі әдісі де сәйкесінше Шығыс және кіріс бойынша басқаруды анықтайтынын ескеріңіз. Келесі практикалық сабақта қарастырылған көп буынды коммутациялық тізбектің мысалында бір жұмыс әдісі уақытша коммутацияның бір сілтемесінде, ал екінші әдіс басқа сілтемеде қолданылуы ыңғайлы.
Уақыттық коммутатордағы коммутация мысалы.
... жалғасы- Іс жүргізу
- Автоматтандыру, Техника
- Алғашқы әскери дайындық
- Астрономия
- Ауыл шаруашылығы
- Банк ісі
- Бизнесті бағалау
- Биология
- Бухгалтерлік іс
- Валеология
- Ветеринария
- География
- Геология, Геофизика, Геодезия
- Дін
- Ет, сүт, шарап өнімдері
- Жалпы тарих
- Жер кадастрі, Жылжымайтын мүлік
- Журналистика
- Информатика
- Кеден ісі
- Маркетинг
- Математика, Геометрия
- Медицина
- Мемлекеттік басқару
- Менеджмент
- Мұнай, Газ
- Мұрағат ісі
- Мәдениеттану
- ОБЖ (Основы безопасности жизнедеятельности)
- Педагогика
- Полиграфия
- Психология
- Салық
- Саясаттану
- Сақтандыру
- Сертификаттау, стандарттау
- Социология, Демография
- Спорт
- Статистика
- Тілтану, Филология
- Тарихи тұлғалар
- Тау-кен ісі
- Транспорт
- Туризм
- Физика
- Философия
- Халықаралық қатынастар
- Химия
- Экология, Қоршаған ортаны қорғау
- Экономика
- Экономикалық география
- Электротехника
- Қазақстан тарихы
- Қаржы
- Құрылыс
- Құқық, Криминалистика
- Әдебиет
- Өнер, музыка
- Өнеркәсіп, Өндіріс
Қазақ тілінде жазылған рефераттар, курстық жұмыстар, дипломдық жұмыстар бойынша біздің қор #1 болып табылады.

Ақпарат
Қосымша
Email: info@stud.kz