ВАЗ 2110 көліктерінің техникалық сипаттамасы


Қазақстан Республикасының білім және ғылым министрлігі
Қ. Жұбанов атындағы Ақтөбе өңірлік университеті
Техникалық факультеті
«Көлік техникасы, тасымалдауды ұйымдастыру және құрылыс» кафедрасы
«Көлік техникасының диагностикасы және техникалық қызмет көрсету» пәнінен
Курстық жұмыс
5В071300 - «Көлік, көлік техникасы және технологиялары» мамандығының студенттері үшін
Орындаған: ККжТ-302 студенті Алиев Руслан
Тексерген: Каукаров А. К.
Ақтөбе - 2021 ж.
Қазақстан Республикасының білім және ғылым министрлігі
Қ. Жұбанов атындағы Ақтөбе өңірлік университеті
Техникалық факультеті
«Көлік техникасы, тасымалдауды ұйымдастыру және құрылыс» кафедрасы
«БЕКІТЕМІН»
Каф. меңг. И. С. Утебаев
ККжТ-302 тобының студенті Алиев Руслан Абайулы
(аты-жөні)
курстық жұмысқа (жобаға)
ТАПСРЫМА №3
Пән атауы Көлік техникасының диагностикасы және техникалық қызмет көрсету
1. Тақырыбы ВАЗ 2110 автокөлігінің техникалық сипаттамасы және ТҚ
2. ВАЗ 2110 автокөлігінің техникалық сипаттамаларын ашып көрсету
3. Контактісіз оталдыру жүйесінің техникалық ерекшеліктерін таныстыру.
4. Техникалық қызмет көрсетуді және жөндеуді қарастыру
5. Әдебиеттер: 1. Алексеева Е. Н. Автомобили семейства ВАЗ. - Самара, 2007
2. Антипов Д. М. Обслуживание, устройство и ремонт автомобилей ВАЗ-2110. - Самара, 2008
3. Николаев Д. И. Бесконтактная система зажигания. - СПб., 2006
4. Рустамова Л. Р. Подвижной автомобильный транспорт. - М., 2006
5. Харламов Л. И. Машиностроение в России. - М., 2007
6. Эксплуатация автомобиля - Лада Самара-Спутник - Lada Samara-Sputnik на Vaz-Autos_ru
Тапсырма берілген күні
Тапсырманы аяқтау күні
Жетекші
Тапсырманы қабылдап алдым
МАЗМҰНЫ
Кіріспе . . . …2-3
1. ВАЗ 2110 маркалы автокөліктің техникалық сипаттамалары …. ……. 4
- 1. 1 Жалпы деректер. . … . . . … . . . 4-51. 2 Қозғалтқыштың сипаттамасы. ………. . 6-9
2. Контактісіз оталдыру жүйесі . . ……. ……. ……. . …. …. 10
2. 1. Техникалық сипаттамасы . . . … . . . …. 10-12
2. 2. ВАЗ 2110 байланыссыз оталдыру жүйесінің ерекшеліктері . . . 13-14
2. 3. ВАЗ 2110, ВАЗ 2111, ВАЗ 2112 автомобильдерінде оталдыру уақытын орнату15-17
2. 4. ВАЗ 2110 қозғалтқышының оталдыру және басқару жүйесі ЕЖІЭ (Еріксіз жұмыс істейтін экономайзер) …… . . . …. …17-22
2. 5. Оталдыру таратқышын алу және орнату. …23-24
3. Техникалық қызмет көрсету және жөндеу . . 25
3. 1. Холл датчигін тексеру . . . . 25
3. 2. Оталдыру таратқышын жөндеу. . ……. 25-28
3. 3. Оталдыру катушкасын ауыстыру. . … . . . ……. 28
3. 4. Оталдыру катушкасын тексеру . . . …. 29
3. 5. Контактісіз оталдыру жүйесінің ақаулары. Олардың себептері мен оларды жою жолдары . . . ……. …. 29-31
Қорытынды . . . …. . 32
Пайдаланылған әдебиеттер тізімі . . . ………. . ……. 33
Кіріспе
ВАЗ-2110 - көлденең қуат блогы бар, асфальтталған жолдарда жұмыс істеуге арналған жеңіл алдыңғы жетекті көлік құралы.
Шанақ - тұтас металл, салмақ түсетін, төрт есікті, седан тәрізді. Үлкен және ұзын жүктерді тасымалдау үшін артқы орындықты бүктеуге болады, осылайша магистральдың көлемін арттырады.
Сур. 1. ВАЗ-2110 автокөлігінің жалпы өлшемдері
Қозғалтқыштар-төрт цилиндрлі, карбюраторлы немесе әр түрлі жанармай құю жүйелері бар, жұмыс көлемі 1, 5 л. алдыңғы жетектің орналасуының арқасында автомобиль ВАЗ артқы жетегінің моделейельдерімен салыстырғанда, әсіресе тайғақ жолда және бұрылыстар кезінде жетілдірілген басқару сипаттамаларына ие.
Автомобильді тұманға қарсы фаралармен, электрмен жылытуы бар алдыңғы орындықтармен, электр терезе көтергіштерімен, борттық компьютермен, шығару жүйесіндегі пайдаланылған газдарды каталитикалық бейтараптандырғышпен, артқы көріністің сыртқы айналарының электр жетегімен, электрондық ұрлыққа қарсы жүйемен, кондиционермен, тежеуіштердің бұғаттауға қарсы жүйесімен, қауіпсіздік жастығымен, шатыр люкімен жинақтауға болады.
Бұл тұрғыда электронды (байланыссыз) оталдыру жүйесі ерекше орын алады, соның арқасында осы типтес автомобильдері автокөлік әуесқойлары арасында үлкен құрметке ие.
1. ВАЗ 2110 көліктерінің техникалық сипаттамасы 1. 1. Жалпы деректер
1. 2. Қозғалтқыштың сипаттамасы
ВАЗ-2110 отбасының автомобильдеріне 2110 модельдерінің қозғалтқышы негізінде жасалған 21083 модельдерінің қозғалтқыштары орнатылады. 21083 модельдерінің қозғалтқыштары автомобильдердің бөліктеріне орнатылуы мүмкін. Барлық қозғалтқыштар бензин, төрт соққы, төрт цилиндр, қатар. Модельдер қозғалтқыштары. 2110-карбюратор, қозғалтқыштар модельдері. 2111 және 2112 - жанармай құю жүйесімен.
Цилиндр блогы арнайы жоғары беріктігі бар шойыннан құйылған, бұл қозғалтқыш құрылымына қаттылық пен күш береді.
Салқындатқышты құрайтын салқындатқыш түтіктер блоктың бүкіл биіктігінде жасалады, бұл поршеньдердің салқындауын жақсартады және блоктың деформациясын біркелкі емес қызып кетуден азайтады. Салқындату жейдесі жоғарғы бөлігінде блок басына қарай ашық. Цилиндр блогының төменгі бөлігінде иінді біліктің негізгі мойынтіректерінің бес тірегі бар, олардың қақпақтары болттармен бекітілген. Тіректерде иінді біліктің мойынтіректері ретінде әрекет ететін жұқа қабырғалы болат-алюминий төсеніштері орнатылған. Ортаңғы тіректе иінді білікті осьтік қозғалыстардан ұстап тұратын тұрақты жартылай сақиналар салынған тесіктер бар. Иінді білік арнайы беріктігі жоғары шойыннан құйылған. Біліктің негізгі және байланыстырушы өзектері жылтыратылған. Иінді білікке байланыстырушы өзек төсеніштерін майлау үшін штепсельдермен жабылған май клапандары бұрғыланады. Дірілді азайту үшін иінді білікте орналасқан сегіз тепе-теңдік қолданылады.
Иінді біліктің алдыңғы ұшында май сорғысы, біліктің жетек белдігінің редукторы және генератор немесе дампер жетегінің білігі орнатылған. Иінді біліктің артқы ұшында шойыннан құйылған шыбық орнатылған. Болат тісті шеңбер шыбынға басылған.
Төменгі бастарында қақпағы бар жалған болат байланыстырушы шыбықтар. Жіңішке қабырғалы втулкалар біріктіргіш штанганың төменгі басына орнатылады, ал болат қоладан жасалған втулка жоғарғы басына бекітіледі.
Поршеньдер алюминий қорытпасынан құйылған. Олардың әрқайсысында үш сақина бар:екі жоғарғы-қысу және төменгі-май. 2110 және 2111 модельдерінің қозғалтқыштарының поршеньдерінің түбінде жану камерасына арналған депрессия және клапандар астындағы екі ойық жасалды, 2112 модельдерінің қозғалтқышында поршеньдердің түбі клапандарға арналған төрт ойықпен тегіс. 2112 модельдік қозғалтқышта поршеньдер маймен салқындатылады, ол үшін негізгі мойынтіректердің тіректеріне арнайы саңылаулар орнатылады. Саңылаулар-бұл серіппелі шарлар орналасқан түтіктер. Қозғалтқыш жұмыс істеп тұрған кезде шарлар түтіктердегі тесіктерді ашады және май ағыны поршеньге төменнен түседі.
Болаттан жасалған, штампталған, цилиндр блогына төменнен бұрандалармен бекітілген.
Цилиндрлер блогының жоғарғы жағында алюминий қорытпасынан құйылған блок басы орналасқан. Бастың төменгі бөлігінде жану камераларын салқындату үшін сұйықтық айналатын арналар шығарылады. Бастың жоғарғы бөлігінде тарату білігі орнатылған (2112 моделіндегі қозғалтқыштар үшін екі білік бар: бірі қабылдау клапандары үшін, екіншісі сорғыш клапандары үшін) . Қозғалтқыштар 2110 және 2111, білік мойынтіректерде, блок басының жоғарғы бөлігінде және екі мойынтіректер корпусында айналады, олар блоктың басына бұралған шпилькалардағы гайкалармен бекітілген. Қозғалтқыш режимі 2112 біліктері блок басының жоғарғы бөлігінде жасалған тіректерде және бір бас подшипник корпусында блок басына бекітілген. Таратқыш біліктер - шойын. Жұдырықшалардың жұмыс беттерінің тозуын азайту үшін май тығыздағышы мен бензин сорғысы жетегінің эксцентрігіне арналған беттерді термиялық өңдеуден өткізеді - ағартылады. Таратқыш біліктің жұдырықшалары қақпақшалар арқылы клапандарды қозғалысқа келтіреді. 2110 және 2111 қозғалтқыштары үшін итергіштердің жоғарғы бөлігінде болат қаңылтырлар орнатылады; осы шайбаларды таңдау арқылы олар клапан жетегіндегі саңылауларды реттейді. Қозғалтқыш режимі 2112, клапан жетегіндегі саңылауларды автоматты түрде өтейтін гидравликалық қақпақшалар орнатылған. Сондықтан, бұл қозғалтқыштарда жұмыс кезінде саңылауларды реттеу қажет емес. 2112, клапан жетегіндегі саңылауларды автоматты түрде өтейтін гидравликалық клапан итергіштері орнатылған. Сондықтан, бұл қозғалтқыштарда жұмыс кезінде саңылауларды реттеу қажет емес. 2112, клапан жетегіндегі саңылауларды автоматты түрде өтейтін гидравликалық клапан итергіштері орнатылған. Сондықтан, бұл қозғалтқыштарда жұмыс кезінде саңылауларды реттеу қажет емес.
Қозғалтқыштар 2110 және 2111 цилиндрлерінде екі клапан бар: қозғалтқыш режимі үшін бір кіріс және бір шығыс. 2112 төрт клапан - екі кіріс және екі шығыс.
Бағыттаушылар мен клапанның орындықтары блоктың басына басылады. Сондай-ақ, бағыттаушы жеңдерде құлап қалмас үшін сақиналар болады. Бағыттаушы втулкаларда цилиндрлерге майдың түсуін азайту үшін клапанның өзек тығыздағыштары орнатылған.
2110 және 2111 модельдерінің қозғалтқыштарында әр клапанда екі серіппе, 2112 модель қозғалтқышында біреуі бар. Тарату біліктері иінді біліктен резеңке тісті белдікпен жұмыс істейді.
Аралас майлау жүйесі: бүріккіш және қысым. Негізгі және байланыстырушы өзек мойынтіректері мен білік мойынтіректері қысыммен майланған. Жүйе май сорғышынан, май қабылдағышымен берілісті майлы сораптан, толық ағынды май сүзгісінен, май қысымының датчигінен және май клапандарынан тұрады.
Қозғалтқышты салқындату жүйесі салқындатқыш курткадан, электр желдеткіші бар радиатордан, центрифугалық су сорғысынан, термостаттан және шлангтардан тұрады.
Қуат жүйесі ауа сүзгісінен, жанармай багынан, жанармай сорғысынан, жанармай сорғыларынан және 2110 модельдік қозғалтқыштағы карбюратордан немесе 2111 және 2112 модельдерінің қозғалтқыштарындағы саптамалары мен жанармай қысымын реттегіші бар жанармай рампасынан тұрады. Сонымен қатар, 2111 және 2112 модельдерінің қозғалтқыштарының қуат жүйесіне датчиктер, отын сүзгісі және дроссель құбыры кіреді. 2110 қозғалтқышының жанармай сорғысы блоктың басына орнатылады және итергіш арқылы білікке эксцентриктен басқарылады. 2111 және 2112 модельдерінің қозғалтқыштарында жанармай багына орнатылған және жанармай деңгейінің көрсеткіш датчигімен біріктірілген суасты типті электр отын сорғысы бар.
2110 модельдік қозғалтқыштың оталдыру жүйесі блоктың басына орнатылған және жұмыс істейтін және біліктен жұмыс істейтін оталдыру таратушымен байланыссыз.
2111 және 2112 модельдерінің қозғалтқыштарының оталдыру жүйесі микропроцессорлық, контроллермен басқарылады (басқару блогы) . Контроллер сонымен қатар жанармай құю жүйесін басқарады.
2. Контактісіз оталдыру жүйесі
2. 1. Техникалық сипаттамасы
Автокөліктің оталдыру жүйесі карбюраторлы қозғалтқыштың цилиндрлерінде олардың жұмыс істеу тәртібіне сәйкес жұмыс қоспасының оталдыруын қамтамасыз етуге қызмет етеді. Карбюраторлы қозғалтқыштарда контактілі, контактілі-транзисторлы және контактісіз оталдыру жүйелері қолданылады.
Байланысты оталдыру жүйесі аккумулятордан, генератордан, оталдыру катушкасынан, ажыратқыш-дистрибьютордан, от ұшқыштарынан, оталдыру қосқышынан, жоғары вольтты сымдардан және төмен вольтты сымдардан тұрады.
Байланыс жүйесінің жұмыс істеу принципі келесідей. От тұтанған кезде және сөндіргіштің контактілері жабық болғанда, батареядан немесе генератордан шыққан ток оталдыру катушкасының бастапқы орамына түседі, нәтижесінде магнит өрісі пайда болады. Ажыратқыштың контактілері ашылған кезде бастапқы орамдағы ток жоғалады және оның айналасындағы магнит өрісі жоғалады. Жойылып бара жатқан магнит ағыны қайталама және бастапқы орамалардың бұрылыстарын кесіп өтіп, бұрылыстардың әрқайсысында электр қозғаушы күш тудырады. Екінші орамдағы тізбектей қосылған бұрылыстар саны айтарлықтай болғандықтан, ұштардағы жалпы кернеу 20-24 кВ жетеді. Екінші реттік орамның электр қозғаушы күші неғұрлым көп болса, магнит ағынының жоғалу жылдамдығы соғұрлым көп болады.
Қазіргі кезде контакт-транзисторлық жүйелер кеңірек қолданылуда; және контактісіз оталдыру жүйелері. Көптеген түрлі контактісіз жану жүйелері бар. Олардың жұмыс принциптері шамамен бірдей, алайда жекелеген элементтер айтарлықтай ерекшеленеді, мысалы: индуктивті датчикпен транзисторлық оталдыру; деректер кешені бар компьютер басқаратын электронды оталдыру; процессорлар басқаратын электронды оталдыру және т. б.
Контактісіз оталдыру жүйесінің жұмыс істеу принципі келесідей. От жанып, қозғалтқыштың иінді білігі айналған кезде дистрибьютор сенсоры қосқышқа кернеу импульстарын шығарады, ол оларды оталдыру катушкасының бастапқы орамасындағы үзілісті ток импульсіне айналдырады. Алғашқы орамдағы токтың үзілу сәтінде екінші реттік орамда жоғары вольтты ток пайда болады. Жоғары вольтты ток оталдыру катушкасынан сым арқылы көміртегі контактісі арқылы ротор пластикасына өтеді, содан кейін жоғары вольтты сым арқылы дистрибьютор қақпағының терминалы арқылы шуды басатын экран орналасқан сәйкес келетін ұшқын, цилиндрдегі жұмыс қоспасы және цилиндрдегі жұмыс қоспасын тұтатады.
ВАЗ-2110 қозғалтқышының контактісіз оталдыру жүйесіне дистрибьютор датчигі, ұшқыштар, электронды қосқыш, аккумулятор, генератор, оталдыру катушкасы, төмен вольтты сымдар, жоғары вольтты сымдар, монтаж блогы, оталдыру қосқышы, дистрибьютор кіреді сенсор қосқышы, оталдыру катушкасының оң терминалы . . .
Контактісіз оталдыру жүйесі қозғалмалы контактілердің болмауына, оларды саңылауларды тазарту үшін жүйелі түрде реттеу қажеттілігіне байланысты сенімділікті жоғарылатады, сонымен қатар электр разрядының энергиясы жоғарылауына байланысты автомобильдің үдеуі кезінде іске қосу және пайдалану сенімділігін арттырады, бұл иінді біліктің айналу жылдамдығына қарамастан, қозғалтқыш цилиндрлеріндегі жұмыс қоспасының сенімді оталдыруын қамтамасыз етеді . . . Сонымен қатар, жанбайтын оталдыру жүйесінің артықшылықтарының бірі - дистрибьютор роторының дірілдеуінің ұшқын моментінің біркелкілігіне әсерінің болмауы. Оталдыру жүйесінің өнімділігін анықтайтын маңызды параметр - белгілі бір модельдегі қозғалтқыштар үшін жеке болатын және 0-ден 10 градусқа дейін болатын оталдыру уақыты.
Поршень сіздің нүктеңіздің жоғарғы өлшемдеріне жақындағанға дейін ұшқынның электродтары арасында ұшқын пайда болатын иінді біліктің иіндігінің айналу бұрышы оталдыру бұрышы деп аталады. Қозғалтқыш цилиндріндегі жұмыс қоспасының жануы иінді жоғарғы өлі нүктеден 10-15 градусқа бұрылған кезде, яғни жұмыс инсультының басында аяқталуы керек. Сондықтан электродтар арасындағы ұшқынның бұзылуы поршень жоғарғы өлі нүктеге жақындағанға дейін біршама орын алуы керек.
От алауының электродтары арасындағы ұшқын өте ерте пайда болған кезде, яғни оталдырудың үлкен уақытында цилиндрдегі газ қысымы поршень өлі нүктеге жақындағанға дейін артады, бұл поршеньнің қозғалуына жол бермейді және қозғалтқыштың қуатының төмендеуіне әкеледі және ТИІМДІЛІК, және оның қабылдауының нашарлауы. Жүктеме кезінде жұмыс істеген кезде қозғалтқыш қатты қызып кетеді, соғу пайда болады және бос режимде иінді біліктің төмен жылдамдығында қозғалтқыш тұрақсыз болады.
Егер оталдыру кейінірек пайда болса, яғни төмен оталдыру уақытында жұмыс қоспасының жануы поршень жоғарғы өлі нүктеден кейін қозғалған кезде пайда болады. Газ қысымы қалыпты оталдырумен салыстырғанда әлдеқайда аз болады, бұл қозғалтқыш қуаты мен үнемдеудің күрт төмендеуіне және қозғалтқыштың қызып кетуіне әкеледі. Сондықтан, қозғалтқыштың жылдамдығы мен жүктеме жағдайларын ескере отырып, оталдыру уақыты автоматты түрде реттелуі керек:
Иінді біліктің айналу жылдамдығының жоғарылауымен және қозғалтқыштың жүктемесінің төмендеуімен оталдыру уақыты ұлғаюы керек, ал иінді біліктің айналу жылдамдығының төмендеуімен және жүктеменің артуымен ол азаюы керек.
Қозғалтқышты іске қосуды жеңілдету әдістері. Қозғалтқышты іске қосуды жеңілдету үшін «Арктика» типті бастапқы сұйықтықтар, алдын ала қыздырғыштар, аккумуляторларды электрмен жылыту, дизельді қозғалтқыштарға арналған оттықтар және т. б.
2. 2. ВАЗ 2110 байланыссыз оталдыру жүйесінің ерекшеліктері
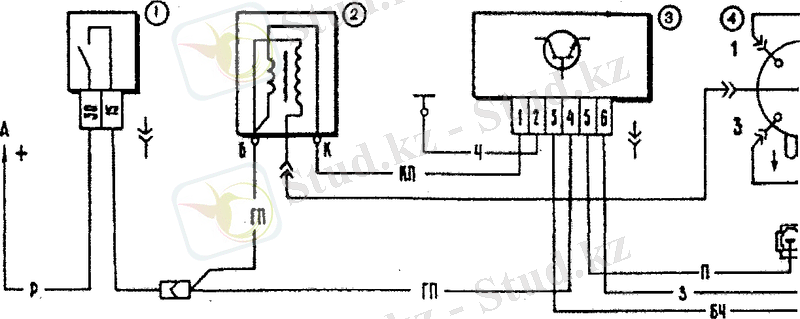
Ваз 2110 автокөліктерінде оталдыру жүйесінің екі түрін қолдануға болады: байланыссыз (карбюраторлы қозғалтқыштарда) және отын бүрку жүйесінің кешеніне кіретін оталдыру жүйесі. Осы тарауда жанаспайтын оталдыру жүйесі берілген, ал екіншісі таратылған отын бүрку жүйесін жөндеу жөніндегі жеке нұсқаулықта сипатталған. ВАЗ 2110, ваз 2111, ваз 2112 автомобильдерінің жанаспайтын оталдыру жүйесі 4 оталдыру датчигінен, 3 қосқыштан, 2 оталдыру катушкасынан, 5 оталдыру шамынан, 1 оталдыру қосқышынан және жоғары вольтты сымдардан тұрады. Оталдыру катушкасының бастапқы орамасының қуат тізбегі электронды коммутатормен үзіледі. Коммутатордағы басқару импульстері 4 оталдыру таратқыш сенсорында орналасқан контактісіз сенсордан беріледі.
Сур. 4. Контактсыз оталдыру жүйесінің сызбасы:
1 - оталдыру қосқышы; 2 - оталдыру катушкасы; 3 - коммутатор;
4 - оталдыру датчигі.
Оталдыру датчигі-40. 3706 немесе 40. 3706 - 01 типті, төрт ұшқынды, экрандалмаған, вакуумды және орталықтан тепкіш оталдыру озу реттегіштері бар, басқару импульстарының микроэлектрондық датчигі бар. Коммутатор-түрі 3620. 3734, немесе 76. 3734, немесе RTl 903, немесе PZE4022. Ол сенсордың басқару импульстарын оталдыру катушкасының бастапқы орамасындағы ток импульстарына айналдырады. Оталдыру катушкасы - жабық магнит өткізгіші бар 3122. 3705 типті, құрғақ немесе 8352. 12 типті - май толтырылған, ашық магнит өткізгіші бар герметизацияланған. Ұшқын штепсельдері-шуды болдырмайтын резисторлары бар FE65PR немесе FE65CPR немесе A17DVR немесе A17DVRM немесе A17DVRM1.
Оталдыру қосқышы - 21 10-3704005 немесе KZ-881 типті ұрлыққа қарсы бекіткіш құрылғысы бар, стартерді оталдыруды алдын ала ажыратпай қайта қосуға қарсы бұғаттағышы бар және ұяшықты жарықтандыруы бар.
Ескертулер
Ваз 2110, ваз 2111, ваз 2112 автомобильдерінде электрониканы кеңінен қолдана отырып, жоғары энергияны тұтату жүйесі қолданылады. Сондықтан жарақат алмау және электронды түйіндерді бұзбау үшін келесі ережелерді сақтау қажет. Осы отбасының автомобильдерінің жұмыс істеп тұрған қозғалтқышында оталдыру жүйесінің элементтеріне (коммутаторға, катушкаларға, оталдыру датчигі мен жоғары вольтты сымдарға) қол тигізбеңіз. Қозғалтқышты ұшқын саңылауының көмегімен іске қоспау және Оталдыру білтесі сымдарының ұштықтары мен касса арасындағы "ұшқынға" оталдыру жүйесінің жұмыс қабілеттілігін тексермеу2. оталдыру жүйесінің төмен кернеулі сымдарын жоғары кернеулі сымдармен бір турникетке салмаңыз. Бекіту бұрандалары арқылы коммутатордың "массасына" қосылудың сенімділігін бақылаңыз. Бұл оның үздіксіз жұмысына әсер етеді. Оталдыру қосылған кезде сымдарды батарея терминалдарынан ажыратпаңыз және штепсель қосқышын коммутатордан ажыратпаңыз, өйткені оның тізбегінің жеке элементтерінде кернеу жоғарылауы мүмкін және ол зақымдалады.
2. 3. ВАЗ 2110, ВАЗ 2111, ВАЗ 2112 автомобильдерінде оталдыру уақытын орнату
ВАЗ 2110, ваз 2111, ваз 2112 автомобильдерінде оталдыру моментін тексеру үшін 1 шкаласы бар (сурет. 5) ілінісу картерінің люгінде және маховиктегі 2 белгі. Шкаланың бір бөлімі иінді біліктің 1° айналуына сәйкес келеді. Ұшқыштағы белгіні шкаланың орташа (ұзын) бөлінуімен біріктірген кезде бірінші және төртінші цилиндрлердің поршеньдері ЖӨН (жоғарғы өлі нүктеде) болады.
Сур. 5. Оталдыру уақытын орнатуға арналған белгілер:
1 - шкала; 2 -маховиктнгі белгі
Сіз оталдыру сәтін стробоскоптың көмегімен тексеріп, орната аласыз: стробоскоптың "плюс" қысқышын батареяның "плюс" терминалына, "масса" қысқышын батареяның "минус" терминалына қосыңыз, ал стробоскоп сенсорының қысқышын 1 - ші цилиндрдің жоғары вольтты сымына қосыңыз; қозғалтқышты іске қосыңыз және стробоскоптың жыпылықтаған жарық ағынын ілінісу люкіне бағыттаңыз. Оталдыру сәтін реттеу үшін қозғалтқышты тоқтатып, оталдыру датчигінің гайкаларын босатыңыз және оны қажетті бұрышқа бұраңыз. Оталдыру уақытын арттыру үшін дистрибьютор сенсорының корпусын сағат тіліне қарсы, ал азайту үшін сағат тіліне қарсы (егер сіз оталдыру таратқышының қақпағынан қарасаңыз) бұраңыз. Бекіту жаңғақтарын қатайтыңыз және оталдыру сәтін орнатуды қайтадан тексеріңіз.
Сур. 6. Оталдыру датчигін орнату
Оталдыру уақытын реттеу ыңғайлылығы үшін оталдыру таратқышының фланецінде бөлімдер мен "+" және " - " белгілері, ал көмекші агрегаттардың корпусында орнату доғасы бар (сурет. 6) . Фланецтегі бір бөлім иінді біліктің 8° айналуына сәйкес келеді. Егер осциллоскоппен диагностикалық стенд болса, онда оның көмегімен стендті пайдалану жөніндегі нұсқаулықты басшылыққа ала отырып, оталдыру сәтін орнатуды оңай тексеруге болады.
2. 4. ВАЗ 2110 қозғалтқышының оталдыру және басқару жүйесі ЕЖІЭ (Еріксіз жұмыс істейтін экономайзер)
Оталдыру жүйесі - контактісіз немесе микропроцессор. Бұл жағдайда контактісіз оталдыру жүйесі қарастырылады. Ол дистрибьютордан, ажыратқыштан, оталдыру катушкасынан, от ұшқыштарынан, ажыратқыштан және жоғары және төмен кернеулі сымдардан тұрады. 40. 3706 немесе 40. 3706-01 типті дистрибьютор, төрт ұшқынды, экрандалмаған, басқару импульстері бар (Холл) және вакуумды және центті оталдыру уақытының реттегіштері.
Сур. 7 Датчик-распределитель
Дистрибьютор сенсор негізгі функцияларды орындайды: біріншіден, ұшқын беру міндеті, оның орнатылуына, білік корпусының айналу санына және қозғалтқыштағы жүктемеге байланысты, сонымен қатар жоғары вольтты импульстарды («ұшқын») цилиндрлерге таратады олардың жұмыс тәртібіне сәйкес. Ол үшін (жүгірткі) дистрибьютор ролигіне қойылады.
Суретте көрсетілген тізбекті құрастыру арқылы сенсордың жұмысын тексеруге болады. Оталдыру дистрибьюторының ролигін баяу айналдырыңыз, вольтметр көрсеткіштерін қадағалаңыз. Кернеу минимумнан максимумға дейін күрт өзгеруі мүмкін.
Ақаулы күндерді қалпына келтіру мүмкін емес (роликтің өзі мен дистрибьютор сенсорының корпусындағы блок арасындағы сымдарды қоспағанда) .
... жалғасы- Іс жүргізу
- Автоматтандыру, Техника
- Алғашқы әскери дайындық
- Астрономия
- Ауыл шаруашылығы
- Банк ісі
- Бизнесті бағалау
- Биология
- Бухгалтерлік іс
- Валеология
- Ветеринария
- География
- Геология, Геофизика, Геодезия
- Дін
- Ет, сүт, шарап өнімдері
- Жалпы тарих
- Жер кадастрі, Жылжымайтын мүлік
- Журналистика
- Информатика
- Кеден ісі
- Маркетинг
- Математика, Геометрия
- Медицина
- Мемлекеттік басқару
- Менеджмент
- Мұнай, Газ
- Мұрағат ісі
- Мәдениеттану
- ОБЖ (Основы безопасности жизнедеятельности)
- Педагогика
- Полиграфия
- Психология
- Салық
- Саясаттану
- Сақтандыру
- Сертификаттау, стандарттау
- Социология, Демография
- Спорт
- Статистика
- Тілтану, Филология
- Тарихи тұлғалар
- Тау-кен ісі
- Транспорт
- Туризм
- Физика
- Философия
- Халықаралық қатынастар
- Химия
- Экология, Қоршаған ортаны қорғау
- Экономика
- Экономикалық география
- Электротехника
- Қазақстан тарихы
- Қаржы
- Құрылыс
- Құқық, Криминалистика
- Әдебиет
- Өнер, музыка
- Өнеркәсіп, Өндіріс
Қазақ тілінде жазылған рефераттар, курстық жұмыстар, дипломдық жұмыстар бойынша біздің қор #1 болып табылады.

Ақпарат
Қосымша
Email: info@stud.kz