Қозғалтқыш картерінің вентиляциясы


Мазмұны
Мазмұны . . . 2
І. Кіріспе . . . 3
ІІ. Негізгі бөлім . . . 4
2. 1 Майлардың мына түрлері ең көп таралған болып саналады . . . 4
2. 2 «Волга» ГАЗ-31029 автомобилі қозғалтқышының майлау жүйесі . . . 5
2. 3 3M3-406l және 3M3-4063 қозғалтқыштарының майлау жүйесі қондырғысы мен жұмысының ерекшеліктері . . . 8
2. 4 ЗИЛ-433100 автомобилі қозғалтқышының майлау жүйесі . . . 10
2. 5 ЯМЗ-740 қозғалтқышының майлау жүйесі . . . 12
2. 6 Май сорғылары . . . 14
2. 7 Май сүзгілері . . . 17
2. 8 Май радиаторлары . . . 22
2. 4 Қозғалтқыш картерінің вентиляциясы . . . 24
ІІІ. Қорытынды . . . 27
ІV. Қолданылган әдебиеттер тізімі . . . 28
Кіріспе
Майлау жүйесі қозғалтқыштың үйкелісетін беттерінің тозуын азайту, тозу өнімдерін жою және бөлшектерін ішінара салқындату үшін қызмет етеді. Үйкелісетін беттерінің арасында айналыптұратын май оларды коррозиядан қорғайды. Цилиндрлер піспектерінде және жылтырында орналасқан майдың жіңішке қабаты компрессияны арттырып, цилиндрде піспектің жақсы нығыздалуына мүмкіндік береді. Автомобиль қозғалтқыштарында құрама майлау жүйесі бар, олар: қысымен, шашырату және өздігінен ағу. Қос иінді-шатунды және газ тарату механизмдерінің (иінді біліктің өзіндік және шатунды мойындары, үлестіруші біліктің тірек мойындары, рокерлері, үлестіруші біліктің төмен орналасуы кезіндегі үлестіруші тегершік) ең жүктеулі бөлшектері қысыммен майланады. Үлестіруші біліктің цилиндрлері, піспектері, піспек шығыршықтары, піспекті сұққылар, жұдырықшалар мен тегершіктер
шашыратып майланады. Өздігінен ағу әдісімен итергіш төлкелерді және ішінара үлестіруші біліктің жұдырықшаларын бағыттайтын қарнақтардың төменгі ұштары майланады. Май қатуы кезінде мүмкіндігінше төмен температуралы және белгілі бір тұтқырлық қасиеті болуы керек, қажетті дәрежеде физикалық және химиялық тұрақты болу қажет, металдарға минималды коррозиялық ықпалға қабілетті болуы тиіс, механикалық қоспалар мен судан құралмау керек. Қозғалтқыштардағы майлар атмосфералықтан төменнен бастап 100 Мпа-ға дейін (1000 кгс/см2) қысымның түсіп кетуінің және жоғары температураның(жұмыс барысында 2500 °С дейін) әсерін ала отырып, өте ауыр жағдайларда қызмет етеді. Қозғалтқыштың қызметі кезінде май ішінара жану камерасына ағып кетеді және осылайша жанып кетіп, күйік пайда болады. Күйік қабаты бөлшектерден жылу шығуын нашарлатады, қабырғадан түсіп, детонация мен шоқтан тұтанудың пайда болуына жағдай жасайды, майды қатты бөлшектермен ластайды. Пайда болған күйіктің мөлшері майдың сапасына және оның шығынына, сондай-ақ, жанармайдың сапасына байланысты. Күйіктің шекті қалыңдығы қозғалтқыш жұмысының жылыту режиміне байланысты: жану камерасының қабырғалары қаншалықты салқын болса, соншалықты күйік бөлініп шығады.
Негізгі бөлім
Майлардың мына түрлері ең көп таралған болып саналады
(МЕМСТ 10541-78) :
• М-8Г1 (қысқы), М-12Г1 (жазғы), М63/10Г1 (барлық мезгілге)
- жеңіл автомобильдерінің жоғары үдемелі қозғалтқыштарын пайдалану үшін;
• М-43/8Г(рк) - барлық мезгілге май түрін әмбебап жұмыс және консервациялық мотор майы, карбюраторлық қозғалтқыштарда және дизельдерде қолдануға болады, қоршаған ауаның температурасы -30 . . . + 50 °С аралығында қозғалтқыштың жұмыс жасау қабілетін және қозғалтқыш консервациясын 15 жыл ішінде қамтамасыз етеді;
• М-8В - жеңіл және жүк автомобильдерінің орташа үдемелі қозғалтқыштарына арналған барлық мезгілге арналған майы;
• М-63/10В - карбюраторлық қозғалтқыштарға арналған барлық мезгілге арналған әмбебап мотор майы. Үрлемесіз дизельдерде қолданылуы мүмкін. Майдың бұл маркасы КамАЗ-740 қозғалтқыштың майлау картасына енгізілген және М-8Г2к и М-10Г2к майларын алмастыра алады;
• М-43/6В1 - Қиыр Солтүстіктің жағдайында карбюраторлық қозғалтқыштардың сенімді жұмысын қамтамасыз ететін және -35 °С дейінгі температурада қозғалтқышты қыздырусыз қосуға мүмкіндігі бар қоюландырылған майы. Оны сондай-ақ, солтүстікте орындалған КамАЗ-740 автомобильдерінің дизельдеріне қолдануға болады. Дизельдер үшін мына мотор майлары ұсынылады:
• М-8В2 (ТУ 38. 401-58-37-92) қысқы жағдайда пайдалануға арналған аз үдемелі дизельдер үшін;
• М-10В2 (МЕМСТ 8581-78) жазғы жағдайда пайдалануға арналған аз үдемелі үрлемесіз дизельдер үшін;
• М-8Г2у (ТУ 38. 401-58-21-91) қысқы жағдайларда және майды ауыстырғанға дейін ұлғайтылған жүріспен пайдалануға арналған жоғары үдемелі үрлемесіз немесе төмен үрлемелі дизельдер үшін;
• М-10Г2у (ТУ 38. 401-58-21-91) қысқы жағдайларда пайдалануға арналған жоғары үдемелі үрлемесіз немесе төмен үрлемелі дизельдер үшін;
• М-8Г2 (МЕМСТ 8581-78) жазғы жағдайларда пайдалану үшін;
• М-8Г2 (МЕМСТ 8581-78) қысқы жағдайларда КамАЗ автомобильдері және «Икарус» автобустарында пайдалану үшін;
• М-10Г2к (МЕМСТ 8581-78) жазғы жағдайларда пайдалану үшін.
«Волга» ГАЗ-31029 автомобилі қозғалтқышының майлау жүйесі
Осы автомобильдің майлау жүйесі (6. 1-сур. ) қозғалтқыш картері тұғырығының ішінде орнатылған май қабылдағышы 9 бар май сорғысынан, ауыстырмалы картонды сүзгі элменттерімен толық ағынды май сүзгісінен 5 , бекітпе кранигі бар 8 май радиаторынан 11 және сақтандырғыш клапанынан 7 құралған.
6. 1-сур. Майлау жүйесі және ГАЗ-31029 қозғалтқыш картерін
вентиляциялау жүйесі:
1, 14 - шлангтер; 2 - ауа сүзгісі; 3 - сүзгі элементі; 4 -рокер қақпағы; 5 - май сүзгісі; 6 - апатты май қысымы сигнализаторының қадағасы; 7 -май радиаторының клапаны; 8 - май радиаторының бекітпе кранигі; 9 -май қабылдағышы бар май сорғысы; 10 - қозғалтқыш картері ағызу саңылауының тығыны; 11 - май радиаторы; 12 - май қысымын көрсететін қадаға; 13 - картер вентиляциясының бөліп тазартқыш құрылғысы;
- картер газдары; - таза ауа; - май
Картердің тұғырығында қақпақпен 10 жабылатын майды ағызуға арналған саңылау бар. Майлау жүйесінің жұмысын бақылау үшін аспаптар қалқаншасында май қысымының көрсеткіші және май магистралінде орнатылатын көрсеткіш қадағасы 12 бар. Жүргізуші кабинасындағы аспаптар қалқаншасында апатты май қысымының сигнализаторы орнатылған, ал май сүзгісінің төменгі бөлігінде осы сигнализатордың қадағасы 6 орнатылған. Май сорғысы қосымша білікше арқылы үлестіруші білікте тегершіктен іске келтіріледі. Қозғалтқыштың жұмысы уақытында май сорғысы май қабылдағыштың көмегімен қозғалтқыш картері тұғырығынан майды алады және толық ағынды май сүзгісіне 5 оны бағыттайды. Май сүзгі элементі арқылы өткеннен кейін бас май магистраліне келіп түседі, ол жерден картердің аралықтары мен қабырғаларының арналары арқылы иінді біліктің өзіндік мой-
нына және үлестіруші біліктің тірек мойнына оларды майлап отырып, келтіріледі. Май өзіндік мойындардан шатунды мойындарда орындалған ортадан тепкіш саз тұтқылары арқылы мойындардың өзінің арналары бойымен шатунды мойындарға келіп түседі. Май өзіндік мойыннан каналға өту үшін жоғарғы ішпектегі арнайы бұрғылау бар, ал енді өзіндік ішпектегі шатунды мойынтіректерге май үздіксіз барып тұру үшін шығыршықты жырашықтар орындалған. Шатунды мойынтіректерге өзіндік мойындар, білік мойындары және шатунды мойындар арқылы өтетін арналар барады. Шатунды ішпектерде білік айналған кезде шатунды мойындағы май каналымен сәйкес келетін бұрғылаулар бар. Шатунның төменгі бастиегінде де автомобиль жүрісі бойынша қозғалтқыштың оң жағына бағытталған бұрғылау бар. Осы саңылаулар сәйкес келген уақытта олардан жоғарыға бағытталған майдың ағыны лақтырылады. Бұл май цилиндрлерді, піспектерді, піспекті сұққыларды
піспектің дөңес» және шатунның жоғары бастиегі арасындағы саңылау арқылы шашыратып майлайды. Төлке мен сұққыларды майлау үшін шатунның жоғары бастиегінде бұрғылау бар, сол арқылы май шатунның жоғары бастиегі төлкесінің ішіне келіп түседі. Өлі төменгі піспегі ӨТП нүктеге қарай қозғалғанда, май алмалы шығыршықтар цилиндрлер жылтырынан майдың қалдығы алынады, кейін бұрғылау арқылы піспек бастиегінің шығыршықты жырашығында бұрғылау арқылы күшпен піспектің ішіне түседі және піспекті сұққыларды майлайды. Төмен түсіп бара жатып, май айналмалы иінді білікке келіп түседі және картерде май тұманын қалыптастыра отырып, жан-жағына шашырайды. Шатунды мойын саңылауларынан сығылған май да шашырайды.
Үлестіруші біліктің тірек мойындарына май арналар арқылы келеді. Артқы тірек мойыннан канал өтеді, оның бойымен рокердің қуыс осіне май беріледі, ал одан радиалды бұрғылау арқылы рокер төлкелерді майлайды. Рокердің қысқа иінінде реттеуіш бұрандама үшін бұрандалы саңылауға шығатын бойлық арнасы бар. Бұрандама клапанды механизмде жылыту саңылауын реттеу үшін қызмет етеді. Оның орта бөлігінде сыртында шығыршықты бунақ бар, оған рокер иініндегі канал келеді. Бастиек жағынан реттеуіш бұрандамада бойлық каналы, шығыршықты бунақты бұрандамамен қатынастағы радиалды бұрғылау бар. Осы арналар арқылы қысымдағы май қарнақтың жоғарғы ұшына келеді және оны майлайды. Майдың қалдықтары штангінің бойымен төмен қарай ағады және итергіштің ішіне барады, ал итергіштің жанындағы екі саңылау арқылы май өздігінен ағып шығады және итергіштердің бағыттаушы төлкелерін майлап өтеді. Итергіштердің астыңғы бөлігі төмен қарай шығатын кезде осы саңылаулар бағыттаушы төлкелерден шығады. Осы саңылаулардан май ағып, үлестіруші біліктің жұдырықшаларын майлайды. Үлестіруші біліктің алдыңғы тірек мойнында сыртында жартылай шығыршықты бунақтар, сондай-ақ алдыңғы тірек мойнының дөңбек жағына шығатын арна бар. Осы арна арқылы мойындағы жартылай шығыршықты бунақтардың әсерінен май лүпілдек ағыспен үлестіруші білікті осьтік қозғалудан ұстап тұратын ромб тәрізді тығырықты майлау үшін барады. Таратушы тісті доңғалақтарды майлау үшін алдыңғы тірек мойнындағы мойынтіректің денесінде арна бар, одан түтікше бойымен тегершікке лүпілдек ағыспен май барады. Майлау жүйесінде үш клапан бар:
• май сорғысында редукциялық;
• май сүзгісінде қайта өткізу;
• май радиаторының жетегінде сақтандырғыш.
Редукциялық клапан қозғалтқыштың майлау жүйесінде максималды қысымды
шектеу үшін қызмет етеді. Май сорғысы жүйеге қажеттілігінен едәуір көп май
береді. Майдың қысымы әдеттегідей талап етілетін мөлшерден жоғары. Әсіресе
бұл жылдың салқын мезгілінде немесе қозғалтқыш қалыпты температураға дейін қыздырылғанша байқалады. Өте жоғары қысым төсемдердің қысып шығаруына, құбыр желісінің жұлынуына немесе үзілуіне әкелуі мүмкін. Редукциялық клапан майлау жүйесінің аспаптары мен бөлшектерін сақтай отырып, максималды қысымды шектейді. Сонымен қатар, автомобильді пайдалану кезінде түйіндесетін булардың тозуы болады. Олардың арасындағы саңылау өсіп, майдың шығынын ұлғайтады. Бұл әсіресе қос иінді-шатунды механизмнің негізгі және шатунды мойынтіректері және үлестіруші біліктің
мойынтіректері үшін өзекті. Редукциялық клапан, қалыпты қысымды ұстап тұрып, майдың қайта шығарылымын азайтады. Қайта өткізу клапаны орталық құбырлы өзекшеге орнатылады және сүзгі элементі ластанған жағдайда тазартылмаған майды қайта шығаруға арналған. Сүзгі элементі таза болғанда сүзгі корпусындағы қысым айырмасы сүзгі элементінің алдындағы жәнеорталық өзекшенің ішінде сүзгі элементін майлағаннан кейін қысымды азайтады, бірақ 10 . . . 20 кПа (0, 1 . . . 0, 2 кгс/см2) аспайды. Сүзгі элементі ластанған кезде, май өту тұтқырлығы ұлғаяды және нәтижесінде майдың қысымы төмендейді. Егер қысымның төмендеуі 60 . . . 70 кПа (0, 6 . . . 0, 7 кгс/см2) жетсе, онда тазартылмаған майдың бөлігін басты май магистрліне өткізіп, қайта өткізу клапаны ашылады.
Сақтандырғыш клапаны май радиаторы жүйесінде орнатылады. Май радиаторын қосу кранигін ашқаннан кейін, май шарлы клапанды 7 жылжытады, серіппені қыса отырып, май радиаторына барады және радиатордың өзегінен өтіп, қозғалтқыш картерінің тұғырығына құйылады. Майлау жүйесіндегі майдың қысымы 0, 2 . . . 0, 4 МПа (2 . . . 4 кгс/см2) шегінде болуы тиіс. Жұмыс кезінде қозғалтқыш қызуы мүмкін, бұл майдың сұйылтуына және қысымның түсуіне әкеледі. Май радиаторы жүйеге қатарлас қосылған және оған басты май
магистралінен 20 % май бөлінеді. Егер май тым қатты сұйылтылса, онда оның көп бөлігі радиаторға бара бастайды, өйткені радиатор арқылы өту оған жеңілірек. Үйкелісетін беттерге май жеткіліксіз баратындықтан, негізгі және шатунды мойынтіректердің балқуына әкеліп соғуы мүмкін. Бұны болдырмау үшін сақтандырғыш клапан жұмыс жасайды. Егер майдың қысымы 70 . . . 90 кПа (0, 7 . . . 0, 9 кгс/см2) төмен болса, серіппе шарды орынға қысып, радиатордың қосу кранигі ашық тұрғанына қарамастан май радиаторына майдың баруын тоқтатып тастайды. Майлау жүйесінің жұмысын бақылау үш аспаппен жүзеге асырылады: қадағасы 12 басты май магистралінде орнатылған май қысымының көрсеткішімен; аспаптар қалқаншасында орналасқан апатты қысым сигнализаторымен; майдың аппатты қысымы сигнализаторының қадағасымен 6. Қозғалтқыш картеріндегі майдың деңгейі майды өлшеу сызғышымен бақыланады.
3M3-406l және 3M3-4063 қозғалтқыштарының майлау
жүйесі қондырғысы мен жұмысының ерекшеліктері
Осы қозғалтқыштардың майлау жүйесі құрамды болып келеді. Май үйкеліскен беттерге қысыммен және шашыратып барады. Майлау жүйесінің негізгі аспабы қозғалтқыш картері тұғырығында орналасқан май сорғысы болып табылады. Картерден майды ағызу үшін тығынмен жабылатын арнайы ағызу саңылауы бар. Май сорғысында торлы сүзгісімен май қабылдағышы бар. Майды тазалау үшін ауыстырмалы сүзгі элементі бар толық ағынды май сүзгісі орнатылған. Май жүйеге қақпағы бар май құю қылтасы арқылы толтырылады. Қозғалтқыш жұмыс істеген кезде қысымдағы тістегерішті май сорғысы майды май сүзгісіне қысып толтырады. Майлау жүйесіндегі қысым 0, 2 . . . 0, 4 МПа (2 . . . 4 кгс/см2) шегінде болуы қажет. Максималды қысым май сорғысының корпусында орналасқан редукциялық клапанмен шектеледі. Қысым 0, 4 МПа (4 кгс/см2) жоғары асқанда редукциялық клапан ашылады да, май жоғары қысым қуысынан май қабылдағыш қуысына қайта шығарылады. Май тазартылғаннан кейін май сүзгісінен басты май магистраліне келіп түседі, одан арналар арқылы картердің қабырғалары мен аралықтарында негізгі мойынтіректер мен май сорғысы жетегінің аралық білік мойынтіректерін майлау үшін барады, сондай-ақ үлестіруші біліктер жетегі шынжырының гидрокергішіне қосылады. Май беттердегі арналар арқылы шатунды мойындардың саз тұтқыға барады, ал одан ішпектердегі арналар мен
саңылаулар арқылы май шатунды мойынтіректерге барып, оларды майлайды. Шатунның төменгі бастиегінің жанындағы жоғары бөлігіндегі саңылау арқылы шатунды мойынның ішпектері мен арналарында цилиндрлер мен піспектерді майлау үшін ағыспен лақтырылады. Шатунның денесінде арна жасалған, оның бойымен осы арна шатунды мойындағы арнамен сәйкес келгенде қысымдағы май барып, піспекті сұққыларды майлайды. Шатунның жоғарғы бастиегінде саңылау бар, сол арқылы осы уақытта піспек бастиегінің ішкі бетіне бағытталған майдың ағысы лақтырылады және оны салқындатады. Май сорғысы жетегі білікшесінің жоғарғы мойынтірегінен май көлденең бұрғылау мен білікшенің ішкі қуысы арқылы білікшенің төменгі мойынтірегін және жетектегі тістегерішінің тірек бетін майлау үшін барады. Май сорғысының жетектегі тістегеріші басты май магистралінде бұрғылау арқылы майдың ағысымен майланады. Басты май магистралінен май арналар бойымен цилиндрлер блогы бастиегінің арналарына барады, солар арқылы шығыс клапандарының үлестіруші біліктер тірек мойындарына келеді. Блок бастиегінің арналарынан май үлестіруші біліктерінің екінші дәрежелі жетегінің гидрокергіш шынжырына, гидроитергіштерге және май қысымының қадағасына барады. Картерге ағатын май өзінің жолында шынжырларға, тоспаларға үлестіруші біліктер жетегінің жұлдызшаларына, эксцентрикке және жанармай сорабы жетегінің аралық тетігіне барады. Майлау жүйесінің жұмыс сапасы аспаптар қалқаншасында орналасқан май қысымының көрсеткішімен және цилиндрлер блогының бастиегіндегі арналарда орналасқан қадағамен, сонымен қатар майдың апатты қысым сигнализаторымен бақыланады. Сигнализатор аспаптар панелінде орналасқан. Сигнализатордың кішкентай шамы майлау жүйесінің қысымы 40 . . . 80 кПа (0, 4 . . . 0, 8 кгс/см2) төмендеген кезде жанады. Сигнализатордың қадағасы блок бастиегіндегі арнада орнатылған. Осы екі қадаға үшайырға бұралған, олар өз кезегінде цилиндрлер блогы бастиегінің сол жағындағы май магистраліне бұралған. Қозғалтқыш картерінің тұғырығындағы майдың деңгейі май деңгейінің өзекті көрсеткішінің көмегімен бақыланады. Осы өзектің төменгі жағында «П» (максималды) және «О» (минималды) деген екі белгі бар. Қозғалтқыш жұмысы кезінде майдың деңгейі осы белгілердің аралығында болуы керек. Майдың деңгейі «О» белгісінен түскен жағдайда, қозғалтқышты қолдануға болмайды.
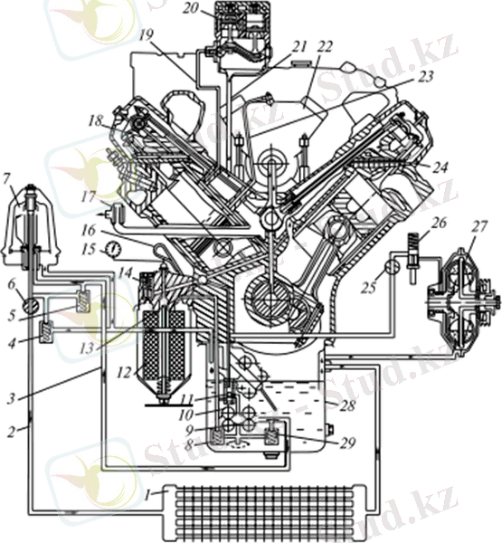
ЗИЛ-433100 автомобилі қозғалтқышының майлау жүйесі
Майлау жүйесінің негізгі аспабы (6. 2-сур. ) екі секциялы май сорғысы болып табылады. Сорғының бір секциясы 12 май радиаторының жұмысын қамтамасыз етсе, ал екінші негізгісі 9 үйкелісетін беттерге майды жеткізу үшін жұмыс жасайды. Май радиатор секциясынан ортадан тепкіш май тазартқышына 1 барады және радиатордан 20 өтіп, қайтадан қозғалтқыш картерінің тұғырығына ағады.
6. 2-сур. ЗИЛ-433100 автомобиль қозғалтқышы майлау
жүйесінің сызбасы:
1- ортадан тепкіш май тазартқышы; 2 - компрессор; 3 - рокер осі; 4 - майды құю саңылауының тығыны; 5 - жоғары қысымды жанармай сорғысы (ЖҚЖС) ; 6 - май магистралі; 7 - үлестіруші біліктің мойынтірегі; 8 -иінді біліктің негізгі мойынтірегі; 9 - май сорғысының негізгі секциясы; 10 - май қабылдағыш; 11 - сақтандырғыш клапаны; 12 - май сорғысының радиаторлы секциясы; 13 - май сорғысы негізгі секциясының сақтандырғыш клапаны; 14 - дифференциалды клапан; 15 - иінді біліктің шатунды мойынтірегі; 16 - басты май магистралі; 17 - май қысымының көрсеткіші; 18 - май сүзгісінің қайта өткізу клапаны; 19 - ақтап тазарту сүзгісі; 20 - май радиаторы; 21 - ортадан тепкіш май тазартқышының ағызатын клапаны; 22 - ауа-май радиаторының бекітпе краны; 23 - ортадан тепкіш май тазартқышының кесу клапаны.
22 радиаторлы кран іске қосылады. Жылдың суық мезгілінде радиатордың краны жабық болуы мүмкін, сол кезде май ортадан тепкіш май тазартқыштан ағызатын клапаны 21 арқылы картер
тұғырығынан қайтарылатын болады. Кенеттен қысым түсіп кеткен жағдайда, кесу клапаны 23 май тазартқышқа май жіберуді тоқтатады. Май сорғысының негізгі клапанынан 9 май клапандар корпусына жіберіледі. Бұл жерде дифференциалды клапан 14 орналасқан, оның ішінде сақтандырғыш клапаны 13 орнатылған. Дифференциалды клапан 0, 5 МПа (5 кгс/см2) деңгейінде басты
май магистралінде 6 қысымды ұстайды. Сақтандырғыш клапаны 13 қысым 0, 7 МПа (7 кгс/см2) болғанда жұмыс жасайды. Кейін май ақтап тазарту сүзгісіне 19 келіп ағады, одан өткен соң май басты май магистраліне келеді. Сүзгі элементтері қатты ластанған жағдайда, қайта өткізу клапаны 18 орнатылған, ол тазартылған майды қайтадан басты май магистраліне өткізеді. Компрессорды
2 майлау үшін арналардан беріледі, оның бойымен ақтап тазарту сүзгілерінен басты май магистраліне келіп түседі. Май сорғысының радиаторлы секциясының сақтандырғыш клапаны 11 бар, ол сорғы секциясының айдау қуысында майдың қысымы 0, 8 . . . 0, 85 МПа (8 . . . 8, 5 кгс/см2) болғанда ашылады және сорғының сору қуысына майды жібереді. Басты магистральдан қысымдағы май иінді біліктің негізгі мойындарына және цилиндрлер реттеуінің орнатылған үлестіру білігінің тірек мойындарына барады. Негізгі мойынтіректерден май арналар бойымен шатунды мойындарға барады. Май үлестіруші біліктің тірек мойнынан май магистралі арқылы 6 рокер қуысы осіне барады және қуыс саңылауы арқылы рокер төлкесін майлайды. Арналар бойымен рокердің қысқа иінінде май қарнақтың жоғарғы ұшына барады, кейін стақан тәрізді итергіштің ішіне қарнақтың төменгі ұштарын майлай отырып, ағып түседі. Итергіштер бүйір қабырғасының саңылауы арқылы өтіп, май итергіштердің бағыттаушы төлкелерін майлайды және үлестіруші біліктің жұдырықшаларына ағады. Цилиндрлер, піспектер, піспекті шығыршықтар және клапандар өзекшелері шашыратып майланады. Жоғары қысымды жанармай сорғысы (ЖҚЖС) 5 май арнасынан шығатын маймен қысыммен майланады.
ЯМЗ-740 қозғалтқышының майлау жүйесі
Майлау жүйесінде (6. 3-сур. ) радиаторлы 9 және айдаушы 10 секцияларымен екі секциялы май сорғысы бар. Екі секцияның да 8 және 29 сақтандырғыш клапандары бар. Радиатор секциясының сақтандырғыш клапаны 29 майды жоғары қысымды қуыстан төменгі қысымды қуысқа май радиаторының 6 жабық краны кезде жіберетін болады. Радиаторды сөндірген кезде, май сорғысы секциясының шығысындағы қысым 0, 7 . . . 0, 75 МПа-ны (7 . . . 7, 5 кгс/см2) құрайды. Айдаушы секциядан шығатын жерде майдың қысымы 0, 35…0, 40 МПа-ға
(3, 5 . . . 4, 0 кгс/см2) тең. Радиаторлы секциядан май центрифугаға 7 , кейін ашық кран 6 арқылы май құбырының бойымен 2 - май радиаторына 1 және осы жерден құбыр желісі арқылы қозғалтқыш картеріне қайта оралады.
6. 3-сур. КамАЗ-5320 автомобилі ЯМЗ-740 қозғалтқышының
майлау жүйесінің сызбасы:
1 - май радиаторы; 2, 3, 18, 19, 21, 23, 24 - май құбырлары; 4 - центрифуганың ағысты клапаны; 5 - центрифуганың қайта өткізу клапаны;
6 - май радиаторын қосу краны; 7 - центрифуга; 8 - айдаушы секцияның сақтандырғыш клапаны; 9 - май сорғысының радиаторлы секциясы; 10 - май сорғысының айдаушы секциясы; 11 - майлау жүйесінің клапаны; 12 - ақтап тазартудың толық ағынды сүзгісі; 13 - басты май магистралі; 14 - майды ақтап тазарту сүзгісінің қайта өткізу клапаны; 15 - манометр; 16 - май деңгейінің көрсеткіші; 17 - сапун; 20 - компрессор; 22 -ЖҚЖС; 25 - гидрожалғастырғышты қосу краны; 26 - термиялық күштік қадаға; 27 - вентилятор жетегінің гидрожалғастырғышы; 28 - тұғырық; 29 - радиаторлы секцияның сақтандырғыш клапаны
... жалғасы- Іс жүргізу
- Автоматтандыру, Техника
- Алғашқы әскери дайындық
- Астрономия
- Ауыл шаруашылығы
- Банк ісі
- Бизнесті бағалау
- Биология
- Бухгалтерлік іс
- Валеология
- Ветеринария
- География
- Геология, Геофизика, Геодезия
- Дін
- Ет, сүт, шарап өнімдері
- Жалпы тарих
- Жер кадастрі, Жылжымайтын мүлік
- Журналистика
- Информатика
- Кеден ісі
- Маркетинг
- Математика, Геометрия
- Медицина
- Мемлекеттік басқару
- Менеджмент
- Мұнай, Газ
- Мұрағат ісі
- Мәдениеттану
- ОБЖ (Основы безопасности жизнедеятельности)
- Педагогика
- Полиграфия
- Психология
- Салық
- Саясаттану
- Сақтандыру
- Сертификаттау, стандарттау
- Социология, Демография
- Спорт
- Статистика
- Тілтану, Филология
- Тарихи тұлғалар
- Тау-кен ісі
- Транспорт
- Туризм
- Физика
- Философия
- Халықаралық қатынастар
- Химия
- Экология, Қоршаған ортаны қорғау
- Экономика
- Экономикалық география
- Электротехника
- Қазақстан тарихы
- Қаржы
- Құрылыс
- Құқық, Криминалистика
- Әдебиет
- Өнер, музыка
- Өнеркәсіп, Өндіріс
Қазақ тілінде жазылған рефераттар, курстық жұмыстар, дипломдық жұмыстар бойынша біздің қор #1 болып табылады.

Ақпарат
Қосымша
Email: info@stud.kz