Екілік дешифраторлар


ҚАЗАҚСТАН РЕСПУБЛИКАСЫНЫҢ ҒЫЛЫМ ЖӘНЕ БІЛІМ МИНИСТРЛІГІ
«СЕМЕЙ қаласының ШӘКӘРІМ атындағы УНИВЕРСИТЕТІ» КЕАҚ
Кафедра: «Автоматика және ақпараттық технологиялар»
(кафедрасының атауы)
Мамандық : 5В072300 - «Техникалық физика»
(Шифр, мамандық атауы)
Электротехника және электроника
(пән атауы)
СӨЖ № 5
Тақырыбы: Дешифраторлар және мультиплексорлар
Орындаған: Тексерген: ТФ-001 тобының студенті Жетекші: Турусбекова Б. Ш Кенжебаева А. Е (Жетекшінің Т. А. Ә)
(студенттің аты, тегі)
Семей
2021 жыл
МазмұныКіріспе2
1 Дешифратор3
1. 1 Екілік дешифраторлар4
2 Мультиплексорлар мен демультиплексорлар7
2. 1 Мультиплексордың құрылымы. Жұмыс істеу принципі8
2. 2 Демультиплексордың құрылымы. Жұмыс істеу принципі8
Қорытынды10
Пайдаланған әдебиеттер тізімі11
Кіріспе
Электроника-электрондардың электромагниттік өрістерімен өзара әсері жөніндегі ғылым. Электроника электромагниттік энергияның түрленуін, күшеюін, электромагниттік тербелістердің қабылдануын, инфрақызыл, вакуумдық, рентгендік спектрлердің шашырауын, информацияны беру, өңдеу және сақтауды, сондай-ақ оларды әртүрлі процесстерді басқаруға қолдануды қарастырады. Бұл электрониканың ғылымда, техникада, күнделікті тұрмыста кеңінен қолдануына саяды.
Электроника вакуумдық, қатты денелік және кванттық болып бөлінеді. Қатты денелік электрониканың негізгі бөлімі жартылай өткізгіштер, олардың қасиеттері мен қолданылуы жайлы ілім болып табылады, сондай-ақ жартылай өткізгішті приборларға диодтар, транзисторлар, тиристорлар, оптондар, әсіресе, ЭВМ-ге негізделген интегралдық схемаларды пайдалану әдістері енеді.
Қазіргі күндері сандық қондырғылар аналогты қондырғыларды ысырып, техникада өз орнын тауып келеді. Бұл күндері сандық қондырғылардың ішінде көптеп қолданылатын түрлеріне: триггерлер, мультиплексорлар, демультиплексорлар, шифраторлар, дешифраторлар, санағыштар, сумматорлар жатады.
Сандық қондырғылар аналогты қондырғылардан айырмашылығы мұнда сиганлдар аналогты сандақ түрлену құрылғысынан және сандық индикаторлардан тұрады. Аналогты сандық түрлену процесі өзі үш кезеңнен тұрады. Бірінші процесс дискреттеу процесі, екінші процесс квантталу процесі болса, үшінші процесс кодталу процесс болып табылады. Яғни мұнда қарапайым сигнал екілік сан түрінде түрленіп, сандық индикаторлар арқылы позициялық сан түрінде беріледі.
1 ДешифраторШифратор - импульстерді кодтауға (шифрлауға), яғни берілетін пәрмендерді (мысалы, ракетаға) шартты белгілерге (сигналдарға) айналдыратын телебасқарушы және телеөлшегіш кондырғылардың тасымалдаушы негізгі блоктарының бірі. Қабылдағыш кемерлік аппаратура берілген импульстің қай пәрменге жататынын ажыратуы үшін соңғысы белгілі ара қашықтықта, әрбір пәрмен үшін қатаң тіркеспен берілуі тиіс. Шифраторға сондай-ақ нөсер разряды мен немесе қарсыластар туғызатын өндірістік кедергілер мен радиокедергілер әсер етуі мүмкін. Кемердегі қабылдагыш шифрлаған командалар дешифраторға түсіп, анықталады.
Шифратор (Ш) функцияны орындайды, керіні дешифраторларға: сигналды аударады, берілген бір кіруге, шығатын паралельді екілік кодқа. Ш мүмкін бастысызбен, егер тек қана беру рұқсат етілсе бірдің белсенді сигналдың және мүмкін бастымен, егер кірулерге белсенді сигналдар бір уақытта бірнеше беру рұқсат етілсе. Шпен бастысыз мына нөмір екілік эквивалентіне белсенді кіру ондық нөмір өзгертуі жүзеге асырады. Шпен бастыда мына нөмір екілік эквивалентіне белсенді кіру барынша көп ондық нөмір өзгертуі шығарылады. Орындау және Шпен бастысыз шартты белгілеу 6 суретте келтірілген.
Берілетін ақпаратты бөгде адамға түсініксіз болатындай ету (кодтау) .
'''Дешифратор''' (lang-frdechiffrer - шешу) - байланыста ұшақтарда, телебасқаруда тек дұрыс кодталған сигналдар мен пәрмендерді қабылдауға, сондай-ақ оларды [ракетанын, ұшақтын] атқарушы орғандарына әсер ететін сигналдарға айналдыруға арналған құрал. Қабылдаушы кондырғыға түсетін көптеген электр импульетерінін ішінен дешифратор тек белгілі бір импульстер жиынтыгын кабылдайды. Атмосфералық разрядтар мен қарсыластар жасаған кедергілер дешифраторға әсер етпейді және оларды атқарушы орғандарга жібермейді
Дешифратор - кірістеріндегі сигналдар комбинациясының әрқайсысына шығыстарының тек қана біреуінде сигнал сәйкес келетін комбинацяилық логикалық схема. Дешифраторлар басқарушы жүйелерде кірістердегі сигналдар комбинациясына байланысты. Осы және басқа тізбектерге басқарушы әрекеттерді беру үшін қолданылады. Сонымен қатар дешифраторлар кодтарды түрлендіруде мысалы, екілікті немесе екілік оңдықты оңдыққа түрлендіруде кең қолданылады. Дешифратор газ разрядты индикаторлармен жұмыс істеугне арналған. Дешифраторға кері функцияны атқаратын құрылғы шифратор немесе кодер деп аталады.
Дешифратор (ДШ) шығуда томға белсенді сигналға кірулерде екілік код қайта құрады, қайсы нөмір кірулерде екілік код ондық эквивалентіне бірдей. Толық дешифраторда шығуларының санын m=2 n , қайда n - кірулердің саны. Толық емес ДШ m<2 n . Анықтамамен ДШпен толық шығатын кисынды функциялардың 2 n тиісті генерациялау, айқындардың барлықтардың терімдерде n - кіріс өзгергіштердің. n=2 және m=4 ДШты қарап шығамыз (сурет 2), сонымен қатар «2 в 4» аталатын дешифратор және шығуларының рұқсат кіруімен сигнал ОЕ қосамыз. ДШ шартты белгілеуі 3 суретте келтірілген. Сигнал белсенді деңгейімен түзулерді кірулерде/шығуларда 1 болады ал инверстіктерді - 0.
ДШ жұмысын түсіндіреміз: ОЕ=0 сигнал уақытқа әрекеттері Х 0 , Х 1 кіріс сигналдарының мағыналарының шығулар Y 0 , Y 1 , Y 2 , Y 3 нольге бірдей, яғни шығулар «тиым салынған». Қашан ОЕ = 1 Y 0 , Y 1 , Y 2 , Y 3 шығулар тек қана өзгергіштердің тәуелді болады. Егер Х 0 , Х 1 =10, не ондық екіге сай болады, екінші И-НЕ элемент кірулерінде талапқа 3 логикалық “1” жиналады. Y 2 = 1 сигналы.
1. 1 Екілік дешифраторларДешифратордың шығысында кіріс екілік кодқа тәуелді шығыс тізбегінен бір тек қана біреуі қозғалады. n кірісі бар екілік дешифратордың n-разрядты екілік кодта әртүрлі комбинация мәндеріне сәйкес келетін 2 n шығыстары болуы керек.
- - Сурет. Дешифратордың шартты белгісі (а) және (б) схемасы
Дешифраторлардың шартты белгілерінде DC әріптері көрсетіледі (ағылшынша Decoder) . Дешифратор кірістері оларды екілік салмақпен белгілеуге қабылдаған. Дешифратордың ақпараттық кірісінен басқа, EN (Enable) деп белгіленетін бір немесе бірнеше кірістері болады.
. .
Стандартты дешифраторлардың аз разрядтылығы олардың разрядтылығын өсіру талабын қояды. Ол үшін кіріс сөздер өрістерге бөлінеді. Кіші разрядты өріс разрядтылығы дешифратор кірістерінің сандарына сәйкес келеді. Қалған үлкен разрядтар өрісі кіші разрядтар өрісінің кодын шешетін дешифраторлардың біреуінен жұмыс істеуге сигналдар алу үшін қызмет етеді.
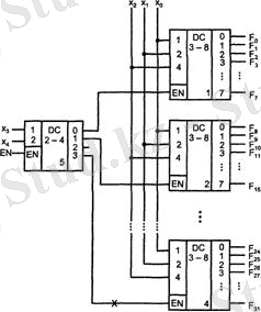
Мысал ретінде, 2-суретте «3-8» және «2-4» дешифраторлары көмегімен бес разрядты екілік код дешифрация схемасы келтірілген.
- - Сурет. Дешифратор көлемінің өсу схемасы
Керекті 32 шығысты алу үшін «3-8» дешифраторының төртеуінен бағана құрылады. «2-4» дешифраторы кіріс кодының екі үлкен разрядын қабылдайды. Осы дешифратордың қозғалған бірлік шығысы бағананың бір дешифраторын оның кіру рұқсатымен ашады. Бағанадан алынған дешифратор кіріс сөздің үш кіші разрядының шифрын шешеді. Әрбір кіріс сөзге тек бір шығыстың қозғалысы сәйкес келеді.
Мысалы, х 4 х 3 х 2 х 1 х 0 = 11001 2 = 25 10 сөзін шешу кезінде дешифратор кірісінің бірінші белдеуінде оның шығысын үшінші нөмірге қозғалтатын 11 коды бар, ол DC4 жұмысына мүмкіндік береді. DC4 кірісінде 001 коды әсер етеді, сол себепті, бірлік оның бірінші шығысында пайда болады.
Схемалардың жұмысына рұқсат пен тиым бірінші белдеу дешифраторының EN кірісі бойынша жүзеге асады.
2 Мультиплексорлар мен демультиплексорлар
Мультиплексорлар бір кіріс каналдарын шығысқа басқарушы сөз басқаруымен қосуды жүзеге асырады. Арналардың разрядтығы әртүрлі болғандықтан, көп разрядты сөздер коммутациясына арналған мультиплексорлар бір разрядтылардан құралады.
- - Сурет. Мультиплексор моделі (а) және ЖӘНЕ-ЕМЕС элементтеріндегі мультиплексор схемасы (б)
Мультиплексор кірістері екі топқа: ақпараттық және мекен-жайлық болып бөлінеді. Мультиплексор жұмысын көп позициялы кілттер көмегімен оңай көрсетуге болады (3, а суретті қара) . Мекен-жайлық А коды айырып-қосқышқа F шығысты х i ақпараттық кірістің біреуімен қосып, нақты дәреже береді.
Нөлдік мекен-жайлық кодта айырып-қосқыштар х о жоғарғы дәрежеге ие, кодты бірлікке көтеріп, көрші дәрежеге х 1 өтеді.
Мультиплексор жұмысы былай көрсетіледі
.
Мекен-жайлық кодтың кез-келген мәнінде барлық буындардың біреуінен басқасы нөлге тең. Нөлдік емес буын х j тең, мұндағы: j - ағымдағы мекен-жайлық кодтың мәні.
Сұлбатехникалық мультиплексор айырып-қосқыш көрсеткішінің электронды версиясынан ерекшелігі оның біржақты мәліметтер таратуын ескере отырып, жүзеге асырады. 3, б суретте төрт ақпараттық, екі мекен-жайлық және Е жұмысқа рұқсат кірістері бар мультиплексор көрсетілген. Жұмысқа рұқсат болмаған кезде (Е = 0) F шығысы ақпараттық және мекен-жайлық сигналдарға тәуелсіз түрде нөлге айналады.
2. 1 Мультиплексордың құрылымы. Жұмыс істеу принципіЦифрлық құрылғыларда кейде цифрлық ақпаратты m құрылғыдан n құрылғыға беруде канал ретінде пайдаланылады. Бұл үшін каналдың кірісінде мультиплексор деген құрылғыны қолданып, Am кодының адресіне m ақпараты қосылып, ал шығысында DM канал құрылғысы қабылдағышқа ақпараттың келуін қамтамасыз етеді, оның цифрлық адресі An. Компьютерлік сұлбатехникасында қарастырсық: мультиплексор цифрлық сигналдың түйіншегі, m адрестік кірісінен ортақ шығысына арналған коммутация болып саналады.
Бұл суретте мультиплексордың жұмыс істеу принципі көрсетілген.
Басқаша айтқанда мультиплексорлар бірнеше кіріс шиналардан бір шығыс шинаға түсетін сигналдарды берілген ретімен коммутациялау үшін пайдаланылады. Мультиплексордың, мысалы, 16 кірістер 3 мен 1 шығысы болуы мүмкін. Бұның мағынасы мынада: егер бұл кірістерге цифрлық сигналдардың 16 қайнар көздерін, яғни ретімен келетін цифрлық сӛздердің генераторларын қоссақ, онда кез келген генераторлардың байттарын жалғыз бір шығысына беруіне болады. 16 арналардың ішінен кез келген арна үшін селекцияның 4 кірісі (24=16) болуы тиіс, бұл кірістерге арнаның екілік адрес беріледі. Мысалы, мәліметтерді арнадан беруі үшін селекцияның кірістерінде 1001 кодын орнатуы керек. Осыған байланысты, мультиплексорларды селектор-мультиплексорлар деп жиі атайды.
Мультиплексорлар, мысалы, МП І8088 құрылғыда адресы мен мәліметтерді бірдей шығыстарына беру үшін пайдаланылады. Бұл микросұлбалардың шығыстарының жалпы санын азайтуға мүмкіншілік береді. Басқарудың микропроцессорлық жүйелерінде алшақтық объектілерінде орнатылған бергіштерден (датчиктерден) ақпаратты бір байланыс сызығы бойымен беруі үшін де мультиплексорларды пайдаланады. Екі арналы мультиплексор НЕМЕСЕ, ЕМЕС және екі ЖӘНЕ бөлшектен тұрады (1 сурет) . Екі арналынған мультиплексорды логикалық түрлендіргіштің көмегімен модельдеу нәтижесінде оның шығыс сигналы келесі өрнекпен бейнеленіледі: OUT = BC`+AC. Яғни адрес бар кіріс С =0 болған жағдайда, сигнал В арнадан шығысына кетеді, ал С =1 боған жағдайда, сигнал А арнадан шығады. Бұл мультиплексор жұмысынығ логикасына сәйкес келеді.
Мультиплексорлар дешифраторадресін өзіне қосады. Дешифратордың сигналын логикалық винтиьдер басқарады және де олар тек ақпараттың біреуі арқылы өтуіне рұқсат береді.
Мультиплексор дешифратордың логикалық ЖӘНЕ, НЕМЕСЕ деген элементтерден тұруы мүмкін.
2. 2 Демультиплексордың құрылымы. Жұмыс істеу принципіДемультиплексор (Demultiplexer) - мультиплексор орындайтын операцияға қарама-қарсы жұмыс істейтін құрылғы, яғни берілген жұмыс алгоритміне байланысты топтық ағынды бірнеше арналарға бөледі.
Кейде мультиплексор мен демультиплексорларға селектор терминінде қолданнады.
Егер шығыс санымен пен кіріс адресінің арасында n=2m дәрежесі мен арақатынасы үшін ол екілік демультиплексор немесе n=3m дәрежесі үшін үштік демультиплексор болса, онда мұндай мультиплексорларды толық деп атайды. Егер n мен m кіші болса онда мұндай демультиплексорладры толық емес деп атайды.
... жалғасы- Іс жүргізу
- Автоматтандыру, Техника
- Алғашқы әскери дайындық
- Астрономия
- Ауыл шаруашылығы
- Банк ісі
- Бизнесті бағалау
- Биология
- Бухгалтерлік іс
- Валеология
- Ветеринария
- География
- Геология, Геофизика, Геодезия
- Дін
- Ет, сүт, шарап өнімдері
- Жалпы тарих
- Жер кадастрі, Жылжымайтын мүлік
- Журналистика
- Информатика
- Кеден ісі
- Маркетинг
- Математика, Геометрия
- Медицина
- Мемлекеттік басқару
- Менеджмент
- Мұнай, Газ
- Мұрағат ісі
- Мәдениеттану
- ОБЖ (Основы безопасности жизнедеятельности)
- Педагогика
- Полиграфия
- Психология
- Салық
- Саясаттану
- Сақтандыру
- Сертификаттау, стандарттау
- Социология, Демография
- Спорт
- Статистика
- Тілтану, Филология
- Тарихи тұлғалар
- Тау-кен ісі
- Транспорт
- Туризм
- Физика
- Философия
- Халықаралық қатынастар
- Химия
- Экология, Қоршаған ортаны қорғау
- Экономика
- Экономикалық география
- Электротехника
- Қазақстан тарихы
- Қаржы
- Құрылыс
- Құқық, Криминалистика
- Әдебиет
- Өнер, музыка
- Өнеркәсіп, Өндіріс
Қазақ тілінде жазылған рефераттар, курстық жұмыстар, дипломдық жұмыстар бойынша біздің қор #1 болып табылады.

Ақпарат
Қосымша
Email: info@stud.kz