Қуат көздері


Қазақстан Республикасының Білім және Ғылым Министрлігі
Торайғыров университеті
Энергетика және компьютерлік ғылымдар факультеті
Электротехника және автоматтандыру кафедрасы
КУРСТЫҚ ЖҰМЫС
Пәні Аналогты құрылғылардың электроникасы мен схемотихникасы
Тақырыбы Қуат көздерін есептеу
(баға)
Комиссия мүшелері
кафедра меңгерушісі
(қызметі, ғылыми дәрежесі)
Нефтисов А. В
(аты-жөні)
(қолы) (күні)
(қызметі, ғылыми дәрежесі)
(аты-жөні)
(қолы) (күні)
Нормабақылаушы
(қызметі, ғылыми дәрежесі)
(аты-жөні)
(қолы) (күні)
Жетекшісі
қауымдастырылған профессор,
доктор PhD
(қызметі, ғылыми дәрежесі)
Бектасова А. А.
(аты-жөні)
(қолы) (күні)
Студент
Оразтай Мақсат
(аты-жөні)
(қолы) (күні)
РЭжТ-201
(топ)
2020
Мазмұны
Кіріспе
Электр энергетикасы-электр энергиясын ұтымды өндіру және бөлу негізінде ел шаруашылығын электрлендіруді қамтамасыз ететін энергетиканың прогрессивті құрамдас бөлігі. Электр энергиясының басқа түрлердің энергиясынан артықшылығы бар-алыс қашықтыққа оңай беру, тұтынушылар арасында бөлу.
Көптеген кітаптарда тұрмыстық құрылғыларға арналған қуат көздері аталған немесе олардың бар екендігі айтылған. Жаңа ойнатқыш, радио, теледидар немесе бейнекамера сатып алғанда алдымен не істейміз? Ең алдымен, біз олардың қуат көздерімен айналысамыз.
Егер олар автономды болса, онда полярлықты сақтай отырып, батареяларды құрылғының корпусына салыңыз, содан кейін ғана оны қосыңыз. Егер құрылғы батареялармен жұмыс жасаса, оларды алдымен зарядтау керек (және, мүмкін, пішімдеу керек), содан кейін ғана оны құрылғыға салу керек.
Егер сіздің құрылғыңыз электр желісінен жұмыс істейтін болса, қуат сымын розеткаға қосып, құрылғыны қоспас бұрын, электр желісіндегі кернеу таңдағыштың дұрыс күйге келтірілгенін тексерген жөн.
Бір сөзбен айтқанда, біз ең алдымен қуат көздерімен бетпе-бет келеміз! Барлық тұрмыстық аудио және бейне құрылғыларына қуат көзі қажет.
Транзисторларды және олардағы интегралдық микросхемаларды қуаттамай, белсенді құрылғылар деп аталатын электрлік сигналдарды күшейте алатын электронды құрылғылар ойлап табылмайынша, мәңгілік қозғалтқыш ойлап табу мүмкін болмады. Аудио және видео құрылғыларының кез-келген қолданушысы осы қарапайым шындықты білуі керек.
Қуат көздері:
- өздігінен жұмыс істейтін құрылғы;
- біріккен қоректендіру көзі бар құрылғы;
- электр желісімен жұмыс жасайтын құрылғы.
1 Қуат көздері
Әр түрлі электр құрылғыларының жұмысы үшін тұрақты кернеудегі электр энергиясының көздері (қуат көздері) қажет. Бастапқы қуат көзінің айнымалы кернеуін (мысалы, өнеркәсіптік айнымалы ток желісі) тұрақты кернеуге түрлендіру түзеткіштердің көмегімен жүзеге асырылады. Түзеткіш блогы бар түзеткіш құрылғылар дискретті элементтерде де, интегралды схемаларда да, электр жетегінде де, электролиз қондырғыларында да көптеген электронды құрылғыларды қуаттандыру үшін қолданылады.
Оған мыналар кіреді: түзеткіштің шығысындағы кернеудің қажетті мөлшеріне сәйкес желіден алынған айнымалы кернеудің мөлшерін өзгертетін Тр - трансформатор; В - бір немесе бірнеше клапандардан (диодтардан) тұратын түзеткіш; СФ - түзетілген кернеудің пульсациясын төмендететін тегістейтін сүзгі; Ст - жүктеме құрылғысындағы тұрақты кернеуді қолдайтын тұрақтандырғыш; Н - жүктеме құрылғысы (мысалы, жүктеме резисторы) .
1-сурет -Қуат көзінің құрылымдық схемасы
Түзеткіш құрылғыға қойылатын талаптарға байланысты оның жеке элементтері болмауы мүмкін. Түзеткіштер басқарылатын және басқарылмайтын. Басқарылатын түзеткіште, атап айтқанда, электр жетегінде, құрылымдық схемада түзетілген кернеуді реттеу элементтері де қарастырылған.
Фазалардың санына сәйкес бір фазалы және көп фазалы (әдетте үш фазалы) түзеткіштер бөлінеді. Қуат тұрғысынан олар шағын, орташа және жоғары қуатты түзеткіштерге бөлінеді. Төмен қуатты түзеткіштер әдетте бір фазалы, ал орташа және үлкен үш фазалы.
Түзеткіш келесі негізгі параметрлерді сипаттайды: жүктемедегі орташа түзетілген кернеу U, тұтынушының талаптарымен анықталған орташа ток, шығысындағы пульсация коэффициенті.
Алынған Uобрm, Іаm және Іаср мәндері диодтың тиісті шекті параметрлерінен аспауы тиіс.
Талдау жұмыс түзеткіштердің кезінде жүргізеді жолсыздықтар, бұл диод (вентиль) және трансформатор мінсіз. Бұл:
а) вентиль вентельдің тура бағыттағы кедергісі нөлге тең болғанда, ал керісінше - шексіз үлкен болғанда өте қолайлы,
б) трансформатор орамаларының белсенді және индуктивті шашырау кедергісі нөлге тең болған кезде өте қолайлы.
Түзеткіштің жұмысы уақытша диаграммаларды қолдану арқылы қарастырылады.
Қуат көздерінде барлық электронды құрылғылар болуы керек.
Егер құрылғы портативті болса, онда батарея немесе батарея қуат көзі ретінде пайдаланылуы мүмкін. Мысалдар-ұялы телефондар, сағаттар және т. б.
Тұрақты құрылғыларда қуат көзі ретінде түзеткіштер қолданылады.
Жоғарыда айтқанымыздай, пәтер розеткасындағы кернеу 220 В айнымалы болып табылады. электрондық құрылғылар элементтерде жасалады, олардың көпшілігі жұмыс үшін 220 В-тан төмен немесе кейде жоғары тұрақты кернеуді қажет етеді.
Бұл міндеттерді қуат көздері шешеді немесе оларды қуат көзі деп те атайды. Қуат көздерінің негізгі компоненттері: трансформаторлар, түзеткіштер, сүзгілер, тұрақтандырғыштар, шамадан тыс жүктемелерден қорғау схемалары.
Трансформатор 220V желісінің айнымалы кернеуін қажетті шаманың айнымалы кернеуіне, мысалы, 12V түрлендіреді.
Түзеткіш айнымалы кернеуді тұрақты кернеуге айналдыруға арналған.
2-сурет -Қарапайым (бір жартыпериодты) түзеткіш схемасы
Оң жарты толқын болған кезде, А плюс нүктесінде, В минус нүктесінде диод ашық және жүктеме арқылы ток өтеді. Теріс жартылай толқынмен, қосу Внүктесінде, ал Анүктесінде минус. Диод жабық, жүктеме арқылы ток ағып кетпейді.
3-сурет - Екі жартыпериодты түзеткіш схемасы
Трансформатор орамасында оң жарты толқын болған кезде, Аплюс нүктесінде, Внүктесінде минус болады. Ток А нүктесінен D2 диоды арқылы, R жүктемесі арқылы және D4 диоды Внүктесіне дейін ағады.
Трансформатор орамасындағы теріс жартылай толқын кезінде, Внүктесінде плюс, ал А нүктесінде минус. Ток Внүктесінен D3 диоды арқылы D1 диодының R жүктемесі арқылы Анүктесіне өтеді. Көріп отырғаныңыздай, оң және теріс жартылай толқынмен R жүктемесі арқылы ток жоғарыдан төменге қарай бір бағытта өтеді. Оң жарты толқынмен D2 және D4 диодтары ашылады, ал D1 және D3 диодтары құлыпталады. Теріс жартылай толқынмен D1 және D3 диодтары ашылады, ал D2 және D4 диодтары құлыпталады.
Жартылай толқын түзеткіші жарты толқын түзеткішімен салыстырғанда жүктемеге екі есе көп қуат бере алады.
Жоғарыда келтірілген түзеткіштердің шығысындағы кернеу бір полярлы, бірақ тұрақты емес. Кернеудің бұл түрі пульсация деп аталады. Бұл кернеу тұрақты болуы үшін пульсацияны тегістеу керек. Мұны істеу үшін түзеткіштің шығысында сүзгі қосылады.
Сүзгі конденсатордан, резистордан және конденсатордан, индуктивтіліктен және конденсатордан тұруы мүмкін және сәйкесінше C, RC немесе LC деп аталады .
Түзеткіштің шығысындағы рұқсат етілген ток неғұрлым көп болса, сүзгіде қолданылуы керек конденсатордың сыйымдылығы соғұрлым көп болады.
Пульсация толқыны өскен кезде конденсатор зарядталады, толқын құлаған кезде конденсатор таусылады және осылайша импульсті кернеуді графикте түзу сызық ретінде көрінетін тұрақты кернеуге айналдырады.
4-сурет - Фильтлі екі жартыпериодты түзеткіш схемасы
Қарастырылған түзеткіштердің негізгі кемшіліктері:
- шығыс кернеуінің кіріс өзгерісіне тәуелділігі. розеткадағы кернеу 10% аз болды делік. егер түзеткіштің шығысында 12 В болса, ол 10% - ға азаяды және 10, 8 В болады, бұл кейбір құрылғылар үшін қолайсыз.
- шығыс кернеуінің жүктеме тогына тәуелділігі, жоғары токтарда кернеу азаяды.
- жүктеме кезінде жоғары ток кезінде импульсті кернеуді тек сүзгілермен тегістеу тиімді емес. осыған байланысты күшейткіштердің динамиктерінде желінің жиілігі 50 Гц немесе одан көп айнымалы ток фоны естіледі, теледидардың кескінінде қара көлденең жолақтар және т. б. көрінеді.
- шамадан тыс жүктеме болған жағдайда түзеткіш элементтерін істен шығудан қорғау болмайды.
Қуат көзінің маңызды параметрі-қуат. Мысалы, 12 В пәтер қоңырауына арналған батарея бар және 12 В автомобиль аккумуляторы бар, олар кернеуде бірдей, бірақ мөлшері мен салмағы бойынша жүздеген есе ерекшеленеді. Себебі, автомобиль батареясының қуаты қоңырау батареясының қуатынан әлдеқайда көп.
12 В және 60 А/сағ автомобиль аккумуляторының қуаты шамамен 720 Вт, ал 12 В және 0, 25 А/сағ қоңырау батареясының қуаты шамамен 3 Вт құрайды. Аккумуляторларға, батареяларға және қоректендіру блоктарына қосылатын жүктеме қуаты олардың рұқсат етілген қуатынан аспауы тиіс. Құрылғы неғұрлым ұзақ жұмыс істесе, соғұрлым оның қуат көзі болуы керек.
Артық жүктемеу қоректендіру көздері болмайды. Қайта тиеу кезінде, олар беруге төмен кернеу, греться және саптан шығуға. Үлкен жүктеме кезінде қуат көздері жүктемені қажетті кернеумен қамтамасыз етпеуі мүмкін, нәтижесінде ол істен шығуы мүмкін.
2 Есептік деректер
2. 1 Екі еселенетін түзеткіштің есебі, тордан авто трансформаторлық қоректену кезіндегі кернеу
U но = 280 В, I 0 = 80А, U 1 = 127В, Kп вых = 0. 1%.
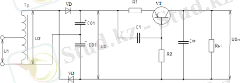
6-сурет- Кернеуі екі еселі түзеткіш схемасы
Кері кернеуді есептеу
Д211 диод:
В
Ш14 пластинасы:
Сүзгіні есептеу
... жалғасы
- Іс жүргізу
- Автоматтандыру, Техника
- Алғашқы әскери дайындық
- Астрономия
- Ауыл шаруашылығы
- Банк ісі
- Бизнесті бағалау
- Биология
- Бухгалтерлік іс
- Валеология
- Ветеринария
- География
- Геология, Геофизика, Геодезия
- Дін
- Ет, сүт, шарап өнімдері
- Жалпы тарих
- Жер кадастрі, Жылжымайтын мүлік
- Журналистика
- Информатика
- Кеден ісі
- Маркетинг
- Математика, Геометрия
- Медицина
- Мемлекеттік басқару
- Менеджмент
- Мұнай, Газ
- Мұрағат ісі
- Мәдениеттану
- ОБЖ (Основы безопасности жизнедеятельности)
- Педагогика
- Полиграфия
- Психология
- Салық
- Саясаттану
- Сақтандыру
- Сертификаттау, стандарттау
- Социология, Демография
- Спорт
- Статистика
- Тілтану, Филология
- Тарихи тұлғалар
- Тау-кен ісі
- Транспорт
- Туризм
- Физика
- Философия
- Халықаралық қатынастар
- Химия
- Экология, Қоршаған ортаны қорғау
- Экономика
- Экономикалық география
- Электротехника
- Қазақстан тарихы
- Қаржы
- Құрылыс
- Құқық, Криминалистика
- Әдебиет
- Өнер, музыка
- Өнеркәсіп, Өндіріс
Қазақ тілінде жазылған рефераттар, курстық жұмыстар, дипломдық жұмыстар бойынша біздің қор #1 болып табылады.

Ақпарат
Қосымша
Email: info@stud.kz