Дифференциальдық күшейткіш каскадтар


1. 1 Күшейткіштің туралы түсінік
Күшейткіш - қорек көзінен жүктемеге жүретін энергия ағынын басқаратын электронды қондырғы. Басқаруды талап ететін қуат жүктемеге берілген қуаттан көбінше аз, ал кіріс және шығыс (жүктемедегі) сигналдар формасы сәйкес . (1. 1-сурет)
1. 1-сурет. Күшейткіштің жүру жолы
Күшейткіштерді жіктеу. Барлық күшейткіштер келесі белгілер бойынша жіктеледі:
- күшейтілетін сигналдың жиілігі бойынша: ондаған герцтан ондаған немесе жүздеген килогерцті сигналдарды күшейту үшін арналған төменгі жиіліктегі күшейткіштер (ТЖК) ; бір немесе ондаған мегагерцтегі сигналдарды күшейтуге арналған кең жолақты күшейткіштер; жоғарғы жиілікті күшейткіштер; аралық жиілігті күшейткіштер; аралық жиілікті күшейткіштер, тұракты ток күшейткіштер, айнымалы ток күшейткіштер;
- күшейтілетін сигналдардың түріне байланысты:
гармоникалық сигналды күшейткіштер, импульсті сигналды күшейткіштер болып бөлінеді;
- күшейткіштің қызметіне байланысты: магнитофон, теледидар, өлшеу, - радиолакациялык; және т. б. күшейткіштер;
- колданылатын күшейткіш элементтеріне байланысты транзисторлы, лампылы, магнитті, диодты, микросхемалы және т. б. Бір күшейткіш элементінің күшейтуі тәжірибе жүзінде жеткіліксіз, сондықтан күшейткіштер бірнеше күшейткіш элементтерін пайдаланады, мұндай күшейткіштерді көпкаскадты күшейткіштер деп атайды. Күшейткіш қасиетін сипаттайтын және олардың, бұрмалану ендіру мәндерін олардың негізгі көрсеткіштері деп атайды. Олардың құрамына: шығыс және кіріс көрсеткіштері, күшейту коэффициенті, пайдалы әсер коэффициенті (ПӘК), жиілікті, фазалық және өту сипаттамалары, өздік бөгеу деңгейі, сызықсыздық тұрақтылық және сенімділік кіреді.
1. 2 Күшейткіштің түрлері
Дифференциалдық күшейткіш
Тұрақты тоқ күшейткіштері уақыт бойынша өте жәй өзгеретін сигналдарды, соның ішінде жиілігі нөлге тең, яғни тұрақты тоқ сигналдарын күшейтуге арналған. Міне, сондықтан ТТК-нің амплитудалы - жиіліктік сипаттамасы 12. 1-Суретте көрсетілгендей болады.
Тұрақты тоқ күшейткіштері электрондық моделдейтін машиналар мен кернеулерді цифрлық кодқа түрлендіргіштердің негізгі элементтері болып табылады. Сонымен қатар, электрлік және электрлік емес сигналдарды автоматтық түрде реттеуде және өлшеуіш құрылғыларда кеңінен қолданылады.
12. 1 - Сурет
Тұрақты тоқ күшейткіштерінің басқа күшейткіштерге қарағанда мынандай ерекшеліктері бар :
1) Каскадтар арасындағы байланыс элементтері реттеу реактивтік элементтерді (С, L, трансформаторды) қолдануға болады. Сондықтан әрбір каскадтың (екі көрші каскадтың) жұмыс нүктесін анықтайтын потенциалдар деңгейін бір - бірімен келістіру керек, сонымен қатар күшейтілетін сигналдар кезін күшейткішпен, ал ТТК - нің шығысын жүктемемен келістіру керек;
2) Дрейфке байланысты. Шығыс кернеудің кіріс кернеу жоқта, күшейткіштің ішіндегі процестер әсерінен туатын өзгерулерін күшейткіштің “ноль дрейфі” деп атайды. Абсолюттік ноль дрейфі - ∆U шығ др . , берілген уақыт аралығында тұйықталған кірісте, шығыс кернеудің максимальды өзгеруімен анықталады.
Дрейфдің себептері болып келесі тұрақсыздандыратын факторлар айтылады :
а) қоректену көзінің тұрақсыздығы;
б) ТТК-нің транзисторларының температураның өзгеруіне байланысты дрейфі;
в) схеманың элементтерінің біртіндеп ескіруінен болатын дрейф;
г) транзисторлардың эмиттерлерінің инжекциялық қасиеттерінің тұрақсыздығы.
Тұрақты тоқ күшейткішінің сапасын күшейткіштің кірісіне келтірілген дрейфтің кернеуімен (келтірілген дрейф деп аталады) бағалайды, яғни
U дрк = ∆U шығ др . / K u , мұнда K u - күшейткіштің кернеу бойынша күшейту коэффициенті.
Дрейфті азайту тәсілдері :
1) стабилизацияланған (тұрақтандырылған) қоректену көздерін қолдану;
2) терең теріс кері байланысты қолдану (дрейфтің барлық түрлерін азайтады) ;
3) жұмыс режимін термостабилизация жасайтын схемалар қолдану;
4) шектелген тұрақсыздығы бар ТТК схемаларын (жұп схемалар, параллельді ө балансты схемалар) қолдану.
5) тұрақты тоқ сигналдарын айнымалы тоқ сигналдарына айналдырып, күшейтіп алып, қайтадан тұрақты тоққа айналдыру схемалары (модуляция және демодуляция схемалары) .
Дифференциальдық күшейткіш каскадтар.
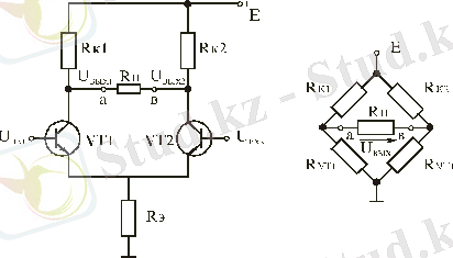
ТТК-ның дрейфін азайтудың шұғыл амалы - параллельді - байланысты (дифференциальдық) каскадтарды қолдану болып табылады. Дифференциальдық каскадтың қарапайым түрі 12. 2-Суретте көрсетілген. Балансты схема деп аталуы, бұл каскадтың шығыс тізбегі балансталған көпір болып табылады, оның бір диагоналына қоректену көзі қосылып, ал екінші диагоналына шығыс кернеу (3-4 нүктелерінің арасына) қосылады. Көпірдің бірінші екі иығындағы бірінеөбірі параллель резисторлар R K1 мен R K2 біріне-бірі шама жағынан тең де, ал екінші иығындағы біріне-бірі параллель екі транзистор көрсеткіштері бірдей болатындай етіліп тандап алынады. Сондықтан, жалпылай схема параллельді балансты деп аталады. Және схема өте симметриялы. Осындай резисторлары R K1 мен R K2 біріне-бірі тең, бірдей транзисторлары T 1 мен T 2 бар идеальды каскадта қоректену көзінің кернеу өзгеруі толығымен баланстанады да каскадтың шығу тізбегінде кернеу нольге тең болады. R э - резисторы транзисторлардың тоғын тұрақтандыру үшін қойылған. Дифференциальдық каскадтың кірісіне (1 және 2 нүктелері арасында) кіру сигналдары U кір1 мен U кір2 -лерді берсек, онда каскадтың шығысындағы кернеу (3 пен 4 нүктелерінің арасындағы)
U шығ = U к2 - U к1 = K д (U кір2 - U кір1 ) (39)
Мұнда K д - дифференциальдық сигналдыкүшейту коэффициенті. Сондықтан, каскадтың дифференциальдық деп аталуы: 1) ол тек қана дифференциальдық /айырмашылдық/ сигналдарды күшейтеді; 2) бірінші және екінші кірістер арасындағы сигнал кернеуінің айырмасын. U кір2 - U кір1 айырымы, 3) U кір2 мен U кір1 кернеулерінің белгілері әртүрлі болса, яғни фаза бойынша қарама-қарсы болса ғана өте үлкен болады, себебі бұл жағдай олардың абсолюттік мәндері қосылады : мұндай кіріс сигнал дифференциальдық кіріс сигнал деп аталады. Егерде, U кір2 мен U кір1 бірдей фазада болса, онда сигнал синфазалы деп аталады. Дифференциальдық каскадтың симметриялық кірісіне (1 және 2 нүктелер арасында) симметриялы синфазалы сигнал берсек, яғни U кір2 = U кір1 , онда олардың айырымы нольге тең болады да, симметриялық дифференциальдық каскадтың шығысында сигнал болмайды (бұл (1) формадан көрініп тұр) .
Сөйтіп, дифференциальдық каскад синфазалық сигналды әлсіретіп, дифференциальдық сигналды күшейтеді.
Бірақ, шындығында дифференциальдық каскад толығымен симметриялы бола алмайды, себебі дәлме-дәл бірдей R к1 мен R к2 -ны, көрсеткіштері тура бірдей T 1 мен T 2 транзисторларын таңдап алуға болмайды. Сондықтан, синфазалық сигнал бергенде дифференциальдық каскадтың шығысында кішкентай кернеу ∆U сф болады.
Синфазалық сигналды күшейту коэффициенті
K сф = ∆U сф / ∆U кір сф . (40)
Тұрақты ток күшейткіштерінде (ТТК-ларда) жаппай (барлық жерде) дерлік келесі бетте келтірілген схема қолданылады(12. 2-Сурет) .

Келесі транзисторлар: TR1 және TR2 арнайы бірдей сипаттамаларымен таңдап алынады. Әсіресе маңызды жағдай - бұл сипаттамалар температураның өзгеруі - мен бірдей өзгеруі тиіс. Егер күшейткіш (ТТК) дискретті компоненттер негізінде жиналатын болса, онда транзисторлар ерекшк ұқыптылықпен таңдап алынады да, температуралар теңдігін ұстап тұру үшін олар жылу әкеткіштермен қамтамасыздандырылады. Күшейткішті интегралыдқ түрде қалыптастырғанда сипаттамалар автоматты түрде дәлдеседі, ал температуралық тұрақтылық микросхеманың корпусымен қамтамасыздандырылады.
12. 2-Сурет Тұрақты токтың диффиренциялдық күшейткіші.
Интегралдық технология ыңғайымен жоғарыда айтылған мәселелерді шешудің нәтижесінде V be кернеудің өзгерістері коллекторлық кернеудің бірдей өзгеруіне келтіреді. Ал, егер R 3 -резисторды шамасы тұрақты ток көзі ретінде қарастырсақ, онда коллекторлық токтарға және кернеуге ештеңе әсер етпейді десе де болады. Оның үстіне, TR1 және TR2 транзисторлардағы жүретін өзгерістердің бәрі болатындықтан дифференциялды шығыс кернеу өзгеріссіз болып қала береді.
Бастапқы токтың (коллектор тогының) өзгерулері транзисторлардың екеуіне де бірдей болатындықтан шығыс кернеуінің айтарлықтай өзгерісіне келтірмейді.
ТТК-ның кірістеріне амплитудасы және фазасы бойынша бірдей екі кіріс сигналдары келіп түссін делік. Бұл сигналдар транзистордың екеуінде де коллектор тогының бірдей өзгеруін береді, ал бұның нәтижесінде шығыс кернеуі нөлге тең болып шығады. Егер кіріс сигналдар айырмашылықта болса, коллекторлық тоқтар да айырмашылықта болады. Бұл жағдайда шығыс кернеу екі кіріс сигналдар кернеулерінің күшейтілген айырымы болып табылады. Міне сондықтан да бұл күшейткіштер дифференциялдық деп аталады.
Дифференциалдық күшейткіштің (ДК-ның) маңызды сипаттамасы келесі. ДК дифференциалдық сигналды, яғни кірістегі кернеудің айырымын, (кіріс сигналдың өздерін емес) күшейту қабілеті.
Мысалы, V 1 =0. 1мB, V 2 =0B, V out =50мВ болсын делік. Дифференциалдық сигналдың күшейту коэфиценті келесі болып шығады:
A d = 50/0. 1=500
Егер кіріс кернеулерінің шамалары 1 мВ- ке өссе: V 1 =1. 1мВ, V 2 =1мВ шығыстағы кернеудің шамасы келесіге тең болып шығады: V out =52мВ. Олай болса синфазалық кіріс сигналдың күшейту коэффиценті келесіге тең:
A c =(52-50) /1=2
ДК-нің дифференциялдық сигналдарды күшейту және синфазалы сигналдарды басу қабілеті синфазалы сигналды бәсеңдету коэфиценті (ССБК) деп аталады да, келесі өрнекпен анықталады:
ССБК=A d /A c
Жоғарыда қарастырылған күшейткіштің ССБК-сы 250-ге тең. Интегралдық ДК-лардың ССБК мәндері үлкен болатындықтан оларды деңибеллдермен беріледі.
Мысалы, 741 тобырының операциялық күшейткішінің ССБК-сы 90дБ
ССБК-ны жақсарту үшін 12. 2-Суретте көрсетілген R3 резистордың сипаттамаларын шамасы тұрақыты болып тұратынток генераторының сипаттамаларына жақындату керек. Бұны ток генераторының кедергісін арттыру жолымен орындауға болады, себебі кедергінің өсуі теріс қоректендіру кернеуінің абсолют мәнінің өсуіне келтіреді. Әдетте ТТК-ның қоректендіру кернеуі ±15В болады да, бұл шама практика жүзінде R3 резистор кедергісін өсіру мүмкіндігін шектейді.
ССБК-ның жақсартылуын келесі әдісті қолданып орындауға болады. Эмиттерлік тізбектегі R3-резисторды 8-Суретте көрсетілгендей транзисторлық тоқ көзімен алмастырып та орындауға болады.
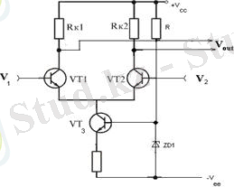
12. 3-Сурет ССБК-сы үлкен дифференциялды күшейткіш(ДК)
ZD 1 -стабилитрон TR 3 -транзистордың эмиттеріндегі кернеуді беріп тұрады. Бұл транзистордың коллекторлық тоғы дифференциалдық жұптың транзисторларының эмиттерлеріне келіп түседі. Егер транзисторлық дифференциалдық жұптың эмиттерлеріне шамасы(мәні) тұрақты ток түсіп тұрса ССБК-ның өте жоғары дәрежесіне жетуге болады.
Трансформаторсыз қуат күшейткіші
Транзисторлы қуат күшейткіштерінде төменгі Омды жүктемені және шығыс кедергіні келістіру үшін трансформаторды қолданбаса да болады (5. 21-сурет) . R ж жүктеме резисторы СЗ бөлгіш арқылы қосылған (оны, сонымен қатар, оң полюсті қорек көзіне де қосуға болады) . U 0 кернеуі қореқ кернеуінің жартысын, яғни Е к құрайды. Е к кернеуіне дейін зарядталған СЗ конденсаторы VT 1 транзисторы жабық, ал VT 2 транзисторы ашық болғанда, В немесе АВ режиміндегі қорек көзі ретінде де қолданылады. Мұндай схеманы қарапайым қуат күшейткіштеріне пайдаланады.
Бір өткізгіш түрдегі транзисторды басқару үшін тең және қарама-қарсы фазалы сигналдар қажет. Сонымен қатар, VT V транзисторы ортақ коллектормен, ал VT транзисторы ортак; эмиттермен қосылған, сондықтан VT 2 транзисторының кіріс кедергі шамасы VT х транзисторымен салыстырғанда біршама үлкен.
5. 21-сурет. Бір қорек көзді трансформаторсыз екі тактілі каскадты қуат күшейткіші
Кеңалқапты каскад және арнайы қызметтегі каскад
Кеңалқапты күшейткіштердіц ерекшеліктері
Кеңалқапты күшейткіштер дыбыстың жиілікті кейбір спецификалық ерекшеліктерімен ажыратылады.
Себебі, кеңалқапты күшейткіштерде электрлік сигналдарды өте кең жиілік жолағына күшейтуді талап етеді - бірлік немесе ондық герцтен бірнеше мегагерцке дейін оларда резисторлы каскад қолданылады (жиіліктік, фазалық және өту сипаттамалары) . Тегістеуіш кеңалқапты каскадтар гармоникалық сигналмен коса импульсті сигналды да күшейтуге қолданылады. Кеңалқапты күшейтуде жоғарғы жиілікті деп аталатын, транзисторлар пайдаланылады, олар ток беру коэффициентінің жоғарғы жиілік шамасы немесе кіріс эквивалентті сыйымдылығы аз және үлкен ТІКТІЛІК сипаттамасы бар арнайы экрандалған шамдарға ие. Кеңалқапты каскадтағы транзисторлар, әдетте ортақ эмиттерлі немесе бастау, ал шамдар - ортақ катодты болып қосылады.
Өткізу алқабының ʄ x жоғарғы шекарасының жоғарғы мәнімен байланысты кеңалқапты күшейткіштің ерекшеліктерін қарастырайық. Жиілік өткізу алқабын үлкейту үшін (f x көбеюі үшін) коллекторлы R немесе анодты жүктеменің резисторын азайту керек. Бірақ R азайғанда каскадтың күшейту коэффициенті төмендейді, сондықтан кеңалқапты каскадтарда f ж жоғарғы жұмыс жиілігіне қарағанда күшейту коэффициенті аз болады. К ор аз шамасы тиімсіз, себебі бұған байланысты күшейткіштің каскад саны да көбейеді, ол өз алдына күшейткішті күрделендіріп, жұмыс сенімділігін төмендетеді. Сондықтан кеңалқапты каскадтың сапасын сипаттайтын маңызды көрсеткіші К о орта жиілік аймағындағы кернеу күшейту коэффициентінің жоғарғы жиілік шекарасына f жш туындысы болып табылады, жиіліктік сипаттаманың пропорционалдық ауданын П деп, каскадтың күшейту ауданы:
П꞊К ор ʄ жш
Күшейту ауданының каскадта қолданылатын күшейткіш элементі және оның жүктеме кедергісіне тәуелділігін қарастырайық. Өрісті транзисторлы немесе электродты шамды резисторлық каскадты күшейтудің ауданын анықтауға болады:
Алынған мән - өрісті транзисторлы немесе электродты шамды кеңалқапты резисторлық каскадтың күшейту ауданы, оның жүктеме кедергісіне байланысты еместігін көрсетіп тұр, ал сипаттаманың тіктілігімен S және сыйымдылығымен С 0 анықталады. R»Я экаж каскадының жүктеме кедергісін төмендеткенде, күшейту коэффициенті жоғарғы шекаралык; жиілік неше есе өссе, сонша есеге төмендейді, сондықтан олардың туындысы түрақты болады. Осыдан шығады:
К ор ꞊Пt y / 0. 35꞊П/ f жш яғни неғүрлым каскадтың күшейту ауданы үлкен болса, соғүрлым ол берілген жүмыс жиілікте неме-се уақытта күшейту коэффициентін көп береді. Біраң үлкен тіктілікті сипаттамалары бар күшейту ауданы үлкен піамдар, үлкен анодты токқа және қуатқа ие.
Сондықтан, кеңалқапты каскадтағы қорек энергиясының шығынын азайту үшін қажетті күшейтуді және сигнал амплитудасын қамтамасыз ететін, аз энергияны тудыратын транзисторды немесе шамды алу қажет. Қазіргі кездегі кеңалқапты шамдардың өрісті транзисторларға қарағанда күшейту ауданы өте үлкен, бірақ шамды каскад қыздырма қуатын есептегенде қорек көзінен 1-2 Вт тұтынады, ал өрісті транзисторлы каскад тогы 5 мА, қорек кернеуі 8 В кезінде небәрі 0, 04 Вт тұтынады, яғни 25- 30 есе аз.
Биполярлы транзисторлық каскадта жоғарғы шамадағы жүктеме кедергісін азайтқанда, күшейту де азаяды да, өрістік транзисторлы каскад сияқты жоғарғы шекаралық жиілік көтеріледі.
Жүктеме кедергісі 100 Ом және одан жоғары болғанда, биполярлық транзисторлы каскадты күшейту ауданы:
Жоғарғы жиілікті биполярлы транзисторлардың күшейту ауданы кеңалқапты шамдарға қарағанда бір-екі есе көп; бірақ жүктеменің аз кедергісінде (ондың Ом және одан аз), база кедергісінің әсерінен күшейтудін, төмендеуіне қарағанда жоғарғы шекаралық жиілік баяулап өседі, сондықтан R = 0 кезінде О-ге ұмтыла отырып, күшейту ауданы азаяды.
Биполярлы транзистордың күштілігі аз кеңалқапты каскадтың қорек энергиясының шығыны өрістік транзисторлы каскад қақарағанда біршама төмен. Сондықтан күшейту және қорек энергиясының шығынына байла-нысты кеңалқапты күшейту үшін ең жақсы күшейту элементі биполярлы транзистор болып табылады. Кеңалкапты күшейту үшін, әдетте резисторлы каскадты қолданады, себебі оларда жиіліктік жөне өту сипаттамалары жақсы; күшейтілетін каскадтың кеңдігін көбейту үшін және жиіліктік, өту сипаттамаларының формасын өзгерту үшін кеңалқапты каскадтарда қосымша тізбектер қолданылады, олар тегістеуші тізбек немесе тегістегіш тізбек болады.
Төменгі жиілік аймағында жиіліктік сипаттаманы және жоғарғы уақыт аймағында өту сипаттамаларын өзгертетін тізбек төменгі жиілікті тегістеу тізбегі деп аталады, ал жиіліктік сипаттаманы жоғарғы жиілікте және өту сипаттамасын төменгі уақыт аймағында өзгертсе - жоғарғы жиілікті тегістеу тізбегі.
Жоғарғы жиілікті тегістеу тізбегін қолдану жоғарғы жиілік аймағында орта жиіліктерде күшейту шамасын жоғалтусыз немесе Ү ж шамасын өзгертусіз жиіліктік бұрмалануларды төмендетуге мүмкіндік береді, басқаша айтқанда күшейту ауданын көтереді. Төменгі жиіліктерде тегістеу тізбегін қолдану бөлгіш және блокирацияланған конденсаторлардың сыйымдылығын немесе төменгі сыйымдылыңты конденсаторлар Ү т өзгерусіз жиіліктік бұрмалануларды төмендетуге мүмкіндік береді.
Тегістегішті күшейткіштің жиіліктік сипаттамасын алуда немесе арнайы түрдегі жеке каскадтарды алуда колданады, мысалы беру сызықты жолында немесе басқа каскадтарда күшейтудің төмендеуін компенсациялайды.
Тегістеуші тізбектер жиілікпен қатар каскадтың ф а -залық және өту сипаттамаларын да тегістейді.
Фазоинверсті каскад
Фазоинверсті каскад (5. 30, а, в-сурет) екі тактілі қуат күшейткішімен басқарылатын қарама-қарсы фазалы сигналдарды және олардың бірдей шамаларын алу үшін қолданылады.
U кір кіріс кернеу әсерімен базаның айнымалы тогы І б = U кір / (R. +R K[ ), коллектордың айнымалы тогы І э = І б ( һ 21 + 1 ) және эмиттердің айнымалы тогы каскадты кіріс каскады R эмиттер қайталағышы сияқты мына формуламен анықталады: R кір = ( І + h 21э ) Ч(КЖ1ККRЭ) . I Ж1 және І ж2 эмиттер және коллектор ток бөліктері U шығ1 жэне U шыг1 кернеу түсуін шақыра отырып, R ж1 және R ж2 жүктемелеріне түседі.
Аналогі эмиттерлі қайталағыш сияқты, каскадтағы К ц1 кернеудің күшейту коэффициенті эмиттер шығысы бойынша 1-ге жақын. Егер коэффициенті коллектор шығысы бойынша 1-ге жақын және К U1 тең. Бұл жағдайда коллектор мен эмиттердегі айнымалы кернеу құраушысының мәні бірдей және қарама-қарсы фазалы, өйткені ортақ эмиттерлі каскад U кір фаза сигналын терістейді, ал ортақ коллекторлы каскад оны қайталайды.
5. 30-сурет. а) жүктемесі бөлінген фазоинверсті каскад схемасы:
ә-б) уақыттық диаграммасы .
1. 3 Күшейткіш каскадтың жұмыс принципі
Күшейткіш функциясын орындайтын аз бөлікті күшейткіш каскады деп атайды. Күшейткіштер бірнеше күшейту каскадтарынан түрады, олар бір-бірімен каскад аралық байланыста болады, осы байланыс көмегімен каскадтың шығыс сигналы екінші каскадтың кірісіне беріледі. Бірінші күшейту каскады, негізінен, сигнал кернеуін күшейтеді, мұндай каскадты алдын ала күшейту каскады дейді. Сигналдың қуатын күшейтетін каскадты соңгы каскад деп атайды. Күшейткіш каскадтарына қойылатын негізгі талап - кіріс сигналы, күшейткіштің шығысында бұрмаланусыз жаңғырту.
Транзистордагы алдын ала күшейту каскады
ОЭ транзистордағы алдын ала күшейту каскадының көп тараған түрі 5. 17-суретте көрсетілген. Ішкі кедергілі R і кіріс сигналы кернеу көзінен U кір келеді.
С1 және С2 бөлгіш конденсаторлары тізбектей қосылған күшейту каскадтарының тұрақты ток бойынша тәуелсіз режим шақыруға және күшейтуге сигналы бойынша түрақты токпен олардың өзара байланысына қажет. R 1 және R2 резисторлары эмиттерлі өтудің жұмыс нүктесіндегі U бэжн тұрақты кернеуді қамтамасыз ететін базалы бөлгіш болып табылады. R k резисторы VT транзисторының коллекторлы тізбекте тұрақты ток режимін қамтамасыз ету үшін қажет, ал Е э резисторы температура диапазонында жұмыс нүктесінің эмиттерлі түрақтау үшін. Кернеу U бэжн = U 6 -U Rэ . Төменгі жиіліктегі fm күшейтілетін диапазонның айнымалы ток бойынща R o резисторын түйықтауға арналған С э конденсаторы R c резисторының кедергісінен біршама аз болуы керек. Себебі жиілікті өсіргенде С э конденсаторының кедергісі азаяды, эмиттердің кернеуі тұрақты болады. R резисторы және С с конденсаторы элементті сүзгі болып табылады. R с резисторы, сонымен катар, жұмыс нүктесін коллекторлы тұрақтандырады. С с , конденсаторы токтың айнымалы ңүраушысына Е к көзінен каскад түтынатын, төменгі кедергі тізбегін ңүрады.
... жалғасы- Іс жүргізу
- Автоматтандыру, Техника
- Алғашқы әскери дайындық
- Астрономия
- Ауыл шаруашылығы
- Банк ісі
- Бизнесті бағалау
- Биология
- Бухгалтерлік іс
- Валеология
- Ветеринария
- География
- Геология, Геофизика, Геодезия
- Дін
- Ет, сүт, шарап өнімдері
- Жалпы тарих
- Жер кадастрі, Жылжымайтын мүлік
- Журналистика
- Информатика
- Кеден ісі
- Маркетинг
- Математика, Геометрия
- Медицина
- Мемлекеттік басқару
- Менеджмент
- Мұнай, Газ
- Мұрағат ісі
- Мәдениеттану
- ОБЖ (Основы безопасности жизнедеятельности)
- Педагогика
- Полиграфия
- Психология
- Салық
- Саясаттану
- Сақтандыру
- Сертификаттау, стандарттау
- Социология, Демография
- Спорт
- Статистика
- Тілтану, Филология
- Тарихи тұлғалар
- Тау-кен ісі
- Транспорт
- Туризм
- Физика
- Философия
- Халықаралық қатынастар
- Химия
- Экология, Қоршаған ортаны қорғау
- Экономика
- Экономикалық география
- Электротехника
- Қазақстан тарихы
- Қаржы
- Құрылыс
- Құқық, Криминалистика
- Әдебиет
- Өнер, музыка
- Өнеркәсіп, Өндіріс
Қазақ тілінде жазылған рефераттар, курстық жұмыстар, дипломдық жұмыстар бойынша біздің қор #1 болып табылады.

Ақпарат
Қосымша
Email: info@stud.kz