ССҚ - сызықтық сигналды қалыптастырғыш


МАЗМҰНЫ
КІРІСПЕ . . . 3
1 КАБЕЛЬДЕРДІҢ ЖӘНЕ АСПАПТАРДЫҢ ҚЫСҚАША ТЕХНИКАЛЫҚ
МӘЛІМЕТТЕРІ . . . 5
1. 1 ИКМ−15 аспабы . . . 5
1. 2 ИКМ-30 аспабы . . . 6
1. 3 ИКМ-120 аспабы . . . 9
1. 4 ИКМ-480 аспабы . . . 10
1. 5 ИКМ-1920 аспабы . . . 11
1. 6 ТОТЖ аспабы . . . 13
1. 7 Байланыс кабельдерінің параметрлері . . . 14
2 ШЕКТІК ҚҰРЫЛҒЫЛАРДЫҢ ШУЫЛДАРЫН ЕСЕПТЕУ . . . 16
2. 1 Дискретизация шуылдары . . . 16
2. 2 Кванттау шуылдары . . . 18
2. 3 Бос арнаның шуылдары . . . 21
2. 4 Аспаптық шуылдар . . . 22
3 АРАҚАШЫҚТЫҚТЫ ҚОРЕК КӨЗІ ТІЗБЕГІН ЕСЕПТЕУ . . . 37
3. 1Байланыс ұйымының сұлбасын құру . . . 39
3. 2 Станциялық құрылғының жиынтығын құру . . . 40
ҚОРЫТЫНДЫ . . . 42
ПАЙДАЛАНЫЛҒАН ӘДЕБИЕТТЕР ТІЗІМІ . . . 43
КІРІСПЕ
Ғылымның дамуы және техникалық үрдістің шапшаңдауы байланыс құралдарын, жинау жүйелерін, ақпаратты тарату және өңдеуді жетілдіруінсіз мүмкін емес. Соңғы жылдардағы жаңа ақпараттық технологиялардың интенсивті түрде дамуы микропроцессорлық техниканың жедел қарқынмен дамуына әкелді, ол ақпаратты таратудың цифрлық әдістерінің дамуына ықпал жасады. Есептеулер бойынша бір тұтынушыға ақпарат ағынынің орташа көлемі әр жыл сайын 8 есе өсіп отырады. Жаңа желілік қосымшалар өткізу жолақтың кеңдігін керек етеді, практикада әлемдік желілердің түрлі қосымшалары қолданылады, олар мультимедияға, бейнеконференция байланыс үшін арналған.
Қазіргі заманға сай актуалды мәселелерге мәліметтерді тарату, тұтынушыларға цифрлық қызмет көрсетуді жатқызуға болады. Осы мәселелерді шешу мақсатымен техниканың қазіргі жетістіктерін пайдалану арқылы көптеген цифрлық түрде мәліметтерді тарату технологиялары шапшаң түрде дамуда.
Байланыс желілерін құру үшін қазіргі уақытта қолданылатын қазіргі заманғы технологиялардың бірі синхронды цифрлық иерархия - SDH технологиясы болып табылады.
SDH аппаратурасы бағдарламалы түрде басқарылатын болып табылады, ол мыналардан тұрады: түрлендіргіш, таратқыш, бақылауша, оперативті ауыстырып-қосқыш. SDH концепциясы цифлық ақпаратты жоғары сапалы тарату үрдістерін, желіні автоматты түрде басқару, бақылау, желіге қызмет ету үрдістерін бір жүйенің ішінде тиімді біріктіреді.
Сонымен SDH - жай ғана жаңа тарату жүйесі емес, сонымен бірге бұл желілік архитектурада, басқаруда принципиалды өзгерістер. SDH - ті енгізу цифрлық байланыс желінің жаңа сапалы даму кезеңі болып табылады
Курстық жоба цифрлық жүйелерді тарату арналарын жобалау үшін арналған.
ЦЖТ-да сигналдарды аналогтық-цифрлық түрлену іске асырылады. Аналогтық сигналдар кезеңдер бойынша цифрлық қалыпқа түрленеді. Алдымен спектр бойынша шектелген сигнал уақыт бойынша дискретизацияланады, нәтижеде АИМ-сигналы қалыптасады. Содан кейін деңгеймен кодтау бойынша квантау операциясы жүзеге асады. Белгіленген түрленулер процессінде ЦЖТ араларында шуылдардың минималды деңгейін анықтайтын соңғы жабдықтың шуылдары пайда болады. Оларға кванттау, дискретизация және шектеу шуылдары сонымен қатар бос арналар мен аспапты шулар жатады.
Бұдан басқа цифрлық сигналдарды регенерациялау кезінде сызықтық тракта болатын қателердің есебінен ЦЖТ арналарында шуылдар пайда болады. Қателік ықтималдығы бойынша талаптарды қамтамасыздандыру үшін регенаторларды сызықтық тракта рационалды орнату қажет.
Сондықтан берілген курстық жобада шектік құрылғылардың шуылдарын бағалау, регенерация аймағының ұзындығын анықтау, магистральда байланысты ұйымдастыру сұлбаларын құрастыру сияқты сұрақтары қарастырылады. Металдық кабельдерді қолданумен жергілікті, Ішкіаймақтық және магистральді аймақтары бар байланыс желісінің шарттық фрагментті жобалау сұрақтарымен айналысады. Берілген аймақтардың біреуінде оптикалық кабельді қолдануымен қиыстыру ұйымдастырылады. Бұл электрлік және оптикалық трактерді тарату жобалау дағдысын ашады.
Әдістемелік нұсқауда ЦЖТ және ТОТЖ құрылғылары туралы сонымен қатар металдық және оптикалық кабельдер туралы қажет қысқа анықтамалық мәліметтер берілген.
Әрбір студент берілген мәліметтер бойынша курстық жобаны орындайды. Нұсқаның нөмірі сынақ кітапшасының соңғы екі санына сәйкес.
Түсіндірме хаты А4(295х10мм) форматында жазылады. Титулдық парағы және түсіндірме хатын безендіру ҚАТУ-ң СМК курстық жобаларды безендіру бойынша талаптарды сәйкестендіру қолданылатын қазіргі заманғы технологиялардың бірі синхронды цифрлық иерархия - SDH технологиясы болып табылады.
ҚОРЫТЫНДЫ
Берілген курстық жобада SDH және ТОТЖ құрылғылары туралы, сонымен қатар металдық және оптикалық кабельдер туралы қажет қысқа анықтамалық мәліметтер берілген.
Бұдан басқа цифрлық сигналдарды регенерациялау кезінде сызықтық тракта болатын қателердің есебінен ЦЖТ арналарында шуылдар пайда болады. Қателік ықтималдығы бойынша талаптарды қамтамасыздандыру үшін регенаторларды сызықтық тракта рационалды орнату қажет.
Әдістемелік нұсқауда ЦЖТ және ТОТЖ құрылғылары туралы сонымен қатар металдық және оптикалық кабельдер туралы қажет қысқа анықтамалық мәліметтер берілген
Бұл курстық жобада шектік құрылғылардың шуылдарын бағалау, регенерация аймағының ұзындығын анықтау, магистральда байланысты ұйымдастыру сұлбаларын құрастыру сияқты сұрақтары қарастырылады. Металдық кабельдерді қолданумен жергілікті, ішкіаймақтық және магистральді аймақтары бар байланыс желісінің шарттық фрагментті жобалау сұрақтарымен айналысады. Берілген аймақтардың біреуінде оптикалық кабельді қолдануымен қиыстыру ұйымдастырылады. Бұл электрлік және оптикалық трактерді тарату жобалау дағдысын ашады.
Қазіргі заманға сай актуалды мәселелерге мәліметтерді тарату, тұтынушыларға цифрлық қызмет көрсетуді жатқызуға болады. Осы мәселелерді шешу мақсатымен техниканың қазіргі жетістіктерін пайдалану арқылы көптеген цифрлық түрде мәліметтерді тарату технологиялары шапшаң түрде дамуда.
Байланыс желілерін құру үшін қазіргі уақытта ында ақпарат жаздым. Синхронды цифрлық иерархияның алдыңғы буын жүйелерімен салыстырғанда айтарлықтай артықшылықтары бар, оптикалық-талшықты тарату жолдарының мүмкіндіктерін толықтай іске асыруға, жоғары сапалы байланысқа кепілдік бере отырып, желіні пайдалануға және басқаруға жайлы жағдай жасауға мүмкіндік береді. Осы мүмкіндіктер жайында, сандық беру жүйесі туралы жалпы мағлұмат, жаңа заман технологиясының жетістіктері, олардың жұмыс принципі туралы толық ақпарат бердім.
Екінші бөлімде, синхронды сандық иерархияның мультиплексирлеу ерекшеліктері туралы жалпы мағлұматты қамтитын мультиплексор және демультиплексор, STM-1, STM-4 және STM-16 деңгейлерінің мультиплексорлары, SТМ-N-де төменжылдамдықты ағындардың мультиплексирлеу сұлбасы, SТМ-4 мультиплексорының сипаттамасы жөнінде айтып өттім.
Курстық жұмыстың негізгі мақсаты - SDH синхронды сандық иерархия мульплексирлеу ерекшеліктері жайында айтылған SDH мультиплексирлеудің РDH жүйесінен негізгі ерекшеліктері тақырыбында екі сандық иерархияның кемшіліктері мен артықшалықтары туралы, дамыған тиімді SDH сандық иерархиясының тиімді тұстары, ерекшеліктерін атап өттім.
SDH жүйесінің РDH жүйесінен негізгі ерекшелігі - мультиплексирлеудің жаңа принципіне өту болып табылады. Осы жаңа принциптің жұмыс істеуі қалай жұмыс жасайды және оның қандай ерекшіліктері бар деген сұрақтарға жауап беретін қорытынды тақырыпта осы сұрақтарға нұсқау бердім.
ПАЙДАЛАНЫЛҒАН ӘДЕБИЕТТЕР ТІЗІМІ
1. Г. Бойко, В. Эйрих Талшықты-оптикалық тарату жүйесі оқулық/Г. Бойко, В. Эйрих -Астана:Фолиант, 2010- 272 б- (Кәсіптік білім) - ISBN 978-601-1070
2. Айғараева, Ғайни Әбдібайқызы. Көпарналы телекоммуникациялық жүйелер оқулық/ Айғараева Ғ. Ә, Асанова Қ. С. -Астана:Фолиант, 2010-272б (Кәсіптік білім) -ISBN 978-601-292-1 70-0
3. ҚР байланыс және ақпараттық- коммуникациялық технологиялардың дамуы:2007-2011 статистикалық жинақ- Астана ҚР Статистика агенттігі 2012
4. «Қазақтелеком»АҚ-жаңа тарифтермен :Халықаралық телефон байланысы / Орал өңірі-2007
5. Аманжол. Н. Ұлттық интернет-трафик алмасу орталығы/Н. Аманжол/
Айқын-2007
6. Төрежан. Қ. Сандық форматқа көшу-жаңа мүмкіндіктерге жол ашады Қ. Төрежан //Айқын-2009
7. Шадиев. Қ. Қазақстандағы ақпараттық және коммуникациялық технологиялар индустриясының даму жағдайы /Қ. Шадиев//Саясат- Policy 2011
8. http://old. ruslan-com. ru/SDH/sma16. html
9. ҚР көлік және байланыс 2003-2007:Статистикалық жинақ -Астана
ҚР Статистика агенттігі 2008
10. Мұхити Идаятолла Мұхитұлы Электртехника :оқулық /Мұхити Идаятолла Мұхитұлы - өнд. 2-ші бас. -Астана: Фолиант 2012 (Жоғарғы білім) ISBN 978-601-292-365-0
11. www. yandex. ru
12. www. rambler. ru
КАБЕЛЬДЕРДІҢ ЖӘНЕ АСПАПТАРДЫҢ ҚЫСҚАША ТЕХНИКАЛЫҚ МӘЛІМЕТТЕРІ 1. 1 ИКМ-15 аспабы1) ИКМ-15 жүйесі бір кабельдік жұмыс режимінде КСПП 1х4х2 немесе
КСПП 1х4х0, 9 типті кабельдер бойынша ауылдық АТС арасындағы қосушы желіні ұйымдастыру үшін арналған.
2) Желіге цифрлық ағынды тарату жылдамдығы-1024 кбит/с.
3) Желідегі кодтың типі - екі деңгейлік екілік, кодтың типі - нөлге
қайтусыз (НҚ, NRZ) . “0” символы кідіріс түрінде таратылады, “1” - амплитудамен импульстер түрінде, U имп =+3В тең, ұзақтықтарымен Т имп =Т т =977 нс тактілі интервалға тең.
4) 2. 1 суретте тарату циклдың құрылымы көрсетілген. Циклда 16
арналық интервалдар бар (КИ0-КИ15) . Әрбіреуі 8 тактілі интервалдан тұрады (ТИ1-ТИ8) . КИ1- КИ15 арналық интервалдар ақпараттық болып табылады, ал КИ0 СУВ сигналдарды, дискретті ақпаратты ДА, синхросигналдардың символдарын (цифрлық-ЦСС, жоғарғы циклдық -ЖҚСС) тарату үшін арналған. Барлық арналардың СУВ тарату үшін 16 тізбектелген циклдары бар жоғары циклы ұйымдастырылады. ТИ1 КИ0 әрбір жоғарғы циклдың басында қабылдауда СУВ-ты дұрыс үлестіруді қамтамасыз ететін жоғарғы циклдық синхронизацияның сигналын таратады.
Т ц = 125 мкс, n = 128
КИ0 КИ1 . . . КИ9 . . . КИ14 КИ15
ЦСС, СЦСС, СУВ, ДИ ТИ1 . . . ТИ8
Т ц - циклдық ұзақтығы; n-циклда импульстық позицияның жалпы саны;
ЦСС - циклдың синхросигналдың символдары;
ЖЦСС - жоғарғы циклдық синхросигналдың символдары;
БӘС (СУВ) - басқару және әрекеттесу сигналдардың символдары;
ДА - дискретті ақпараттың символдары;
АИ - аралық интервал;
ТИ - тактілі интервал.
1. 1 сурет. ЦЖТ ИКМ-15 тарату циклдың құрылымы.
5) Қызымет көрсетілмейтін регенерациондық пунктердің (ҚКРП) сызықтық регенератордың (РС) дистанциондық қоректену (ДҚ) тогы І дқ =85 мА. ҚКРП-да дистанциондық қоректену бір қабылдауында (ДҚҚ) ДҚ кернеуінің құлауы U қкрп =7В-ға тең. ДҚ блогының шығысында кернеудің
максимал мүмкін мәні U дқ max =120 В шамасынан аспайды.
6) Құрал-жабдықтың комплектациясы. Шектік станция ШС бағаны (2 жүйеге), аралық станция АС (екі екі жақты сызықтық регенераторлар) .
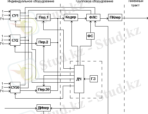
1. 2 ИКМ-30 аспабы
ИКМ-30 аспабы бір және екі кабельдік нұсқалардың жұмысы кезінде Т және ТПП типтегі төмен жиілікті кабельдердің жұбы 30 телефондық арналармен тығыздау жолымен ҚАТС, ҚАТС және АХТС арасындағы қосушы желісінің алу үшін арналған.
Бұл аспап жоғары реттегі цифрлық жүйелерді тарату үшін (ИКМ-120, ИКМ-480, ИКМ-1920 және т. б) арнаны түзетуші ретінде қолдана алады.
1. 2 сурет. ИКМ-30 аспабының көмегімен байланысты ұйымдастыру
сұлбасы.
ИКМ-30 аспабында 8 кбит/с өткізу қабілеттілігімен бір цифрлық арнасы бойынша және ТЖ бір арнаның орнына ұйымдастырылған 8 цифрлық арнасы бойынша дискретті ақпаратты тарату мүмкіндігі қарастырылған. Аспап құрамына:
- Аналогты цифрлық құрылғысы (АЦҚ) ;
- Сызықтық тракттың шектік құрылғысы (СТҚ) ;
- Қызмет көрсетілмейтін регенерациондық пункт (ҚКРП) ;
- Бақылау-эксплуатациондық құрылғылар комлексі (үйлескен құрылғылардың бақылау пульттері (ҮҚБП), регенератордың дистанциондық бақылауы (РДБП), қызметтік байланыс (ҚБП) ; кабельдік желінің өшу өлшеулері (ҚЖӨӨ) және кванттау шуылдары (КШ) ; әмбебап нақтылық бақылау аспабы (ӘНБА) ) .
ҚТ - қабылдау-таратқыш;
ССҚ - сызықтық сигналды қалыптастырғыш;
КОДЦ - кодер, цифрлық бөлігі;
КОДА - кодер, анологтық бөлігі;
ДЕКОД - Декодер;
ҮШ - әмбебап шығыс үйлестіруші құрылғысы;
ҮК - жергілікті бау үшін кіріс үйлестіруші құрылғысы;
ҮК - қалааралық бау үшін кіріс үйлестіру үшін құрылғысы;
КТтар - тарату кодтың түрлендіргіші;
Қаб. Синхр - синхросигналдық қабылдағышы;
ДА - дискретті ақпарат;
АБ - арналық бөлгіш;
БС - бақылау және сигнализацияның блогы;
ӨБ - өлшеулер және бақылау блогы;
ТБГ - тапсырыс беруші генератор;
ЖБ - жиілікті бөлгіш.
1. 3 сурет. ИКМ-30 жүйесінің аналогтық цифрлық құрылғысы
1. 4 сурет. АЦҚ таратудың құрылымдық сұлбасы
1. 5 сурет. АЦҚ қабылдаудың құрылымдық сұлбасы
Аналогтық-цифрлық құрылғысы АТС аспабымен ИКМ-30 аспабын
уйлестіруші құрылғысының (ҮҚ) көмегімен түйіндестіру және дискретті ақпараттың кірісі мен шығысы, 2048 кбит/с жылдымдығымен топтық цифрлық ағынды тарату және қалыптастыру, 30 телефондық сигналдардың аналогты- цифрлық және цифрлы-аналогтық түрлендіру үшін арналған.
Сызықтық тракттың шектік құрылғысы сызықтық сигналды қабылдау және қалыптастыру, қызметтік байланысты (ҚБ) ұйымдастыру, қызмет көрсетілмейтін регенариоциондық пункттерді телебақылау және дистанциондық қоректену үшін арналған.
СТШҚ конструктивті СТҮҚ стандартты бағанасында орналастырылған комплекстер түрінде жасалған. Әрбіреуі үш цифрлық сызықтық трактқа қызмет көрсетеді.
1. 3 ИКМ-120 аспабы
- ИКМ-120 аспабы МКС және МКСА типтегі симметриалы кабельдердің УЖ бойынша екі кабельдік жүйелі қолдану кезінде жергілікті және Ішкіаймақтық жерлерде арналарда ұйымдастыру үшін арналған.
- Желіде цифрлық ағында тарату жылдамдығы - 8448кбит/с.
- Желіде кодтың типі - КВП-3 үшдеңгейлі код (бірлік таратудың жоғары тығыздаумен коды) . Бұл УПИ модификацияланған код. Иимп=+3В амплитудасымен, тактілі интервалы жартысына тең ұзақтығымен Тимп=TT/2=59 нс таратылады.
- 2. 6 суретте тарату циклының құрылымы көрсетілген. Циклдың ұзақтығы 125 мкс тең, ол 1056 импульстік позициядан тұрады (тактілі интервалдардан) және әрбіреуінде 264 позициядан 4 субциклға шартты бөлінген. ИКМ-120-ға топтық сигналды қалыптастыру кезінде екі командалық басқарумен екіжақты үйлестіруші жылдамдықтар қолданылады.
Т ц = 125 мкс, n = 1056
I II III IV
1 - 8 9 - 264 1 - 8 9 - 264 1 - 8 9 - 264 1 - 8 9 - 264
ЦСС КС, СС КС, ДИ КС, К
ҮК - жылдамдықты үйлестіруші командалар символы;
ҚБ - қызметтік байланыс символдары;
- сурет. ЦЖТ ИКМ-120 тарату циклының құрылымы
4) ДҚ ҚКРП тогы I ДҚ =125мА. ҚКРП-да бір ДҚҚ-да ДҚ кернеудің құлауы U ҚКРП =35В. ДҚ блогының шығысында кернеудің максимал мүмкін мәні U ДҚmax =980В шамасынан аспайды. ҚКРП электрқоректенуі сызықтық құрылғының бағанасынан (СҚБ) іске асырылады.
- Құрал-жабдықтың комплектациясы. Екіншілік топтық түрлендіргіштің бағанасы ( ЕТТБ) - ЕТТ 8 комплекстен, сызықтық құрылғының бағанасы (СҚБ) -4 жүйеге 312-552 Гц жиілік жолағымен стандартты екіншілік топтың аналогты-цифрлық түрлендіргіштің бағанасынан тұрады.
ҚКРП-4 типтегі қызмет көрсетілмейтін регенерациондық пункттер - 4 сызықтық регенератор (құдыққа орнату үшін), ҚКРП-8 ( грунтқа орнату үшін) - 8 сызықтық регенераторлар.
1. 4 ИКМ-480 аспабы
- ИКМ-480 аспабы 1, 2/4, 4 мм жұбымен МКТ-4 коаксалды кабельдерді қолдану кезінде магистральді және Ішкіаймақтық желілерде арналарды ұйымдастыру үшін арналған.
- Цифрлық сигналдың тарату жылдамдығы - 34368кбит/с.
- Байланыстың максималды алыстығы - 2500 км.
- Регенератордың күшею тізбегі 43-73 дБ шектеуінде аймақтың өшу компенсациялауды қамтамасыз етеді.
- Желідегі кодтың типі - КВП-3 немесе ЧПИ.
- 2. 8 суретте тарату циклының құрылымы көрсетілген. Циклдың ұзақтығы 62, 5 мкс тең, оның құрамында 2148 импульстік позиция бар және әрбіреуінде 716 позициядан 3 топқа шартты бөлінген.
- ҚКРП дистанциондық қоректену 200 мА тұрақты тогымен коаксиалды жұптың орталық желі бойынша іске асырылады. ДҚ максималды кернеуі 1300В тең. ДҚ секциясының ұзындығы 200 км шамасында.
- ҮУТ құрылғысы арасындағы қызметтік байланыс цифрлық арналары бойынша ЩРП арасында қызметтік байланыстың жоғары жиілікті арналары бойынша, ал ҚКРП мен ШРП арасында - жұмыс кабель жұбы бойынша 0, 3-3, 4 кГц спектрінде іске асырылады.
- Телебақылау байланыстың үзіліссіз жұмыс жұбы бойынша іске асырылады.
- Құрал-жабдықтың комплектациясы.
- Үшінші реттік уақыттық топтық түрлендіргіш бағанасы (ҮУТТБ) -ҮУТ 4 комплекте;
Сызықтық тракт құрылғысының бағанасы (СТҚБ) - 2 жүйеге;
Аналогты-цифрлық түрлендіргіштің бағанасы стандартты үшінші реттік топтық жиілігі 812-1044 кГц;
Грунтқа орнатылған қызмет көрсетілмейтін регенеративті ҚКРП-2 пункті - 2 жүйеге;
1. 7 сурет. МКТ-4 коаксиалды кабелі
МКСТ-4 қорғасын қабықшасында және МКТА-4 алюминий қабықшасында екі негізгі кіші габаритті типтегі кабельдер қолданылады.
Барлық типтегі кабельдердің өзекшесінің конструкциялары бірдей. Ол төрт коаксиалды жұптан, бес симметриялы жұптан және бір бақылау өзекпен оралған. Әрбір коаксиалды жұп диаметрі-4, 6 мм ұзын бойына жіппен гофраланған тұтқа түріндегі сыртқы өткізгіштен тұрады. Бетінде қалыңдығы
1. 8 сурет. Тарату циклының құрылымы
0, 1 мм 2 болатты лентадан тұратын экран болады және ішкі өткізгіш баллонды
полиэтиленді изоляциямен сыртқы өткізгіштен изоляцияланған. Коаксиалды жұптың диаметрі 6, 4 мм.
1. 5 ИКМ-1920 аспабы
- ИКМ-1920 2, 6/9, 5 мм жұптармен КМ-4 коаксиалды кабельдерді қолдану кезінде Ішкіаймақтық және магистральді желілерде арналарды ұйымдастыру үшін магистральді желілерде арналарды ұйымдастыру үшін арналған. Сызықтық тракт бір кабельдік сұлба бойынша ұйымдастырылады.
- Цифрлық сигналдың тарату жылдамдығы - 139264 кбит/с.
- Байланыстың максималды алыстығы - 12500 км.
- Регенератордың күшею тізбегі 45-63 дБ шегінде (69632 кГц жиілікте) аймақтың өшу компенсациясын қамтамасыз етеді.
- Желіде кодтың типі - скремблирлеумен КВП-3.
- Циклдың ұзақтығы 15, 625 мкс, оның құрамында 2176 импульстік
позиция және әрбіреуінде 544 позициядан 4 топ шартты бөлінген.
- ҚКРП дистанциондық қоректену 400 мА тұрақты топпен коаксиалды жұптың орталық өзек бойынша іске асырылады. Өзек максималды кернеуі 1700В тең. Секцияның ұзындығы шамамен 240 км.
- ЧВГ құрылғысы арасындағы қызметтік байланыс цифрлық арна бойынша, аралық станциялар арасындағы қызметтік байланыстың ВЧ және НЧ арналары бойынша іске асырылады. Телебақылау байланыстың үзіліссіз іске асырылады.
- Құрал-жабдықтың комплектациясы: төртінші реттегі уақыттық топтың түрленуші бағанасы (ТУТТБ) - 4 комплектке; сызықтық тракт құрылғысының бағанасы (СТҚБ) - 2 жүйеге; дистанциондық қоректену бағанасы (ДҚБ) - екі жүйеге; теледидарлық хабарлау бір арнасына теледидарлық хабарлау сигналдарын аналогты-цифрлық түрлендіргіш бағанасы; грунтқа орнатылған қызмет көрсетілмейтін регенеративті ҚКРПГ-2 пункті - 2 жүйеге.
1. 9 сурет. Коаксиальді КМ-4 түйісуі
Жалпы қабықша ішінде телесигнализация және қызметтік байланыс үшін бес симметриялы төрттіктер мен төрт коаксиалды жұптар орналасқан.
1. 10 сурет. Тарату циклының құрылымы
1. 6 ТОТЖ аспабы
ТОТЖ аспабының комплексінде жұмыс істеу үшін типтік арнаны түрлендіруші құрылғысы және ЦЖТ уақыттық топтық түрлендіру құрылғысы, сонымен қатар қызметтік байланыс пен бақылау құрал-жабдықтарды қоса, оптикалық сызықтық трактың спецификалық құрылғысы қолданылады.
“Соната-2” ТОТЖ аспабы ЦЖТ ИКМ-120 құрылғысын қолданумен жергілікті желілерде АТС арасындағы қосушы желілерді ұйымдастыру үшін арналған. Желіде ОК-50-2-5-4 типтегі гидрофобты толтыруымен градиенті оптикалық кабель қолданылады (өзекшенің диаметрі-50мкм, өшу коэффициенті-5 дБ/км, талшық саны - 4) . Толқынның сәуле шығару ұзындығы 0, 85 мкм құрайды. Сызықтық тракттың максимал ұзындығы - 80 км. Желіде мүмкін жалпы жоғалуларды анықтайтын жүйенің энергетикалық потенциалы -50 дБ. Бір тұрушы каркаста сызықтық жарықтанғыш тракттың құрылғысын 8кассет және бағанаға қызмет көрсету құрылғысы 2 кассет орналасқан. ООС құрамына тұрушы бақылау, телебақылау және ТЖ бөлек арна бойынша қызметтік байланыс құрылғылары кіреді. Желідегі коды - CMI (посылкалардың инверсиясымен екі деңгейлі код) .
“Сопка-2” және “Сопка -3” ТОТЖ аспабы ТЖ 120 немесе 480 арналарға сәйкес бір сызықтық тракт бойынша және сәйкесінше градиентті оптикалық кабель бойынша екінші ретті және үшінші ретті цифрлық тракты ұйымдастыру үшін арналған. Екінші ретті және үшінші ретті цифрлық ағындар ЦЖТ ИКМ-120 және ИКМ-480 құрылғыларында қалыптасады. Желіде ОЗКГ оптикалық кабелі қолданылады (канализацияда немесе грунтта орнатумен Ішкіаймақтық желілер үшін оптикалық кабель) . Толқынның жарықтану ұзындығы -1, 3 мкм. Сызықтық тракттың максимал ұзындығы - 600 км. “Сопка-2” аспабы үшін энергетикалық потенциал 43 дБ және “Сопка-3” аспабы үшін 41 дБ қабылданады. Желідегі коды - 5В6В екілік типтегі. Қызметтік байланыс пен бақылау сигналдарын тарату спектрдің төмен жиілікті бөлігінде ақпараттық сигналмен іске асырылады. Оптикалық сызықтық тракттың құрылғысының бағанасының құрамына (СОЛТ-О-2 немесе СОЛТ-О-3) екі жүйені тарату үшін сәйкес құрылғылар кіреді. СТМ қызметтік байланыс пен телемеханика бағанасы екі сызықтық тракттерге қызмет көрсету үшін арналған. Сызықтық тракта құрамында екі жақты регенераторы бар, КБ НРПГ-2-0-2 қызмет көрсетілмейтін регенерациялық пункттердің блоктардың комлекті орнатылады.
“Сопка-4” ТОТЖ аспабы ОМЗКГ немесе ОКЛ типтегі бір модалы оптикалық кабельді қолдану кезінде төртінші ретті цифрлық трактты ұйымдастыру үшін арналған. Толқынның жарықтану ұзындығы - 1, 3 мкм. Кабельдің өшу коэффициенті 0, 7 дБ/км. Сызықтық тракттың максималды ұзындығы 12500 км, қызмет көрсетілетін пункттер арасындағы қашықтығы 830 км.
Жүйенің энергетикалық потенциалы 38 дБ. Сызықтық трактта 10В12В типтегі код қолданылады.
Қызметтік байланыс пен бақылау сигналдарын тарату сол оптикалық талшықтар бойынша ақпараттық сигналмен бірге іске асырылады. Сызықтық регенераторлардың қоректенуі автономды қайнар көзінен іске асырылады. Мысалы, радиоизотопты термоэлектрлік генератордан (РИТЭГ) .
“Сопка-4” құрылғының құрамына ЦЖТ ИКМ-1920 құрылғысынан басқа СОЛТ-0-4 пен СТМСС (екі сызықтық трактқа) бағанасы және НРПГ-0-4 қызмет көрсетілмейтін регенерациондық пункттер кіреді.
1. 7 Байланыс кабельдерінің параметрлері
... жалғасы- Іс жүргізу
- Автоматтандыру, Техника
- Алғашқы әскери дайындық
- Астрономия
- Ауыл шаруашылығы
- Банк ісі
- Бизнесті бағалау
- Биология
- Бухгалтерлік іс
- Валеология
- Ветеринария
- География
- Геология, Геофизика, Геодезия
- Дін
- Ет, сүт, шарап өнімдері
- Жалпы тарих
- Жер кадастрі, Жылжымайтын мүлік
- Журналистика
- Информатика
- Кеден ісі
- Маркетинг
- Математика, Геометрия
- Медицина
- Мемлекеттік басқару
- Менеджмент
- Мұнай, Газ
- Мұрағат ісі
- Мәдениеттану
- ОБЖ (Основы безопасности жизнедеятельности)
- Педагогика
- Полиграфия
- Психология
- Салық
- Саясаттану
- Сақтандыру
- Сертификаттау, стандарттау
- Социология, Демография
- Спорт
- Статистика
- Тілтану, Филология
- Тарихи тұлғалар
- Тау-кен ісі
- Транспорт
- Туризм
- Физика
- Философия
- Халықаралық қатынастар
- Химия
- Экология, Қоршаған ортаны қорғау
- Экономика
- Экономикалық география
- Электротехника
- Қазақстан тарихы
- Қаржы
- Құрылыс
- Құқық, Криминалистика
- Әдебиет
- Өнер, музыка
- Өнеркәсіп, Өндіріс
Қазақ тілінде жазылған рефераттар, курстық жұмыстар, дипломдық жұмыстар бойынша біздің қор #1 болып табылады.

Ақпарат
Қосымша
Email: info@stud.kz