Зауыттың электр жүктемелері


Кіріспе
3
1
1. 1
1. 2
1. 3
1. 4
2.
Негізгі бөлім
Өтпелі процестер
Өтпелі процестерді классикалық әдіспен есептеу
Өтпелі процестерді оператор әдісімен есептеу
Өтпелі процесс және оның пайда болу себептері. Коммутацияның екі ережесі
Құрал-сайман зауытын электрмен жабдықтау барысындағы өтпелі процесттер
5
5
8
9
12
1. 1
Зауыттағы технологиялық процесс
13
1. 2
Жобаға берілген мәліметтер
16
2
Зауыт бойынша электр жүктемелерін есептеу
17
2. 1
Жарықтану жүктемесін есептеу
2. 2
Зауыт бойынша 0, 4 кВ электр жүктемелерін есептеу
2. 3
Цех трансформаторлар санын таңдау және 0, 4 кВ кернеуіндегі
реактив қуатын компенсациялау
2. 4
Зауыт бойынша электр жүктемелерінің нақтыланып есептелуі . . .
3
Сыртқы электрмен жабдықтау сұлбаларын таңдау
28
4
38
Қорытынды
Пайдаланылған әдебиттер тізімі
51
53
Кіріспе
Электр энергетикасы базалық салалардың бiрi бола отырып, кез келген мемлекеттiң экономикалық, әлеуметтiк саласында маңызды рөл атқарады. Сондықтан электрэнергетикасы Қазақстан Республикасы экономикасының басым секторларының бiрi ретiнде айқындалып, жаңа тиiмдiлiгi жоғары технологиялар мен елдiң жалпы iшкi өнiмiндегi (ЖIӨ) энергия қажетсiнудi тұрақты төмендету базасында электрэнергетикасының орнықты дамуы кезiнде энергетика - экономика - табиғат - қоғам серпiндi теңдестiрiлген жүйе ретiнде қарастырылады.
Экономиканы әртараптандыру мен өнеркәсiптiң шикiзаттық емес салаларын және ауыл шаруашылығын дамытуға күш салынып жатыр. Әлемнiң барынша бәсекеге қабiлеттi 50 елiнiң қатарына кiру мiндетi қойылған.
Қазақстанның бiрыңғай электрэнергетикалық жүйесi Ресейдiң БЭЭЖ- мен және Орталық Азияның бiрiккен энергетикалық жүйесiмен (БЭЖ) қосарлас жұмыс iстейдi.
Қазақстан Республикасының бiрыңғай электр энергетикасы жүйесi республика тұтынушыларын сенiмдi де сапалы энергиямен қамтамасыз ететiн электр станцияларының, электр беру желiлерiнiң және қосалқы станцияларының жиынтығын бiлдiредi.
Қазақстанның БЭЭЖ үш шартты аумаққа бөлiнген: Солтүстiк (Ақмола, Ақтөбе, Қостанай, Павлодар, Солтүстiк Қазақстан, Шығыс Қазақстан, Қарағанды облыстары) ; Оңтүстiк (Алматы, Жамбыл, Қызылорда, Оңтүстiк Қазақстан облыстары) ; Батыс (Атырау, Батыс Қазақстан, Маңғыстау облыстары) .
Қазақстан Республикасының электр энергетикасы мына секторларды қамтиды: электр энергиясын өндiру; электр энергиясын беру; электр энергиясымен жабдықтау; электр энергиясын тұтыну; электр энергетикасы саласындағы өзге де қызмет.
Электр энергиясы негізгі тұтынушыларына мыналар жатады: өнеркәсіп орындары, ауыл шаруашылығы, көліктер, қала мен ауылдардың комуналдық шарушылығы. Осыған қарамастан электр энергиясының сексен проценттен астамын өнеркәсіп объектілері тұтынады.
Энергожүйеден өндіріс объектілеріне, қондырғыға, жабдық пен механизмдерге қажетті мөлшер мен сапаға сай электр энергиясын беруді қамтамасыз ету үшін кернеуі 1000В-қа дейін және жоғары желіден тұратын өндіріс мекемелерінің электр жабдықтау жүйелері, трансформаторлық, түрлендіргіш және бөліп тұратын қосалқы станциялар қызмет етеді.
Электр жабдықтау нысандарын жобалаудың басты мәселесі - олардың сенімділігі мен үнемділігінің жоғарғы сатысын қамтамасыз ету. Өнеркәсіптердің электр жабдықтауын жобалау ғылым мен техниканың ең жаңа жетістіктерін қолдануды есепке ала отырып жүргізіледі. Салынатын электр қондырғылар эксплуатациясының қауіпсіздігін, сенімділік пен үнемділікті қамтамасыз ету керек. Жобалау кезінде бұл көрсеткіштер технико- экономикалық есептеудің көмегімен жүзеге асырылады.
Курстық жұмыстың мақсаты: технико-экономикалық есептеулер негізінде өндіріс орнын электрмен жабдықтаудағы өттпелі процестерге талдау жасау. Ол үшін өндіріс орнының есептік жүктемесін анықтау және сыртқы жабдықтау сұлбасындағы коммутациялық аппаратураны таңдау қажет.
Бас төмендеткіш қосалқы станцияда және трансформаторлық қосалқы станцияда конденсаторлар батареясын қою арқылы реактивті қуатқа компенсация жасау. Зауыт ішінде БТҚС-дан ТҚС-ға дейін, синхронды қозғалтқышқа дейін жоғары кернеулі кабельдерді таңдау және кабельді журналды толтыру, зауыттың басты жоспарын, бір сызықты электрлік схемасын, арнайы бөлімнен сұлба сызу, зауыт ішіндегі тиімді кернеуді табу керек.
- Негізгі бөлімӨтпелі процестер
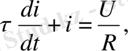
Алғашында өтпелі процестерді есептеудегі жалпы жағдайларды қарастырамыз. Мысал ретінде тармақталмаған R, L, C элементтерінен тұратын тізбекке е(t) ЭҚК көзін қосып, ол үшін Кирхгофтың екінші заңын жазамыз:
Ri + L di/dt +1/C ∫ idt = e, (1. 1)
1-сурет
мұндағы і − өтпелі ток, коммутация болғаннан кейін өтпелі процеспен санаспайтындай уақытқа жеткенде еріксіз (принуж-денный) режимге өтетін боламыз ( орныққан, қалыптасқан режим) .
Ri еркз + L di еркз / dt + 1/C ∫ i еркз dt = e , (1. 2) мұндағы і еркз ─ еріксіз ток (орныққан режимдегі ток) . (1. 1) тең-деуден (1. 2) теңдеуді алатын болсақ, сонда
і ерк = і-і еркз (1. 3)
Ri ерк + L di ерк / dt + 1/C ∫ i ерк dt = 0 (1. 4)
немесе u Rерк + u Lерк + u Cерк = 0 (1. 4а) мұндағы і ерк және u ерк ─ еркін (свободный) процестегі ток және кернеу.
Демек, өтпелі прцесс кезіндегі ток және кернеу еріксіз және еркін режимдеріндегі процесс болып жіктеліп, олардың қосын-дысына тең болады.
і = і еркз + і ерк ; u R = u Rеркз + u Rерк
u L = u Lеркз + u Lерк ; u C = u Cеркз + u Cерк (1. 5)
Бұл түзу сызықты электр тізбегі үшін беттестіру (наложение) принципі болып саналады. Физикалық тұрғыдан қарағанда тізбек те тек өтпелі токтар және кернеулер ғана болады, ал оларды еріксіз және еркін құраушыларына жіктеу тек математикалық ыңғайлы шешім болып саналады. Ол түзу сызықты электр тізбектеріндегі өтпелі прцестерді есептеуді жеңілдетеді. Шындығында еркін ток, біртектес дифференциалдық теңдеудің жалпы шешімі болып есептеледі, яғни оның шешімі көрсеткіш функ-циясы Ae pt болып саналады. Бұл өрнекке А ─ тұрақты еселеуіші кіреді, оның саны дифференциалдық теңдеудің дәреже көрсеткіш ретіне тең.
1. 2 Өтпелі процестерді классикалық әдіспен есептеу
Электр тізбектерінде пассивті немесе активті тармақтардың қосылуы және ажыратылуы, жеке тізбек бөліктерінің қысқа тұйықталуы, оларды әр -түрлі ауыстырып қосу, сондай-ақ тізбек параметрлерінің тосыннан өзгеруінің болуы мүмкін. Осындай өзгерістердің салдарынан тізбекте өтпелі процестер пайда болады. Өтпелі процесс дегеніміз, ол электр тізбегіндегі жұмыс тәртіптерінің бір режимнен басқа режимге ауысуы деп білеміз. Тізбектегі өтпелі процестерді коммутациялау (қосу немесе ажырату) арқылы шақырады. Әдетте өтпелі процесс аса тез өтеді, сон-да да болса оны зерттеп білу, меңгеру өте қажет, себебі ол тізбектің жеке бөлігіндегі кернеудің ұлғаюына әкеліп, ол құрылғы оқшауламасы үшін қауіпті болуы да мүмкін, сондай-ақ ток амплитудасының ұлғаюына да әсерін туғызады, олар орныққан периодты процестегі ток амплитудасынан ондаған есе артып кетуі де мүмкін.
Коммутацияның екі заңы бар, соларға анықтама берейік:
1. Индуктивті тармақтағы ток және магнит ағыны коммутациялау кезінде тікелей коммутацияға дейінгі мәніне тең болады және одан ары тек сол мәннен бастап өзгере бастайды;
і L (0 ַ ) = і L (0 + ),
мұндағы, і L (0 ַ ) - коммутацияға дейінгі ток, і L (0 + ) - коммутация-дан кейінгі ток.
Егер индуктивті ток секірмелі өзгереді деп ұйғаратын болсақ, онда индуктивті кернеу u L = Ldi/dt шексіздікке тең болар еді. Мысалы индуктивтігі бар тармаққа тізбекке қосқан мезгілде онда ток болмаса, бұл тармақтағы ток коммутациясы мезгілінде нольге тең болады да, нольден бастап өзгереді.
2. Сыйымдылығы бар кез келген тармақтағы кернеу және сы-йымдылықтағы заряд коммутациялау кезінде тікелей коммута-цияға дейінгі мәніне тең де, бұдан былай тек осы мәнінен бастап өзгереді. Егер коммутациялау кезінде сыйымдылығы бар тармақ үшін сыйымдылықтағы кернеу секірмелі өзгереді деп ұйғарсақ, ондағы ток і = С du C / dt шексіздікке тең болар еді және кедергісі бар тізбекке тағы да Кирхгофтың екінші заңы орын-далмайды.
Бұл жағдайларды энергетикалық тұрғыдан да түсіндіруге болады. Индуктивтіктегі токтың және сыйымдылықтағы кер-неудің лезде (секірмелі) өзгерудің мүмкін еместігі, соларда жи-налған энергияның ( орауыштағы магнит өрісінің энергиясы Li 2 /2 және конденсатордың электр өрісінің энергия-сы Сu 2 C /2 тең ) секірмелі өзгере алмайтындығында. Шындығында олардағы энер-гияның секірмелі өзгеруі үшін индуктивтікте және сыйымды-лықта шексіз аса үлкен қуат керек болар еді, ол мүмкін емес, сондықтан ол физикалық мағынасын жоғалтады. Түзу сызықты тізбектердегі өтпелі процестерді қарастырғанымызда коммутация кезінде пайда болатын электр доғасын ескермейміз, өйткені электр доғаның коммутациялауға әсері тимес үшін коммутация-лау ұзақтығын өтпелі процестермен салыстырғанда өте аз деп санаймыз. Коммутацияның басталу уақытын t=0 ַ немесе t=0 + деп қабылдаймыз.
1. 3 Өтпелі процестерді оператор әдісімен есептеу
1. 4 Өтпелі процесс және оның пайда болу себептері. Коммутацияның екі ережесі
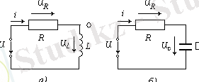
Активті кедергісі және индуктивтігі бар реал катушка кернеу көзіне қосылған (1, а-сурет) . Тізбектегі кернеулер Кирхгофтың екінші заңы бойынша
(1)
Мұндағы индуктивтік кернеу өздік индукция ЭҚК-не тең де
Ал активті кернеу
Кернеудің осы мәндерін (1) теңдігіне қойса
(2)
Электр көзі кернеуінің мөлшерлі мәні бар шама. Мысалы, пәтерлердегі электр желісінің кернеуі 220 В - тұрақты шама. Осындай мөлшерлі кернеудің әсерінен тізбекте ток кенеттен секіріп өзгерді делік, яғни
өте аз уақыт ішінде ток мөлшерлі шамаға жеткен. Ендеше
нольге ұмтылғанда токтың уақытқа қатынасы өте үлкен мәнге ие болады, яғни
Токтың өзгерісінің осы мәнін (2) теңдігіне қойса, оң жағы мөлшерлі шама да, сол жағы өте үлкен шама болып, Кирхгофтың екінші заңына қайшы келеді. Олай болса токты өте аз уақыт ішінде секіріп өзгереді деп есептеу қате: ток индуктивті катушкада кенеттен секіріп өзгере алмайды. Мұның себебі катушканың индуктивтігінің болуында - онда пайда болатын өздік индукция ЭҚК-і тудыратын токтың тізбектің тогына кері бағытта болып (Ленц заңы бойынша), оны тез өсірмейтіндігінде. Бірақ катушкада кернеудің секіріп өзгеруі мүмкін.
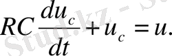
Енді активті кедергісі (астарларының арасымен аздап ток жүретін) және сыйымдылығы бар конденсатор кернеу көзіне қосылған екен делік (1, б-сурет) .
Кирхгофтың екінші заңы бойынша
Немесе
(3)
1-сурет. Реал катушка (а) мен реал конденсатордың (б) орынбасарлық схемалары
Тізбектегі ток сыйымдылыққа және ондағы кернеудің өзгерісіне байланысты, яғни
Токтың осы мәнін (3) теңдігіне қойса
(4)
Қарастырылып отырған тізбекте кернеу кенеттен секіріп өзгеріп,
өте аз уақыт ішінде
мөлшерлі шамаға жетті десе,
нольге ұмтылғанда кернеудің уақытқа қатынасы өте үлкен мәнге ие болады, яғни
Кернеудің өзгерісінің осы мәнін (4) теңдігіне қойса, оң жағы мөлшерлі шама да, ал сол жағы өте үлкен шама болып, Кирхгофтың екінші заңы орындалмай қалады. Ендеше кернеуді кенеттен секіріп өзгереді деп есептеу қате: конденсаторда кернеу өте аз уақыт ішінде секіріп өзгере алмайды. Мұның себебі конденсатордың сыйымдылығының болуында - оның кенеттен зарядталып не зарядсызданып бітпейтіндігінде. Біра конденсаторда токтың секіріп өзгеруі мүмкін.
Жоғарыда айтылғандардан мынадай екі маңызды қорытынды жасалынады:
- индуктивті элементі бар тізбектерде ток аз уақыт ішінде секіріп өзгере (өсіп не азайып) алмайды;
- тізбектің сыйымдылықты элементтерінде кернеу аз уақыттың ішінде секіріп өзгере (өсіп не азайып) алмайды.
Бұдан бұрынғы өткен тақырыптарда тізбекке берілген кернеудің әсерінен онда мөлшерлі ток жүреді делінген еді. Бұл тұжырым токтың қалыптасқан мәні туралы ғана дұрыс. Ал тізбекті кернеу көзіне қосқан немесе одан ажыратқан кезде тізбектің индуктивтігінің және сыйымдылығының әсерінен онда ток пен кернеу бірден өздерінің қалыптасқан мәндеріне жетпейді. Ток пен кернеудің қалыптасқан мәндеріне жетуі үшін аздаған болса да уақыт керек. Міне осы уақыт ішінде тізбектің тогы мен кернеуі өзгеріп отырады. Мұндай жағдай тізбек қысқа тұйықталған немесе оның параметрлері кенеттен өзгерген кезде де байқалады.
Тізбекте оның бір жұмыс күйінен екінші бір жұмыс күйіне (бір күйден екінші күйге) ауысқан кезде болатын (байқалатын) процестер өтпелі процестер деп аталады. Өтпелі процестердің уаыты өте аз: әдетте секундтың оннан бір, жүзден бір бөлігіне тең; бірнеше секундқа немесе ондаған секундқа созылатын өтпелі процестер сирек кездеседі.
Өтпелі процестер көбіне коммутацияның салдарынан пайда болады.
Коммутация деп тізбектерді қосуды, қайталап қосуды, ажыратуды немесе ауыстырып қосуды атайды.
Өтпелі процестің уақыты аз болғанымен, ондағы ток пен кернеудің өзгерісінен электрлік қондырғылардың орнықты жұмысы бұзылады, кейде істен шығып та қалуы мүмкін. Сондықтан тізбектерді немесе электрлік қондырғыларды есептеген кезде өтпелі процестерді ескеріп отыру керек.
Өтпелі процесс кезінде ток пен кернеу олардың еркін және қалыптасқан мәндерінің қосындысына тең деп есептелінеді:
, (5)
(6)
мұндағы: i, u - өтпелі процесс кезіндегі ток пен кернеу; i e , u e - еркін ток пен еркін кернеу; i к , u к - қалыптасқан ток пен қалыптасқан кернеу.
Электр көзінің кернеуін нольге тең деп алғанда индуктивті элементтің магнит өрісі мен сыйымдылықты элементтің электр өрісінің энергиясы туғызатын ток пен кернеуді еркін ток және еркін кернеу деп атайды.
Өтпелі процесс аяқталғаннан кейінгі ток пен кернеуді қалыптасқан ток және қалыптасқан кернеу деп атайды.
Өтпелі процестерді есептеген кезде жоғарыдағы тұжырымдарға негізделген екі ереже ерекше орын алады. Оларды коммутацияның екі ережесі деп атайды.
Бірінші ереже бойынша индуктивтігі бар элементте коммутациядан кейінгі мезеттегі ток коммутацияға дейінгі токқа тең.
Коммутацияның екінші ережесі бойынша сыйымдылығы бар элементте коммутациядан кейінгі мезеттегі кернеу коммутацияға дейінгі кернеуге тең.
Электрлік қозғалтқыштардың, электр желісінің және т. б. электрлік қондырғылардың жұмысын түсіну үшін катушкасы мен конденсаторы бар қарапайым тізбектердегі өтпелі процестерді білу өте қажет.
Индуктивті катушкадағы өтпелі процестер
Индуктивті катушкалар тұрақты және айнымалы ток тізбектерінде кеңінен қолданылады. Мысалы, тұрақты және айнымалы ток машиналарының орамалары, тұрақты және айнымалы электромагниттері мен релелерінің катушкалары, т. б.
Енді осы тұрақты және айнымалы ток тізбектеріндегі катушкалардағы өтпелі процестерді қарастырайық.
Активті кедергісі және индуктивтігі бар реал катушкаға тұрақты кернеу берілді делік (2, а-сурет) .
2-сурет. Реал катушканы тұрақты (а) және айнымалы (б) кернеу көздеріне қосу схемалары
Коммутациядан кейін ток нольден бастап қалыптасқан мәніне дейін өседі:
(7)
мұндағы R - катушканың тұрақты токқа кедергісі.
Өтпелі токтың өзгеру заңдылығын коммутациядан кейінгі мезет үшін Кирхгофтың екінші заңы бойынша жазылған өрнектен табуға болады:
(8)
Енді осы теңдіктің екі жағын да R- ге бөлсе
немесе
(9)
мұндағы
- уақыт тұрақтысы деп аталады, өйткені оның өлшемдігі уақыт бірлігіне тең.
Айнымалы шамаларды бөліп (9) дифференциалды теңдеуін шешсе
Бұдан
(10)
Коммутацияның бастапқы мезетінде, яғни t=0 уақытта, ток нольге тең, i=0 . Осы бастапқы шарттар бойынша (10) теңдігінен интегралдау тұрақтысы
Интегралдау тұрақтысының осы мәнін (10) теңдігіне қойса
(11)
(5) және (7) теңдіктерін ескерсе
(12)
(13)
(5), (7) және (13) теңдіктері бойынша тұрғызылған токтың уақыттан тәуелділігінің графиктері 3-суретте келтірілген.
3-сурет. Қалыптасқан ( I к ), еркін ( і е ) және өтпелі ( і ) токтардың графиктері
Осы графиктерден және теңдіктерден көрініп тұрғандай, еркін ток пен өтпелі ток экспонента бойынша өзгереді: мұнда еркін ток -
I
к
-дан 0-ге дейін экспонента бойынша азайып, ал өтпелі ток экспонента бойынша 0-ден
I
к
-ға дейін өседі. Уақыт тұрақтысы
осы токтардың өсу тездігін көрсетеді. Ол тек қана тізбектің индуктивтілігі мен активті кедергісіне байланысты: индуктивтілік активті кедергіге қарағанда көп болса токтың өсуі баяу болады және өтпелі процестің уақыты ұзарады.
Практикада өтпелі процесс (3-4) τ уақыт өткенде аяқталады деп есептелінеді.
Активті кедергі мен индуктивтіліктегі кернеулер:
(14)
(15)
Осы теңдеулер бойынша кернеудің уақыттан тәуелділігінің графиктерін тұрғызса (4-сурет), активті кедергінің кернеуінің 0-ден электр көзінің кернеуі U -ға дейін көбейетінін, ал индуктивтіліктің кернеуінің электр көзінің кернеуі U -дан 0-ге дейін азаятынын анықтауға болады. Мұның себебі катушкада өздік индукция ЭҚК-нің пайда болуында.
4-сурет. Кернеу көзінің (U), активті (u R ) және индуктивті (u L ) кернеулердің графиктері
Сонымен индуктивті элементті кернеу көзіне қосқанда бастапқы мезетте оның индуктивтік кернеуі толық кернеуге тең болады. Сондықтан оның изоляциясы толық кернеудің мәніне есептелген болуы керек.
Ал осы индуктивті катушканы кернеу көзінен ажыратқан кезде ток кенеттен жоқ болып кетпейді - коммутацияның бірінші ережесі бойынша ол коммутациядан бұрынғы мәнін сақтайды. Егер ажыратқыштың түйіспелері ажырап кеткен болса, онда ток қай жолмен жүреді, қайда барады? Бұл кезде түйіспелердің потенциалдар айырымы өздік индукция ЭҚК-нің әсерінен өте үлкен болады да, ал олардың арасындағы кернеу өте көбейіп кетеді. Осының салдарынан түйіспелердің арасындағы ауа иондалып, доға пайда болады да, ток осы доғаның бойымен кернеу көзімен жалғасып жатады. Ток доға түзген тізбекпен катушканың магнит өрісінің энергиясы доғада және катушканың активті кедергісінде жылу энергиясына айналып таусылғанша жүре береді.
Доғаның кедергісі өзгеріп отыратындықтан катушканы кернеу көзінен ажыратқан кездегі өтпелі токты дәлдеп анықтау қиын.
Доға ажыратқыштың түйіспелерін қатты қыздырады, кейде балқытып та жібереді. Түйіспелердің үсті эрозияға ұшырап, олар дұрыс жұмыс істеуден қалады. Сондықтан коммутациялық аппараттарда әртүрлі доға сөндіргіш құрылғылар қолданылады.
Доғаны болдырмаудың бір жолы - ол индуктивті катушкаға параллель қосымша кедергі қосу. Мұнда катушканың өздік индукция ЭҚК-і тудырған токтың энергиясы қосымша кедергіге беріледі де, онда жылу энергиясына айналады.
Енді активті кедергісі және индуктивтілігі бар реал катушка синусоидал кернеу көзіне қосылды делік (2, б-сурет) .
Электр көзінің кернеуі:
(16)
Осы тізбек үшін Кирхгофтың екінші заңы бойынша:
(17)
Катушканың өздік индукция ЭҚК-і индуктивтік кернеумен теңдестірілетіндіктен:
Кернеудің мәндерін (17) теңдікке қойсақ:
(18)
Қалыптасқан ток:
(19)
мұндағы
(20)
Еркін токты катушканың магнит өрісінің энергиясы тудыратындықтан (электр көзінің кернеуі нольге тең) :
Бұл теңдеудің шешімі:
(21)
Ендеше өтпелі ток:
(22)
Интегралдау тұрақтысы А коммутацияның біріншіережесі бойынша табылады. Коммутациядан кейінгі мезетте ( t=0 ) өтпелі ток нольге тең деп алғанда ( i=0 ) :
Бұдан интегралдау тұрақтысы:
(23)
Интегралдау тұрақтысының осы мәнін (21) және (22) теңдіктерге қойса:
(24)
(25)
Теңдеулерден көрініп тұрғандай, еркін токтың шамасы тізбектің кернеу көзіне қосылу мезетіне, яғни кернеудің бастапқы фазасына байланысты. Егер (24) теңдеуінде синустың аргументі нольге тең болса, яғни
онда еркін ток та нольге тең,
Мұнда өтпелі ток қалыптасқан токқа тең болады да, тізбекте өтпелі процесс болмайды.
Егер
болса, онда токтардың таңбалары бірдей болады да өтпелі ток қалыптасқан токтан артық та, ал еркін ток максимал мәніне
болғанда ие болады. Уақыт тұрақтысына байланысты бұл жағдайда өтпелі ток қалыптасқан токтың амплитудасынан үлкен болуы мүмкін.
- Электр техникалық кешендердегі өтпелі процестерЗауыттағы технологиялық процесс
Құрал-сайман зауыты цех, қызмет, шаруашылық деп аталатын бөлек- бөлек өндірістік бірліктерден тұрады. Зауыт цехтері негізгі, көмекші, қосалқы деп бөлінеді. Негізгі цехтері тікелей өндірістік өнімді шығаруда жұмыс жасайды. Өндірістің ұйымдастыруының технологиялық принципәне сәйкес негізгі цехтер да йындау, өңдеу және өнімді шығару цехтері болып бөлінеді. Дайындау цехтеріне - темір соғу, дәнекерлеу, таңбалау, бұранда, фрезерлеу, прокаттау цехтері, ал өңдеу цехтеріне - механикалық, термиялық цехтері жатады.
- сурет - Механикалық-жөндеу цехі
- Іс жүргізу
- Автоматтандыру, Техника
- Алғашқы әскери дайындық
- Астрономия
- Ауыл шаруашылығы
- Банк ісі
- Бизнесті бағалау
- Биология
- Бухгалтерлік іс
- Валеология
- Ветеринария
- География
- Геология, Геофизика, Геодезия
- Дін
- Ет, сүт, шарап өнімдері
- Жалпы тарих
- Жер кадастрі, Жылжымайтын мүлік
- Журналистика
- Информатика
- Кеден ісі
- Маркетинг
- Математика, Геометрия
- Медицина
- Мемлекеттік басқару
- Менеджмент
- Мұнай, Газ
- Мұрағат ісі
- Мәдениеттану
- ОБЖ (Основы безопасности жизнедеятельности)
- Педагогика
- Полиграфия
- Психология
- Салық
- Саясаттану
- Сақтандыру
- Сертификаттау, стандарттау
- Социология, Демография
- Спорт
- Статистика
- Тілтану, Филология
- Тарихи тұлғалар
- Тау-кен ісі
- Транспорт
- Туризм
- Физика
- Философия
- Халықаралық қатынастар
- Химия
- Экология, Қоршаған ортаны қорғау
- Экономика
- Экономикалық география
- Электротехника
- Қазақстан тарихы
- Қаржы
- Құрылыс
- Құқық, Криминалистика
- Әдебиет
- Өнер, музыка
- Өнеркәсіп, Өндіріс
Қазақ тілінде жазылған рефераттар, курстық жұмыстар, дипломдық жұмыстар бойынша біздің қор #1 болып табылады.

Ақпарат
Қосымша
Email: info@stud.kz