Мұнайды біріншілік өңдеу технологиясы


МАЗМҰНЫ
1 ТЕХНОЛОГИЯЛЫҚ БӨЛІМ.
- Мұнайды біріншілік өңдеу технологиясы
- Мұнайды біріншлік өңдеуге арналған қондырғылар
- ЭТСҚ-АВТ схемасын таңдау және негіздеу
- ЭТСҚ қондырғысының технологиялық сызбасы
2. ЕСЕПТІК БӨЛІМ
2. 1 ЭТСҚ блогының, АВТ блогының материалдық балансы
2. 2 Атмосфералық колоннаның технологиялық есебі
2. 3 Колоннаның негізгі өлшемдерін анықтау
3 ГРАФИКАЛЫҚ БӨЛІМ
3
5
6
7
10
13
19
28
29
КІРІСПЕ
Мұнай ең жоғары жану жылуы бар жанармай ретінде белгілі, өйткені оның құрамында ең жоғары жану жылуы бар сутектің көп мөлшері бар. Мұнайдан әртүрлі мұнай өнімдерінің кең спектрі шығарылады: отын, май және түрлі химиялық заттар.
Мұнай мен Газды өңдеу әдістері физика-химиялық процестерге негізделген. Бұл процестерді басқару Мұнай құрамына кіретін заттардың физика-химиялық қасиеттерін терең білуді қажет етеді. Мұнай өңдеудің біріншілік және екіншілік әдістерін ажыратады. Біріншісіне мұнайды фракцияларға бөлу процестері кіреді, оның ықтимал мүмкіндіктері алынған өнімдер мен жартылай өнімдердің ассортименті, саны мен сапасы бойынша қолданылады.
ЭТСҚ-АВТ қондырғысы тауарлық мұнай өнімдерін, сондай-ақ қайталама үдерістер үшін шикізатты жеткізуші болып табылады. Мұнай жағымсыз қоспалардан тазартылып, қайта өңдеуге дайындалады және қайта өңдеу қондырғыларында одан әрі пайдалануға жарамды тар фракцияларға таратылады.
Бір қондырғыдағы атмосфералық және вакуумдық айдау процестерін біріктірудің келесі артықшылықтары бар: байланыс желілерін азайту, аралық контейнерлердің аз саны, ықшамдылық, техникалық қызмет көрсету ыңғайлылығы, дистилляттар мен қалдықтардың жылуын толық пайдалану мүмкіндігі, металл шығыны мен пайдалану шығындарын азайту, үлкен еңбек өнімділігі.
ЭТСҚ-АВТ қондырғысы құрамдастырылған қондырғы болып табылады. ЭТСҚ блогы мұнайдың сусыздануын және тұздануын, ал АВТ блогы-атмосфералық және вакуумдық айдауды қамтамасыз етеді. Автокөліктен алынатын фракциялардың ассортименті ең алдымен мұнай мен оның фракцияларының қасиеттерімен анықталады.
ТЕХНОЛОГИЯЛЫҚ БӨЛІМ
1. 1. Мұнайды біріншілік өңдеу технологиясы
Мұнайды біріншілік өңдеу дегеніміз, мұнайды табиғи құрамын өзгертпей фракцияларға дистилляциямен бөлуді айтады. Біріншілік өңдеу мұнайдың құрамындағы қосылыстардың құрылысымен химиялық табиғатына әсер етпейтін физикалық процестер болып табылады. Біріншілік процестердің ішінде маңыздысы мұнайды тура айдау. Айдау, мұнайды фракцияларға бөлудің ең алғашқы әдісінің бірі. Айдау - қоспаларды қыздырып бөлу процесі мен әдісі; ол сұйықтық құрамының одан түзілетін бу құрамынан айырмашылығына негізделген сұйық; сұйықтықты ауа қатыстырмай қыздырып, буға айналдырып, буды салқындатып қайтадан сұйылту; қоспадағы сұйықтықтарды бір-бірінен бөлу үшін қолданылады.
· Атмосфералық айдау - атмосфералық қысымда айдау;
· Бөлектей айдау - дистиллятты бөле отырып, жай айдау;
· Бөлшектеп айдау - дистиллятты бөліп жай айдау;
· Вакуумдық айдау - төмен қысымда айдау;
· Жай айдау - бір рет өткізілетін айдау;
· Кері булап айдау - дистиллятты бөлектеп, жартылай кері булау жолымен байытып айдау;
· Су буымен айдау - қоспаның қайнау температурасын төмендету үшін қосымша су буын енгізіп айдау
Қазіргі кезде бірде бір мұнай анализі атмосферлі қысымда немесе вакуумда айдау мен ректификациясыз жүрмейді.
Атмосферлі айдау Вакуумде айдау
Бензин 80-170 о С Бензин 28-180 о С
Лигроин 160-200 о С Керосин 140-240 о С
Керосин 240-350 о С Дизель 240-380 о С
Мазут 350 о С Газойль 350-500 о С
Атмосфералық айдауда қалдық- мазут; вакуумда- гудрон.
Мұнайды жай айдау- оны бір немесе көпдәрежеде буландыра отырып, бу фазалы конденсация түзілуімен жүретін процесс.
Мұнайды біріншілік өңдеу қондырғылары трубалық деп аталады. Егер қондырғы ашық түсті дистиляттарды алуға негізделген болса(бензин, керосин, дизель т. б), оны атмосферлі трубалық қондырғы(АТ) д. а. егер қондырғы тек мазутты вакуумде айдауға негізделсе, оны вакуумды трубалық(ВТ) қондырғысы д. а. жалпы жағдайда қоедырғы толық, терең айдауға негізделген болса, оны атмосферлі вакуумды трубалы (АВТ) қонд. д. а. бұл қондырғыны мұнайды терең тұзсыздандыру блогымен комбинирленгендегі қондырғыны ЭЛОУ АВТ деп атайды.
Мұнайды біріншілік өңдеу, жылулық процесс, сондықтан ол энергоресурстардың жұмсалуымен байланысты болады (отын, су, суытатын ауа, электр энергия, су буы) .
Энергия жұмсалу АВТ үшін(6млн т /жыл қуатты) . Қазіргі АВТ қонд. қуаттылығы 0. 5 тен 10 млн т/ж болады. Мұнайдың азаюына байл. қуаттылығы төмендеу қонд. АВТ қайта іске қосылмақ. Егер барлық энергия тасымалдағыштарды отынның эквивалентіне алмастырсақ, бір тонна мұнайды біріншілік өңдеу үшін 50-60 кг отын, мұнайдың жану жылуына жақын жану жылуы бар, отын жұмсалады.
Қазіргі кезде МӨЗ да АВТ қондырғысы техникалық тізбектің негізі б. т. Ол зауыттың қуаттылығын анықтайды. АВТ дан бөлінетін мұнай дистилляттарының жалпы саны жетіден он аралығы. Біріншілік айдау қондырғылары шығынды, температураны, қысымды және аппараттар мен құбырлар желісіндегі өнімдер деңгейін өлшеуге және автоматты реттеуге арналған жабдықтармен көп мөлшерде жабдықталған. Біріншілік айдау қондырғ. қалыпты пайд. көп жағдайларда пештер жұмысына байланысты болады. Құбырлы пештің негізгі реттелетін параметрі пештен шыға берістегі қыздырылатын өнім температурасы. Бұл температураны тұрақты ұстап тұру қажет. МӨЗ да құбырлы пештердің температуралық режиміне байл. реттеу схемалары қолданылады.
1. 2. Мұнайды бастапқы өңдеуге арналған қондырғылар
Мұнайды бастапқы өңдеу оның ЭЛОУ-АВТ қондырғысына түсуінен басталады. Бұл сапалы өнімді алу үшін қажет жалғыз және соңғы қондырғыдан алыс, бірақ технологиялық тізбектегі қалған байланыстардың тиімділігі осы бөлімнің жұмысына байланысты. Мұнайды бастапқы өңдеуге арналған қондырғылар әлемдегі барлық мұнай өңдеу компанияларының өмір сүруінің негізі болып табылады.
Мұнайды бастапқы айдау жағдайында мотор отынының барлық компоненттері, майлау майлары, қайта өңдеу процесі мен мұнай химиясы үшін шикізат бөлінеді. Отын компоненттерінің, майлау майларының саны мен сапасы, техникалық-экономикалық көрсеткіштер осы қондырғының жұмысына байланысты, оларды білу кейінгі тазарту процестері үшін қажет.
Стандартты ЭЛОУ-АВТ қондырғысы келесі блоктардан тұрады:
электрообессоливающая орнату (ЭЛОУ) ;
атмосфералық;
вакуумдық;
тұрақтандыру;
ректификациялық (қайталама айдау) ;
сілтілеу.
Блоктардың әрқайсысы белгілі бір фракцияны бөлуге жауап береді.
Мұнай өңдеу процесі:
Жаңа өндірілген мұнай фракцияларға бөлінеді. Ол үшін оның жеке компоненттерінің қайнау температурасындағы айырмашылық және арнайы жабдық - қондырғы қолданылады.
Шикі мұнай ЭЛОУ блогына жіберіледі, онда одан тұздар мен су бөлінеді. Тұзсыздандырылған өнімді қыздырады және атмосфералық айдау блогына жібереді, онда мұнай ішінара бензинделеді, төменгі және жоғарғы өнімдерге бөлінеді.
Төменгі бөліктен бензинді мұнай негізгі атмосфералық бағанға жіберіледі, онда керосин, жеңіл дизель және ауыр дизель фракциялары шығарылады.
Егер вакуумдық блок жұмыс істемесе, онда мазут тауар-шикізат базасының бір бөлігіне айналады. Вакуумдық блок қосылған жағдайда бұл өнім қызады, вакуумдық бағанға түседі және одан жеңіл вакуумдық газойль, ауыр вакуумдық газойль, күңгірт өнім, гудрон шығарылады.
Бензин фракциясының жоғарғы өнімдері араласады, су мен газдардан босатылады, тұрақтандыру камерасына жіберіледі. Заттың жоғарғы бөлігі салқындатылады, содан кейін конденсат немесе газ сияқты буланып, төменгі бөлігі тар фракцияларға бөліну үшін екінші дистилляцияға жіберіледі.
1. 3. ЭТСҚ-АВҚ комбинирленген қондырғысының технологиялық жүйесі
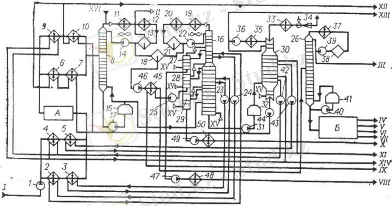
Мұнайды өңдеуге негізделген екіншілік айдауы бар ЭЛОУ-АВТ қондырғысының сипаттамасы келесідей (сурет 1. ) :
Қондырғыға берілетін мұнай насоспен (1) екі ағын болып шикізат жылуалмастырғыштары (2) - (5) арқылы өтеді. Бірінші ағын колоннаның (16)
үстіңгі (2-де) және төменгі (3-те) циркуляциялық суландылуларымен жылуалмасу арқылы жылытылады. Екінші ағын жылуалмастырғыштар (4) және (5) арқылы өтіп вакуум колоннасының (30) төменгі және ортаңғы циркуляциялық суландырулармен жылытылады. Содан кейін мұнайдың екі ағыны да араластырылып беріледі. Сусыздандырылған және тұзсыздандырылған мұнай кейін қайтадан екі ағынға бөлініп жылуалмастырғыштарға беріледі. Мұнайдың бірінші ағыны жылуалмастырғыштар (6) мен (7) -де гудронмен жылытылады, екінші ағын (9) -да калоннаның (30) төменгі циркуляциялық суландыруымен және (10) -да
гудронмен жылытылады. Содан кейін мұнай бензинсіздендіру калоннасына (8) беріледі.
Атмосфералық колоннада (16) екі бүйірліік погон - керосиндік (180-240°С фракция), дизельдік (240-350°С фракция) алынады.
Атмосфералық колонна қалдығы - мазут - насоспен (31) құбырлы пешке (32) беріледі. Пеште 410°С-ге дейін қыздырылған мазут вакуумдық колоннаға (30) беріледі. Колоннада 6, 6кПа қалдық қысым ұсталып отырады. Колоннаның төменгі жағының температурасын төмендету және гудроннан жеңіл компоненттердің булану шарттарын жеңілдету үшін (30) -дың төменгі бөлігіне су буы беріледі.
1 - сурет. ЭТСҚ-АВҚ-6 комбинирленген қондырғысының технологиялық схемасы.
1, 14, 17, 22-25, 31, 36, 39, 40, 42-44, 46, 47, 49 - насостар; 2-7, 9, 10, 45 - жылуалмастырғыштар; 8, 16, 25-30 -колонналар; 11, 12, 19, 20, 33, 37-конденсатор-тоңазытқыштар; 13, 18, 21, 38 - сыйымдылықтар; 15, 32, 41 - құбырлы пештер; 34-эжектор; 35, 48, 50-тоңазытқыштар; А- электродегидраторлар торабы; Б-бензинді екіншілік айдау торабы; I-мұнай; II-газ; III- тұрақтандыру басы; IV-VII-жеке бензин фракциялары; VIII-180-230°С фракция; IX-230- 280°С фракция; X-280-350°С фракция; XI-350-500°С фракция; XII-гудрон (500°С-ден жоғары фракция) ; XIII-350°С-ден төмен фракция; XIV-400°С-ден жоғары фракция; XV-су буы; XVI- коррозия ингибиторы.
Колоннаның (30) жоғарғы жағынан су буы, ыдырау газдары, ауа мен мұнай өнімінің (дизельдік фракция) азғантай бөлігі шығарылады. Олар конденсаторға (33) келіп түседі. Конденсацияланбаған газдар көп сатылы эжектормен (34) сорылады.
Колоннада (30) үш циркуляциялық суландыру қарастырылған: үстіңгі суландыру 15-табақшадан алынып, химиялық тазаланған суды қыздыруға арналған жылуалмастырғышта суытылып 18-табақшаға қайтарылады.
Баланстық мөлшер (350°С-ден төмен қайнайтын фракция) колонна (16) -ға бағытталады немесе дизельдік отын ағынына араластырылады. 9-табақшадан 350-500°С (вакуумдық газоиль) фракция және орта циркуляциялық суландыру алынады. Суландыру 11-табақшаға қайтарылады, ал фракция жылуалмастырғыш (5) арқылы қондырған шығарылады. Төменгі циркуляциялық суландыру 5 - табақшадан шығарылып, жылуалмастырғыштар (4) және (9) -да салқындатылып 6-табақшаға қайтарылады.
Вакуумдық колонна қалдығы-гудрон (500°С-ден жоғары қайнайтын фракция) жылуалмастырғыштар (6), (7), (10) арқылы қондырғыдан шығарылады.
1. 4. ЭТСҚ қондырғысының технологиялық сызбасы
Шикі мұнай демульгатор мен сілті ерітіндісімен араласады, жылу алмасу қондырғысына түседі, онда ол оңтайлы температураға дейін қызады. Содан кейін қыздырылған майды эжекциялық араластырғыштарда екінші сатыдағы электрлік дегидраторлардан (E-1/2 және Е-2/2) келетін шайғыш сумен араластырады, сонымен қатар бірінші сатыдағы параллель жұмыс істейтін электрлік дегидраторларға береді (E-1/1 және Е-2/1), жоғарыдан аздап тұссызданған, сусызданған мұнай шығарылады, ал төменнен-тұзды су тазарту қондырғысына. E-1/1 және E-2/1 аздап тұссызданған, сусызданған мұнай инжекторлық араластырғыштарға түседі, онда ол цистернадан (E) таза сумен жуылады, содан кейін екінші сатыдағы электрлік дегидраторларға қосылады. Тұссызданған, сусызданған мұнай АВТ қондырғысына шығарылады.
Электродтар арасындағы кернеу 32-33 кВ деңгейінде сақталады. Шикізатты электрлік дегидраторға енгізу және шығару аппараттың төменгі және жоғарғы бөліктерінде орналасқан құбырлы перфорацияланған дистрибьюторлар (маточник сұйықтықтар) арқылы жүзеге асады. Негізгі сұйықтықтар мұнайдың жоғары ағынын біркелкі бөлуді қамтамасыз етеді.
Электрлік сусыздандырғыштың төменгі бөлігінде, маточник пен электродтар арасында, эмульсияны термохимиялық өңдеу жүргізілетін және судың ең үлкен тамшылары бөлінетін, құрамында демульгатор бар судың белгілі бір деңгейі сақталады.
Су айнасы мен төменгі электрод жазықтығы арасындағы аймақта май эмульсиясы әлсіз электр өрісіне, ал электродтар арасындағы аймақта - жоғары вольтты электр өрісіне ұшырайды.
С - араластырғыш; ТОБ - жылуалмастырғыш блок; Е - сыйымдылық; Н-1, Н-2 - сораптар; Э - электродегидраторлар
Сурет 2 - ЭТСҚ қондырғысының технологиялық сызбасы
2. ЕСЕПТІК БӨЛІМ
2. 1 ЭТСҚ блогының, АВТ блогының материалдық балансы
Материалдық баланс блок ЭЛОУ, АВТ мен колонналардың кестеде 1-2 ұсынылды. Бір жылдағы жұмыс күндерінің саны 340-қа тең.
Кесте 1. ЭЛОУ блогының материалдық балансы
Кесте 2. АВТ блогының материалдық балансы
3. Фракция 62-85°С
4. Фракция 85-120°С
5. Фракция 120-180°С
6. Фракция 180-230°С
7. Фракция 230-280°С
8. Фракция 280-350°С
9. Фракция 350-500°С
10. Фракция > 500°С
11. Потери
2, 7
4, 6
8, 8
7, 2
6, 7
9, 9
23, 0
32, 2
-
0, 99
0, 98
0, 97
0, 96
0, 96
0, 95
0, 86
1, 12
-
2, 6
4, 5
8, 5
6, 9
6, 4
9, 4
19, 8
36, 0
1, 0
151
261
493
400
372
545
1148
2088
58
444
768
1450
1176
1092
1604
3377
6141
171
18480
31985
60417
49044
45490
66814
140735
255882
7108
Кесте деректеріне сәйкес әлеуеттен іріктеу. Жарық фракцияларының нақты іріктелу сомасының (350°С-қа дейін қайнайтын) осы мұнайдың құрамындағы жарық фракцияларының жиынтық әлеуеттік құрамына қатынасы ретінде табылады.
Кесте 3. Бензиндеу колоннасының материалдық теңгерімі
Взято:
Нефть
Получено:
1. Газ
2. Фракция 28-120°С
3. Нефть отбензинен.
1, 9
10, 1
88, 0
110
586
5104
324
1723
15012
13505
71789
625490
Бензиндеу колоннасында алынатын фракцияны іріктеуді мас-тың 8% - ынан кем емес фракцияларды нақты іріктеу қисығы бойынша анықтаймыз. "нақты іріктеу, % мас. "кесте 6. 2. (суретті қараңыз) . 6. 1) .
Кесте 4. Атмосфералық бағанның материалдық балансы
Получено:
1. Фракция 120-180оС
2. 2. Атмосфералық колоннаның технологиялық есебі
Кесте 5. Бағанның материалдық балансы

Взято:
Нефть отбензиненная
Получено:
1. Фракция 120-180оС
Негізгі бағанның дизайнын, тақтайшалардың саны мен түрін таңдау
Бағанның биіктігі бойынша плиталар саны практикалық мәліметтерден алынады.
Төменгі айдау бөлігінде біз 4 тақтайшаны орнатамыз (n1 = 4) .
Колоннаның нығайтқыш бөлігінде-қуат аймағынан 280-350 ° C фракциясының Шығыс табақшасына дейін біз 6 тақтайшаны аламыз (төменнен есептегенде 5-тен 10-ға дейін), n2= 6.
280-350 ° c фракциясының Шығыс тақтайшасынан 230-280 ° c фракциясының Шығыс табақшасына дейін біз 10 тақтайшаны қабылдаймыз (11-ден 20-ға дейін), n3= 10.
230-280ос фракциясының Шығыс тақтайшасынан 180-230ос фракциясының Шығыс табақшасына дейін біз 10 тақтайшаны қабылдаймыз (21-ден 30-ға дейін), n4 = 10.
180-230ос фракциясының Шығыс тақтайшасынан табақтың жоғарғы жағына дейін біз 12 тақтайшаны аламыз (31-ден 42-ге дейін), n5 = 12.
Колоннада барлығы 42 тәрелке қабылданған, оның ішінде бекіту бөлігінде 38 дана, ал айдау бөлігінде - 4 дана.
Клапан плиталарын таңдаңыз. Бір табаққа қысымның айырмашылығы - 5 мм рт. ст. ст. (Рт = 0, 00066 МПа) .
Колоннаның биіктігі бойынша қысымды есептеу
Колоннаның биіктігі бойынша қысымды есептеу плиталардағы қысымның төмендеуіне байланысты жоғарыдан төменге қарай жүргізіледі. Суару ыдысындағы қысым Р= 0, 1 Мпа. ∆Р=0, 04 Мпа Қабылдаймыз.
Бағанның жоғарғы жағындағы қысым:
РВЕРХА = РЕ-2 +∆Р= 0, 1+0, 04=0, 140 Мпа
180-230 оС фракциясының Шығыс табақшасындағы қысым:
Р180-240 = Жоғарғы + = Р = n6=0, 140+0, 00066 = 12 =0, 148 Мпа
230-280 оС фракциясының Шығыс табақшасындағы қысым:
Р240-280 = р жоғарғы + = Р = (n4 + n5) =0, 140+0, 00066 = (10+12) =0, 155 Мпа
280-350ос фракциясының шығару пластинасындағы қысым:
Р280-350 = Жоғарғы + =Р = (n3 + n5 + n4 ) =0, 140+ 0, 00066 = (10+12+10) = 0, 161 Мпа
Бағанға кіру қысымы:
Кіру = Жоғарғы + = P = (n5 + n4 + n3 + n2 ) =0, 140+ 0, 00066 = (12+10+10 +6) = 0, 165 Мпа
Колоннаның биіктігі бойынша қысым келесідей бөлінеді:
Жоғарғы = 0, 140 Мпа;
Р 180-230=0, 148 Мпа;
Р230-280 = 0, 155 Мпа;
Р280-350 = 0, 161 Мпа;
Кіру = 0, 165 Мпа.
Су буының шығынын есептеу
Зауыт деректері бойынша су буының ағымының ауытқуы массаның 1, 6 - 2, 3% құрайды. негізгі атмосфералық бағанның шикізатына есептегенде, бұл орташа алғанда массаның 2% - ын құрайды. бөлінген өнімге. Есептеуді жеңілдету үшін су буы мен флегманың мөлшері 100 кг шикізатқа анықталады.
Бағанның төменгі бөлігіне жеткізілетін су буының шығынын өрнектен табамыз:
Zниза = ДМ ∙ 0, 02,
мұндағы Zниза-колоннаның төменгі бөлігіне берілетін су буының шығыны, кг;
дМ-мазут шығыны. Біздің есептеу үшін dm = 64, 5 кг
0, 02-су буының шығыны, бірліктен пропорцияда.
Zниза = ДМ ∙ 0, 02 =64, 5∙0, 02 = 1, 29 кг.
280-350 оС фракциясын өндіру үшін қызмет ететін К-2/3 стриппин-бағанына берілетін су буының шығыны:
ZX-2/3 = g280-350 ∙ 0, 02 =10, 7 ∙0, 02 = 0, 214 кг.
Тазартуда берілетін су буының шығыны-к-2/2 бағанына (230-280ос фракциясының шығысы) :
ZX-2/2 = g230-280 ∙ 0, 02 = 7, 3 ∙0, 02 = 0, 146 кг.
Тазартуда берілетін су буының шығыны-к-2/1 бағанына (180-230ос фракциясының шығысы) :
ZX-2/1 = g180-230 ∙ 0, 02 = 7, 8 ∙0, 02 = 0, 156 кг.
Бағанның биіктігі бойынша су буының мөлшерін анықтаймыз.
Фракцияны іріктеу табақшасындағы су буының мөлшері 280-350оС:
Z280-350 = Zniza = 1, 29 кг.
Фракцияны іріктеу табақшасындағы су буының мөлшері 230-280оС:
Z230-280 = Zniza + ZX-2/3 = 1, 29 + 0, 214 = 1, 504 кг.
Фракцияны іріктеу табақшасындағы су буының мөлшері 180-230оС:
Z180-230 = Zniza + ZX-2/3 + ZX-2/2 = 1, 29 + 0, 214 + 0, 146 = 1, 65 кг.
Саны буының үсті колонна:
... жалғасы- Іс жүргізу
- Автоматтандыру, Техника
- Алғашқы әскери дайындық
- Астрономия
- Ауыл шаруашылығы
- Банк ісі
- Бизнесті бағалау
- Биология
- Бухгалтерлік іс
- Валеология
- Ветеринария
- География
- Геология, Геофизика, Геодезия
- Дін
- Ет, сүт, шарап өнімдері
- Жалпы тарих
- Жер кадастрі, Жылжымайтын мүлік
- Журналистика
- Информатика
- Кеден ісі
- Маркетинг
- Математика, Геометрия
- Медицина
- Мемлекеттік басқару
- Менеджмент
- Мұнай, Газ
- Мұрағат ісі
- Мәдениеттану
- ОБЖ (Основы безопасности жизнедеятельности)
- Педагогика
- Полиграфия
- Психология
- Салық
- Саясаттану
- Сақтандыру
- Сертификаттау, стандарттау
- Социология, Демография
- Спорт
- Статистика
- Тілтану, Филология
- Тарихи тұлғалар
- Тау-кен ісі
- Транспорт
- Туризм
- Физика
- Философия
- Халықаралық қатынастар
- Химия
- Экология, Қоршаған ортаны қорғау
- Экономика
- Экономикалық география
- Электротехника
- Қазақстан тарихы
- Қаржы
- Құрылыс
- Құқық, Криминалистика
- Әдебиет
- Өнер, музыка
- Өнеркәсіп, Өндіріс
Қазақ тілінде жазылған рефераттар, курстық жұмыстар, дипломдық жұмыстар бойынша біздің қор #1 болып табылады.

Ақпарат
Қосымша
Email: info@stud.kz