Электротехника бойынша сұрақтар


22. Аралық жиілік трактілері үшін (сосредоточенной) селективті сүзгілерді сипаттаңыз
Шоғырланған іріктеу сүзгісі қабылдағыштың өткізу қабілетін кең ауқымда өзгертуге мүмкіндік береді. Резонанстық сипаттаманың пішінінің рұқсат етілген өзгерістерімен жолақты он есеге дейін реттеуге болады.
ФСС (Фильтр сосредоточенной селекции) ретінде келесі сүзгілер қолданылады:
* индуктивті-сыйымдылықты сүзгілер (LC - сүзгілер) ;
* пьезоэлектрлік сүзгілер;
* беттік акустикалық толқындардағы сүзгілер (беттік-белсенді сүзгілер) ;
* монолитті пьезоэлектрлік сүзгілер (МПС) ;
* электромеханикалық (магнитострикциялық) сүзгілер.
Шоғырланған таңдау сүзгілерін қолдану ыңғайлы, өйткені мұндай сүзгі қабылдағыштың каскадтарының біріне қосылады, ал басқа каскадтар селективтілікке әсер етпейтін апериодты (резонанстық емес) немесе кең жолақты орындалады. ФСС-тің бірнеше түрлері бар.
Бірнеше резонанстық тізбектердің олардың арасындағы сыйымды байланысқа дәйекті қосылуы (сурет. 1) . ФСС-де жұмыс істейтін каскадтың Шығыс кедергісі және жүктеме кедергісі сүзгінің толқындық кедергісімен келісілуі керек. Мұндай сүзгілердің сапасы салыстырмалы түрде жоғары емес-бірнеше жүз.
Шоғырланған іріктеу сүзгілерін жобалау және өндіру әдістерін жетілдіру бойынша ауқымды жұмыстарға қарамастан, бұл әдіс екі маңызды кемшілікке ие: микроминиатюралық түйіндермен нашар конструктивті және технологиялық үйлесімділік және интеграцияның үлкен дәрежесіндегі аналогтық микросхемалармен бірге пайдалану мүмкіндігі. Концентрацияланған іріктеу сүзгілерін қолдану, егер жүктеме кедергісі аз болса, сүзгідегі кернеудің аз жоғалуы үшін Шығыс кернеуін жақсы сүзу қажет болса, көрсетілген. Шоғырланған таңдау сүзгілерінің артықшылығы-іске асырудың қарапайымдылығы, сенімділігі және үлкен өлшемдердің, массаның және дроссельдің айналасында шашыраңқы магнит өрістерінің болуы.
Шоғырланған іріктеу сүзгілері үшін әртүрлі талдау әдістері мен әртүрлі сипаттамалары бар. Мысалы, классикалық баттерворт, Чебышев, Бессель сүзгілерін төмен жиіліктегі сүзгілер, жоғары жиіліктер, жолақ және кедергі сүзгілері ретінде пайдалануға болады.
23. Бүйірлік түрлендіру арналарын ескере отырып, жиілікті түрлендіру теориясына сипаттама беріңіз
Жиілікті түрлендіру сызықты емес жүйелер немесе мезгіл-мезгіл өзгеретін параметрлері бар жүйелер көмегімен жүзеге асырылады. Резонанстық күшейткіштен айырмашылығы, жиілік түрлендіргішінің шығысындағы кернеу жергілікті осциллятор жиілігінің гармоникалық санына байланысты fc = kfг ± fnp кіріс сигналының әр түрлі жиіліктерінде пайда болады. Аралық жиілікте fpr, Жиілікті түрлендіргіш тек G21 көлбеуі бар күшейткіш болып табылады. Бұл жергілікті осциллятор жиілігіне қатысты спектрдің берілуінсіз (4. 1) тікелей сигнал жолы. Fг жергілікті осциллятор жиілігінің бірінші гармоникасындағы түрлендіру fг-fпр және fг + fпр кіріс сигналының жиіліктеріндегі G21-ге пропорционалды. Жергілікті 2fг осцилляторының екінші гармоникасындағы түрлендіру 2fг-fпр және 2fг + fпр жиіліктеріндегі G21-ге пропорционалды және т. б. Сондықтан жиілік реакциясы бірнеше максимумға ие (I, 2, 3, . . . ) . Айырбастау тәртібі неғұрлым жоғары болса, конверсия көлбеуі төмендейді, демек, пайда. Барлық каналдардың тербелістерінің өзгеруінің өнімдері түрлендіргіштің шығысындағы сүзгіштің өткізу жолағына түседі. Осы арналардың бірі - негізгі, қалғандары - екінші, кедергі келтіретін арналар. Мысалы, егер fc жиілігі бар 2 канал негізгі канал ретінде таңдалса, онда 3 канал бүйір канал болады, яғни негізгі арнаның айна бейнесі, сондықтан оны айна (немесе симметриялы) деп атайды, оның жиілігі негізгі арнаның жиілігінен 2 фпр-ге ерекшеленеді. Егер 3 канал негізгі канал ретінде қабылданса, онда 2 канал айнаға тең болады. Түрлендіргіштің негізгі және айна каналдарындағы күшеюі бірдей болады. Сондықтан оның қабылдағыштың таңдамалылығына әсері едәуір маңызды. Бүйірлік канал жиіліктері бар тербелістерді жиілікті түрлендіргішке дейін басу керек, яғни. пресэлекторда (оның сипаттамасы суреттегі үзік сызықпен көрсетілген) . Кескіннің күшін жою аралық жиіліктің жоғарылауына ықпал етеді. Алайда жоғары іргелес арнаның селективтілігі мен тұрақты күшейту жиілікті түрлендіргіштің жиілігінен оңайырақ болады. Бұл қарама-қайшылықты шешу екі немесе үш рет жиілікті түрлендіру кезінде мүмкін болады.
Қос түрлендіру схемасы 4. 6-суретте көрсетілген. Fc жиілігі бар қабылданған сигнал бірінші және екінші жиілік түрлендіргіштерінде дәйекті түрлендіріледі. Салыстырмалы жоғары бірінші аралық жиілік алдын-ала таңдаушыдағы кескін арнасын ф1 сүзгісімен қажетті әлсіретуге мүмкіндік береді. Фпр жиілігінде түрлендірілген сигнал Ф2 сүзгісімен бірінші аралық жиіліктің жолында бөлінеді, содан кейін қайтадан ПЧ2 түрлендіргішімен азаяды. Салыстырмалы төмен екінші аралық жиілік F3 сүзгісімен fgf2 жолының қажетті резонанстық сипаттамалары мен өткізу қабілеттілігін қалыптастыруды жеңілдетеді.
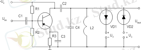
24. Транзистордың жиілікті түрлендіру схемасын сызыңыз және сипаттаңыз
Жиілікті түрлендіру үшін өрісті транзистор да, биполярлық транзистор да қолданылады. Оларда конверсия гетеродин кернеуінің әсерінен тікелей беріліс сипаттамасының беріктігінің өзгеруіне байланысты болады. Араластыру элементтеріне сигнал кернеуі мен гетеродиннің әртүрлі нұсқалары мүмкін. - Сур. 1 полярлық транзисторда және биполярлық транзисторда жеке гетеродині бар түрлендіргіштердің схемалары келтірілген . Бірінші тізбекте сигнал кернеуі қақпа тізбегіне, ал гетеродин кернеуі бастапқы тізбекке беріледі. Сигнал бойынша жалпы көзі бар схема, ал гетеродин үшін-жалпы жапқышы бар схема алынады. Екінші тізбекте сигнал кернеуі негізгі тізбекке, ал гетеродиннің кернеуі Эмитент тізбегіне беріледі. Бұл сигнал тізбектері мен гетеродиннің жақсы ажыратылуына қол жеткізеді.
Сурет 1
Сигналдық және гетеродиндік тізбектер арасындағы ең жақсы түйісуге екі жақты өрістік транзистордағы тізбекте қол жеткізіледі (сурет. 4. 9), өйткені сигнал кернеуі мен гетеродин әртүрлі қақпаларға беріледі. Бұл тізбекте жиілікті түрлендіру жүреді, өйткені гетеродинді қақпадағы кернеу өзгерген кезде, сигналдық қақпаның бойымен ағып кету сипаттамасының беріктігі өзгереді.
БТ-дағы ПЧпараметрлерін аналитикалық есептеу сипаттамалардың экспоненциалды жуықтауын қолдану арқылы мүмкін болады. Мысалы, іэ ~ f (иbe) сипаттамасы экспонентті жақсы жақындатады
мұндағы / 0 және b-транзистордың нақты сипаттамасынан анықталатын экспоненттің параметрлері
және (4. 29) ескере отырып, біз қаттылықты анықтаймыз
Ультра жоғары жиілік диапазонында биполярлы транзисторлар 4 жиілікке дейін қолданылады . . . 6 ГГц, жоғары жиіліктерде ең жақсы көрсеткіштер-Шотки жапқышы бар өріс эффектісі Транзисторы. - Сур. 2 биполярлы транзистордағы ультра жоғары жиілікті араластырғыштың диаграммасы келтірілген.
Рисунок 2
25. ДИОДТЫҢ ЖИІЛІК ТҮРЛЕНДІРГІШІНІҢ ТЕОРИЯСЫ
Екі нұсқадағы диодтың схемасы 4. 24 суретте көрсетілген. Микротолқынды пештерде оларды электрлік эквиваленттер ретінде қарастырған жөн, өйткені нақты микротолқынды конструкцияларда резонанстық тізбектер жолақ (микро-жолақ) немесе коаксиалды сызықтар мен толқындар түрінде жасалады. Гетеродиннен кернеу (қуат) сигнал берілетін сол тербелмелі тізбекке беріледі (сурет. 4. 24, а) жиілік болған жағдайда , -дан өзгеше, аралық жиіліктің өлшемі , кіріс контурының өткізу жолағында болады. Егер кірісті тізбегіндегі гетеродин тербелістерінің әлсіреуі тым үлкен болса, онда гетеродин мен сигналдың кернеу көздерін диод тізбегіне қатарға қосуға болады (сурет. 4. 24, б) .
Диодтың эквивалентті схемасы (сурет. 4. 25, а) Жалпы жағдайда g белсенді өткізгіштігі және Р-п-өткелі бар сыйымдылық, Ls индуктивтілігі және қосқыш өткізгіштердің кедергісі және Сд диод ұстағышының сыйымдылығы болады.
Дециметр диапазонындағы жиілікті сантиметрлік толқындарға түрлендіруге арналған диодтар, Ls және өте аз. Оларды ескермеуге және қарапайым схеманы қолдануға болады (сурет. 4. 25. б) диодтың сыйымдылығын p-n өткел мен Сд сыйымдылығының қосындысына тең деп есептей отырып.
Диодты талдау кезінде, бұрынғыдай, Uz және upr Ur-мен салыстырғанда аз деп санаймыз. Бұл болжам шынайы позицияға сәйкес келеді, өйткені жиілікті түрлендіру үшін гетеродиннің кернеуі үлкен болуы керек, сондықтан токтың өзгеруі диод сипаттамасының маңызды сызықты емес бөлігін алады. Кезде шағын деңгейде, қайта құрылатын және сигнал аралық жиілік қисықтығы диодтан емес көрінеді. Егер гетеродиннің модуляциялық кернеуі болса, сигнал үшін диод айнымалы параметрлері бар сызықтық тізбек ретінде әрекет етеді. Сондықтан ПЧ эквивалентті схемасын 4. 26 суреттен көруге болады.
Гетеродин кернеуінің әсерінен диодтың өткізгіштігі g мен C сыйымдылығының өзгеруі 4. 27. суретте көрсетілген.
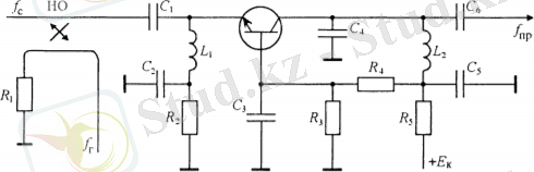
26. Резистивті-диодты жиілікті түрлендіру схемасын сызыңыз және сипаттаңыз
ЖТ диоды келесі режимдердің бірінде қолданылады: гетеродиннің кернеуі негізінен тікелей ток аймағында өзгереді. ЖТ-де сыйымдылығы төмен диод қолданылады. Бұл жағдайда негізгі рөлді диодтың сызықты емес резистивтілігі атқарады. Мұндай ЖТ резистивті деп аталады; диодтың жабық ауысуы қолданылады. ЖТ-де салыстырмалы түрде үлкен сызықты емес сыйымдылығы бар диод қолданылады, яғни. варикап. Бұл жағдайда қарсылық нашар көрінеді. Мұндай ЖТ сыйымды деп аталады. - Сур. 4. 29 тепе-теңдік ПЧ тізбектерінің екі нұсқасы келтірілген: аралық жиілік сүзгісін екі соққылы қосу арқылы (сурет. 4. 29, а) және қатты (сурет. 4. 29, б) . Бірінші жағдайда, гетеродиннің кернеуі бірдей фазамен VDi және - VD2 диодтарына әсер етеді, ал TR трансформаторы арқылы сигнал кернеуі! - с противоположными фазалар. Диод тізбектеріндегі аралық жиілік токтары фазаға қарсы. Тр2 трансформаторының бастапқы орамасында бұл токтар қарама-қарсы ағып, шығыс кернеуі олардың жалпы әсерімен анықталады. Кіріс және шығыс трансформатор орамаларының жартысындағы гетеродин жиілігі бар токтардың компоненттері қарама-қарсы және өзара өтеледі, сондықтан гетеродин мен гетеродин шуының кернеулері тепе-теңдік түрлендіргіштің кіріс және шығыс тізбектеріне енбейді. Дәл теңдестірілген аралық тізбекті араластырғышты жасау және орнату белгілі бір қиындықтарды тудырады. Суретте көрсетілгендей, FPCS-тің бір сатылы қосылуы іс жүзінде ыңғайлы. 4. 29, б. Бұл тізбекте қабылданған сигналдың кернеуі мен гетеродин TR трансформаторының екінші орамасының жартысынан және VD және VD2 диодтарынан құралған көпірдің диагональдарында әрекет етеді. Кернеумен құрылған /, және /2 токтарының компоненттері диодтар арқылы жабылады, кіріс және шығыс контурлары қосылған диагональды тізбекке тармақталмайды. Сондықтан, алдыңғы жағдайдағыдай, гетеродиннің тербелісі кіріс және шығыс тізбектеріне енбейді.
27. Амплитудалық детектордың жұмыс істеу принципі мен спектрлік сипаттамасын түсіндіріңіз.
AД Амплитудалық детектор-шығатын гармоникалық сигналдың амплитудасының модуляция Заңына сәйкес кернеу пайда болатын құрылғы. , мысалы, дыбыстық жиіліктің кернеуіне айналдыруға арналған (сурет. 1) .
Амплитудалық анықтау процесі сызықты емес вольт-амперлік сипаттамалары бар кейбір элементтердің қасиеттерін пайдалануға негізделген. Қазіргі уақытта анықтау үшін жартылай өткізгіш диодтар, бір жақты өткізгіштік немесе биполярлық және өріс транзисторлары қолданылады.
Егер WBX кернеуі F жиілігімен тербелістердің амплитудасы бойынша модуляцияланған АД кірісінде әрекет етсе, онда бұл кернеудің уақыт бойынша өзгеру графигі және оның спектрі суретте көрсетілген. 5. 1, а.
Кернеу шығу детектордың Еа (сур. 5. 1, 6) u вх кіріс кернеуінің Uвх конверті өзгеру Заңына сәйкес өзгеруі керек. Белгілі болғандай, F жиілігімен модуляция кезіндегі AM тербелісінің спектрі үш компоненттен тұрады: тасымалдаушы жиілікпен fн және U n амплитудасы бар тасымалдаушы тербеліс және fн +F және f H - F жиіліктері бар екі бүйірлік компонент және 0, 5 mUu амплитудасы (m - модуляция коэффициенті) ; Ed кернеуінің спектрі екі компоненттен тұрады: жиілігі f = 0 болатын Ed0 тұрақты компоненті және F жиілігі мен UF амплитудасы бар төмен жиілікті компонент (сурет. 5. 1, в) .
Сур. 1 АД кірісі мен шығуындағы сигналы.
Дыбыстық жиіліктердің тербелістерін бөлу үшін амплитудалық модуляцияланған тербелістер келесі өңдеуден өтеді:
- нөлдік деңгейде шектеу (сигналдың диметрленуі) ;
- тасымалдаушы (аралық) жиілікті басу.
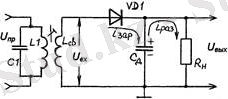
Қарапайым жағдайда бұл функцияларды vd1 жартылай өткізгіш диоды және CD-нің төмен сыйымдылық сүзгісі орындайды (сурет. 2) .
Сур. 2 диодты АД схемалық схемасы.
Модуляцияланған сигналды анықтаған кезде жоғары жиілікті тербелістердің оң жартылай периодтары CD конденсаторын зарядтау арқылы VD1 диоды арқылы ток жасайды. Заряд уақытының тұрақтысы-tЗАР = RD. ПР * ДК.
Vd1 кіріс сигналының теріс жартылай толқындарында жабық және төмен жиілікті сүзгі конденсаторы RH детекторының жүктеме кедергісі арқылы tраз = RН·SD тұрақты уақытымен шығарылады. (Сур. 3) .
Егер разряд уақытының тұрақтысы tраз >> ТПР аралық жиілігінің тербеліс кезеңінен әлдеқайда көп таңдалса, онда SD детекторының сүзгі конденсаторы кіріс сигналының тасымалдаушы жиілігін тиімді түрде басады.
Екінші жағынан, разряд уақытының тұрақтысы дыбыстық жиіліктің тербеліс кезеңінен әлдеқайда аз болуы керек tРАЗ << ТЗВ . Бұл жағдайда CD детекторының сүзгі конденсаторында және RN жүктеме кедергісінде uс дыбыстық сигналының амплитудасына пропорционалды түзетілген U0 кернеуінің орташа мәні бөлінеді.
Жоғарыда айтылғандарды ескере отырып, CD детекторының сүзгі конденсаторының сыйымдылығы келесі шарттан есептеледі: tzv > > traz > > TPR немесе 2·π·FV > > RN * SD > > 2 * π * ƒpr
оригинал
При детектировании модулированного сигнала положительные полупериоды высокочастотных колебаний создают ток через диод VD1, заряжая конденсатор С Д . Постоянная времени заряда равна t ЗАР = R Д. ПР ·С Д .
При отрицательных полупериодах входного сигнала VD1 закрыт и конденсатор фильтра нижних частот С Д разряжается через сопротивление нагрузки детектора R Н с постоянной времени t РАЗ = R Н ·С Д . (Рис. 3) .
Если постоянную времени разряда выбрать намного больше периода колебаний промежуточной частоты t РАЗ >> Т ПР , то конденсатор фильтра детектора С Д будет эффективно подавлять несущую частоту входного сигнала.
С другой стороны постоянная времени разряда должна быть намного меньше периода колебаний звуковой частоты t РАЗ << Т ЗВ . При этом условии на конденсаторе фильтра детектора С Д и сопротивлении нагрузки R Н будет выделяться среднее значение выпрямленного напряжения U 0 , пропорциональное амплитуде звукового сигнала U С .
С учётом вышеизложенного ёмкость конденсатора фильтра детектора С Д рассчитывается из условия: Т ЗВ >> t РАЗ >> Т ПР или 2 ·π·F В >> R Н ·С Д >> 2· π ·ƒ ПР
тогда 2·π·F В ·R Н >> Сд >> 2·π·ƒ ПР ·R Н
Для типового режима работы детектора: F В = 4, 5 кГц, R Н = 3…5 кОм и ƒ ПР = 465 кГц ёмкость фильтра АД выбирается в пределах 100 пФ >> С Д >> 1 пФ.
Практический номинал С Д = 4, 7…6, 8 нФ .
28. Амплитудалық шектегіштерді ескере отырып, детекторлардың түрлеріне байлансыты жұмыс істеуін сипаттаңыз
Амплитудалық шектегіштер (АО) баяу өзгеретін амплитудасы бар синусоидальды тербелістерді шектеуге арналған. АҚ кірісі мен шығысындағы кернеу диаграммалары суретте көрсетілген. 5. 29. АО шығысындағы кернеу амплитудасы бойынша тұрақты, бірақ оның фазасы мен жиілігі шектеу кезінде іс жүзінде өзгермейді. Мұндай шектегіштер жиілік пен фазалық Модуляцияға Елеулі бұрмаланулар жасамай, тек жалған амплитудалық модуляцияны жояды. Шектегіштер қабылдағыштарда қолданылады, себебі қолданыстағы жиілік детекторлары шығу кезінде кернеуді тудырады, әдетте жиілікке де, паразиттік қатар жүретін амплитудалық Модуляцияға да байланысты болады, егер АҚ жоқ детекторлар екі жақты нәтиже береді. Шектеу операциясы сызықты емес, кернеудің бірқатар гармоникалық компоненттері пайда болады.
Рис. 5. 1. Характеристики амплитудного ограничителя
Сур. 5. 2 екі қарама-қарсы қосылған umpor шунттаушы диодтары бар амплитудалық шектегіштің тізбегі, кернеу амплитудасының ұлғаюы іс жүзінде тоқтаған кезде
- Сур. 5. 1 нақты 1 және идеалды 2 шектегіш сипаттамаларын көрсетеді.
Шектеу шегінен асатын кернеулер саласындағы АО-ның техникалық көрсеткіші am басу коэффициенті деп аталатын кіріс және шығыс амплитудалық модуляция коэффициенттерінің қатынасы болып табылады.
AM-ді басудың жоғары дәрежесін диодтарда жасалған жартылай периодты АО-дан алуға болады (сурет. 5. 2), онда екі; қарама-қарсы қосылған диодтар бірдей кідіріс кернеулерімен жабылады. Жоғары жиілікте бұл диодтар резонанстық күшейткішті жүктейтін контурға параллель қосылған. UK < ez тізбегіндегі кернеу кезінде диодтар құлыптаулы және іс жүзінде оны айналып өтпейді. Шекті мәннен асатын тізбектегі кернеудің амплитудасы (UK>E3=Ukpor) диодтар арқылы ағып кетеді, оның негізгі жиілігінің амплитудасы Im1 кіріс кедергісін анықтайды RBX = UK / Im1 тізбектегі кернеу амплитудасының шекті мәннен асып кетуі соғұрлым үлкен болады, соғұрлым Im1 үлкен болады және тізбектегі эквивалентті резонанстық кедергі аз болады. Бұл жағдайда Шығыс кернеуінің амплитудасы кіріс кернеуіне қарағанда едәуір аз артады.
29. Радио құрылғыларындағы реттеу түрлерін сипаттаңыз
Радионың шуылға қарсы тұрақтылығы мен тиімділігін арттыру үшін қазіргі заманғы кәсіби және хабар тарату қабылдағыштары жеке параметрлерді қолмен және автоматты түрде реттеудің әртүрлі түрлерімен жабдықталуы керек.
Реттеудің негізгі мақсаты-радиоқабылдағышты пайдалану кезінде үнемі өзгеріп отыратын радиобайланыс жағдайында қажетті радиостанцияның радио сигналдарын қабылдаудың ең жақсы жағдайларын, ал кейбір жағдайларда ақпарат алмасудың толық автоматтандырылған процесін қамтамасыз ету.
Реттеу қамтамасыз етілуі керек:
- қабылдағышты қабылданған радиосигналдардың жиілігіне баптау;
- қабылдау процесінде бұл параметрдің тұрақтылығы;
- кіріс сигналдарының деңгейінің өзгеруіне және олардың шығу деңгейіндегі рұқсат етілген өзгерістерге сәйкес қабылдағыштың күшейтілуін реттеу;
- сигнал түріне және қабылдау шарттарына байланысты қабылдағыштың өткізу қабілеттілігі мен селективтілігінің өзгеруі;
- қажетті Шығыс құрылғысын қосу және белгілі бір жұмыс режимін таңдау;
- таратқыш пен қабылдағыш арасындағы сигналдардың өту жағдайларының, қоректендіру көздерінің кернеулерінің, қоршаған орта температурасының және т. б. әртүрлі өзгерістері кезінде радиоқабылдағыштың сапалық көрсеткіштерін сақтау.
Осылайша, РПУ-дегі түзетулер тәуелсіз болуы керек, қажетті диапазон мен реттеу жылдамдығына ие болуы керек, сигналға қосымша бұрмаланбауы және радиоқабылдағыштың тұрақтылығын төмендетпеуі керек.
Қабылдағыштағы түзетулердің барлық түрлерін екі негізгі топқа бөлуге болады:
1. Қабылдағыштың жиілік және фазалық сипаттамаларын қалыптастыруды қамтамасыз ететін параметрлердің өзгеруіне байланысты түзетулер. Бұл топқа қабылдағышты белгілі бір жиілікке орнату, оның жұмыс жиілігін белгілі бір шектерде реттеу, қабылдағыштың селективті қасиеттерін және оның өткізу қабілетін реттеу кіреді.
2. Оның жеке элементтерінің қажетті электр режимін қамтамасыз ететін түзетулер. Бұған күшейту құрылғыларының жұмыс режимдерін орнату, жеке қондырғылардың жұмыс режимін орнату, қабылдау трактінің күшейтілуін реттеу кіреді.
Мақсатты мақсатына байланысты РПУ-да қолданылатын реттеу өндірістік-технологиялық және пайдалану болып бөлінеді.
Өндірістік-технологиялық реттеу-радиоқабылдағыш аппаратурасын өндіру процесінде зауыттық жағдайда немесе оны арнайы шеберханаларда жөндеу кезінде жүзеге асырылатын реттеу. Бұл түзетулер қолмен жасалады. Мұндай түзетулердің мысалдары қабылдағыштың контурларын жартылай айнымалы конденсаторлармен немесе катушкалардың өзектерімен реттеу, сүзгілерді орнату, электрондық құрылғылардың қажетті режимін орнату және т. б.
Пайдалануды реттеу жұмыс жағдайында сигналдарды қабылдаудың ең жақсы режимін қамтамасыз етуге арналған. Олар қолмен де, автоматты түрде де болуы мүмкін. Оның ішінде негізгілері: қабылдағышты баптау жиілігін реттеу, қабылдағыштың таңдау қасиеттерін реттеу және күшейтуді реттеу.
Осылайша, ойнату құрылғысының қалыпты жұмысын қамтамасыз ету үшін қазіргі қабылдағыш схемасында мыналар қарастырылуы керек:
1) қабылдағыштың сезімталдығын реттеу;
2) өткізу қабілетін реттеу;
3) гетеродин жиілігін реттеу.
Бұл түзетулер қолмен немесе автоматты түрде жүзеге асырылуы мүмкін. Көбінесе қабылдағыштарда Автоматты және қолмен реттеу қолданылады.
Автоматты реттеу әдетте қабылдағыштың бірінші сатыларында, ал қолмен реттеу - кейінгі сатыларда қолданылады. Қолдану автоматты реттеу кейін қолмен орынсыз, өйткені олар төмендетуге тиімділігі қолмен реттеу.
Қолмен реттеу жергілікті және қашықтан болуы мүмкін.
Реттеулердің саны мен түрлерін таңдау қабылдағыштың класымен және оны пайдалану шарттарымен анықталады. Ең көп саны және ең күрделі Автоматты Реттеулер жоғары сынып қабылдағыштарымен жабдықталады.
30. АРК(АРУ) түрлерін сызыңыз және артықшылықтары мен кемшіліктерін сипаттаңыз
... жалғасы- Іс жүргізу
- Автоматтандыру, Техника
- Алғашқы әскери дайындық
- Астрономия
- Ауыл шаруашылығы
- Банк ісі
- Бизнесті бағалау
- Биология
- Бухгалтерлік іс
- Валеология
- Ветеринария
- География
- Геология, Геофизика, Геодезия
- Дін
- Ет, сүт, шарап өнімдері
- Жалпы тарих
- Жер кадастрі, Жылжымайтын мүлік
- Журналистика
- Информатика
- Кеден ісі
- Маркетинг
- Математика, Геометрия
- Медицина
- Мемлекеттік басқару
- Менеджмент
- Мұнай, Газ
- Мұрағат ісі
- Мәдениеттану
- ОБЖ (Основы безопасности жизнедеятельности)
- Педагогика
- Полиграфия
- Психология
- Салық
- Саясаттану
- Сақтандыру
- Сертификаттау, стандарттау
- Социология, Демография
- Спорт
- Статистика
- Тілтану, Филология
- Тарихи тұлғалар
- Тау-кен ісі
- Транспорт
- Туризм
- Физика
- Философия
- Халықаралық қатынастар
- Химия
- Экология, Қоршаған ортаны қорғау
- Экономика
- Экономикалық география
- Электротехника
- Қазақстан тарихы
- Қаржы
- Құрылыс
- Құқық, Криминалистика
- Әдебиет
- Өнер, музыка
- Өнеркәсіп, Өндіріс
Қазақ тілінде жазылған рефераттар, курстық жұмыстар, дипломдық жұмыстар бойынша біздің қор #1 болып табылады.

Ақпарат
Қосымша
Email: info@stud.kz