Химия өнеркәсібі географиясы


Қазақстан Республикасының Білім және Ғылым министрлігі
әл-Фараби атындағы Қазақ Ұлттық Университеті
Факультет: «География және табиғатты пайдалану»
Кафедра: «Тұрақты даму бойынша ЮНЕСКО»
Тақырыбы : «Өнеркәсіптің химия саласындағы қауіпті өндірістік объектілер үшін өнеркәсіптік қауіпсіздікті қамтамасыз ету»
Орындаған:
Тексерген:
«Қоршаған ортаны қорғау және өмір тіршілігінің қауіпсіздігі» мамандығының 3 курс студенті ДАНА
«Тұрақты даму бойынша ЮНЕСКО» кафедрасының аға оқытушысы Тусупова Б. Х.
Алматы 2022
МАЗМҰНЫ
КІРІСПЕ
Жұмыстың өзектілігі. Химиялық өндіріс адамға және қоршаған орта объектілеріне ең қауіпті техногендік әсер ету көздерінің бірі болып табылады. Өндіріс көлемінің біршама төмендеуіне қарамастан, химия, мұнай-химия және онымен байланысты өнеркәсіп кәсіпорындарындағы авариялар деңгейі өте жоғары деңгейде қалып отыр.
Химиялық қауіпті объектілерге шикізатта, көмекші материалдарда, технологиялық қоспаларда, өнімдерде және қалдықтарда улы химикаттар болатын химия, мұнай-химия, металлургия және басқа да өнеркәсіп кәсіпорындары ғана емес. Күшті улы заттардың едәуір массасы тамақ, ет және сүт өнеркәсібінде, тұрғын үй-коммуналдық шаруашылықта және т. б.
Химиялық технология - табиғи шикізатты шикізатқа және өндіріс құралдарына химиялық өңдеудің ең үнемді және экологиялық қауіпсіз әдістері туралы ғылым. Химиялық технологияның процестеріне табиғаты күрделі химиялық және физика-химиялық құбылыстар негізінде шикізатты химиялық өңдеу жатады.
Қазіргі кезеңдегі химиялық технологияның дамуының негізгі тенденциясы адамзаттың ғаламдық мәселелерін шешу болып табылады. Жердің азық-түлік ресурстары, өнеркәсіпке арналған минералды шикізат ресурстары, энергетикалық ресурстар және биосфераның ластануына жол бермеу. Химиялық технологияның маңызды саласы пайдалы қазбаларды өңдеу және олардың негізінде химиялық өнімдердің жаңа түрлерін және көп мақсатты шикізатты өндіру болып табылады.
Жұмыстың мақсаты: фосфор өндірісінің қауіпті өндірістік объектілер үшін өнеркәсіптік қауіпсіздікті қамтамасыз ету.
Курстық жұмыстың міндеттері:
- фосфор өндірісіндегі технологиялық процесстері мен жабдықтарын қарастыру;
- фосфор өндірісіндегі технологиялық процесстерінен келетін негізгі қауіптерді анықтау;
- фосфор өндірісіндегі қауіпсіздікті қамтамасыз ету шараларын таңдау.
ӘДЕБИ ШОЛУ
2021 жылы Біріккен Ұлттар Ұйымының Азық-түлік жүйелері жөніндегі саммитінде Бас хатшы әлемнің азық-түлікті өндіру және тұтыну тәсілін өзгерту және барлық 17 Тұрақты даму мақсатына жету үшін ілгерілеу үшін шешуші жаңа әрекетті бастайды.
Ондаған жылдар бойы құрамында азот, фосфор және калий бар синтетикалық тыңайтқыштар бүкіл әлемде ауылшаруашылық дақылдарының өнімділігін арттыру үшін қолданылып келеді. Өсімдіктердің өсуі үшін фосфор қажет, бірақ оның көп мөлшері қоршаған ортаға зиян тигізуі мүмкін.
Мамандардың айтуынша, әлемдік фосфорды пайдалану режимі бұзылған: кейбір аймақтарда азық-түлік өсіру үшін топыраққа тым көп фосфор қосылады, бұл көлдердің, өзендердің және жағалаудағы экожүйелердің қоректік заттармен ластану деңгейін арттырады. Басқа жерлерде фермерлер азық-түлік қажеттіліктерін қанағаттандыру үшін жеткілікті фосфорға қол жеткізе алмайды. Дүние жүзіндегі халық саны артқан сайын, қоршаған ортаға түсетін шығынды азайта отырып, барлығын жеткілікті азық-түлікпен қамтамасыз ету үшін фосфорды пайдалануды қайта бағалау қажет.
Фосфор шамадан тыс пайдаланылған жерлерде ауылшаруашылық шығындары мен адам қалдықтарының көбеюі тұщы сулар мен жағалаулардың қоректік заттармен ластануына әкелді. Бұл процесс эвтрофикация деп аталады.
Адам өмірі таза және қауіпсіз тұщы су мен жағалаудағы экожүйеге байланысты. Олар халықтың көпшілігін таза ауыз сумен, нәруызбен және күнкөріс құралдарымен қамтамасыз етеді. Осылайша, қорғансыз экожүйелердің фосформен ластануына жол бермеу тұрақты даму үшін өте маңызды.
Эвтрофикация тіпті ғарыштан да байқалатын зиянды балдырлардың гүлденуін тудырады. Ол дүние жүзіндегі биоәртүрліліктің жоғалуына, балық шаруашылығына қауіп төндіретін оттегі «өлі аймақтарының» пайда болуына, ауыз су көздерінің ластануына ықпал етеді.
Journal of Cleaner Production журналында жарияланған зерттеуге сәйкес, «Фосфорит кенінің қорларына геосаяси шектеулердің белгілері қазірдің өзінде айқын және болашақта одан да көп болуы мүмкін». Өсіп келе жатқан сұраныстың, қорлардың азаюының және геосаяси шектеулердің бірлескен әсері әлемдік нарықта химиялық фосфатты тыңайтқыштарды өндіру мен жеткізудің айтарлықтай қысқаруына әкелуі мүмкін екенін ескертеді.
ЮНЕП Британдық Экология және Гидрология Орталығы (UK CEH) үйлестіретін «Біздің фосфорлы болашағымыз» жобасының мүшесі болып табылады. Бұл жоба жаһандық фосфор қауіпсіздігіне қол жеткізу үшін негізгі шешімдерді анықтау үшін дүние жүзіндегі сарапшыларды біріктіреді.
Фосфорды пайдалануды бақылауды күшейту
ЮНЕП осы салада жұмыс істейтін серіктестермен бірге осы күрделі мәселені шешу үшін бірқатар маңызды қадамдарды әзірледі:
Тыңайтқыштар мен көңді пайдалануды жақсарту, топырақ эрозиясын, ағынды және фосфордың (Р) суға шайылуын азайту; ауыл шаруашылығында және адам қалдықтарында фосфордың жоғалуын азайту үшін су айдындарын бақылау әдістерін әзірлеу;
Фосфор қалдықтарын қайта өңдеу инфрақұрылымын дамыту; қайта өңделген фосфор қалдықтарының нарығын дамыту;
Ауыл шаруашылығын тиімдірек жүргізу арқылы фосфорды қосымша пайдаланбай, мал шаруашылығын оңтайландыру және өнімділікті сақтау;
Фосфатты тыңайтқыштарға сұранысты азайту және қаржылық ресурстарды үнемдеу үшін тамақ қалдықтарын азайту;
Фосфоры жоғары ауыл шаруашылығы өнімдерін (яғни ет және сүт өнімдері) тұтынуды азайту және ет және сүт өнімдерін аз немесе қалыпты тұтынумен салауатты диетаны кеңінен қолдану құрамында фосфор бар минералды тыңайтқыштарға сұранысты түбегейлі азайтуға және адам денсаулығын жақсартуға мүмкіндік береді;
Фосфатты пайдалану кезіндегі қауіпсіздік шараларын бақылау, бағалау және жүзеге асыру үшін ақпараттық, ашықтық және саяси қолдау көрсету;
Мал шаруашылығы өнімдерін тұтынуды және қалдықтардың пайда болуын азайту үшін экономикалық және реттеуші саясатты әзірлеу.
2 ФОСФОР ӨНДІРІСІНІҢ ЖАЛПЫ СИПАТТАМАСЫ
2. 1 Қазақстандағы химия өндірісі
Химия өнеркәсібі ел шаруашылығында маңызды рөл атқарады. Ғылыми-техникалық прогресті іске асыра отырып, машина жасау және электрэнергетикамен қатар, химия өнеркәсібі соңғы технологиялық циклдің саласы болып табылады. Шикізат пен қалдықтарды кешенді түрде өңдеуге үлкен мүмкіндіктер тудырады. Химиялық технологиялар мен материалдарды шаруашылықтың барлық салаларында кең қолдануды химияландыру деп атайды[4] .
Химия өнеркәсібі қорларды өңдеп қана қоймайды. Ол табиғатта жоқ, қасиеттері алдын ала бегіленген мүлдем басқа материалдар жасап шығарады. Әртүрлі химиялық заттар, соның ішінде қымбат әрі тапшы табиғаттағы баламаларды алмастыра алатын конструкциялық материалдарды шығарады. Мысалы, машина жасауда кейбір химиялық материалдар қымбат металды алмастырады. Шикізат базасы кең: мұнай, табиғи газ, минералды тұздар, фосфориттер, күкірт, гипс, ауа, су, ағаш, өндіріс қалдықтары, көмір, металлургия, мұнай өңдеу өнеркәсіптерімен құрамдастырылады. Халықты тауармен қамтиды. Жер бетіндегі бар тіршілікті қорғайды.
Химияның салааралық байланыстары
- Ауылшаруашылығы
- Энергетика
- Машина жасау
- Құрылыс
- Көлік
- Жеңіл өнеркәсіп
- Металлургия
Химия өнеркәсібі географиясы
Қазақстанда пайдалы қазбалар: фосфорит, күкірт, тұз, әктас және басқа да шикізат өндірісімен айналысатын тау-кен химиясы дамыған. Фосфорит кені Жамбыл (Қаратау) және Ақтөбе (Шилісай) облыстарында өңделеді. Күкірт түсті металдар кені құрамында, Көкшетауға жақын Алексеев кен орнында кездеседі. Ас тұзы Арал, Балқаш жағалауында, Шу өзені бойында, Қалқаманда, Тобылжанда, Павлодар облысында бар. Калий тұзы Атырау облысындағы Индер көлінде өндіріледі. Химия өнеркәсібінің ерекшелігі табиғатта кездеспейтін жасанды заттар шығаратындағы мысалы, пластмасса, сондай-ақ тау химиясы шикізатының негізінде жұмыс істейтіндігі. Ақтөбе алабының фосфориттері қышқыл топыраққа бірден ендіруге болатындығымен ерекшеленеді[3] .
Азот тыңайтқыштарын өндіретін кәсіпорындар пайдаланылған шикізат түріне байланысты (кокс, кокс газы, табиғи газ) көмір өндіру орындарында орналасады. Павлодар "Каустик" зауыты каустик содасы, хлор және синтетикалық тұз қышқылын шығарудан көшбасшы.
Химия өнеркәсібінің кең қолданылатын өнімнің бірі - күкірт қышқылы. Күкірт қышқылын алу үшін күкірт пен су қажет. Күкірт гипс, күкіртті газ және түсті металл кеңдері құрамында кездеседі. Күкірт қышқылды өнеркәсіп, негізінен, күкірт қышқылын ең көп тұтыну орындарында орналасады. Күкірт қышқылын:
- ауыр және түсті металдар қорытатын металлургия орталықтарында (Жезқазған, Балқаш, Өскемен, Риддер) ;
- уран өндіру орталықтарында (Степногорск) ;
- фосфор тыңайтқыштары өндірісі орталықтарында (Тараз) өндіреді.
- Арал мен Павлодарда жергілікті шикізат негізінде ас тұзын өндіру кәсіпорындары жұмыс істейді.
Қазақстан химия өнеркәсібінің маңызды саласы - полимерлі материалдар өнеркәсібі. Саланың шикізат базасын ілеспе мұнай және табиғи газ, мұнай өңдеудегі көмірсутектер, көмір құрайды.
Синтетикалық шайыр мен пластмассалар өндірісі ірі шикізат қорына ие аудандарда шоғырланған. Маңғыстау облысының орталығы Ақтауда синтетикалық шайыр және пластмасса шығаратын зауыт жұмыс істейді.
Пластмасса бұйымдарын шығаратын аса ірі зауыттар Атырау, Алматы және Нұр-Сұлтан қалаларында орналасқан.
Негізінен, синтетикалық каучук өндірісі табиғи газ бен мұнай, мұнай өңдеу мен көмір өндіру аудандарында орналасады. Мысалы, Теміртау қаласындағы Қарағанды синтетикалық каучук зауыты.
1-сурет. Қазақстан химия өнеркәсібінің тұңғышы - Ақтөбе маңайындағы фосфор кен орыны
Қазақстанның химия өнеркәсібінде негізгі химия басым. Оның шикізат көздеріне фосфорит, ас және калий тұздары, күкірт колчеданы, көмір, табиғи газ металлургия газдары кокс газдары жатады. Фосфор тыңайтқыштары өнеркәсібі материал қажеттілігінің төмендігіне байланысты шикізат көздерімен байланыспай, тұтынушыға негізделген. Фосфориттерді Қаратау мен Жаңатаста өндіріп, тыңайтқыштарды Таразда - Жамбыл фосфор зауыты мен минералды тыңайтқыштарын фосфориттер мен күкірт қышқылынан алады.
Қазфосфат - химия өнеркәсібіндегі өндірістік құрылым, жауапкершілігі шектеулі серіктестік. 1999 ж. құрылған. Жамбыл және Түркістан облыстарындағы бірқатар химиялық кәсіпорындарды біріктіреді. Негізгі өндірістік нысандары: «Қаратау» кен өңдеу кешені, Жаңа Жамбыл фосфор зауыты, Минералдық тыңайтқыштар зауыты, Темір жол көлігі кешені, Шымкент қ-ндағы синтетикалық жуу заттарын шығаратын зауыт, т. б. Қызметінің негізгі түрлері: минералдық шикізат (фосфорит кентасын) өндіру, байыту және өңдеу, олардың негізінде өнеркәсіптік өнім мен халық тұтынатын тауарлар шығару; геол. барлау жұмыстарын жүргізу; минералдық тыңайтқыштар, сары фосфор және оның қосылыстарын шығару. Бұл негізгі бағыттарынан басқа «Қазфосфат» ЖШС-і фосфор саласындағы кәсіпорындардың құрылымын дамытуға, өндірістік процестерін жетілдіруге, қуаттылығын арттыруға бағытталған үлкен істер атқаруда.
2-сурет. «Қазфосфат» ЖШС
Бұл іс-шаралар Қаратау фосфорит алабының табиғи қорларын тиімді пайдалануды қамтамасыз етеді. Қазіргі уақытта «Қазфосфат» ЖШС-і фосфор саласының тек шикізат өндіруге бағытталған біржақтылығын өзгерту, сыртқы және ішкі рыноктарға сапалы, бәсекеге түсе алатын өнім шығару бойынша іргелі жұмыстар жүргізуде.
2. 2 Фосфор өндірісіндегі технологиялық процесстері мен жабдықтары
Фосфор қышқылы фосфорлы тыңайтқыштарды, жемдік қоспаларды, инсектицидтерді және басқа да фосфоры бар өнімдерді өндірудің негізгі шикізаты болып табылады. Фосфат шикізатының жалпы әлемдік тұтынуы қазіргі уақытта жылына 150 миллион тоннадан асады. Минералды тыңайтқыштарды өндіруге фосфаттық шикізаттың 85%-ға жуығы пайдаланылады. Құрамында фосфоры бар тыңайтқыштардың технологиясы табиғи фосфаттарды қышқылдармен ыдыратуға негізделген. Фосфатты тыңайтқыштарды алудың ең ұтымды жолы - фосфаттарды фосфор қышқылымен өңдеу, өйткені бұл жағдайда концентрлі тыңайтқыштар алынады. Сондықтан фосфор қышқылы фосфатты тыңайтқыштар өндірісінде негізгі шикізат болып табылады.
Фосфор қышқылын өнеркәсіптік өндірудің екі негізгі әдісі бар: экстракциялық және термиялық.
Фосфор қышқылы қалыпты жағдайда белсенді емес және тек карбонаттармен, гидроксидтермен және кейбір металдармен әрекеттеседі. Бұл жағдайда бір, екі және үш алмастырылған фосфаттар түзіледі. 80 0С жоғары қыздырғанда белсенді емес оксидтермен, кремний диоксидімен және силикаттармен де әрекеттеседі. Жоғары температурада фосфор қышқылы металдар үшін әлсіз тотықтырғыш болып табылады. Металл бетіне Zn немесе Mn қосындылары бар фосфор қышқылының ерітіндісімен әсер еткенде қорғаныш қабықша түзіледі (фосфаттау) . Фосфор қышқылы қыздырған кезде суды жоғалтады, ол дәйекті пиро- және метафосфор қышқылдары түзіледі:
Экстракциялық фосфор қышқылын алу алдында бірден арнайы технология арқылы фосфор алынады.
Сурет 3. Фосфор өндірісінің схемасы:
1 - шикізат бункерлері; 2 - араластырғыш; 3 - сақиналы фидер; 4 - зарядтау ыдысы; 5 - электр пеші; 6 - қожға арналған шөміш; 7 - феррофосфорға арналған шөміш; 8 - электрофильтр; 5 - конденсатор; 10 - сұйық фосфорды жинау; 11 - шұңқыр
Зертханалық жағдайда фосфор қышқылын азот қышқылының 32% ерітіндісімен фосфорды тотықтыру арқылы оңай алуға болады:
Қуаттылығы жылына 60 мың тонна 100% H3PO4 қондырғысының технологиялық сұлбасы 2-суретте көрсетілген. Балқытылған сары фосфор суарылатын жану мұнарасындағы саптама арқылы 700 кПа дейін қысыммен қыздырылған ауамен атомизацияланады. айналмалы қышқылмен. Мұнарада қыздырылған қышқыл пластиналы жылу алмастырғыштардағы циркуляциялық су арқылы салқындатылады. Циркуляциялық контурдан қоймаға 73-75% H3PO4 бар өндірістік қышқыл шығарылады. Сонымен қатар, жану мұнарасынан газдарды салқындату және қышқылды сіңіру салқындату мұнарасында (гидратация) жүзеге асырылады, бұл кейінгі босануды, электрофильтрге түсетін температуралық жүктемені азайтады және газды тиімді тазартуға ықпал етеді. Гидратация мұнарасындағы жылуды жою пластиналық жылу алмастырғыштарда салқындатылған 50% H3PO4 айналымы арқылы жүзеге асырылады. Гидратация мұнарасының газдары пластиналық электрофильтрдегі H3PO4 тұманынан тазартылғаннан кейін атмосфераға шығарылады. 1 тонна 100% H3PO4 үшін 320 кг Р жұмсалады.
4-сурет. Экстрактивті фосфор қышқылын алу
Фосфор қышқылын алудың неғұрлым үнемді экстракция әдісі табиғи фосфаттарды қышқылдармен ыдыратуға негізделген (негізінен күкіртті, аз дәрежеде азотты және аздап тұзды) . Азот қышқылымен ыдырату арқылы алынған фосфор қышқылы ерітінділері күрделі тыңайтқыштарға, тұз қышқылымен ыдырату арқылы тұнбаға айналады.
Табиғи фосфаттар мына схема бойынша ыдырайды:
5-сурет. Экстрактивті фосфор қышқылын алу
Ілеспе қоспалар қышқылдармен де ыдырайды: кальцит, доломит, сидерит, нефелин, глауконит, каолин және басқа минералдар. Бұл пайдаланылған қышқылды тұтынудың ұлғаюына әкеледі, сонымен қатар P2O5 концентрациясының 40%-дан жоғары (P4O10 мөлшері әдетте) FeH3(PO4) 2 2, 5H2O ерімейтін темір фосфаттарының түзілуіне байланысты мақсатты өнімге P2O5 экстракциясын азайтады. P2O5 бойынша берілген) және FePO4 2H2O - төмен концентрацияларда. Карбонаттардың ыдырауы кезінде бөлінетін СО2 экстракторларда тұрақты көбік түзеді; Mg, Fe және Al еритін фосфаттары фосфор қышқылының белсенділігін төмендетеді, сонымен қатар фосфор қышқылын кейінгі өңдеу кезінде тыңайтқыштардағы P2O5 ассимиляциялық формаларының құрамын төмендетеді.
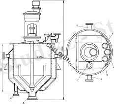
6-сурет.
1-сусымалы құрғақ компоненті бар бункер (фосфорит ұны, суперфосфат, т. б. ), 2 - тарелка шұрасы, 3 - кесу жапқышы, 4 - турболопасты көлденең Гранулятор-араластырғыш, 5 - қысымды сұйық сапропелі бар сыйымдылық, 6 - қалтқы деңгейді реттегіш, 7-ротаметр, 8-реттеуші инелі шұра, 9 - жалғағыш эструс, 10-басқару қалқаны
Қоспалардың әсерін ескере отырып, фосфаттық шикізатқа қойылатын талаптар анықталды, оған сәйкес құрамында Fe, Al, Mg, карбонаттар мен органикалық заттар жоғары табиғи фосфаттар фосфор қышқылын өндіруге жарамсыз.
Сапропел-фосфатты тыңайтқыштарды осылайша өндіру технологиясын «Сапропел» орталығы жеткізеді және бұрынғыдай уақыт өте өзгерістер мен толықтыруларға ұшырайды. Әдістеме бойынша жабдықтың спецификациясы өндірушілердің мекенжайлары мен реквизиттерін, сондай-ақ жабдықтың құнын, оны орнату және пайдалану орнында орнатуды және іске қосуды қамтиды.
7-сурет.
1 - құрғақ сусымалы құрамдас бөлігі бар бункер (фосфат ұны, суперфосфат және т. б. ) 2 - табақ қоректендіргіш, 3 - ине реттеуші клапан, 4 - өшіру клапаны, 5 - турбо жүзді араластырғыш, 6 - бұрандалы қалыптау грануляторы, 7 - басқару пульті және жабдықтың жұмысын басқару, 8 - өшіру клапаны, 9 - қоректендіруге арналған орталықтан тепкіш сорғы
сұйық сапропел, 10 - ротаметр, 11 - бумаларды қалыпталған таяқшаларға бөлуге арналған құрылғы
Бұл технологиялық шешім негізгі құрастыру қондырғылары мен жабдықтарын қамтиды, оның жұмыс процесін автоматтандыру мен бақылауды ескермейді. Бұл бөлім әдетте кәсіпорынның жұмыс дизайнында көрсетіледі.
Технологиялық шешімдерді әзірлеу кезінде техникалық қызмет көрсететін персоналдың кәсіби емес дайындық факторы, бөлшектерді тез жөндеу мүмкіндігімен ауыстыру, желілердің негізгі құрамдас бөліктерінің салыстырмалы арзандығы ескерілді.
Фосфор өндірісіндегі машиналар мен аппараттардың классификациясы. Машиналар мен аппараттардың классификациясы зауыттардың номенклатурасы мен мамандануын ретке келтіру үшін жүргізіледі. Мысал ретінде 20 топты қамтитын химиялық жабдықтардың кеңейтілген классификациясын келтіруге болады. Бұл ретте фосфор өндірісіндегі химиялық процеске арналған жабдықтардың 15 тобы анықталды:
1. Араластыру құрылғылары бар сыйымдылық типті аппараттар
2. Тұрақты құрылғылары бар сыйымдылық типті құрылғылар
3. Сүзгілер
4. Центрифугалар
8-сурет. Өндірістік центрифуга
5. Сұйықтықты сепараторлар
6. Кристаллизаторлар
9-сурет. Өндірістік кристаллизатор
7. Грануляторлар
8. Жылу алмастырғыштар
9. Буландырғыштар
10. Бағаналы құрылғылар
11. Кептіргіштер
10-сурет. Өндірістік гранулятор
12. Қуыруға, кептіруге және кристалдануға арналған айналмалы барабандары бар аппарат
13. Электролизерлер
11-сурет. Электролизер
14. Бояу кесетін станоктар
15 Өнеркәсіптік пештер.
3 ФОСФОР ӨНДІРІСІНДЕГІ ҚАУІПТІ ЖӘНЕ ЗИЯНДЫ ФАКТОРЛАР
3. 1 Фосфор өндірісіндегі негізгі қауіптілік көздері
Фосфор қышқылы цехындағы жұмысшыларға әсер ететін қауіпті және зиянды өндірістік факторлар:
Физикалық қауіпті және зиянды өндірістік факторлар:
- тығындау клапандары мен герметикалығы бұзылған жабдық;
қоршаулар болмаған жағдайда жабдыққа қызмет көрсетуге арналған баспалдақтар мен платформалар;
оқшаулауы үзілген ток өткізгіш сымдар;
негізсіз жабдық;
· оларда қорғаныс қаптамалары болмаған кезде құбырлардың фланецті қосылыстары;
Машиналар мен механизмдердің айналмалы бөліктері;
оқшауланбаған бу құбырлары.
3. 1 -кесте - Химиялық қауіпті және зиянды өндірістік факторлар:
... жалғасы- Іс жүргізу
- Автоматтандыру, Техника
- Алғашқы әскери дайындық
- Астрономия
- Ауыл шаруашылығы
- Банк ісі
- Бизнесті бағалау
- Биология
- Бухгалтерлік іс
- Валеология
- Ветеринария
- География
- Геология, Геофизика, Геодезия
- Дін
- Ет, сүт, шарап өнімдері
- Жалпы тарих
- Жер кадастрі, Жылжымайтын мүлік
- Журналистика
- Информатика
- Кеден ісі
- Маркетинг
- Математика, Геометрия
- Медицина
- Мемлекеттік басқару
- Менеджмент
- Мұнай, Газ
- Мұрағат ісі
- Мәдениеттану
- ОБЖ (Основы безопасности жизнедеятельности)
- Педагогика
- Полиграфия
- Психология
- Салық
- Саясаттану
- Сақтандыру
- Сертификаттау, стандарттау
- Социология, Демография
- Спорт
- Статистика
- Тілтану, Филология
- Тарихи тұлғалар
- Тау-кен ісі
- Транспорт
- Туризм
- Физика
- Философия
- Халықаралық қатынастар
- Химия
- Экология, Қоршаған ортаны қорғау
- Экономика
- Экономикалық география
- Электротехника
- Қазақстан тарихы
- Қаржы
- Құрылыс
- Құқық, Криминалистика
- Әдебиет
- Өнер, музыка
- Өнеркәсіп, Өндіріс
Қазақ тілінде жазылған рефераттар, курстық жұмыстар, дипломдық жұмыстар бойынша біздің қор #1 болып табылады.

Ақпарат
Қосымша
Email: info@stud.kz