Бағыттағыш электржетектері. Тағайындалуы мен түрлері


Бағыттағыш электржетектері. Тағайындалуы мен түрлері
Бағыттағыш электржетектері деп теміржол көлігінде электрлік диспетчерлік және дөңестік орталықтандыру кезінде қолданылатын электро механикалық ауысатын механизмді айтады. Ол бағыттағыш бұрманың (перевод) үшкілін бір күйден екінші күйге ауыстыруға, шектік күйде үшкілді бекітуге, бағыттағыштың нақты орналасуын бақылауға арналған. Бағыттағыш электржетегін бағыттағыш бұрманың сол жақ немесе оң жағына арнайы гарнитураға орнатады.
Бағыттағыш электржетектің құрылымы:
- тұрақты ток немесе айнымалы ток электр қозғалтқышы;
- фрикциялық муфтасы бар редуктор;
- негізгі білік;
- автоматты өшіріп қосқыш;
- жұмыс шибері;
- бақылау жолақтары;
- тіркесу муфтасы.
Бағыттағыш электржетегінің жұмыс принципі: Жұмыс тізбегі тұйықталғаннан кейін, электр қозғалтқыштың орамымен электр тогы өтеді, сол себепті электр қозғалтқыштың роторы айнала бастайды. Оның айналуы тіркесу муфтасы арқылы редуктор мен фрикциялық муфтаға беріледі. Редуктор шығысынан айналыс негізгі білікке беріледі, одан кейін білікке жалғанған жұмыс шибері айналмалы қозғалысты түспелі қозғалысқа түрлендіреді. Олар бағыттағыштың үшкіліндегі жұмыс және байланыс тартымына жіберіледі. Электр қозғалтқыш іске қосылғаннан кейін электржетек бос жүріс режимінде жұмыс істейді. Ол кезде автоматты өшіріп қосқыш - бағыттағыштың ауысқандығы туралы сигнал беретін бақылау релесін өшіреді, өз контактілері арқылы қызыл лампаны қосады. Одан кейін бағыттағыштар ауысады және үшкілдер орнын шектік күйге ауыстырады. Электр қозғалтқыш өшірілген соң кинетикалық энергия фрикциялық муфтамен өшіріледі. Бағыттағыш ауысқанда негізгі білік бір толық емес айналым жасайды, ол 280 градусқа бұрылады.
Пайдаланатын энергиясына байланысты электромеханикалық , электромагниттік, электропневматикалық және электрогидравликалық электржетектері болады.
Электромеханикалық электржетектерінде электр қозғалтқыш, механикалық редуктор болады, ал электромагниттік жетектерде - тартымдық электромагниттер қолданылады. Электропневматикалық және электрогидравликалық электржетектерінің жұмысы пневматикалық және гидравликалық қозғалтқышқа негізделеді.
Жабу түріне байланысты бұрма үшкілдерінің сыртқы жабылуы бар және ішкі жабылуы бар электржетектері болып жіктеледі.
Бағыттағыштың қиылуына (взрез) байланысты қиылмалы және қиылмаған болып бөлінеді.
Ауыстыру уақытына байланысты бағыттағыш электржетектерін жылдам әрекет ететін (1 с дейін), нормаль (5 с дейін) және баяу әрекет ететін (бағыттағышты ауыстыру уақыты 5 с артық) деп жіктейді.
СП-3 және СП-6 электржетектерінің құрылымы және тағайындалуы
Бағыттағыш электржетектер СП-3 және СП-6 қайталанатын-қысқаша уақыттық режимде бағыттағыштарды ауыстыру үшін, үздіксіз режимде бағыттағышты кілттеу және бақылау үшін арналған. СП-3 және СП-6 электржетектерін ЭО, ДО және ДАО (ГАЦ) жүйелерінде қолданылады.
СП-3 электржетегі
1-сурет. СП-3 электржетегінің кинематикалық сұлбасы
СП-3 электржетегінің құрылымы келесідей: 1 - корпусы, 2 - жұмыс шибері, 3 - бақылау жолақтары, 4- автоматты өшіріп қосқышы бар негізгі білік блогы, 5 - тірегі бар тістелі дөңгелек, 6 - фрикциялық тіркесуі бар редуктор, 7 - байланыс муфтасы, 8 - электрқозғалтқыш, 9 - жылыту элементі.
СП-3 взрезсіз типті электрожетек (2-сурет) электроқозғалтқыштан 1 тұрады, валда орналасқан шестерня 2 қозғалтқыш якорінің айналуын редукторға (3-7 шестерня) береді. 7 шестернямен бірге басты вал 8 жұмысты шестерня 9 айналады, ол жұмыс сызғышын 10 қозғалысқа келтіреді, одан жұмыс тартымы 11 арқылы бір уақытта екі үшкірдің ауысуы орындалады, бұрма плюс (минус) жағдайына ауысады.
Бұрманың үшкірінің нақты жағдайын бақылаушы сызғыштар 12 және 13 бақылайды, олар автоқосқыштың 14 және 15 жұдырықшыларымен байланысқан. Бақылаушы сызғыштарда сызықтар бар, оларға 14 жұдырықшаның соңы тіреледі. Автоқосқыш соған қосылады да бақылау тізбегінің А3 топ түйіспесімен тұйықталады. Бұрманың қос үшкірі 9 шестерня тұйықтағыш ішінде тұйықталған, олардың тісі 10 сызғыш тісіне тіреледі және оны жабық күйінде ұстайды. 9 шестерня басты валмен жабылған, 17 барабан сызығына 16 рычагі тіреледі де барабанның бұрылуына бөгеу туғызады.
Бұрманы минус жағдайына ауыстыру кезінде редуктор шестернясының айналу басы 17 барабан сызығынан 16 рычагіне шығады, онда ол тұйықталудан босатылады. 16 рычагі көтеріліп, автоқосқыштың 14 жұдырықшасын қосады. А3 тобының бақылау тізбегінің түйіспелері ажыратылады және посттағы бұрма жағдайының бақылануы жоғалады. А4 топты жұмыс тізбегінің түйіспелері тұйықталады.
2-сурет . СП-3 типті электрлік жетек
Минус жағдайына бұрма үшкірінің толығымен және дұрыс ауысуы бақылау сызығынан автоқосқыш 15 жұдырықшасына өтеді. Бұл кезде электроқозғалтқыш өшіп, А1 түйіспесі ажыратылады және бұрма минус жағдайына ауысуын бақылау үшін А2 түйіспесі тұйықталады. Бір уақытта 18 рычаг 17 барабан сызығына өтеді және ол басты валды тұйықтайды. 9 шестерня өзінің тістерімен 10 сызғышты жабады және сонымен бірге бұрма үшкірі бұрылған жағдайда болады.
Электроқозғалтқыштан бұрма үшкіріне қозғалыс қатты берілмейді, ол электроқозғалтқышты қауіпті жүктемеден және итерулерден сақтандыратын тізбектеу үйкелісін фрикциалайды. Фрикциаланған барабан 7 мен шестерня 5 валға тығыздалған, ол шестерня 6 еркін барады. Осы валда барабан ішінде үш шпонкалы муфта қатты нығыздалған, мұндай шпонкалар 7 барабанның ішкі жағында да бар.
Барабан ішіне 8 диск қойылады: төрт 20, 22 дискілері (қалған екеуі көрсетілмеген) фрикциялық барабан шпонкаларына нығыздалған, қозғалмалы; төрт 19, 21 дискілері (қалған екеуі көрсетілменген) муфта шпонкаларында нығыздалған, қозғалмайды.
Қозғалмалы және қозғалмайтын дискілер барабанға аралас қойылады, қозғалмайтын дискілер барлығы муфтаға, ал қозғалатын - барлығы фрикциялық барабанға 7 қойылады. Барабан 23 қалпақпен жабылады, одан кейін оське күшті 24 пружина кигізіледі, ал реттегіш гайкамен ығыстырылады. Барабандағы дискілер бір-біріне сығылады және олардың арасында берік сцепление пайда болады.
Бұрманың қалыпты ауысуы кезінде 7 барабанмен бірге қозғалмалы дисклер де айналады, ол өзімен бірге қозғалмайтын бөлікті де және сол арқылы барлық механикалық табыстауды (передача) бұрма үшкіріне айналдырады.
Фрикция жұмысы бұрма үшкірінің ауысуы кезінде болады, ол кезде механикалық табыстау тоқтайды да онымен бірге қозғалмайтын дискілерді фрикциалайды. Электроқозғалтқыш үлкен тоқты өндіріп, әрі қарай жұмыс жасай береді, онда барабаннан қозғалатын дискілерді айналдыру фрикциясына береді.
Фрикция жұмысының жалғасы электроқозғалтқыштың күюіне және жанып кетуіне әкеледі, сондықтан да кезекші әр бұрма ауысуын тексеру керек және оның фрикция жұмысының ұзақтығын бақылайды.
Электрлі жетектің механикалы немесе электрлі бұзылған кезде бұрманы курбельді қолтетігімен ауыстырады, оны электроқозғалтқыштың осіне кигізіледі.
Бұрманы қолмен ауыстыру үшін заслонды төмен түсіреді және басқару пультінен бұрма басқармасын өшіреді де түйіспе блокировкасын ажыратады.
СП-6 электржетегі
3-сурет. СП-6 электржетегінің кинематикалық сұлбасы
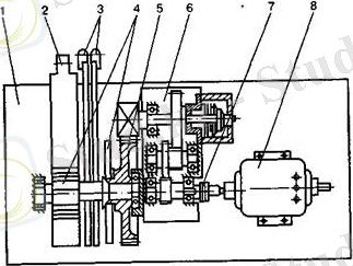
СП-6 электржетегінің құрылымы келесідей: 1 - корпусы, 2 - жұмыс шибері, 3 - бақылау жолақтары, 4- автоматты өшіріп қосқышы бар негізгі білік блогы, 5 - тірегі бар тістелі дөңгелек, 6 - фрикциялық тіркесуі бар редуктор, 7 - теңдестіру муфтасы, 8 - электрқозғалтқыш.
СП-6 электрожетегі взрезді емес типке жатады (4-сурет) . Корпуста 1 мыналар орналасқан: электроқозғалтқыш 3, фрикциялы құрылғы блогындағы редуктор 5; автоқосқышты блок 10; басты вал 6; шибер 8; бақылау сызғышы 9; штепсельді розетка және реттеуші резисторда орналасқан жарықтану панелі 4; автоқосқыштың қыздырушы түйіспелері 7; блокировкалы заслонда қосылған көптүйіспелі блокировкалы құрылғы 2.
Электроқозғалтқыш 3 қорек алып, валды айналдырады. Вал айналуы редоктордың 5 табыстау тістерінің төрт каскадында беріледі. Редуктор каскадының қалған дөңгелек тістері айналады, сонымен қатар редуктор корпусында орналасқан 8 болатты диск фрикциясы да айналады. СП-3-тен айырмашылығы, оның редуктор герметизациясы жақсартылған, яғни оның май ағуы тоқтайды.
4-сурет. СП-6 взрезсіз бұрмалы электрожетек
Электроқозғалтқыш валының айналуы редуктор арқылы электрлі жетектің басты валына 6 беріледі. Басты валдың айналуы кезінде шиберлі шестерня өзінің тістері мен шибер тістерін итереді, жұмысты тартым арқылы бұрма үшкірі айналып, бұрма ауысады.
Бұрманың ауысқан жағдайын автоқосқыш 10 бақылайды. Негізгі конструкциясында және оның жұмысында СП-3 жетектің автоқосқышты аналогтылығы жатады. Бірақ, СП-6 жетек жылтқышының 7 электроэнергиясын минималды жұмсайтын автоқосқыш түйіспелерінің күюін жақсартады (жылтқыш ретінде эмальданған сымды резистор ПЭВ-25-56 қолданылады) . Пластмассалық түйіспелердің және пышықты колодкалардың механикалық тұрақтылығын күшейту үшін және пышақты түйіспесі бар колодкалар және бақылаушы түйіспелі колодкалардың және жұмысты автоқосқыштар қызметтік мерзімін көтеру үшін амортизациялы прокладкалар қойылады.
СП-6 электрожетек бұрмасында взрев болған жағдайда сенімді бақылау алу үшін қосу блогының бақылау тізбегін қосатын түйіспелі герконды реле қосылады. Бақылау сызғышында герконның жұмыс жасауы үшін магнит орнатылады. Бұрманың толық ауысуы кезінде бақылау сызғышындағы магнит магнитті өріс әрекетімен түйіспелерді тұйықтап, бұрылған бұрма жағдайында бақылау тізбегін құрады. Бұрманың взрезі кезінде бақылау сызғышы күштеп орналастырылады, сонымен бірге магнитте орналасып герконды реле түйіспесін ажыратады. Бақылау тізбегінде бұрма взрезі фрикцияланады.
СПВ-6 электр жетегінің құрылымының ерекшелігі. Бағыттағыштың нормаль ауысуы кезіндегі электржетектің жұмысы
Бағыттағыштарды қашықтықтан басқару үшін жетектердің құрылымы басқару постында бағыттағышты оң (плюс), теріс (минус) және орташа күйде бақылайтындай ауысуды қамтамасыз ету керек. Эксплуатация кезінде ауыстыру үшкілі мен рамалық рельс арасына басқа заттар түсіп кетуі мүмкін, ол нормаль ауысуға кедергі жасайды. Сондықтан электржетектің құрылымына жүктемеден қорғау мен кері ауыстыру (реверс) мүмкіндігін, яғни орташа күйден кез келген шеткі күйге ауыстыруды, қарастыру керек. Бағыттағыш электржетектері қолмен ауыстыруға да мүмкіндік беру керек.
СПВ (взрезные стрелочные электроприводы) - кірме бағыттағыш электржетектері бағыттағыштардың үшкілдерін ауыстырады және жана ғана жабылған үшкілдерді тұйықтайды. Оның құрылымына кірме құрылғысы маңызды рөл атқарады. Ол арқылы айналыс негізгі білік пен шибермен тіркесетін екі шиберлі тегершікке беріледі. Әрбір шибер өзінің үшкілімен байланысады. Бағыттағышты ауыстыру кезінде бірінші басылған (жабық) үшкіл, келесі басылмаған үшкіл қозғалысын бастайды.
Бағыттағыштың қиылуы кезінде рамалық рельстен дөңгелек жұбының қозғалысымен алынатын үшкіл қозғалады және шиберге әсер етеді. Ал шиберлі тегершік негізгі білікті айналдырады, сонымен қатар өзінің жабылған күйінен шығады, ал кірме құрылғысы негізгі білік пен редуктордың тістелі дөңгелегінің білігін ажыратады. Бұл кезде электржетектің элементтерінің сынуын болдырмайды, бірақ бағыттағышты басқару бұзылады. Электржетегін басқаруды курбельді ұстатқыш арқылы реттеуге болады.
1-сурет. Кірме (врезной) бағыттағыш электржетегі
Кірме электржетегінің СПВ-6 негізгі көрсеткіштері:
- Максимал тартым күші 3000 Н;
- Максимал ауыстыру уақыты 5 с;
- Массасы 195 кг.
СПВ-6 электржетегінің құрылымы келесідей:
... жалғасы- Іс жүргізу
- Автоматтандыру, Техника
- Алғашқы әскери дайындық
- Астрономия
- Ауыл шаруашылығы
- Банк ісі
- Бизнесті бағалау
- Биология
- Бухгалтерлік іс
- Валеология
- Ветеринария
- География
- Геология, Геофизика, Геодезия
- Дін
- Ет, сүт, шарап өнімдері
- Жалпы тарих
- Жер кадастрі, Жылжымайтын мүлік
- Журналистика
- Информатика
- Кеден ісі
- Маркетинг
- Математика, Геометрия
- Медицина
- Мемлекеттік басқару
- Менеджмент
- Мұнай, Газ
- Мұрағат ісі
- Мәдениеттану
- ОБЖ (Основы безопасности жизнедеятельности)
- Педагогика
- Полиграфия
- Психология
- Салық
- Саясаттану
- Сақтандыру
- Сертификаттау, стандарттау
- Социология, Демография
- Спорт
- Статистика
- Тілтану, Филология
- Тарихи тұлғалар
- Тау-кен ісі
- Транспорт
- Туризм
- Физика
- Философия
- Халықаралық қатынастар
- Химия
- Экология, Қоршаған ортаны қорғау
- Экономика
- Экономикалық география
- Электротехника
- Қазақстан тарихы
- Қаржы
- Құрылыс
- Құқық, Криминалистика
- Әдебиет
- Өнер, музыка
- Өнеркәсіп, Өндіріс
Қазақ тілінде жазылған рефераттар, курстық жұмыстар, дипломдық жұмыстар бойынша біздің қор #1 болып табылады.

Ақпарат
Қосымша
Email: info@stud.kz