Электрлік фильтрлер


Қазақстан Республикасының білім және ғылым министірлігі
Т. Рысқұлов атындағы қазақ экономикалық университеті
“Инженерлік-экономикалық”факультеті
КУРСТЫҚ ЖҰМЫС
Тақырыбы: Электрлік фильтрлер
Орындаған:Адилов Канат
Тексерген:Ригинбаева Н.
Тобы:206
Алматы 2006
МАЗМҰНЫ
Кіріспе . . . 1
1. Электрлік фильтрлері.
Фильтрлердің түрлері мен түсінігі . . . 2
2. НЧ, ВЧ фильтрлері. R типіндегі сызықтық және
кедергі жасаушы фильтрлері . . . 3
3. RC фильтрлері . . . 4
Қорытынды . . . 8
Қолданылған әдебиеттер . . . 9
Есептің қойылымы . . . 10-12
1. Электр фильтрлері
Фильтрлердің түсінігі мен түрлері.
Электр фильтр деп-төртполюстіктерді айтамыз. Ол тоқ көзімен қабылдағыш арасында қосылады, оның мәні еш кедергісіз және өшірілусіз қабылдағыштарға бір жиілікте тоқ жеткізу және ұстап қалу, немесе үлкен өшірулермен басқа жиіліктегі тоқтарды өткізу.
Өшірусіз өткізлетін фильтрлерден өтетін жиілік диапазонын-“мөлдір сызық” деп айтады.
Өшірулері бар жиілік диапазоны-“сөну сызығы” деп айтады. Негізінен электр фильтрлері индуктивті орамдардан және ыдыстардан құралады . RC фильтрлері бұл қатарға жатпайды. Фильтрлерді радиотехника мен байланыс техникасында жоғары жиілікті пайдалана отырып қолданады.
Фильтрлер тек реактивті металлдардан жасалады. Фильтрлерді “ Т ”-немесе “ П ” симетриясы бойынша құрастырады. Фильтрлерді оқып-үйрену кезінде сөну мен фаза коэффиценті қолданылады.
R -фильтрде қарама-қарсы кедергі жиілікке әсер етпейді.
m -фильтрде ауыртпалық келістірілмеген болуы мүмкін. Фильтр сапасы қаншалықты жоғары болса, оның фильтрлік қасиеті соншалықты анық байқалады.
Төртполюстіктердің фильтрлік қасиеті негізінен резонанс режимінін пайда болумен байланысты:тоқ немесе кернеу резонансы.
2. НЧ , ВЧ , филтрлері
R типіндегі сызықтық және кедергі жасаушы фильтрлері.
НЧ фильтрлері - ауыртпалық ретінде тек төмен жиіліктегі
тоқты өткізеді ω 1 =0 басталып ω 2 ге дейін.
13, 1 сурет а, б, в . Олардың өшу сызыы ω 2 мен арасында-
ғы интервалда болады.
ВЧ фильтрлері - ауыртпалық ретінде тек жоғарғы жиілікте-
гі тоқты өткізеді. Ол ω 1 ден басталып
13, 2 сурет а, б, в . аяқталады. Өсу сызығы 0 мен ω 1 интерва-
лы арасында болады.
Сызықтық фильтрлер - ауыртпалығы қысқа сызықты жиі-
лікті өткізеді. Ол ω 1 мен ω 2 арасында бо-
13, 3 сурет а, б, в. лады.
Кедергі жасаушы фильтрлер - мұнда “мөлдірлік сызығы ”
өшу сызығы мен екі бөлікке бөлінген.
13, 4 сурет а, б, в.
R типіндегі фильтрлерді сапалы анықтау
R - фильтр схемасын арнайы математикалық талдаусыз оның қай фильтр түріне жататындығын анықтауға болады.
Қорытындысы:фильтрдің қарама-қарсы кедергісі мәніне негізделеді.
Егер қарама-қарсы кедергі тек индуктивтен тұрса, онда фильтр- НЧ түріне жатады. Егер қарама-қарсы кедергі таза сыйымдылыққа негізделсе онда бұл фильтр- ВЧ түріне жатады.
Егер қарама-қарсы кедергі L және С тізбектей қосудан қарама-қарсы, онда бұл фильтр - сызықтық. Егер қарама-қарсыкедергі L және С параллель қосудан құралса, онда бұл фильтр - кедергі келтіруші немесе жасаушы болады.
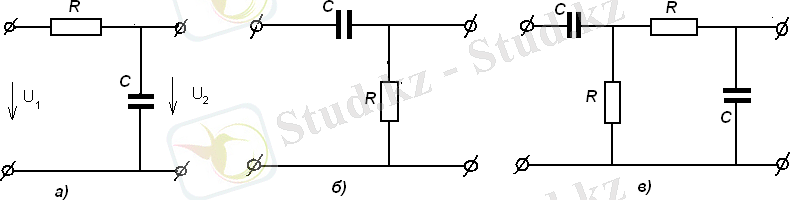
3. RC фильтрлері
Егер фильтр ауыртпалығының кедергісі өте жоғары болса, (мысалы: шам күшейткішінің кіріскедергісі) онда кейде фильтр R және С элементтерінен жасалады.
13, 10 сурет а, б, в, г, д, е.
13, 10 сурет а, б, в, НЧ , ВЧ сызықтық RC фильтрлері. 13, 10 сурет г, д, е , - a=1n U 1 /U 2 =f(ω) сәйкес тәуелділіктер.
Барлық
RC
фильтрлері үшін жұмыс зонасы
НЧ
фильтрлері үшін жұмыс зонасы
ω=0
ден басталып
ω=ω c =1/RC (шартты түрде қабылданған)
ВЧ фильтрлері үшін жұмыс зонасы
ω=ω c =1/RC мен ω = аралық диапазонында
орналасқан . Сызықтық фильтрлерде - аз немесе
төмен өшу орны ω=ω c =1/RC болады.
Қорытынды
Қорыта келе осы курстың негізгі міндеті, ол құбылыстарды токтар, кернеулер, қуаттар, магнит ағындары т. б. тусініктер арқылы есептеу, зерттеу. Сондай-ақ тағы бір атқаратын міндеті ол әр-бір құбылыстарды электр кернеулігі, магнит өрісінің индукциясы, қуат ағындары, электрлік фильтрлер т. б. түсініктер арқылы есептеу, зерттеу. Осы міндеттерді бірінші тізбектерді есептеу мен зерттеуге арналған.
Электр техникасының өсіп-дамуы электр магниттік құбылыстарын жете зерттеуді, оқып білуді, практика жүзінде пайдалану керек етеді. Осы зор еңбекті, ізденуде, көптеген жаңалықтар ашуда орыс инженерлерінің, ғалымдарының қосқан үлесі аз емес. Олар шет елдерінің көрнекті ғалымдарымен бірлесе отырып электр техникасының маңызды салаларының бастамасына жол ашты.
Физика және математика курстарына негізделген бұл курс, осы заманғы электротехникалық құрылымдардың әртүрлі кең кластарына қолданылатын инженерлік есептеулер және таңдау әдістеріне толы болады. Сонымен қатар ЭТТ курсы өндіріске қажетті болашақ мамандардың электротехника мен радиотехникадан ғылыми көзқарастарының қалыптасып жетілуіне аса маңызды роль атқарады және бұл курста арнайы электротехникалық пәндер негізделген.
Мен бұл курстық жұмыста электрлік фильтрлер туралы жаздым. Кирхгоф заңдарына, контурлы тоқтар тәсіліне, потенциалдар әдісіне негізделген теңдеулер құрдым. Келешекте осы үйренгенімнің барлығы маған көмегін тигізетініне сенімдімін.
Қолданылған әдебиеттер.
1. И. И. Иванов, В. С. Равдоник. ” Электротехника”
2. А. Қ. Ахметов: “Электротехниканың теориялық негіздері’’
3. А. Немцов: “Касаткин Электротехника”
4. Т. А. Мұхити: “Жалпы электр техникасының теориял негіздер
Есептің қойылымы
E 1 =6B; E 2 =9B; E 4 =54B; E 5 =2B; E 6 =8B;
J7=3A; R 1 =2Oм; R 2 =2Ом; R 3 =3Ом; R 4 =6Ом; R 5 =4, 5Ом;
R 6 =2Ом; R 7 =2Ом.
a) Эквивалентті генератор әдісі бойынша R 4 кедергіде токтың мәнін табу.
б) Киргхов заңы бойынша теңдеу жүйесін құру, шартты потенциал және контур токтар әдісі бойынша.
в) Кез келген контурға сәйкес потенциалдық диограмма құру, нәтижені эксперементалдық түрде тексеру.
Кирхгофтың 1 заңы бойынша
-I 1 -I 3 -I 4 =0
I 2 -I 4 -I 5 =0
I 5 -I 6 =0
I 1 +I 2 +I 7 =0
Кирхгофтың 2 заңы бойынша
I 3 R 3 +I 2 R 2 -I 1 R 1 =-E 1
I 4 R 4 -I 3 R 3 =E 4 +E 2
I 5 R 5 +I 6 R 6 -I 4 R 4 =E 5 +E 6 -E 4
I 7 R 7 -I 2 R 2 =0
Контурлы тоқтар әдісі
I 3 R 3 +I 2 R 2 -I 1 R 1 =-E 1
I 4 R 4 -I 3 R 3 =E 4 +E 2
I 5 R 5 +I 6 R 6 -I 4 R 4 =E 5 +E 6 -E 4
I 7 R 7 -I 2 R 2 =0
-I 1 (R 1 +R 2 +R 3 ) +I 7 R 2 +I 4 R 3 +R 2 j+R 3 j=-E 1
-I 3 (R 3 +R 4 ) +I 5 R 4 +R 4 j=E 4 +E 2
I 5 (R 5 +R 6 +R 4 ) +I 6 R 6 -I 3 R 4 +R 6 j-R 4 j=E 5 +E6-E 4
I 7 (R 2 +R 7 ) -I 1 R 2 -R 2 j=0
R 2 j=E 2T R 4 j=E 4T
R3j=E 3T R6j=E 6T
-I 1 (R 1 +R 2 +R 3 ) +I 7 R 2 +I 4 R 3 =-E 1 -E 2T -E 3T
-I 3 (R 3 +R 4 ) +I 5 R 4 =E 4 +E 2 -E 4T
I 5 (R 6 +R 5 +R 4 ) +I 6 R 6 -I 3 R 4 =E 5 +E 6 -E 4 -E 6T +E 4T
I 7 (R 1 +R 2 ) -I 1 R 2 =E 2T
Түйінді потенциалдар әдісі
-I 1 -I 2 -I 3 =0 φ 4 =0
I 2 -I 4 -I 5 =0 g i =1/R i
I 5 -I 6 =0 I 1 +I 2 +I 7 =0
I 1 +I 2 +I 7 =0
Ом заңы бойынша
I 1 =(φ 1 +E 1 ) g 1 I 4 =( φ 2 +E 4 ) g 4
I 2 =( φ 1 - φ 2 +E 2 ) g I 5 =( φ 2 - φ 3 +E 5 ) g 5
I 3 = φ 1 g 3 I 6 =( φ 3 +E 6 ) g 6
I 7 =- φ 5 g 7
-( φ 1 +E 1 ) g 1 -( φ 1 - φ 2 +E 5 ) g 2 - φ 1 g 3 =0
... жалғасы- Іс жүргізу
- Автоматтандыру, Техника
- Алғашқы әскери дайындық
- Астрономия
- Ауыл шаруашылығы
- Банк ісі
- Бизнесті бағалау
- Биология
- Бухгалтерлік іс
- Валеология
- Ветеринария
- География
- Геология, Геофизика, Геодезия
- Дін
- Ет, сүт, шарап өнімдері
- Жалпы тарих
- Жер кадастрі, Жылжымайтын мүлік
- Журналистика
- Информатика
- Кеден ісі
- Маркетинг
- Математика, Геометрия
- Медицина
- Мемлекеттік басқару
- Менеджмент
- Мұнай, Газ
- Мұрағат ісі
- Мәдениеттану
- ОБЖ (Основы безопасности жизнедеятельности)
- Педагогика
- Полиграфия
- Психология
- Салық
- Саясаттану
- Сақтандыру
- Сертификаттау, стандарттау
- Социология, Демография
- Спорт
- Статистика
- Тілтану, Филология
- Тарихи тұлғалар
- Тау-кен ісі
- Транспорт
- Туризм
- Физика
- Философия
- Халықаралық қатынастар
- Химия
- Экология, Қоршаған ортаны қорғау
- Экономика
- Экономикалық география
- Электротехника
- Қазақстан тарихы
- Қаржы
- Құрылыс
- Құқық, Криминалистика
- Әдебиет
- Өнер, музыка
- Өнеркәсіп, Өндіріс
Қазақ тілінде жазылған рефераттар, курстық жұмыстар, дипломдық жұмыстар бойынша біздің қор #1 болып табылады.

Ақпарат
Қосымша
Email: info@stud.kz