УСИЛИТЕЛИ ПОСТОЯННОГО ТОКА


ЛЕКЦИЯ №13
ОСОБЕННОСТИ УПТ
- Краткое содержание лекции
У силителями, постоянного тока называют такие, которые могут усиливать, очень медленные электрические сигналы; их низшая рабочая частота = 0, а высшая рабочая частота определяется назначением усилителя и предъявляемыми к нему требованиями.
УПТ используют в электронной измерительной аппаратуре, осциллоскопах, в системах автоматической регулировки усиления радиоприемных и телевизионных устройств, электронных вычислительных машинах, электронных стабилизаторах напряжения и тока, всевозможных управляющих, регулирующих и следящих системах и целом ряде других случаев,
Так как УПТ усиливает как переменную, так и постоянную составляющие сигнала, то в отсутствие сигнала на входе такого усилителя на его выходе должны отсутствовать как переменная, так и постоянная составляющие напряжения; в противном случае нарушится пропорциональность между входным и выходным напряжениями и при перемене полярности постоянной составляющей входного сигнала полярность постоянной составляющей на выходе может не измениться.
По схеме и принципу действия усилители постоянного тока делятся на две группы: УПТ прямого усиления и УПТ с преобразованием частоты.
УСИЛИТЕЛИ ПОСТОЯННОГО ТОКА ПРЯМОГО УСИЛЕНИЯ
Для того чтобы усилитель мог усиливать очень медленные электрические колебания, в усилителях постоянного тока (УПТ) прямого усиления между усилительными элементами и их нагрузкой используется гальваническая связь, т. е. связь, осуществляемая посредством элементов, обладающих проводимостью для очень медленных изменений тока и имеющих сопротивление, в рабочей полосе частот усилителя не зависящее от частоты, например, проводников, резисторов и т. д. Конденсаторы, трансформаторы и дроссели в цепях межкаскадной связи таких усилителей применять нельзя. Так как УПТ прямого усиления не содержат разделительных и блокировочных конденсаторов большой емкости, дросселей и трансформаторов, то их габаритные размеры могут быть сделаны очень малыми, и они оказываются очень удобными для миниатюризации.
Малогабаритные усилители постоянного тока, выполненные в виде гибридной или интегральной схемы, очень часто используют как составную часть усилителей переменного тока (звуковых, широковещательных, многоканальной связи, телевизионных и т. д. ), в этом случае на вход усилительного элемента или в нагрузку с выхода предыдущего усилительного элемента поступает кроме сигнала также и напряжение питания выходной цепи, которое необходимо компенсировать.
УСИЛИТЕЛИ ПОСТОЯННОГО ТОКА С НЕПОСРЕДСТВЕННОЙ СВЯЗЬЮ
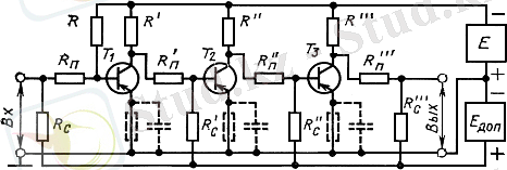
Рис. 1
Резисторы Rэ1, Rэ2, Rэ3 в схеме рис. 1 осуществляют стабилизацию точек покоя транзисторов; однако эти резисторы создают в каждом каскаде местную отрицательную обратную связь по току, глубина которой в каждом последующем каскаде возрастает; эта обратная связь очень сильно снижает усиление даже у первого каскада, а усиление третьего может здесь оказаться даже меньше единицы. Поэтому проектирование усилителя такого типа с числом каскадов более трех оказывается нецелесообразным.
Как указано выше, в отсутствие сигнала на входе усилителя постоянного тока на его выходе должна отсутствовать не только переменная, но и постоянная составляющая напряжения; в схеме рис. 1 это достигается введением делителя R'1 и R'2, который компенсирует постоянную составляющую напряжения, поступающую на нагрузку усилителя с коллектора третьего транзистора. Делитель же напряжения R1 и R2 компенсирует падение напряжение, поступающее на источник сигнала с резистора Rд2, и сохраняет смещение на входе транзистора Т1 неизменным при включении или выключении источника сигнала.
Однако при изменении температуры или напряжения питания, старении компонентов ток покоя транзистора Т3 изменится и на выходе такого усилителя появится постоянное напряжение. Для его уничтожения придется регулировать делитель R'1 и R'2, поддерживая отсутствие напряжения на выходе в отсутствие сигнала.
Отсутствие общего провода между входной и выходной цепями в схеме УПТ, изображенной на рис. 1, также является ее недостатком. Если заземлить в этой схеме один из зажимов входной цепи,
подключенная к выходным зажимам нагрузка окажется под потенциалом относительно земли; при заземлении одного из выходных зажимов под потенциалом относительно земли окажется источник сигнала, что иногда нежелательно или недопустимо.
Режим работы транзистора в каскаде такого усилителя выбирается, как в обычном резисторном каскаде. Коэффициент усиления, частотную характеристику в области верхних частот и переходную в области малых времен для каждого каскада рассчитывают с учетом обратной связи, вносимой резистором Rэ.
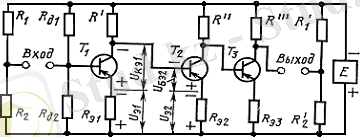
УСИЛИТЕЛИ ПОСТОЯННОГО ТОКА СО СДВИГОМ УРОВНЯ
Рис. 2
Эта схема лишена многих недостатков, которые имеет схема с непосредственной связью. Схема с потенциометрической межкаскадной связью используется как в транзисторном, так и в ламповом вариантах. Здесь входная и выходная цепи имеют общий провод, а питание осуществляется от двух источников постоянного тока- источника питания выходных цепей Е и дополнительного источника компенсирующего напряжения Едоп. Компенсация излишнего отрицательного потенциала, поступающего с коллекторов предыдущих транзисторов на базу последующих, а также компенсация постоянной составляющей напряжения во входной и выходной цепях здесь осуществляется от дополнительного источника Едоп через резисторы Rс .
Резисторы и конденсаторы в цепи эмиттера, изображенные на рис 2. пунктиром, используются для стабилизации режима и высокочастотной коррекции. Вместо двух источников постоянного напряжения в схеме можно использовать один источник со средней точкой, соединенной с общим проводом, или один источник с искусственной средней точкой, образованной резисторами делителя, подключенного параллельно источнику питания. К недостаткам потенциометрической схемы связи можно отнести большое число резисторов в каскаде и в 1, 5-2 раза меньший коэффициент усиления по сравнению со схемой непосредственной связи; это объясняется шунтированием сопротивлений R старении компонентов и, а также тем, что часть напряжения сигнала теряется на резисторах Rп.
2. Контрольные вопросы
1. Поясните назначение УПТ.
Тұрақты күшейткіштер өте баяу электр сигналдарын күшейте алатын күшейткіштер деп аталады; олардың төмен жұмыс жиілігі = 0, ал жоғары жұмыс жиілігі күшейткіштің мақсатымен анықталады
- Поясните особенности и разновидности УПТ.
Схема мен жұмыс принципіне сәйкес тікелей ток күшейткіштері екі топқа бөлінеді: күшейткіштер, тұрақты ток күшейткіштері және күшейткіштер, тікелей ток
Күшейткіштер, тікелей ток электронды өлшеу құралдарында, осциллографтарда, радио және теледидарлық құрылғыларды, электронды компьютерлерді, электрлік кернеу мен токтың тұрақтандырғыштарын, бақылаудың барлық түрлерін, реттеу және бақылау жүйелерін және басқа да бірқатар жағдайларды,
- жиілікті түрлендірумен.
- Изобразите схему УПТ с непосредственной связью.
- Поясните назначение элементов в схеме УПТ с непосредственной связью.
Тізбектегі Rэ1, Rэ2, Rэ3 резисторлары транзисторлардың демалу нүктесін тұрақтандырады,
Үшінші транзистордың коллекторынан күшейткіш жүктемесіне берілетін кернеудің тұрақты компонентін өтейтін R'1 және R'2
Rd2 резисторынан сигнал көзіне келеді
және сигнал көзі қосулы немесе өшірулі болған кезде транзистордың T1 кірісі бойынша өзгеріссіз қалады Алайда, температура немесе беру кернеуі өзгерген кезде, компоненттердің жасы, T3 транзисторының ток күші өзгереді және осындай күшейткіштің шығысында тұрақты кернеу пайда болады. Мұндай күшейткіштің каскадындағы транзистордың жұмыс режимі қарапайым резисторлы каскадтағы сияқты таңдалады. Күшейту коэффициенті, жоғарғы жиіліктер аймағындағы жиіліктік сипаттамасы және шағын уақыт аймағындағы өтпелі сипаттамалар әрбір Каскад үшін rэ резисторы енгізетін кері байланысты есепке ала отырып есептеледі.
- Изобразите схему УПТ со сдвигом уровня.
- Поясните принцип работы УПТ с преобразованием частоты
Мұнда кіріс және шығыс тізбектері жалпы сым болады, ал қорек тұрақты токтың екі көзінен- Е шығу тізбектерінің қорек көзінен және Едоп компенсациялық кернеуінің қосымша көзінен жүзеге асырылады сонымен қатар кіріс және шығыс тізбектеріндегі кернеудің тұрақты құраушы орнын толтыру мұнда Rс резисторы арқылы Едоп қосымша көзінен жүзеге асырылады. Байланыстың потенциометрлік схемасының кемшіліктеріне каскадтағы резисторлардың көп санын және тікелей байланыс схемасымен салыстырғанда 1, 5-2 есе аз күшейту коэффициентін жатқызуға болады; бұл компоненттердің қартаюына қарсы кедергілердің шунтталуымен және сигнал кернеуінің бөлігі Rп резисторларында жоғалуымен түсіндіріледі.
3. Задание на СРС
3. 1. АЧХ и ФЧХ рис. 8. 1 [ОЛ5. 2] зарисовать.
- Законспектировать особенности и пояснения АЧХ и ФЧХ УПТ.
- Задание на СРСП
4. 1. Выполнить расчет УПТ с потенциометрической связью на транзисторе МП41 (см. пример 8. 1)
5. Глоссарий
Усилители постоянного тока
УПТ прямого усиления
Преобразование частоты
Местная ООС
Компенсация постоянной составляющей напряжения
Тұрақты ток күшейткіштері
ТТК тура күшейтілуі
Жиілікті өзгерту
Жергілікті ТКБ
Кернеудің тұрақты құраушысын компенсациялау
Amplifiers of a direct current
УПТ direct amplification{strengthening}
Transformation of frequency
Local ООС
Indemnification of a constant component of a pressure{voltage}
Основные и дополнительные литературы
Л1 Ф. И. Вайсбурд и др. Электронные приборы и усилители Стр. 295-398
Л2 А. В. Цыкина Электронные усилители стр. 7-201
№ 13 дәріс
Тұрақты ток күшейткіштерінің ерекшеліктері
1. Дәрістің қысқаша мазмұны
Олардың төменгі жұмыс жиілігі = 0, ал жоғары жұмыс жиілігі күшейткіштің тағайындалуымен және оған қойылатын талаптармен анықталады.
Тұрақты токтың күшейткіші электрондық өлшеу аппаратурасында, осциллоскоптарда, радиоқабылдағыш және телевизиялық құрылғыларды күшейтуді автоматты реттеу жүйелерінде, электрондық есептеу машиналарында, кернеу мен токтың электрондық тұрақтандырғыштарында, барлық мүмкін болатын басқарушылар, реттеуші және қадағалаушы жүйелерде және тұтастай басқа да бірқатар жағдайларда қолданылады.,
Өйткені КЕА күшейтеді ретінде айнымалы және тұрақты құрамдас сигнал, онда сигналдың болмауы кірген мұндай күшейткіштің оның шығу болмауы тиіс ретінде ауыспалы және тұрақты құрамдас кернеу; олай болмаған жағдайда бұзылады пропорциональді арасындағы кіріс және демалыс напряжениями және өзгерткен кезде полярлықты тұрақты құрамдас бөлігі кіріс сигналының полярность тұрақты құрамдас негізінде, сіз барысында өзгеруі мүмкін.
Кесте бойынша және әрекет ету принципі бойынша тұрақты токтың күшейткіштері екі топқа бөлінеді: тікелей күшейтудің УПТА және жиілікті түрлендірумен УПТА.
ТІКЕЛЕЙ КҮШЕЙТКІШ ТҰРАҚТЫ ТОК КҮШЕЙТКІШТЕРІ
Күшейткіш өте баяу электр тербелістерін күшейтуі үшін, күшейткіш элементтер мен олардың жүктемелері арасындағы тікелей күшейткіш тұрақты ток күшейткіштерінде гальваникалық байланыс қолданылады, яғни токтың өте баяу өзгеруі үшін өткізгіштік элементтері арқылы жүзеге асырылатын және кедергісі бар байланыс, күшейткіш жиіліктерінің жұмыс жолағында жиілікке тәуелді емес, мысалы, өткізгіштер, резисторлар және т. б. конденсаторлар, трансформаторлар және мұндай күшейткіштердің қадааралық байланыс тізбектеріндегі дроссельдерді қолдануға болмайды. Өйткені КЕА тікелей күшейту емес қамтиды бөлу және оқшаулау конденсаторлардың сыйымдылығы үлкен, дроссельдерді және трансформаторлардың, онда олардың габариттік өлшемдері жасалуы мүмкін өте аз, және олар көрсетіледі өте ыңғайлы миниатюризации.
Гибридті немесе интегралды схема түрінде орындалған шағын габаритті тұрақты ток күшейткіштері ауыспалы ток күшейткіштерінің (дыбыстық, кең таратылатын, көп арналы байланыс, теледидар және т. б. ) құрамдас бөлігі ретінде өте жиі қолданылады, бұл жағдайда күшейткіш элементтің кіруіне немесе алдыңғы күшейткіш элементтің шығуынан түсетін жүктемеге сигналдан басқа да орнын толтыру қажет шығу тізбегінің қоректену кернеуі де келіп түседі.
ТІКЕЛЕЙ БАЙЛАНЫСЫ БАР ТҰРАҚТЫ ТОКТЫҢ КҮШЕЙТКІШТЕРІ
... жалғасы- Іс жүргізу
- Автоматтандыру, Техника
- Алғашқы әскери дайындық
- Астрономия
- Ауыл шаруашылығы
- Банк ісі
- Бизнесті бағалау
- Биология
- Бухгалтерлік іс
- Валеология
- Ветеринария
- География
- Геология, Геофизика, Геодезия
- Дін
- Ет, сүт, шарап өнімдері
- Жалпы тарих
- Жер кадастрі, Жылжымайтын мүлік
- Журналистика
- Информатика
- Кеден ісі
- Маркетинг
- Математика, Геометрия
- Медицина
- Мемлекеттік басқару
- Менеджмент
- Мұнай, Газ
- Мұрағат ісі
- Мәдениеттану
- ОБЖ (Основы безопасности жизнедеятельности)
- Педагогика
- Полиграфия
- Психология
- Салық
- Саясаттану
- Сақтандыру
- Сертификаттау, стандарттау
- Социология, Демография
- Спорт
- Статистика
- Тілтану, Филология
- Тарихи тұлғалар
- Тау-кен ісі
- Транспорт
- Туризм
- Физика
- Философия
- Халықаралық қатынастар
- Химия
- Экология, Қоршаған ортаны қорғау
- Экономика
- Экономикалық география
- Электротехника
- Қазақстан тарихы
- Қаржы
- Құрылыс
- Құқық, Криминалистика
- Әдебиет
- Өнер, музыка
- Өнеркәсіп, Өндіріс
Қазақ тілінде жазылған рефераттар, курстық жұмыстар, дипломдық жұмыстар бойынша біздің қор #1 болып табылады.

Ақпарат
Қосымша
Email: info@stud.kz