Трансформатордың құрылысы


9-лекциялық дәрiс . Трансформаторлар
1. Трансформатордың қолданылу аймақтары және техникалық һәм экономикалық қажеттiгi
2. Трансформатордың құрылысы
3. Трансформатордың әрекеттiк парқы
4. Трансформаторлық ЭҚК-тiң теңдеуi
5. Трансформатордың электрлiк күйiнiң теңдеуi
6. Трансформатордың магниттiк күйiнiң теңдеуi.
Трансформатор электр энергиясын кернеуі бойынша түрлендіруге және кернеуді реттеуге арналған электромагниттік құрылғы.
Трансформатордың қажеттігі электр энергиясының оны таратқан кездегі шығынын азайту және сымдық материалды үнемдеу мақсатынан келіп туған. Оны мынадай қарапайым мысалдан айқын көруге болады.
Қуаты
кВА электр энергиясын
км қашықтыққа генратордың кернеуiмен, яғни
кВ кернеумен әуе желісі арқылы жеткізу керек болсын.
Желi сымымен жүретiн ток
Токтың тығыздығын
деп алса, мұндай ток үшін көлденең қимасының ауданы
сым керек болады.
Егер осы электр энергиясын сол қашықтыққа
кВ кернеумен жеткізетін болса, онда ток күші
Мұндай ток үшін, қабылдап алған токтың тығыздығында, сымның көлденең қимасының ауданы
Бірінші нұсқа үшін
кг сым керек болса, екінші нұсқа үшін
кг сым керек болады. Мұндағы G
1
, G
2
- сәйкесті нұсқадағы сымның массалары да, ал
- сым материалының үлесті тығыздығы. Егер осы екі нұсқадағы сым массаларының қатынасын анықтаса
Бұл кернеудің деңгейін арттырса, токтың азаюына байланысты жіңішке сым алуға, ендеше желілік сымның массасын азайтуға болатынын көрсетеді.
Сыммен ток жүрген кезде ол қызады: мұнда электр энергиясы жылу энергиясына түрленеді де электр қабылдағышқа жетпей электр желісінің бойында шығындалады. Белгiлi өрнектер бойынша бiрiншi және екiншi нұсқаларда шығындалған энергияның қуаты
және
мұндағы: ∆Р 1 , ∆Р 2 - бірінші және екінші нұсқалардағы шығындалған энергияның қуаты;
ρ- сым материалының үлесті кедергісі.
Осы екі теңдіктен шығындалған қуаттардың ара қатынасы
Бұдан кернеудің деңгейін арттырса, сымдағы токтың азаюына байланысты, ондағы электр энергиясының шығынының азаятындығы көрініп тұр.
Сонымен, егер электр энергиясын алысқа беруде кернеудің деңгейін көтерсе, онда желіде энергияның шығыны азаяды және сымдық материал үнемделеді. Осы мақсатта кернеудің деңгейін реттеу үшін трансформатор ойлап табылған.
Өндірістің және техниканың дамуына байланысты номинал кернеуі әртүрлі құрылғылар пайда болды: 50-70 В-тік пісірістіру трансформаторлары, 12-40 В-тік апаттық жарықтандыру шамдары, түрлендіргіштер, электрондық құрылғылар және т. б. Осы құрылғылардың барлығында да трансформаторлар пайдаланылады. Электр өлшеу жұмыстарында жоғары кернеулер мен үлкен токтарды өлшеу үшiн өлшеуіштік трансформаторлар қолданылады.
Электрмен жабдықтау жүйелерінде, электр тораптарында қолданылатын трансформаторларды күштік трансформаторлар деп атайды. Электр стансаларында кернеуді жоғарылатқыш күштік трансформаторлар қойылса, электр қабылдағыштар қасында төмендеткіш күштік трансформаторлар қойылады.
Күштiк трансформаторладың қуаты 10 кВА-ден 1 млн. кВА-ге дейін барады және мәндері стандартталған болады.
Қуаты аз трансформаторлар негізінен әртүрлі тұрмыстық электрлік аспаптарда, радиотехникада және автоматикада қолданылады.
Трансформаторлар оларға берілетін кернеулердің санына қарай бір фазалы және үш фазалы, кернеуді түрлендiруіне қарай жоғарылатқыш және төмендеткіш болып бөлінеді.
9. 1-сурет. Бiр фазалы трансфор- матордың сұлбалық құрылысы (а) мен шартты белгiлерi (б, в) .
Трансформаторлар әртүрлі міндет атқарғанмен олардың негізгі құрылысы және әрекеттік парқылары бірдей. Сондықтан трансформатордың әрекеттік парқын және әртүрлі жұмыс әлпілерін бір фазалы трансформатор арқылы қарастыруға болады.
Трансформатор ферромагнитті магнит өткізгіш өзектен және кем дегенде екі орамадан тұрады (9. 1 -сурет) . Орамалар трансформатордың түріне қарай өзекте бірінің үстіне екіншісі, қатар немесе әр жерге ораналасуы мүмкін.
Орамалардың бірі кернеу көзіне қосылады да бiрiншiгәр орама деп, ал екіншісінің қысқыштарына электр қабылдағыштар қосылады да екiншiгәр орама деп аталады. Орамалардың орамдары бір - бірінен және өзектен оқшауланған.
Өзек қалыңдығы 0, 3…0, 5 мм трансформаторлық болат парақшалардан жиналған. Энергияның өзектегі шығынын азайту үшін парақшалар бір-бірінен және орамалардан лакпен оқшауланған.
Бiрiншiгәр ораманы айнымалы кернеу көзіне қосқан кезде онымен айнымалы ток жүреді де, ораманың айналасында айнымалы магнит өрісі пайда болады, яғни магнит өрiсi қоздырылады. Ал ферромагниттi өзек осы өрiсте тұрғандықтан магниттеніп, ораманың магнит өрісін күшейтеді және электр энергиясын магнит өрiсiнiң энергиясына түрлендiру арқылы еiншiгәр орамаға жеткiзiп бередi.
Айнымалы магнит ағыны екiншiгәр ораманы қиып өтіп жататындықтан электромагниттік индукция заңы бойынша онда айнымалы ЭҚК тудырады:
мұндағы:
- екiншiгәр ораманың орам саны;
- магнит ағынының өзгеру жылдамдығы.
Өзектегi магнит ағыны өзiн қоздырған бiрiншiгәр ораманы да қиып өтетiндiктен онда өздiк индукция ЭҚК-i пайда болады.
Трансформатордың әрекеттік парқының логосентi былайша кескiнделедi:
Трансформатор тек қана айнымалы ток тізбегінде жұмыс істей алады, яғни айнымалы кернеуді ғана түрлендіредi. Себебі тұрақты ток тұрақты магнит өрісін қоздырады, ал тұрақты магнит өрісі қозғалмай тұрған орамада ЭҚК тудырмайды.
Трансформатордың өзегі тек қана ферромагнитті материалдан жасалады, өйткені ферромагнитті емес материал (мысалы, алюминий, мыс, қола, т. б. ) магниттенбейді, сондықтан ол магнитөткізгіш бола алмайды.
Трансформатордың бiрiншiгәр орамасын айнымалы кернеу көзіне қосқанда өзекте пайда болатын айнымалы магнит өрісі екiншiгәр орамада өзара индукция ЭҚК-ін, ал бiрiншiгәр орамада өздік индукция ЭҚК- ін тудырады (9. 2-сурет) .
Электромагниттік индукция заңы бойынша орамалардың әрбір орамында пайда болатын ЭҚК
9. 2-сурет. Бос жүрiс әлпiнде- гi бiр фазалы трансформатор- дың сұлбасы.
(9. 1)
Өзектегі магнит ағыны синусоидал болатындықтан, яғни
, (9. 2)
орамда пайда болатын ЭҚК
(9. 3)
мұндағы ЭҚК- тің амплитудасы
(9. 4)
(9. 3) теңдігі әрбір орамадағы ЭҚК-тің синустың заңдылығымен өзгеретінін және магнит ағынынан 90 0 -қа қалып отыратынын көрсетеді.
Егер (9. 4) теңдігінің екі жағын да
-ге бөлсе, онда ЭҚК- тің әрекеттік мәнін магнит ағынының амплитудасымен байланыстыратын өрнек алынады:
(9. 5)
мұндағы f - трансформаторға берiлген кернеудiң (бiрiншiгәр орамадағы токтың, өзектегi магнит ағынының жиiлiгi) .
Бұл орамалардың бір орамында ғана пайда болатын ЭҚК. Егер ЭҚК- тің осы мәнін орам сандарына көбейтсе (орамдар бірізді жалғанған), бiрiншiгәр және екiншiгәр орамалардың ЭҚК -тері
(9. 6)
(9. 7)
мұндағы: Е 1 , Е 2 - бiрiншiгәр және екiншiгәр орамалардың ЭҚК- тері; w 1 , w 2 - бiрiншiгәр және екiншiгәр орамалардың орам сандары.
(9. 6) және (9. 7) теңдіктерінен орамаларда пайда болатын ЭҚК орам санына, магнит ағынының амплитудасына және магнит өрісінің өзгеру жиілігіне байланысты деп тұжырым жасауға болады. Былайша айтқанда орамадағы ЭҚК орама сымының ұзын- қысқалығына, магнит өрісінің күшті не әлсіз екендігіне және магнит өрісi орамаларды қандай жылдамдықпен қиып өтіп жататындығына байланысты.
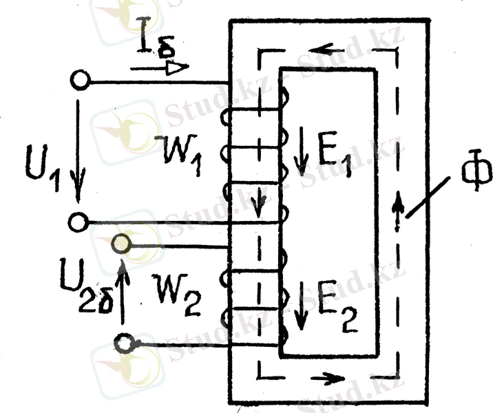
Трансформатордың бiрiншiгәр орамасы кернеу көзіне қосылған да, екiншiгәр орамасы, электр қабылдағыш қосылмай (9. 2-сурет), ағытулы тұрған болса (екiншiгәр ораманың тогы І 2 =0), онда трансформатордың мұндай жұмыс әлпін бос жүріс деп атайды.
Трансформатор орамаларының тогы, әсіресе бос жүріс кезінде ферромагнит өзектің әсерінен таза синусоидал болмайды. Бірақ трансформатордың жүгі артқан сайын оның бейсинусоидалдығы азаяды. Сондықтан көбіне жүктемелі трансформатордың тогы оған эквивалентті синусоидал токпен алмастырылады.
Трансформатордың электрлік күйін білу үшін бiрiншiгәр және екiншiгәр орамалардың тізбектері үшін Кирхгофтың екінші заңы бойынша теңдіктер жазу керек. ЭҚК- тің бағыттары токтың бағытымен сәйкес келеді деп алса, бiрiншгәр ораманың өнбойында
(9. 8)
екiншiгәр ораманың өнбойында
(9. 9)
мұндағы: U 1 - бiрiншiгәр ораманың кернеуі (бiрiншiгәр кернеу) ; R 1 - бiрiншiгәр ораманың активті кедергісі; І б - бiрiншiгәр ораманың бос жүріс тогы; E 1ш - осы орамадағы шашыранды ЭҚК; U 2б - екiншiгәр ораманың бос жүріс кернеуі (екiншiгәр кернеу) .
Трансформатордың бос жүріс тогы номинал тогынан әлдеқайда аз болатындықтан (номинал токтың 3%-на дейін ғана барады) кедергідегі кернеудің түсуін және шашыранды ЭҚК-ті (негізгі ЭҚК-тің 3 . . . 5%-ы шамасында) ескермесе, онда жуықтап бiрiншiгәр ораманың кернеуi онда пайда болатын ЭҚК-пен теңгерiледi деуге блады:
(9. 10)
Бұл теңдік энергияны шығындамайтын идеал трансформатор үшін ғана орынды.
Жалпы алғанда, (9. 9) және (9. 10) теңдіктері бос жүрісті трансформаторда бiрiншiгәр ораманың ЭҚК-інің орнына оның кернеуін алуға болатынын, ал екiншiгәр ораманың ЭҚК-інің оның кернеуіне тең екенін көрсетеді.
Егер (9. 10) және (9. 9) теңдіктерінің қатынасын алса және ЭҚК-тердің орнына (9. 6) және (9. 7) теңдіктерінен олардың мәндерін қойса, онда
(9. 11)
яғни трансформатордың бос жүріс әлпінде бiрiншiгәр ораманың кернеуінің екiншiгәр ораманың кернеуiне және осы орамалардың ЭҚК-терiнiң қатынасы орамалардың орам сандарының қатынасына тең болады. Орам сандары тұрақты шама болғандықтан олардың қатынасы k да тұрақты шама болады. Бұл шаманы трансформация коэффициенті деп атайды. Трансформация коэффициенті орамалардың орам сандарына байланысты екiншiгәр кернеудің бiрiншiгәр кернеуге қарағанда қанша есе азайып не көбейетінін көрсетеді.
Екiншiгәр орамаға электр қабылдағыш қосса (9. 3-сурет), онда орамамен ток жүріп, магнит өрісі қоздырылады. Сондықтан өзектегі толық магнит өрісі бiрiншiгәр және екiншiгәр орамалардың магнит өрістерінің қабаттасқан әсерлерінiң нәтижесiнде қалыптасады. Олай болса, өзектегі магнит ағыны
(9. 12)
мұндағы: Ф 1 - бiрiншiгәр ораманың тогы қоздырған магнит ағыны; Ф 2 - екiншiгәр ораманың тогы қоздырған магнит ағыны.
(9. 10) теңдігі бойынша бiрiншiгәр және екiншiгәр орамалардың магнит тізбектеріндегi магнит ағыны
(9. 19)
9. 3-сурет. Жүктемелi транс- форматордың сұлбасы.
мұндағы R м1 , R м2 - бiрiншiгәр және екiншiгәр орамалардың магнит тізбектерінің магниттік кедергілері.
Егер шашыранды ЭҚК-ті және өзектегі энергияның шығынын ескермесе, (9. 10) теңдігі бойынша бос жүріс әлпінде
Егер осы теңдiктен магнит ағынын анықтаса, онда
немесе
(9. 20)
Бiрiншiгәр ораманың кернеуі тұрақты шама болғандықтан (9. 20) теңдігі бойынша бос жүріс кезіндегі магнит ағыны да тұрақты шама болады. Егер жүктелген трансформаторда да бiрiншiгәр кернеудің мәні тұрақты, яғни кернеу көзінің қуаты өте үлкен және желідегі кернеудің түсуі өте аз деп алса, онда магнит ағыны да тұрақты болады. Ендеше жүктемелі трансформатордың магнит ағыны оның бос жүріс әлпіндегі магнит ағынына тең:
(9. 21)
мұндағы R мб - бос жүріс әлпіндегі бiрiншiгәр ораманың магнит тізбегінің магниттік кедергісі.
Магнит ағыны тұрақты болғандықтан оның осы мәнінде өзектің магниттік өтімділігі де тұрақты болады. Сондықтан магниттік кедергіні де тұрақты деп алып, яғни
, (9. 19) және (9. 21) теңдіктерінен магнит ағынының мәндерін (9. 18) теңдігіне қойса
(9. 22)
- Іс жүргізу
- Автоматтандыру, Техника
- Алғашқы әскери дайындық
- Астрономия
- Ауыл шаруашылығы
- Банк ісі
- Бизнесті бағалау
- Биология
- Бухгалтерлік іс
- Валеология
- Ветеринария
- География
- Геология, Геофизика, Геодезия
- Дін
- Ет, сүт, шарап өнімдері
- Жалпы тарих
- Жер кадастрі, Жылжымайтын мүлік
- Журналистика
- Информатика
- Кеден ісі
- Маркетинг
- Математика, Геометрия
- Медицина
- Мемлекеттік басқару
- Менеджмент
- Мұнай, Газ
- Мұрағат ісі
- Мәдениеттану
- ОБЖ (Основы безопасности жизнедеятельности)
- Педагогика
- Полиграфия
- Психология
- Салық
- Саясаттану
- Сақтандыру
- Сертификаттау, стандарттау
- Социология, Демография
- Спорт
- Статистика
- Тілтану, Филология
- Тарихи тұлғалар
- Тау-кен ісі
- Транспорт
- Туризм
- Физика
- Философия
- Халықаралық қатынастар
- Химия
- Экология, Қоршаған ортаны қорғау
- Экономика
- Экономикалық география
- Электротехника
- Қазақстан тарихы
- Қаржы
- Құрылыс
- Құқық, Криминалистика
- Әдебиет
- Өнер, музыка
- Өнеркәсіп, Өндіріс
Қазақ тілінде жазылған рефераттар, курстық жұмыстар, дипломдық жұмыстар бойынша біздің қор #1 болып табылады.

Ақпарат
Қосымша
Email: info@stud.kz