СИНУСОИДАЛЫ ТОКТЫҢ ТАРМАҚТАЛҒАН ТІЗБЕГІН ЗЕРТТЕУ. ТОКТАР РЕЗОНАНСЫ


№5 Зертханалық жұмыс
СИНУСОИДАЛЫ ТОКТЫҢ ТАРМАҚТАЛҒАН ТІЗБЕГІН ЗЕРТТЕУ.
ТОКТАР РЕЗОНАНСЫ
Жұмыстың мақсаты
Параллель жалғанаған индуктивті орауыш пен сыйымдылықты элементтерден тұратын синусоидалы ток тізбегін зерттеу. Тәжірибеден алынған мәліметтер бойынша ток пен кернеудің векторлық диаграммасын сызу. Тізбектегі токтарды резонанстық күйге келтіру және оны түсіну.
5. 1 ҚЫСҚАША ІЛІМИ МАҒЛҰМАТТАР
Электр тізбегінде индуктивтік орауыш пен сыйымдылық параллель жалғанаған кезде токтар резонансы алынады:
1-сурет
Осы тізбек үшін:
мұнда
және
- индуктивтік және сыйымдылық өткізгіштері;
және
өлшемдерінің ара қатынасының тәуелділігі үш түрлі жағдайда болуы мүмкін:
- , демек. Осы режимге 2а-суретіндегі векторлық диаграмма сәйкес келеді.
- , - ток резонансы (2б-сурет) .
- , демек. Бұл жағдайдағы векторлық диаграмма 2с-суретте көрсетілген.
а) б) с)
2-сурет
Ток резонансы кезіндегі шарттан
болғанда резонанстық жиілікті анықтауға болады. 1-суреттегі сұлбадан
.
Осы арқылы
;
.
3-сурет
Параллель контурдың резонанстық қисықтары 3-суретте көрсетілген. Резонанстық жиілік кезінде
болғанда, қорек көзіндегі ток, минимал ток, актив кедергісі бар ток бір-біріне тең
, ал тізбектің реактивті телімінде ток нөлге тең
.
арқылы тізбек индуктивтілікпен сипатталады (кернеу токты «
» бұрышына озады),
болған кезде активті,
- болғанда сыйымдылықты сипаттама (ток кернеуді «
» бұрышына озады) .
Резонанс кезінде толық кедергісінің «
» максимал мәні алынады, ал реактивті кедергі «
» нөлге тең болады.
Резонанстық жиілікті анықтау кезін толық өткізгіштің шарты бойынша табу керек. Мысалы, 4-суреттегі тізбектен алатынымыз
4-сурет
Ендеше резонанстық режимнің жорамал бөлігі нөлге тең болуы керек, онда
.
5. 2 ТӘЖІРИБЕЛІК ЖҰМЫСҚА ТАПСЫРМА ЖӘНЕ ОНЫҢ ОРЫНДАЛУ ТӘРТІБІ
- Зерттелетін сұлбаны жинаңыз (5-сурет) .
5-сурет
- Арнайы түрдегі кернеу генераторынан синусоидалы кернеу берілу керек:В, Гц.
- Индуктивті орауыштың активті кедергісін виртуалды аспап арқылы өлшеп, теориялық резонансты жиілікті есептеу керек.
- Берілген кернеудің жиілігін өзгерте отырып, минималды ток немесе фазометрдің арқылы резонанстық режимді келтіру керек. Тәжірибелік резонанстық жиілікті есептелінген шамасы мен салыстыру керек.
- Айнымалы жиілігінің кіріс сигналы кезінде резонанстық қисықтарды түсіру керек., ,, .
- Өлшенген қорытындыларды 1-кестеге енгізіп, жиіліктің сипаттамаларының графиктерін салу керек.
1-кесте

















- Айнымалы жиіліктің кіріс сигналы кезінде жиіліктің сипаттамаларын,, түсіру керек. Өлшенген қорытындыларды 1-кестеге енгізіп, жиіліктің сипаттамаларының графиктерін салу керек.
- Осы жиіліктерге, жәнекернеу мен токтың векторлық диаграммаларын салу керек.
- Осы жұмысқа тұжырым жасау керек.
5. 3. БАҚЫЛАУ СҰРАҚТАРЫ МЕН ТАПСЫРМАЛАР
- Токтар резонансына анықтама беріңіздер.
1. Ток резонансы деп тізбектің жалпы тоғының фаза бойынша кернеумен сәйкес келуін айтамыз.
- Қай тізбекте және қандай шарттар орындалған кезде токтар резонансы пайда болады?
2. Реактивті қуат нөлге тең және тізбек тек қана активті қуатты қолданатын жағдайда пайда болады
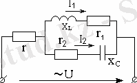
АиУ-19-11/2
5. Электр тізбекте (6-сурет) токтар резонансы кезінде I
1
= 22 A, I
2
= 9 A, индуктивтік элементтің кедергілерін X
L
, Х
R
, токтарын
,
, I А және b
l
, b
c
мәндерін есептеу керек, егер X
С
= 30 Ом тең болса.
I
L=U
- Іс жүргізу
- Автоматтандыру, Техника
- Алғашқы әскери дайындық
- Астрономия
- Ауыл шаруашылығы
- Банк ісі
- Бизнесті бағалау
- Биология
- Бухгалтерлік іс
- Валеология
- Ветеринария
- География
- Геология, Геофизика, Геодезия
- Дін
- Ет, сүт, шарап өнімдері
- Жалпы тарих
- Жер кадастрі, Жылжымайтын мүлік
- Журналистика
- Информатика
- Кеден ісі
- Маркетинг
- Математика, Геометрия
- Медицина
- Мемлекеттік басқару
- Менеджмент
- Мұнай, Газ
- Мұрағат ісі
- Мәдениеттану
- ОБЖ (Основы безопасности жизнедеятельности)
- Педагогика
- Полиграфия
- Психология
- Салық
- Саясаттану
- Сақтандыру
- Сертификаттау, стандарттау
- Социология, Демография
- Спорт
- Статистика
- Тілтану, Филология
- Тарихи тұлғалар
- Тау-кен ісі
- Транспорт
- Туризм
- Физика
- Философия
- Халықаралық қатынастар
- Химия
- Экология, Қоршаған ортаны қорғау
- Экономика
- Экономикалық география
- Электротехника
- Қазақстан тарихы
- Қаржы
- Құрылыс
- Құқық, Криминалистика
- Әдебиет
- Өнер, музыка
- Өнеркәсіп, Өндіріс
Қазақ тілінде жазылған рефераттар, курстық жұмыстар, дипломдық жұмыстар бойынша біздің қор #1 болып табылады.

Ақпарат
Қосымша
Email: info@stud.kz