Қысқа тұйықталу себептері мен нәтижелері


Қысқа тұйықталу себептері мен нәтижелері (ҚТ) . ҚТ түрлері. ҚТ толық құраушы токтары. ҚТ ұру тоғы
Қысқа тұйықталу деп (ҚТ) фазалар арасындағы (электр қондырғы фазалық өткізгішіндегі) тұйықталуды айтамыз, яғни фазаның тұмшаланған және тиімді жерлендірілген бейтараптамалары бар тораптарда жерге тұйықталуы (нольдік желі) сонымен қатар, электр машиналарындағы орамды тұйықталуы.
Қысқа тұйықталу электр тізбегінің оқшауламасы бұзылған жағдайда пайда болады. Мұндай бұзылулардың себебі әртүрлі: ескірудің салдарынан оқшауламаның тесілуі, электртасымалдау желі сымдарына бөгде заттардың түсуі, сымдардың үзіліп жерге түсуі, жер жұмыстары кезінде кабель желілерінің механикалық бүлінуі, электр тасымалдау желісіне найзағай түсуі және т. б.
Көбіне ҚТ өтпелі кедергі кезінде болады, мысалы оқшаулау бүлінген орнында пайда болған электр доғасының кедергісі кезінде. Кей жағдайларда өтпелі кедергісіз металдық ҚТ болады. Токты есептеуде талдауды жеңілдету үшін көп жағдайларда өтпелі кедергі ҚТ есептемей тек металдық ҚТ ғана ескеріледі.
Үш фазалы электр қондырғыларында үш немесе екі фазалы ҚТ пайда болады.
Сонымен қатар тұмшаланған және тиімді жерлендірілген бейтараптамаларда үш фазалы тораптарда қосымша бір және екі фазалы жерге ҚТ (екі фазаның бір мезетте жерге байланысуымен өзара тұйықталуы) пайда болуы мүмкін.
Үш фазалы ҚТ кезінде электр торабында барлық фазалалар бір жағдайда болады сондықтан оны симметриялық деп атайды. ҚТ басқа түрлерінде торап фазаларында әр түрлі жағдайларда болады, осыған байланысты токтың векторлық диаграммалары және кернеуі бұрмаланады. Осындай ҚТ симметрияық емес деп аталады.
ҚТ осы немесе басқа да түрлерінің пайда болу ықтималы берілген 3. 1 [3. 1], кестедегі деректерде сипатталады ол жерде электр қондырғы, электр тасымалдау желісінің құралымдары, климаттық және басқа да факторлар үшін әр түрлі кернеу деңгейі шамалары көрсетілген.
Қысқа тұйықталу әдетке сай номиналды шамадан бірнеше есе басым болатын бүлінген фазаларда токтың шамаларға дейін өсуімен бірге жүреді.
ҚТ токтың өтуі өткізгіштерде және контактілерде электр энергиясының шығынының өсуіне әкеле отырып олардың жоғарғы қызуының себебі болады. Қызу оқшаулаудың тозуын және бүлінуін тездетуі мүмкін, контактілердің балқуын немесе жанып кетуіне, шиналардың және сымдардың механикалық беріктігінің жоғалуына және т. б. себеп болады. Өткізгіштер және аппараттар берілген есеп уақыт аралығында ҚТ ток қызуына бүлінбестен шыдауы қажет, яғни ыстыққа төзімді болуы қажет.
Кесте 3. 1. Қысқа тұйықталу түрлері
ҚТ тогының өтуі де өткізгіштер арасында электродинамикалық едәуір күш жігерімен бірге жүреді. Егер тиісті шаралар қолданбаса осы ықпалдардың әсерінен ток жүргізгіш бөлшектері және олардың оқшаулануы құруы мүмкін. Токжүргізгіш бөлшектері, аппараттар және электр машиналар ҚТ жағдайында пайда болған ықпалға бүлінусіз шыдайтындай құралуы қажет, яғни электродинамикалық төзімділігі болуы қажет.
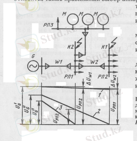
Қысқа тұйықталу электр торабында, оның ішінде зақымдалған жердің жанында кернеу деңгейінің төмендеуімен қатар жүреді. 3. 1 суретінде ҚТ кезіндегі радиалды электр торабының әр түрлі нүктесіндегі кернеу диаграммасы көрсетілген.
Тұтынушы шинасындағы қысымның төмендеуі (мысалы, РПЗ ҚТ кезінде РШ шиналарында) қауіпті салдарға әкелуі мүмкін. Әсіресе кернеудің төмендеуіне қозғалтқыш салмағы сезімтал болады. Кернеудің терең төмендеу кезінде электрқозғалтқыштың айналу моменті механизімнің кедергі моментінен де төмен шамаға дейін азаяды. Электрқозғалтқыш тежеледі, өз кезегінде оның пайдаланған тогының ұлғаюына әкеледі. Осы кезде торабтағы кернеудің төмендеуі өседі, осының салдарынан электрэнергия тұтынушылардың көпшілік санын қамтитін көшкін тектес процес дамуы мүмкін.
ҚТ кезіндегі кернеудің оқыс төмендеуі генераторлардың параллельді жұмыстарының тұрақтылығын бұзып, орасан халықшаруашылық зардаптары бар жүйелі апатттарға әкелуі мүмкін.
ҚТ кезінде энергия жүйелерінің жұмысының сенімділігін қамтамасыз ету үшін және жабдықтардың бөлінуінің алдын алу үшін тез арада бөлінген телімді айырып тастау қажет. Апаттардың даму қаупін азайту шараларына ҚТ жағдайлары бойынша аппараттарды дұрыс таңдау, ток шектегіш құрылғыларды пайдалану, тораптың рационалды жүйесін таңдау және т. б. жатады.
Сурет 3. 1. Радиалды электр торабындағы (1) қалыпты жұмыс режимі мен ҚТ кезінде К1 мен К2 нүктелеріндегі кернеу деңгейі
Аталған шараларды жүзеге асыру үшін ҚТ тогын анақтауды және оның уқыт аралығындағы сипатын анықтай білу қажет.
Қысқа тұйықталу өтпелі процеспен бірге жүреді, бұл процес кезінде ток және кернеу шамасы, сонымен қатар оның уақат арлығындағы өзгеру сипаты, бүліну болған тораб және қоректену көзі (генератор, жүйе) кедергісімен мен қуат арақатынасына тәуелді болады. Осыны ескере отырып ҚТ ның мүмкін болған барлық жағдайларын шартты түрде екіге бөлуге болады, атап айтқанда, тұрақты кернеу шиналарынан қоректенетін тізбектегі ҚТ (энергожүйелер) ; шектеулі қуат генераторына жақын ҚТ.
Тұрақты кернеу шиналары деп шартты түрде оған қосылған торабтағы токтың кез келген өзгерісінде қыспақтағы кернеу өзгеріссіз қалатын қайнар көзді айтамыз. Басқаша айтқанда оны айырықша белгісі оның өзіндік кедергісі ҚТ тізбектегі кедергіге қарағанда өте аз, (оны тағы шексіз қуат жүйесі деп атайды) .
Шын мәнісінде энергия жүйесінің қуаттылығы жекелеген қайнар көздері және олардың кедергісі әр қашан соңғы нақты шамасында болады. Дегенмен электр торабының көпшілік элементері энергожүйе, генератор кедергісімен салыстырғанда өте жоғары кедергіге ие, бұл өз кезегінде мұндай элементтер (трансформатор, реактор, желі) ҚТ кезінде ҚТ тогын және көздің кедергісінің қалдық кернеуін есептеу ерекше кемшіліктерсіз жүреді сондықтан оларды ескермеуге болады. ҚТ тогын есептеу барысында электр қондырғыны және реле қорғау тағайыншамасын таңдау үшін қоректенетін энергожүйенің кедергісін егер ол ҚТ торабының нәтижелеу кедергісін 5 - 10% аспаса ескермеуге болады.
Екінші топқа ҚТ торабы кедергісі генератор кедергісімен өлшемдес болатын генераторлар шықпаларында немесе олардан осындай қашықтықта болатын бүлінулер жатады. Бұл жағдайда ҚТ кезінде генератордың өзінің параметрлерінің өзгеруі процес барысына елеулі әсер етеді сондықтан оған селқос қарауға болмайды.
ҚТ әр жағдайдағы ерекшеліктерін қарастырамыз.
а) Физикалық шамаларды әріппен белгілеу
Берілген басылымда ҚТ токтарын есептеуде және ҚТ кезінде өткізгіштер мен электр аппараттардың электродинамикалық және қызу төзімділігін тексеру барысында қолданылатын келесі шама әріп белгілері пайдаланылған.
өтпе ток, әрекеттік және лездік мән;
I шек. өтп , i шек. өтп - Шекті өтпе ток, әрекеттік және лездік мән;
I ажыр , i ажыр - ажыратылатын ток, әрекеттік және лездік мән;
I ном, ажыр , i ном, ажыр - электр аппаратының ажыратылу тогының номиналы;
I t , i t - t мезетіндегі ток;
I τ , i τ - τ мезетіндегі ток;
I тер - қызу төзімділік тоғы;
I ∞ − белгіленген режим тоғы;
I к - ҚТ тоғы, жалпы белгілеулер;
I п , i п - ҚТ тогының периодттық құраушысы;
I а , i а - ҚТ тогының апериодттық құраушысы (I а =i а ) ;
I п0 - ҚТ тогының периодттық құраушысының бастапқы мәні (t=0) ;
i а0 - ҚТ тогының апериодттық құраушысының бастапқы мәні (t=0) ;
I пτ , i пτ - ҚТ тогының t=τ мезетіндегі апериодттық және периодттық құраушысы;
U, u - кернеу, әрекеттік және лездік мәні;
U 1 , U 2 , U 0 - тік және қайтарымды, нольдік тізбекке сәйкес қысым
∆U - Кернеу шығыны;
φ - Кернеу және ток арасындағы фазалар бұрышының жылжуы;
соs φ - қуат коэффициенті;
Е, е - электр қозғалтқыш күш, әрекеттік және лездік мәні;
R, r - белсенді кедергі;
Х, х - реактивті кедергі;
Z - толық кедергі, модуль;
Z 1 , Z 2 , Z 0 - Тік, қайырымды, және нольдік тізбекке сайкес кедергі;
Т а - ҚТ тогының апериодикалық құрамының сөнуінің тұрақты уақыты;
β норм - ажыратылған токтағы апериодтты құраушысының нормирмалық және пайыздық құрамы;
В к - ҚТ кезіндегі Джоуль интегралы;
В тер - ҚТ шарттары үшін электр аппаратының Джоуль нормаланған интегралы;
t тер - электр аппаратының ыстыққа төзу уақыты;
tажыр - ҚТ ажырату уақыты, ҚТ есептік ұзақтығы;
tө. у. ажыр - ажыратқыштың сөнуінің өзіндік уақыты;
T ажыр. у. - ажыратқыштың сөнуінің толық уақыты;
t р. қ. тiп - Релелік қорғаныстың іске қосылуының есептік уақыты;
τ - Коммутациялық аппараттың доға өшіру контактілерінің алшақтауының бастапқы мезеті.
3. 2. ҮШ ФАЗАЛЫҚ ҚЫСҚА ТҰЙЫҚТАЛУ
а) Тұрақты кернеу шиналарынан қоректенетін тізбектегі қысқа тұйықталу
3. 2 сур. Көптеген нақты электр торабтарына тән белсенді-индуктивті кедергілі үшфазалалық симметриялық тізбектің қарапайым түрі көрсетілген. Тізбек жұмысы қалыпты режимде және ҚТ кезінде оның қыспақтарында үшфазалық кернеу жүйесі мәні бойынша тұрақты және симметриялық кернеу сақталатын көзден. Қарастырылып отырған тізбектің бірқалыпты жұмысы үшінгі векторлық диаграммасы 3. 3, суретінде көрсетілген, әр фазаның а. токпен кернеу арасындағы φ бұрышы жүктемені қоса алғанда барлық тізбектің белсенді және индуктивті кедергілерінің ара қатынасымен.
Сурет 3. 2. Тұрақты кернеу шиналарынан қоректенетін үшфазалық симметриялы тізбек (шексіз қуатты көрек көзінен)
Қысқа тұйықталу тізбекті екі бөлікке бөледі: оң бөлік әр фазасында кернеуі r 1 және х 1 =ωL 1 және сол бөлік қоректің көзінен және ҚТ тізбектің кедергісі r к және х к =ωL к тұрады. Сұлбаның екі бөлігінде де процестер үшфазалы ҚТ дан тәуелсіз жүреді.
Қарастырылып отырған тізбектің оң жағы ҚТ шунталған екен сондықтан оның ішінде ток индуктивті L 1 магниттік өрістегі r 1 белсенді кедергіде шығатын жылуға айналып кетпегенше токпен қамтамасыз етіледі. Бұл ток тораптың кедергісінің белсенді индуктивті сипатында қалыпты режим тогынан аспайды жіне бірте бірте сөніп нольге жетіп жабдықтарға қауіпті болмайды.
Коректендіру көзінен тұратын тораптың сол бөлігіндегі режимнің өзгеруі L к индуктивтілігі кезінде де өтпелі процеспен қатар жүреді. «Электр техниканың теориялық негіздері» пәнінде осы процесті сипаттайтын теңдеу бізге мәлім:
(3. 1)
и және i - кернеудің және қарастырып отырған фазаның лездік мәндері.
Бұл теңдеудің шешімі ҚТ басынан t кез келген уақыт мезетіндегі токтың лездік мәнін береді:
(3. 2)
осында U m - көздің фазалық кернеуінің амплитудалық мәні; Z К - тораб телімінің көзіне тіркескен толық кедергі (ҚТ торабы) ; α - кернеудің t=0 мезетіндегі көздің кернеуінің фазалық бұрышы; φ к - сол фазаның кернеу көзіне қатысты ҚТ торабындағы токтың жылжу бұрышы; Т а - ҚТ торабы тұрақты уақыты:
(3. 3)
Сурет 3. 3. Кернеу мен токтың векторлық диаграммасы:а-қалыпты режимде; б-үшфазалы ҚТ кезінде
(3. 2), белгілі болғандай ҚТ толық тоғы екі құрамды бөліктерден құралады: мәжбүрлі, көз кернуінің әрекетімен негізделген (теңдеудің оң бөлігіндегі бірінші мүшесі), және, L к индуктивтілігіндегі магниттік өрістегі энергия қорының өзгеруімен байланысты еркін (теңдеу екінші мүшесі) .
ҚТ мәжбүрлі құрамды бөлігі жиілігі көз кернеуінің жиілігіне тең периодикалық сипатқа ие. Бұл құрамды бөлікті әдетте ҚТ тогының периодикалық құрамыды бөлігі деп атайды
(3. 4)
І n, m - токтың амплитудалық мәнінің периодикалық құрамдас бөлігі.
φ к ток және кернеу векторларының жылжу бұрышы ҚТ торабының белсенді және индуктивті кедергілерінің арақатынасымен анықталады. Нақты тізбек үшін әдетте х к >>r к және φ к =45÷90°. ҚТ периодикалық құрамдас бөлігі үшін φ к =90° кезіндегі векторлық диаграммасы 3. 3, б. суретінде көрсетілген.
Токтың еркін құрамдас бөлігі
(3. 5)
апериодикалық өзгеру сипатына ие осының негізінде бұл токтың құрамдас бөлігін ҚТ апериодикалық құрамдас бөлігі деп атайды.
ҚТ тогының бастапқы мәні апериодикалық құрамдас бөлігінің әр фазада уақыт мезетіндегі мәнімен (3. 2) анықталады t=0:
i а, 0 =i к, 0 - i п, 0 ; (3. 6)
мұнда i к, 0 - ҚТ тогының бастапқы мәні, торабта токтың секіру арқылы өзгеруі мүмкін болмайтындығы себебінен индуктивтілігі i (0) - алдындағы ток режимі үшін берілген фазада t=0. мезетіне тең болады. Токтың периодикалық құрамдас бөлігі t=0 жағдайында бұлайша анықталады
... жалғасы- Іс жүргізу
- Автоматтандыру, Техника
- Алғашқы әскери дайындық
- Астрономия
- Ауыл шаруашылығы
- Банк ісі
- Бизнесті бағалау
- Биология
- Бухгалтерлік іс
- Валеология
- Ветеринария
- География
- Геология, Геофизика, Геодезия
- Дін
- Ет, сүт, шарап өнімдері
- Жалпы тарих
- Жер кадастрі, Жылжымайтын мүлік
- Журналистика
- Информатика
- Кеден ісі
- Маркетинг
- Математика, Геометрия
- Медицина
- Мемлекеттік басқару
- Менеджмент
- Мұнай, Газ
- Мұрағат ісі
- Мәдениеттану
- ОБЖ (Основы безопасности жизнедеятельности)
- Педагогика
- Полиграфия
- Психология
- Салық
- Саясаттану
- Сақтандыру
- Сертификаттау, стандарттау
- Социология, Демография
- Спорт
- Статистика
- Тілтану, Филология
- Тарихи тұлғалар
- Тау-кен ісі
- Транспорт
- Туризм
- Физика
- Философия
- Халықаралық қатынастар
- Химия
- Экология, Қоршаған ортаны қорғау
- Экономика
- Экономикалық география
- Электротехника
- Қазақстан тарихы
- Қаржы
- Құрылыс
- Құқық, Криминалистика
- Әдебиет
- Өнер, музыка
- Өнеркәсіп, Өндіріс
Қазақ тілінде жазылған рефераттар, курстық жұмыстар, дипломдық жұмыстар бойынша біздің қор #1 болып табылады.

Ақпарат
Қосымша
Email: info@stud.kz