Ет өнімдерін қайта өңдеу машиналары мен аппараттары


ҚАЗАҚСТАН РЕСПУБЛИКАСЫ АУЫЛ ШАРУАШЫЛЫҒЫ
МИНИСТРЛІГІ
Жәңгір хан атындағы Батыс Қазақстан аграрлық-техникалық
университеті
«Агротехнологиялық» институты
«Тағам және қайта өңдеу өндірістерінің технологиялары»
жоғары мектебі
5В072700 - «Азық-түлік өнімдерінің технологиясы» мамандығының 3 курс білім алушыларына арналған
«Азық-түлік өнімдерін өндіру жабдықтары» пәнінен Хабарлама Тақырыбы: Ет өнімдерін қайта өңдеу машиналары мен аппараттарыОрындаған: ТПП-33 топ студенті Құтжан Т. Қ.
Орал 2020 жыл
Тартылған ет араластырғыш (тартылған ет) - бұл тартылған ет пен басқа тұтқыр өнімдерді тегіс болғанша араластыруға, сондай-ақ кішкене ет кесектерін (салмағы 500 г дейін) уқалауға және тұздауға мүмкіндік беретін құрылғы. Араластыру процесінде өнімдерге дәмдеуіштер, ұн, бояғыштар, тұздықтар және рецептте қарастырылған басқа ингредиенттер қосуға болады. Фарш илегіштер шұжық, ветчина, ет нанын өндіруде және етті тұздау үшін қолданылатын ет өңдеу өндірістерінде үлкен сұранысқа ие. Сонымен қатар, тартылған ет тартқыштары көбінесе тұшпара, чебуре және шығыс асханаларына тапсырыс береді, мұнда қол еңбегі өте қымбат. Жұмыс принципі кәсіби тартылған ет араластырғыштары жұмыс шанағынан (тартылған ет араластырылатын ыдыс), бұрышта орналасқан пышақтары бар екі біліктен, басқару панелінен, электр жетегінен, қақпақтан және негізден тұрады. Тартылған ет тікелей жұмыс ыдысына жүктеледі, онда оған ингредиенттер қосылуы мүмкін, ал пышақтары бар біліктер бір-біріне қарай бұрылып, оны белгілі бір уақытқа араластырады. Содан кейін тартылған ет түсіру бункеріне түсіріледі, ал ол жоқ тартылған ет араластырғыштарда түсіру жұмыс бункерін тігінен көлденең күйге ауыстыру арқылы жүзеге асырылады. Жұмыс бункері тегіс беті бар тот баспайтын болаттан жасалған және бұрыштары жоқ, бұл оны тазартуды жеңілдетеді. Тек бір адам тартылған ет тартқыштың жұмысын басқара алады. Тартылған ет тартқыштардың түрлері барлық тартылған ет тартқыштары шартты түрде екі үлкен топқа бөлінеді - ашық және жабық (вакуумдық) . Жабық тартылған ет араластырғыштарда қақпақ пен түсіру тесігі тартылған етті араластыру кезінде ауа кіруін шектей отырып, герметикалық түрде жабылады. Вакуумдық тартылған ет араластырғыштары (вакуумдық массажерлер) тартылған етдің тығыз құрылымын қамтамасыз етеді және оның түсінің тұрақтылығын арттырады деп саналады. Мұндай тартылған етден жасалған дайын шұжықтар ауа көпіршіктері, бай түсі мен дәмі жоқ біртекті құрылымға ие. Вакуумды тартылған ет араластырғыштардың дизайны кез - келген ет шикізатын-тіпті сүйекпен де араластыруға, уқалауға, маринадтауға және тұздауға мүмкіндік береді. Ашық тартылған ет араластырғыштарда тартылған етті араластыру процесі ауамен байланыста болады. Толтырылған араластырғыштар араластырғыш құрылғының түріне қарай бұрандалы, лобты, спиральды және Z-тәрізді болып жіктеледі. Тәжірибе көрсеткендей, ең танымал-z-тәрізді араластырғыш құрылғылары бар ет тартқыштар. Сур. Ашық және жабық (вакуумды) тартылған ет тартқышты таңдау тартылған ет тартқыштарының негізгі сипаттамасы жұмыс ыдысының көлемі болып табылады. Олардың өнімділігі оған тікелей байланысты. Тартылған ет тартқыштың жұмыс ыдысы неғұрлым үлкен болса, соғұрлым тартылған ет бір уақытта араластырылуы мүмкін және сәйкесінше оның өнімділігі жоғары болады. Өнімділікке тартылған ет тартқыштың қуаты да әсер етеді. Үлкен жұмыс бункері бар қуатты толтырғыштар жоғары өнімділікке ие, ал ықшам модельдер кішірек. Тағы бір маңызды параметр-жұмыс силосының минималды жүктемесі. Ол Sirman IP 120 BA Tf, Sirman IP 50 BA XP Tf және Sirman IP 80 BA XP Mn сияқты 40-50% немесе Sirman IP 50 B Tf сияқты 10% болуы мүмкін. Көптеген заманауи тартылған ет араластырғыштарда олардың жұмысын жеңілдететін қосымша функциялар бар. Оларға, мысалы, пышақтардың айналу бағытын өзгертуге мүмкіндік беретін кері функция кіреді. Бұл сізге "күрделі" етпен жұмыс істеген кезде де массада біртекті тартылған ет алуға мүмкіндік береді. Кейбір тартылған ет модельдерінде, мысалы, Sirman IP 120 BA Mn және Sirman IP 80 BA XP mn жылдамдық реттегіші бар. Тартылған ет тартқыштардың артықшылығы тартылған ет тартқыштың дизайны тартылған етті біркелкі араластыруды қамтамасыз етеді. Тартылған ет тартқышта өңделген, тұрақты түске ие және тері тесігі жоқ тығыз құрылымға ие. Тартылған ет тартқышты пайдалану кәсіпорынның жалпы өнімділігін арттырады және өнімді шығару уақытын қысқартады. Көптеген заманауи тартылған ет араластырғыштарда олардың жадында сақталған алдын-ала жасалған бағдарламаларды қолдана отырып, тартылған етті автоматты түрде араластыруға болады. Барлық толтырылған араластырғыштар қақпақты көтерген кезде пышақтардың жұмысын блоктайтын қорғаныс механизмімен жабдықталған. Тартылған ет өндірушілер бүгінгі таңда Украинада ұсынылған кәсіби тартылған ет өнімдерінің ассортименті өте кең емес. Оның негізгі үлесін итальяндық өндірушілердің өнімдері құрайды, олардың ішінде Fimar (Фимар), SAP және Sirman (Сирман) сияқты компаниялар бар. Олар әртүрлі өнімділіктегі тартылған ет араластырғыштарын ұсынады - хоппердің көлемі 30-дан 180 кг-ға дейін.
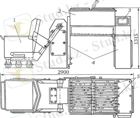
Л5-ФМ2-У-335 фарш илегіші-осы технологиялық жабдық тобының типтік өкілі. Техникалық мәліметтерге сәйкес, бұл орташа қуатты жабдықтар тобына жатады, бұл оны шағын өңдеу кәсіпорындарында да, қалалық ет комбинаттарында да қолдануды қамтиды.
L5-FM2-u-335 тартылған ет (сурет. 18. 2) ашық түрдегі станина мен илеу резервуарынан тұрады, онда спираль, шнек жетегі және тиеу механизмі түрінде екі шнек бір-біріне қарай айналады.
Станина білдіреді литую чугунную тумбу, жабық быстросъемными облицовочными парақтарымен.
L5-FM2-u-335 тартылған ет тартқышының схемасы
Сур. 18. 2. L5-FM2-u-335 тартылған ет тартқышының схемасы:
1-жүктеу механизмі; 2-Илеу резервуары; 3-шнектердің жетегі;
4-төсек; 5-шнектер
Тот баспайтын болаттан жасалған илеу резервуары (дежа) жоғарыдан торлы типтегі екі қақпақпен жабылады. Шнектер электр қозғалтқышынан арнайы конструкцияның құрт берілісі арқылы айналады.
Жүктеу механизмі шикізатты тартылған етке тасымалдауға арналған арбадан және төсекке бекітілген оны төңкеруге арналған құрылғыдан тұрады.
Аударылатын құрылғы-бұл жеке электр қозғалтқышы бар арнайы құрт редукторының көмегімен қозғалатын тұтқалар жүйесі.
Дайын өнім резервуардың төменгі бөлігінде орналасқан люктер арқылы түсіріліп, қолмен сағат тілімен бұрылады. Тартылған етті араластыру процесін жеделдету үшін машинаның дизайнында басқару тақтасындағы екі түймемен жүзеге асырылатын бұрандалардың айналуын реверсиялау қарастырылған.
Вакуумдық фаршемешалка Л5-ФМВ-630А "Бирюса" машинасының анағұрлым қиын. Ол болат жақтаудан тұрады (сурет. 18. 3), илеу резервуарын, вакуумдық қақпақты, илеу шнектерін және олардың жетегін, тиеу механизмін, гидрожүйені, вакуумдау жүйесі мен электр жабдығын.
Вакуумды фаршмешалка Л5-ФМВ-630А "Бирюса»
Сур. 18. 3. Вакуумды фаршмешалка Л5-ФМВ-630А "Бирюса»:
1-жүктеу механизмі; 2 - шнек жетегі; 3-шнек; 4-қақпақ; 5 - электр жабдығы; 6-илеу резервуары (дежа) ; 7-қаңқа
Илеу ыдысы алдыңғы қабырғадағы ауа қабылдау құрылғысы бар тот баспайтын болаттан жасалған дәнекерленген құрылым түрінде жасалады. Сол жақ қабырғаның төменгі бөлігінде тартылған етті түсіруге арналған терезелер бар, олар герметикалық түрде Шибер жапқыштарымен жабылған. Илеу бұрандалары екі шығу білігі бар арнайы құрт редукторы арқылы айналады.
Периметрдің айналасында резеңке тығыздағышы бар вакуумдық қақпақ араластырғыштың тығыздалуын қамтамасыз етеді.
Тиеу механизмі гидравликалық көтергіші және аударғышы бар арба болып табылады. Гидравликалық жүйенің жетегі беріліс сорғысының көмегімен жүзеге асырылады.
Резервуарда вакуум жасау үшін су сақиналы вакуумдық сорғы қолданылады.
Екі сорғы (редуктор және су сақинасы) еркін жүрісті муфталар арқылы бір электр қозғалтқышынан айналады.
Ұнтақтау, тұздау және тартылған етті араластыру сияқты технологиялық операцияларды біріктіру аралас машиналарда, мысалы, Я2-ФХ2Т етін ұнтақтауға және тұздауға арналған агрегат немесе А1-ФЛБ немесе А2-ФЛВ жабдық кешендерінде жүзеге асырылуы мүмкін.
Вибро араластырғыш Я2-ФФД (сурет. 18. 6) ветчина және шұжық өнімдерін өндіру кезінде вакуум астында ет пен фаршты тұздауға және араластыруға арналған.
Ол вибратордан, араластырғыштан, вакуумдық жүйеден, төсектен, пневматикалық жүйеден, электр жабдықтарынан және көтергіштен тұрады.
Вибратор механикалық тербелістерді тудырады, олар араластырғыш корпус арқылы және ет шикізатымен араластырғыш органдар арқылы беріледі. Бұл мойынтіректерге орнатылған біліктен тұратын құрама құрылым, онда қалдықтар орналасқан. Мойынтірек түйіндерінің корпустары араластырғыш корпусының арнайы аймақтарына болттармен бекітілген. Вибратор жетегіне электр қозғалтқышы, сына белдігі, подшипник аралық қондырғы және жетек білігі кіреді.
Вибросмеситель Я2-ФФД . Араластырғыш механикалық тербелістер мен вакуумның бір мезгілде әсерінен тартылған ет компоненттерін араластыруға, сондай-ақ дайын өнімді корпустың алдыңғы терезесі арқылы түсіруге қызмет етеді. Бұл дәнекерленген корпустан (тостағаннан), араластырғыш корпусының ішкі қуысының тығыздығын қамтамасыз ететін екі араластырғыш шнектен, жоғарғы және алдыңғы қақпақтардан, корпустың бүйір қабырғаларына орнатылған және қақпақтарды тұтқалар жүйесі арқылы ашуға және жабуға арналған екі жұп пневматикалық цилиндрлерден тұратын құрама құрылым. және бұрандалардың айналуын беретін жетек. Корпусты серіппелі амортизаторларға орнату үшін оның тіректері бар. Жетек электр қозғалтқышынан, белдік жетегінен, редуктордан және жетек білігінен тұрады.
Вакуумдық жүйе ішкі аймақта 0, 04 қысым араластырғышын жасауға арналған . . . 0, 02 МПа және вакуумдық станция мен вакуумдық блокты қамтитын құрама құрылым.
Діріл араластырғыштың тораптары мен олардың жетектерін орнату және бекіту үшін станина - құрама конструкция арналған, оның барлық тораптары табақты және профильді илектен дәнекерленген.
Пневматикалық жүйе цехтың пневматикалық желісінен келетін сығылған ауаны тазартуға және дайындауға және оны қуат тораптарына - араластырғыш қақпақтарының пневматикалық цилиндрлеріне жеткізуге қызмет етеді.
Ұсақталған етті тұздау екі спираль тәрізді бұрандалармен жабдықталған араластырғышта жүзеге асырылады. Араластырғышқа сорғы-дозатормен 100 кг шикізатқа 10 кг тұздық есебінен тағамдық тұздық беріледі. Араластырғышты бір циклге салу 275 кг құрайды (250 кг шикізат және 25 кг тұздық) .
Шикізат 3 үшін тұздықпен араласады . . . 4 мин және араластырғышты бұрандалы түсіргішпен пісу үшін ыдысқа беріледі.
Шұжық өнімдерін өндірудегі ет елшісі Я2-ФХ2Т агрегатының көмегімен де өндірілуі мүмкін.
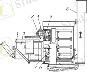
Етті ұсақтауға және тұздауға арналған Агрегат екі орында шығарылады: құрғақ тұз (Я2-ФХ2Т) құйылған кезде Қолмен көлемді мөлшерлеу және тиелетін шикізаттың салмағына пропорционалды тұздықты Автоматты мөлшерлеу (Я2-ФХ2Т-01) . Агрегат Я2-ФХ2Т (сурет. 19. 1) 1-төсектен, 2-тартылған ет тартқыштан, 3-ұсақтағыштан, 7-араластырғыш біліктердің жетегінен және 6-разрядты шнектен, 8-көтергіштен және 5-электр жабдығынан тұрады. Сонымен қатар, құрылғы 4 тұзды ағызу құрылғысымен және 10 теру таразыларымен жабдықталған.
Құрылғының ерекшелігі-сыйымдылығы 0, 63 м3 болатын тостағаннан және онда орналасқан үш жұмыс шүмегінен тұратын толтырғыштың түпнұсқа құрылымдық шешімі: екі араластырғыш және бір түсіру. Араластырғыш пышақ біліктері әртүрлі жиілікте айналады (0, 5 және 0, 6 с-1), ал олардың жетек механизмі реверспен жабдықталған, яғни біліктер бір бағытта да, басқа бағытта да айнала алады. Дәл осындай механизм 1, 68 сг1 жиілігімен айналатын түсіру бұрандасының жетегімен жабдықталған.
Я2-ФХ2Т етті ұсақтауға және тұздауға арналған Агрегат
Сур. 19. 1. Я2-ФХ2Т етті ұсақтауға және тұздауға арналған Агрегат:
1-станина; 2-фарш араластырғыш; 3-ұсақтағыш; 4-тұзды ағызу құрылғысы; 5-электр жабдығы; 6 - түсіру шнегінің жетегі; 7-араластырғыш біліктердің жетегі; 8-көтергіш-тиегіш; 9-алаң қызмет көрсету; 10-таразы
Автоматты режимде араластыру процесі әр 50 с сайын пышақтардың айналу бағыты автоматты түрде өзгеретіндігімен сипатталады. Қозғалтқышты тоқтату және реверске ауысу кезінде 5 С ішінде ұстау жүргізіледі.
ФАП тұздау автоматы сондай-ақ көп бұрышты атқарушы органы бар машиналарға жатады және сиыр мен қой етінен ысталған өнімдерді өндіру кезінде етті бұлшықетішілік тұздауды механикаландыруға арналған. Ол ет комбинаттарының шұжық цехтарында қолданылады, әдетте, ФУМ етін массаждау қондырғысымен және ФТБ конвейерімен толықтырылған.
Машина 1 төсегінен, 2 инелері бар кассетадан тұрады (сурет. 19. 4), басқару пульті 3, конвейер 4 және жетек 5.
ФАП тұздау автоматы
Сур. 19. 4. ФАП тұздау автоматы:
1 - станина; 2-инелері бар кассета; 3-басқару пульті; 4-конвейер;
5-жетек
Машинаның төсегі-дәнекерленген қорап құрылымы, қақпақтармен, есіктермен және резеңке перделері бар жылжымалы мөлдір тақтайшалармен жабылған. Бүйір жағында басқару және басқару органдары орналасқан. Қабылдау науасының төменгі бөлігінде тұзды қалдықтарды төгуге арналған рециркуляциялық сүзгілер бар.
Конвейер-біліктері бар дәнекерленген жақтау, оған металдан жасалған пластина таспасы созылған. Инелері мен серіппелері бар кассеталар төсектің жоғарғы жағында орналасқан. Төменнен олар инелер өтетін резеңке тығыздағыштармен жабылған. Электр қозғалтқышымен бір модульдік құрылымға қосылған электр сорғысы төсектің төменгі бөлігіне орнатылады.
... жалғасы- Іс жүргізу
- Автоматтандыру, Техника
- Алғашқы әскери дайындық
- Астрономия
- Ауыл шаруашылығы
- Банк ісі
- Бизнесті бағалау
- Биология
- Бухгалтерлік іс
- Валеология
- Ветеринария
- География
- Геология, Геофизика, Геодезия
- Дін
- Ет, сүт, шарап өнімдері
- Жалпы тарих
- Жер кадастрі, Жылжымайтын мүлік
- Журналистика
- Информатика
- Кеден ісі
- Маркетинг
- Математика, Геометрия
- Медицина
- Мемлекеттік басқару
- Менеджмент
- Мұнай, Газ
- Мұрағат ісі
- Мәдениеттану
- ОБЖ (Основы безопасности жизнедеятельности)
- Педагогика
- Полиграфия
- Психология
- Салық
- Саясаттану
- Сақтандыру
- Сертификаттау, стандарттау
- Социология, Демография
- Спорт
- Статистика
- Тілтану, Филология
- Тарихи тұлғалар
- Тау-кен ісі
- Транспорт
- Туризм
- Физика
- Философия
- Халықаралық қатынастар
- Химия
- Экология, Қоршаған ортаны қорғау
- Экономика
- Экономикалық география
- Электротехника
- Қазақстан тарихы
- Қаржы
- Құрылыс
- Құқық, Криминалистика
- Әдебиет
- Өнер, музыка
- Өнеркәсіп, Өндіріс
Қазақ тілінде жазылған рефераттар, курстық жұмыстар, дипломдық жұмыстар бойынша біздің қор #1 болып табылады.

Ақпарат
Қосымша
Email: info@stud.kz