АМПЛИТУДАЛЫҚ МОДУЛЯЦИЯ

 
    
Қазақстан Республикасы Ғылым және Жоғары білім министрлігі
Әл-Фараби атындағы Қазақ Ұлттық Университеті
Физика техникалық факультеті
Қатты дене физикасы және бейсызық физика кафедрасы
 
Тақырыбы:
«МОДУЛЯЦИЯ»
Орындаған: Жорабек Н., Шазинда Ж.
Тексерген: Сагидолда Е.
Алматы, 2022 ж.
МАЗМҰНЫ:
1
1. 1
КІРІСПЕ . . .
МОДУЛЯЦИЯНЫҢ ТҮРЛЕРІ . . .
Аналогтық модуляция . . .
3
4
4
КІРІСПЕ
Ең алдымен модуляцияның не үшін керек екенін анықтасақ. Біз бір құрылғы арқылы ақпаратты жіберу үшін төмен жиілікті тербелістер қолданылады, олардың тез әлсіреуіне байланысты бірнеше метрден астам қашықтыққа жіберу өте қиын. Бірақ біз әлі де сигналдарды ұзақ қашықтыққа жібергіміз келеді, сондықтан модуляцияны пайдаланамыз.
Егер біз жоғары жиілікті тербелісті алсақ. Өздігінен ол ешқандай ақпаратты тасымалдамайды. Біз оны берілетін сигналдың негізгі құрамдас бөлігі ретінде қолдана аламыз. Бұл тербелістің жиілігі тасымалдаушы деп аталады. Пайдалы ақпаратты жіберуді бастау үшін тасымалдаушы жиілігін біз жібергіміз келетін сигналдың үлгілерін қайталайтындай етіп өзгертуіміз керек. Басқаша айтқанда, біз оны біздің пайдалы сигналымыз туралы ақпаратты тасымалдайтындай етіп жасауымыз керек. Дәл осы процесс модуляция деп аталады. Модуляция жіберуші жағындағы модулятордың көмегімен жүзеге асырылады, ал қабылдағыш жағындағы демодулятордың көмегімен жоғары жиілікті сигнал төмен жиілікті сигналға қайта түрленеді. Олар модем деп аталатын бір құрылғыға жинақталған, ол MODulator және DEModulator сөздерін біріктіру арқылы алынған. Модуляцияның әртүрлі принциптері бар. Модуляцияның ең көне әдісін телеграфта қолданылған тасымалдаушы жиілікті үзу деп атауға болады. Бұл әдісті, әрине, толық модуляция деп атауға болмайды, бірақ соған қарамастан оны осы тақырыпта елемеуге болмайды.
1. МОДУЛЯЦИЯНЫҢ ТҮРЛЕРІ
Сонымен модуляция дегеніміз - төменгі жиілікте болатын ақпараттық сигналдар заңы бойынша жоғары жиіліктегі тасымалдаушы толқындардың бір болмаса бірнеше параметрлерін өзгерту процесі болып табылады. Ал мұндағы модуляциялаушы сигнал деп отырғанымыз берілген ақпарат бойыншы оны сақтайтын сигнал болып табылады. Тасымалдаушы сигнал ол біздегі ақпаратты тасымалдау қызметін атқарады. Модуляцияланған сигнал - модуляциялық сигналды тасымалдаушы сигналға түсіргеннен кейін алынатын сигнал.
Тасымалдаушы сигнал түріне байланысты модуляцияның әртүрлі түрлері қолданылады. Төменде сигнал түрінің модуляция түріне сәйкестік кестесі берілген.
Аналогтық модуляция
Сандық модуляция
Жиіліктік модуляция
1. 1 Аналогтық модуляция
Модуляцияның бұл түрінің тасымалдаушысы тербеліс болып табылады. Тасымалдаушы толқынның қандай параметрінің өзгеруіне байланысты аналогтық модуляцияның 3 негізгі түрі бар:
 
Амплитудалық модуляция кезінде импульстердің амплитудасы өзгереді. Мұндағы модуляциялық сигнал амплитудасының жоғарылауымен тасымалдаушы сигналдың амплитудасы артады.
Фазалық модуляция кезінде тербеліс фазасы өзгереді. Мұнда модуляциялық сигнал амплитудасының жоғарылауымен уақыт қадамына қатысты ығысу артады.
Жиіліктік модуляция кезінде тербеліс жиілігі өзгереді. Мұнда модуляциялық сигнал амплитудасының жоғарылауы тасымалдаушы тербеліс жиілігін арттырады.
1. 2 Сандық модуляция
Компьютерлік желілерде деректерді беру үшін қолданылатын модуляцияның бір түрі. Сандық модуляция - биттерді сәйкес аналогтық сигналдарға түрлендіру процесі. Сандық модуляция әдетте кілттеу деп аталады, сондықтан бұл терминді жиі табуға болады. Модуляцияның басқа түрлері сияқты, сандық тасымалдаушы толқынның қандай параметрінің өзгеруіне байланысты әртүрлі түрлендіру әдістеріне бөлінеді:
 
Амплитудалық модуляция кезінде импульстердің амплитудасы өзгереді. 1 беріліс үшін үлкен амплитуда қолданылады, 0 беріліс үшін - шағын, кейде нөл тербелістің жоқтығына сәйкес келеді.
Жиіліктік модуляция жағдайында тербеліс жиілігі өзгереді. 1 беріліс үшін жоғары жиілікті, 0 беріліс үшін төмен жиілікті.
Фазалық модуляция жағдайында тербеліс фазасы өзгереді. 1-беріліс π/2 фазалық ығысуын пайдаланады.
Квадраттық амплитудалық (амплитудалық-фазалық) кезде амплитудасы да, фазасы да бір уақытта өзгереді. 1 беріліс үлкен амплитуданы және π/2 фазалық ығысуын пайдаланады.
1. 3 Жиіліктік модуляция
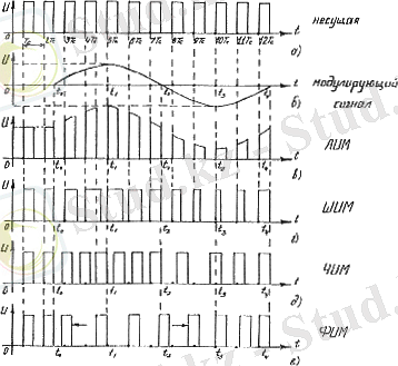
Импульстік модуляцияда сигнал тасымалдаушы импульс болып табылады. Импульстік модуляция 4 негізгі түрге бөлінеді:
 
Амплитуда- исмульстік кезінде импульстардың амплитудасы өзгереді. Модуляциялық сигналдың кернеуінің жоғарылауымен тасымалдаушы сигналдың амплитудасы артады.
Импульстік ені кезінде импульстердің ұзақтығы (ені) өзгереді. Модуляциялық сигналдың кернеуінің жоғарылауымен импульстердің ұзақтығы артады.
Жиілік-импульс кезінде импульс жиілігі өзгереді. Модуляциялық сигналдың кернеуінің жоғарылауымен импульс жиілігі артады.
Фазалық импульс кезінде сағат уақытына қатысты импульстердің ығысуын өзгерту. Модуляциялық сигналдың кернеуінің жоғарылауымен уақыт қадамына қатысты ығысу артады.
2. ФАЗАЛЫҚ МОДУЛЯЦИЯ
Фазалық модуляцияны қарастырмас бұрын, алдымен фазаның өзін қарау керек. Радиожиілік сигнал синустық толқын түріндегі тербелмелі тасымалдаушыдан тұрады, сигналдың негізі болып табылады. Лездік амплитуда осы қисық бойымен оң, содан кейін теріс жылжиды, бір толық циклден кейін бастапқы нүктеге оралады - ол синус толқынының қисығымен жүреді.
 
Синус толқыны нүктенің шеңбердің айналасындағы қозғалысы арқылы да ұсынылуы мүмкін, кез келген берілген нүктедегі фаза суретте көрсетілгендей бастапқы нүкте мен толқын пішініндегі нүкте арасындағы бұрыш болып табылады.
 
Сондай-ақ, уақыт өткен сайын фаза ілгерілейді, сондықтан толқын пішініндегі нүктелер арасындағы фазалық айырмашылық бар деп айтуға болады.
 
Фазалық модуляция яғни сигналдың фазасы бойынша модуляциялау арқылы жұмыс істейді, яғни нүктенің шеңбер бойымен қозғалу жылдамдығын өзгерту. Бұл сигналдың фазасын модуляция қолданбаған кездегіден өзгертеді. Басқаша айтқанда, шеңбер айналасындағы айналу жылдамдығы орташа мәнге байланысты модуляцияланады.
 
Бұған қол жеткізу үшін сигналдың жиілігін қысқа уақытқа өзгерту керек болады. Басқаша айтқанда, фазалық модуляция сигналға қолданылғанда жиілік өзгерістері боладыда және керісінше. Фаза жиіліктің интегралы болғандықтан, фаза мен жиілік ажырамас байланысты болып келеді.
2. 1 Фазалық модуляция формалары
Кейбір аналогтық берілістер үшін фазалық модуляция қолданылғанымен, ол әртүрлі фазалар бойынша арасындағы ауысатын модуляцияның цифрлық түрі ретінде әлдеқайда кеңірек қолданылады. Бұл фазалық ауысу, PSK ретінде белгілі және оның көптеген дәмі бар. Тіпті фазалық ауысымды кілттеу мен амплитудалық кілттеуді квадратуралық амплитудалық модуляция, QAM деп аталатын модуляция түрінде біріктіруге болады. Төмендегі тізім фазалық ауыстырудың қолданылатын кейбір формаларын береді:
PM - фазалық модуляция
PSK - фазаны ауыстыру кілті
BPSK - екілік фазалық ауысу кілті
QPSK - төртбұрышты фазалық ығысу кілті
8 PSK - 8 нүктелік фазалық ауыстыру кілті
16 PSK - 16 нүктелік фазалық ауыстыру кілті
OPSK - фазалық ығысудың орын ауыстыру манипуляциясы
Бұл қазіргі уақытта радиобайланыс қолданбаларында кеңінен қолданылатын фазалық модуляцияның негізгі түрлерінің кейбірі ғана. Қазіргі кездегі бағдарламалық жасақтамасы жоғары бейімделген радиобайланыс жүйелерімен модуляцияның әртүрлі түрлерінің арасында басым шарттарды жақсырақ қанағаттандыру үшін өзгертуге болады. Цифрлық немесе деректер байланысы енгізілгеннен бері фазалық модуляцияны фазалық ауысымды кілттеу түріндегі пайдалану айтарлықтай өсті. Бұрын оны пайдаланудың артықшылықтары аз болған. Қазір ол амплитудамен қатар жұмысына фазалық элементтерді қосатын квадратуралық амплитудалық модуляциямен бірге кеңінен қолданылады. Деректер байланысы тек фазалық модуляцияның әртүрлі формаларын арттыруға орнатылған болса немесе фаза элементтерін пайдаланатын модуляция формалары өсе береді.
2. 2 Фазалық модуляция теориясы
Фазалық модуляция кезінде жиілік диапазонының лездік сигнал амплитудасы тасымалдаушы сигналдың фазасын өзгертеді де сондай ақ, оның амплитудасы мен жиілігін тұрақты қылады. Тасымалдаушы сигнал фазасы хабарлама сигналының өзгеретін сигнал деңгейіне дейін сәйкес модуляцияланады. Тасымалдаушы сигналының ең жоғары амплитудасы мен жиілігі тұрақты сақталып, бірақта хабарлама сигналының амплитудасы өзгерген сайын тасымалдаушы фазасы сәйкесінше өзгереді екен. Фазалық модуляция радиотолқындарды беру үшін кеңінен пайдаланылады. Мысалы уай фай, теледидар сияқты көптеген технологиялардың негізгі бөлігі болып табылады екен.
Фазалық модуляция хабарлама сигналына пропорционалды түрде күрделі конверттің фазалық бұрышы өзгереді.
Егерде m(t) жіберілетін хабарлама сигналы болса және сигнал модуляцияланатын тасымалдаушы болған жағдайда
онда модуляцияланған сигнал бізде былайша болады
Бұл m(t) фазаны қалай модуляциялайтынын көрсетеді - уақыт нүктесінде m(t) неғұрлым көп болса, сол нүктеде модуляцияланған сигналдың фазалық ығысуы соғұрлым көп болады. Оны сондай-ақ тасымалдаушы сигнал жиілігінің өзгеруі ретінде қарастыруға болады, сондықтан фазалық модуляцияны тасымалдайтын жиілік модуляциясы бойынша фазалық модуляцияның уақыт туындысы арқылы берілетін фазалық модуляцияның ерекше жағдайы ретінде қарастыруға болады. Модуляция сигналы осындай болуыда қарастырылған
Спектрлік математикасы бойынша ерекше қызығушылық тудыратын екі аймақ бар екенін көрсетеді:
Кішігірім амплитудалық сигналдар үшін фазалық модуляцияның амплитудалық модуляцияға ұқсас және жиілік өткізу қабілетінің сәтсіз екі еселенуін және нашар тиімділігін көрсетеді.
Бір үлкен синусоидалы сигнал үшін фазалық модуляция жиілікті модуляцияға ұқсас, ал өткізу қабілеті шамамен осындай болады
Мұндағы және h модуляция индексі болып табылады. Бұл жиілікті модуляцияда Карсон ережесі ретінде белгілі. Бұл модуляция индексі басқа модуляция индекстері сияқты, бұл шама модуляцияланбаған деңгейдің айналасында қандай деңгейде модуляцияланған айнымалының өзгеретінін көрсетеді. Бұл тасымалдаушы сигнал фазасының өзгеруіне байланысты былай болады:
мұндағы -фазаның ең жоғары ауытқуы.
3. АМПЛИТУДАЛЫҚ МОДУЛЯЦИЯ
... жалғасы- Іс жүргізу
- Автоматтандыру, Техника
- Алғашқы әскери дайындық
- Астрономия
- Ауыл шаруашылығы
- Банк ісі
- Бизнесті бағалау
- Биология
- Бухгалтерлік іс
- Валеология
- Ветеринария
- География
- Геология, Геофизика, Геодезия
- Дін
- Ет, сүт, шарап өнімдері
- Жалпы тарих
- Жер кадастрі, Жылжымайтын мүлік
- Журналистика
- Информатика
- Кеден ісі
- Маркетинг
- Математика, Геометрия
- Медицина
- Мемлекеттік басқару
- Менеджмент
- Мұнай, Газ
- Мұрағат ісі
- Мәдениеттану
- ОБЖ (Основы безопасности жизнедеятельности)
- Педагогика
- Полиграфия
- Психология
- Салық
- Саясаттану
- Сақтандыру
- Сертификаттау, стандарттау
- Социология, Демография
- Спорт
- Статистика
- Тілтану, Филология
- Тарихи тұлғалар
- Тау-кен ісі
- Транспорт
- Туризм
- Физика
- Философия
- Халықаралық қатынастар
- Химия
- Экология, Қоршаған ортаны қорғау
- Экономика
- Экономикалық география
- Электротехника
- Қазақстан тарихы
- Қаржы
- Құрылыс
- Құқық, Криминалистика
- Әдебиет
- Өнер, музыка
- Өнеркәсіп, Өндіріс
Қазақ тілінде жазылған рефераттар, курстық жұмыстар, дипломдық жұмыстар бойынша біздің қор #1 болып табылады.
 
            
                Ақпарат
Қосымша
Email: info@stud.kz