Гармоникалық тербелістердің графиктері


Гармоникалық тербелістердің графиктері
Гармоникалык тербелістегі шамалардың уақытка тәуелділігін көрнекі түрде кескіндеу үшін графиктік тәсілді қолданған ыңғайлы. Егер масштаб белгілі болса, гармоникалык тербелістердің графигінен тербелістің негізгі сипаттамаларын аныктауға болады.
Электромагниттік тербелістердің: зарядтың, ток күшінің және ток күшінің өзгеру жылдамдығының уақытқа тәуелділік графиктерін салайық. Ол үшін зерттеліп отырған шама уақыттың функциясы ретінде берілу кажет. Заряд үшін (1. 5) теңдеуін қолдануға болады, яғни
![]()
Ток күшінің тербеліс тендеуін алу үшін зарядтың уақыт бойынша туындысын аламыз:
. Егер
деп белгілесек, соңғы өрнек
немесе
(1. 14)
түріне келеді. Ток күшінің өзгеріс жылдамдығыньщ теңдеуін жазу үшін зарядтан екінші туынды алайық:
. Мұндағы
ток күшінің амплитудасын ескерсек, соңғы өрнек былай жазылады:
Біз ток күшінің өзгеріс жылдамдығы өздік индукция электр қозғаушы күшін анықтайтынын білеміз,
, сонда
е = -Ы' = -Ьд т (4соз (оу
(1. 16)
деп белгілесек,
аламыз. Конденсатор астарларының арасындағы кернеуді (потенциалдар айырымын) аньщтайық. Ол үшін электр сыйымдылығының өрнегінен
![]()
тауып және
деп белгілесек, кернеудің лездік мәнін аламыз
(1. 17)
Енді жоғарыдағы теңдеулердің графиктерін салайық. Абсцисса осінің астыңғы жағында периодтың бөліктерімен алынған уакыт, ал үстіңгі жағында соған сәйкес тербеліс фазасы көрсетілген (1. 7-сурет) . Масштаб барлық графиктерде бірдей.
Егер масштаб белгілі болса, абсцисса осінен периодты (жиілікті), ординаталар осінен тербелістегі шаманың амплитудасы мен лездік мәнін табуға болады. Фазалык ығысулар да (графиктерді салыстырса) көрініп тұр. Конденсатордың астарларындағы заряд пен кернеу максимал болған мезетте ток күші нөлге тең.
Контурдағы ток күшініқ тербелістері фаза бойынша зарядтың тербелістерінен
-ге озып отырады. Заряд пен кернеудің тербелістері бірдей фазада жүреді. Жалпы, фазаның мәнін емес, әр түрлі тербелістердің фазалық айырымын білу маңызды.
Еріксіз тербелістер. Автотербелістер
Бұдан бұрын айтып кеткеніміздей, нақты тербелмелі жүйедегі тербеліс энергиясы біртіндеп жылу энергиясына айналады да, еркін тербелістер өшеді. Тербеліс өшпеу үшін энергия шығынын толықтырып отыру керек. Мұның екі жолы бар.
Бірінші жолы - тербелмелі жүйеге периодты түрде сырттан өсер етіп, энергияны толыктырып отыру. Механикалық тербелістерде маятникке сырттан периодты күш, ал тербелмелі контурда периодты кернеу әсер етеді. Мұндай тербелістер сыртқы мәжбүр етуші әсердің (күштің немесе кернеудің) жиілігіндей жиілікпен және сондай заңдылықпен жүреді. Бұл - еріксіз тербелістер. Мысалы, айнымалы электр тогы еріксіз тербеліске жатады, себебі ол тізбекте айнымалы ток генераторынан алынған айнымалы кернеудің әсерінен пайда болады. Біз күнделікті тұрмыста жиілігі 50 Гц айнымалы токты пайдаланып жүрміз. Келесі тарауда айнымалы токты толық қарастырамыз.
Өшпейтін тербелістердің екінші түрі - автотербелістер. Олар еріксіз тербелістерден сырткы периодты әсерді қажет етпейтінімен ерекшеленеді.
Энергия көзі тербелмелі жүйенің өзінде болады да, шығынды толтыратын энергияның берілуін жүйенің өзі реттеп отырады. Сонымен, автотербелістер - сыртқы периодты күштердің әсерінсіз жүйеде журетін өшпейтін тербелістер. Автотербелістердің жиілігі мен амплитудасы тербелмелі жүйенің құрылысына байланысты. Кез келген автотербелмелі жүйе мынадай бөліктерден турады: энергия көзі, тербелмелі бөлік және клапан. Клапан (кілт) тербелмелі бөлікке оның тербелістеріне сәйкес керек уақытта энергия көзінен келетін энергияны жіберіп, не жауып отырады. Бұл процесті тербелмелі жүйенің өзі автоматты түрде реттеп тұрады.
Электрлік автотербелістердің мысалы ретінде транзисторлы генераторды қарастырайық. Ол тербелмелі контурдан, энергия көзінен және транзистордан тұрады. Алдымен, транзистор деген не екенін еске түсірейік. Бұл - өткізгіштігі әр түрлі үш жартылай өткізгіштен - эмиттерден, базадан және коллектордан тұратын триод.
Транзисторлар р - п - р немесе п - р - п типтес болуы мүмкін. Эмиттер мен коллектордың негізгі заряд тасушылары бірдей (мысалы, кемтіктер), ал базаның негізгі заряд тасушыларының таңбасы оған карама-карсы (мысалы, электрондар) .
Транзистор энергия көзін қосып түратын клапанның (кілттің) рөлін атқарады. Транзисторлы генератор жоғары жиіліктегі (МГц) тербелістерді шығарады, сондықтан кілт өте тез жұмыс істеуі керек және ол инерциясыз болуы тиіс. Транзистор бұл шарттарды толық қанағаттандырады.
Енді генератордың жұмысын қарастырайық. Тербелмелі контурдағы энергия шығының толыктыру үшін оған тұрақты кернеу көзін қосады. Егер ол тербелмелі контурға үнемі қосулы тұрса, периодтың жартысында (кернеу көзінің оң полюсіне конденсатордын оң зарядталған астары косулы тұрған кезде) конденсаторды үстемелеп зарядтайды да, ал периодтың екінші жартысында конденсатор астарларындағы зарядтың таңбасы өзгеріп, конденсатор разрядталады. Басқаша айтқанда, тербеліс периодының бірінші жартысында энергия контурға берілсе, екінші жартысында кернеу көзіне қайта беріледа. Әрине бұл жағдайда кернеу көзі энергия шығынын толтыра алмайды.
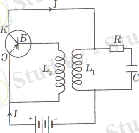
Ал, егер кернеу көзі тербелмелі контурға периодты түрде, конденсатордың оң полюске қосылған астары оң зарядталып тұрған уакытта ғана қосылса, конденсатор тек қана үстемелеп зарядталып отырады. Онда тербелістер өшпейді. Кілтті (транзисторды) осылайша қолдану үшін кері байланыс қажет. Ол үшін индуктивтік катушканы пайдалануға болады. Генератордың жұмыс істеу принципін түсіну үшін оның схемасын қарастырайық (1. 8-сурет) .
Түрақты кернеу көзі тербелмелі контурға транзистор арқылы қосылған. Транзистордың Б базасы n-типті жартылай өткізгіш, ал К коллектор мен Э эмиттер p-типті жартылай өткізгіштен жасалған болсын. Эмиттерге оң, коллекторға теріс потенциал берілген. Эмиттер - база-өтуі тура, ал база-коллектор-өтуі кері болады да, тізбекте ток жүрмейді (10-сынып, р - n -өтуді қарандар) .
Тізбекті тұйықтау үшін базаға эмиттермен салыстырғанда теріс потенциал беру керек және осы кезде конденсатор үстемелеп зарядталу үшін оның үстіңгі астары оң зарядталуы тиіс. Конденсатордың үстіңгі астары теріс зарядталып тұрған кезде тізбектегі токтың болмауы шарт. Ол үшін эмиттермен салыстырғандағы базаның потенциалы оң болуы кажет.
- Іс жүргізу
- Автоматтандыру, Техника
- Алғашқы әскери дайындық
- Астрономия
- Ауыл шаруашылығы
- Банк ісі
- Бизнесті бағалау
- Биология
- Бухгалтерлік іс
- Валеология
- Ветеринария
- География
- Геология, Геофизика, Геодезия
- Дін
- Ет, сүт, шарап өнімдері
- Жалпы тарих
- Жер кадастрі, Жылжымайтын мүлік
- Журналистика
- Информатика
- Кеден ісі
- Маркетинг
- Математика, Геометрия
- Медицина
- Мемлекеттік басқару
- Менеджмент
- Мұнай, Газ
- Мұрағат ісі
- Мәдениеттану
- ОБЖ (Основы безопасности жизнедеятельности)
- Педагогика
- Полиграфия
- Психология
- Салық
- Саясаттану
- Сақтандыру
- Сертификаттау, стандарттау
- Социология, Демография
- Спорт
- Статистика
- Тілтану, Филология
- Тарихи тұлғалар
- Тау-кен ісі
- Транспорт
- Туризм
- Физика
- Философия
- Халықаралық қатынастар
- Химия
- Экология, Қоршаған ортаны қорғау
- Экономика
- Экономикалық география
- Электротехника
- Қазақстан тарихы
- Қаржы
- Құрылыс
- Құқық, Криминалистика
- Әдебиет
- Өнер, музыка
- Өнеркәсіп, Өндіріс
Қазақ тілінде жазылған рефераттар, курстық жұмыстар, дипломдық жұмыстар бойынша біздің қор #1 болып табылады.

Ақпарат
Қосымша
Email: info@stud.kz