Аналогты-цифрлық түрлендіргіш және цифрлы-аналогтық түрлендіргіш

 
    
МАЗМҰНЫ
КІРІСПЕ . . . 2
1. Аналогты-цифрлық түрлендіргіштер . . . 4
2. Цифрлы - аналогтық түрлендіргіш . . . 9
3. ЦАТ - ты қолдану . . . 12
4. ЦАТ параметрлері . . . 13
ҚОРЫТЫНДЫ . . . 16
 ҚОЛДАНЫЛҒАН ӘДЕБИЕТТЕР ТІЗІМ . . . . . 17
 
 ` КІРІСПЕ
Соңғы онжылдықта микроэлектроника және есептеуіш техника құралдарының халық шаруашылық саласында ақпарат алмастыруды қамтамсыз ететін сызықтық аналогтық және цифрлық түрлендіргіштермен (АЦТ және ЦАТ) кең түрде енгізілу шартталған.
Цифрлық - аналогтық түрлендіргіш (ЦАТ) ереже бойынша нақты санды екілік кодқа, кернеуне немесе токка түрлендіреді. цифрлық - аналогтық түрлендіргіштердің сұлбатехникасы әртүрлі. Цифрлық - аналогтық түрлендіргіштер келесі белгілері бойынша классификацияланады:
- Шығыс сигналы түрі бойынша: токтың шығысы және кернеу түріндегі шығысы.
- Цифрлық интерфейстің түрі бойынша: тізбекті енгізумен және кіру кодының параллельді енгізуімен
- Кристалдағы ЦАТ саны бойынша: бірканальды және көпканалды.
- Тез әрекеттілігі бойынша: өлшенген және жоғары тез әрекеттілігі.
 
1-сурет. ЦАТ классификациясы
Өте жиі ЦАТ микропроцессорлық жүйелердің құрамына кіреді. Бұл жағдайда, егер жоғары тез әрекеттілік талап етілмесе, цифрлы - аналогты түрленуі жәй ғана кең - импульсті модуляцияның (КИМ) көмегімен жүзеге асырылуы болуы мүмкін. Цифрлы - аналогты түрлену жәй ғана ұйымдастырылуы мүмкін, егер микроконтроллер кең - импульсті түрленудің функциясынан тұратын болса(мысалы, AT90S8515 Atmel фирмасынан немесе 87С51GB Intel фирмасынан) . КИМ шығысы S кілтінің көмегімен басқарылады. Берілген түрлену разрядына (AT90S8515 контроллері үшін мүмкін режимдер 8, 9 және 10 бит) тәуелді контроллер қатыстық ұзындығы g =tи/Т қатынасымен анықталатын өзінің таймерімен импульстардың тізбегін құрады. Мұнда N - түрленудің разряды, ал D - түрленуші код.
1. Аналогты-цифрлық түрлендіргіштер.
Аналогты - цифрлық түрлендіргіш (Аналогово-цифровой преобразователь; analog-to-digital converter) - аналогты шаманы дискретті (цифрлық) шамаға түрлендіру құрылғысы; ақпаратты нақты уақыт масштабында аналогты құрылғыдан компьютерге енгізуге арналған. Аналогты-цифрлық түрлендіргіш кірісіне аналогты сигналды қабылдап, сәйкесінше цифрлық сигналды микропроцессорлар мен басқа да құрылғыларға сәйкестендіріп генерациялайтын құрылғы. Бұл құрылғы негізінде тәжірибе басқару кешені, аналитика мен өлшеу жүйелері (оның ішінде өндірісті басқару мәселелеріне арналған жүйелер) жасалады. Мәселен, белгілі бір сигналдың (температура, ән әуені, т. б) белгілі бір уақыт аралығындағы үздіксіз өзгерісі берілсін делік. Осы сигналды цифрлық түрге түрлендіру үшін оның деңгейін белгілі бір уақыт аралықтарында (квант) белгілей отырып, соған сәйкес v(t) -ге ең жақын деген цифрлық жұбын тауып, соны өлшем ретінде пайдалануымыз керек. Мысалы, t1 уақыт мезетіндегі v(t) =2(010) болса, t2 кезеңінде v(t) =3(011) т. с. с. Әрине, көріп отырғанымыздай, цифрға көшкенде айнымалы мәндерінің біз аздап болса да жоғалтып отырмыз. Бірақ оның есесіне цифлық схемалардың артықшылықтарына (мысалы, сыртқы ортадан тәуелсіздігіне, аумағының аздығына, т. б) ие боламыз.
 
2-сурет. Аналогты - цифрлық түрлендіргіштің схемасы.
Үздіксіз аналогтық сигналдарды күнделікті жағдайларда цифрлық түрге ауыстырудың неше түрлі жолдары бар. Олардың ең қарапайымдарының бірі 2-суретте көрсетілген. Қарап отырған АЦТ импульстік генератордан (ИТ) (мысалы, мультивибратор) реверстік санауыштан (РС), ЦАТ-тен және компаратор К-дан тұрады. Компаратордың екінші кіріс жолына кіріс кернеуі (аналогтық сигнал) vk беріледі де, ол екінші кіріс жолындағы (ЦАТ-тен шыққан) аналогтық сигналмен үнемі салыстырылып отырады. Егер vцат>vk, болса, компаратор шығысы бірінші күйінен екінші күйіне ауысып, реверстік санауышты шегеру режиміне көшіріп, vцат-ты біртіндеп азайта бастайды. vцат<vk болғанда, компаратор бірінші күйіне қайта оралып, санауышты қайтадан қосу режиміне көшіреді. Сонымен, санауыш шығыстары Q1 - Q4 үнемі кіріс сигналдарының ізін кесіп соның маңайында «1» мен «0»-дің аралығында өзгеріп отыратын болады. Сондықтан санауыш шығыстары vк сигналының цифрлық нышаны болып табылады.
 3-сурет. 3 разрядты бір өрісті АЦТ-ның түрлендіру сипаттамасы.
 3-сурет. 3 разрядты бір өрісті АЦТ-ның түрлендіру сипаттамасы.
Аналогты-цифрлық түрлендіргіштің сипаттамалары динамикалық және сипаттамалық болып бөлінеді. Біріншісі - статикалық жұмыс режимінде түрлендіргіштің негізгі параметрлерін анықтайды, екіншісі - уақыт бойынша сигналдарды өңдейді.
АЦТ-ның статикалық сипаттамалары:
- АЦТ-ның рұқсат ету қабілеттілігі.
- АЦТ-ның разрядтілігі.
- АЦТ-ның түрлендіргіш сипаттамасы
- Кернеудің кодтар арасындағы өткелдері.
- Кернеудің нөлге ығысуы.
- Сызықтық емес АЦТ.
- Дифференциалды сызықтық емес АЦТ.
- АЦТ-ның сипаттамасының біркелкілігі.
- Кіріс сигналының толық шкаласы.
- Түрлендіру дәлдігі.
 
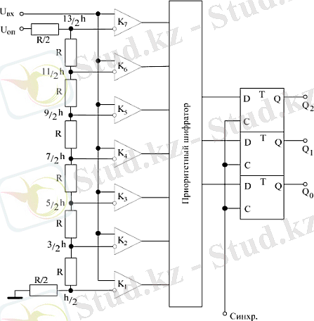
4-сурет. 3 разрядты параллельді түрдегі АЦТ схемасы.
 
1-кесте. 3 разрядты параллельді түрдегі АЦТ кестесі.
АЦТ-ның динамикалық сипаттамасы:
- Түрлендіру уақыты.
- Іске қосу кідірісінің уақыты.
- Кодтау циклының уақыты.
- Максималды түрлендіру жиілігі.
- Сигнал мен шудың арақатынасы.
- Кіріс сыйымдылығы.
- Кіріс кедергісі.
Қазіргі уақытта кернеу-код түрлендірулерінің көптеген әдістері белгілі. Бұл әдістердің айырмашылығы потенциалды дәлдігі, түрлендіру жылдамдығы және жүзеге асыру құрылғысының күрделілігінде.
 
5-сурет. Екі тактілі АЦТ-ның құрылымдық сұлбасы.
АЦТ-ның негізгі түйіндері - сигма-дельта модуляторы мен сандық сүзгіщ.
 
6-сурет. Сигма-дельта модуляторының құрылымдық сұлбасы.
Модулятордың реті оның сұлбасындағы сумматор мен интегратордың санымен анықталады. N ретті сигма-дельта модуляторы N сумматор мен N интегратордан тұрады.
Кесте-2. Сигма-дельта АЦТ-ның құрылымдық кестесі
 
2. Цифрлы - аналогтық түрлендіргіш.
Цифрлық-аналогты түрлендіргіш (ЦАТ) - цифрлық сигналды аналогтық сигналға түрлендіруге арналған. Кейде бұл құрылғыны код-аналог түрлендіргіш деп те атайды.
ЦАТ-ның барлық кірісіне логикалық бірді берсек, онда оның шығысы көбірек болады.
Соңғы кездерде компьютерлер техникасы өрісінің кеңеюіне байланысты, мәліметтерді цифрлық түрде өңдеуге көп көңіл бөлініп отыр. Күнделікті кездесетін үздіксіз аналогтық сигналды (кернеу, ток, температура, т. с. с) цифрлық түрге айналдыру аналогтық-цифрлық құрылғылармен қамтамасыз етілсе, ал оларды кері түрлендіру цифрлық-аналогтық құрылғылардың міндеті.
Цифрлық-аналогтық түрлендіргіштің (ЦАТ) қарапайым схемасы 8 - суретте көрсетілген. Е ток көзіне, арнайы кілттер Q1 - Q4 арқылы, шамалары екі еселеніп, үдей өсіп отыратын кедергілер тобы R - 8R қосылған. Әрбір келесі алдыңғысынан екі есе артық. Олардың жұмыс атқару режимі R>>Rж жүктемесінен ағатын ток та, оған түсетін кернеу де Rж-нің өзіне тәуелсіз болып, Q1 - Q4 кілттерімен басқарылатын R - 8R кедергілерінен ағатын токқа тікелей байланысты болады. Әрине, егер R1=R, R2=2R, R3=4R, R4=8R болған жағдайды кернеудің ең үлкен шамасы R1 кедергісіне сәйкес келеді де (өйткені ең үлкен ток ағады), Q4 кілті цифрлық шаманың ең үлкен разряды болып табылады.
 
7-сурет. ЦАТ түрлендіргішінің сипаттамасы
Жалпы жүктемедегі шығыс кернеуінің шамасын былай табуға болады:
Ve=e(1*Q1+2*Q2+4*Q3+8*Q4)
Мұндағы е - ең төменгі разряд салмағы (сол разрядқа сәйкес келетін шама) . Е шамасын белгілей отырып, кез-келген масштабта жұмыс істеуге болады: Q1 - Q4 - 1 - 4 разрядтардың екілік нышандық сан мәндері. Electronics Workbench кітапханасының құрамынада жүрген ЦАТ-ның қарапайымдалған схемасы көрсетілген.
 
8-сурет. Цифрлық - аналогты түрлендіргіштің схемасы
9- суретте аналогты шаманы (кернеу) сандық кодқа және кері сандық кодтан аналогты шамаға түрлендіру сызбасы көрсетілген.
 
9 - сурет. АЦТ және ЦАТ.
Сызба жұмысының процесі уақыттық диаграммада көрсетілген. АЦТ және ЦАТ жұмысын иллюстрациялайтын уақыттық диаграмма 10 - суретте келтірілген.
 
10- сурет. АЦТ және ЦАТ жұмысының диаграммасы.
3. ЦАТ - ты қолдану
Цифрлы - аналогты түрленгіштердің сызбасын қолдану тек қана код- аналог түрлендіруге ғана емес, сонымен қатар олардың қасиеттерін пайдалана отырып екі немесе одан да көп сигналдардың шығуын анықтауға болады. ЦАТ - ты пайдаланудың ең маңызды аумағы болып сигналдар генераторы болып табылады. Төменде құрамында ЦА - түрленгіштер бар сигналдарды өңдеудің кейбір сызбалары берілген.
Әлі күнге дейін цифрлы - аналогты түрленгіштердің сипаттамасы кезінде кіріс цифрлық ақпарат натурал қатардың саны (униполярлы) түрінде берілді. Бүтін сандарды (биполярлы) өңдеу кейбір ерекшеліктерге ие. Әдетте бүтін екілік сан қосымша кодты қолданумен көрсетілетін еді. Мұндай жолмен сегіз разряд көмегімен -128 ден +127 - ге дейін аралықтағы сандарды беруге болады. ЦАТ - қа сан енгізу кезінде бұл диапазон 0 . . . 255 - ке дейін ығысады. 128 - ден үлкен сандар бұл жағдайда оң, ал 128 - ден төмен сандар теріс болып саналады. 128 - дің орта саны нөлге сәйкес келеді. Мұндай белгісі бар сандарды аралас код деп атайды.
Қарастырылған кодтар сәйкесінше келесі 1 - кестеде берілген.
1 - кесте
Цифрлық және аналогты шамалар арасындағы байланыс
 
4. ЦАТ параметрлері
... жалғасы- Іс жүргізу
- Автоматтандыру, Техника
- Алғашқы әскери дайындық
- Астрономия
- Ауыл шаруашылығы
- Банк ісі
- Бизнесті бағалау
- Биология
- Бухгалтерлік іс
- Валеология
- Ветеринария
- География
- Геология, Геофизика, Геодезия
- Дін
- Ет, сүт, шарап өнімдері
- Жалпы тарих
- Жер кадастрі, Жылжымайтын мүлік
- Журналистика
- Информатика
- Кеден ісі
- Маркетинг
- Математика, Геометрия
- Медицина
- Мемлекеттік басқару
- Менеджмент
- Мұнай, Газ
- Мұрағат ісі
- Мәдениеттану
- ОБЖ (Основы безопасности жизнедеятельности)
- Педагогика
- Полиграфия
- Психология
- Салық
- Саясаттану
- Сақтандыру
- Сертификаттау, стандарттау
- Социология, Демография
- Спорт
- Статистика
- Тілтану, Филология
- Тарихи тұлғалар
- Тау-кен ісі
- Транспорт
- Туризм
- Физика
- Философия
- Халықаралық қатынастар
- Химия
- Экология, Қоршаған ортаны қорғау
- Экономика
- Экономикалық география
- Электротехника
- Қазақстан тарихы
- Қаржы
- Құрылыс
- Құқық, Криминалистика
- Әдебиет
- Өнер, музыка
- Өнеркәсіп, Өндіріс
Қазақ тілінде жазылған рефераттар, курстық жұмыстар, дипломдық жұмыстар бойынша біздің қор #1 болып табылады.
 
            
                Ақпарат
Қосымша
Email: info@stud.kz