Екі сатылы цилиндрлі бәсеңдеткіш


Мазмұны
Жобалауға тапсырма 3
Кіріспе 5
1 Электроқозғалтқыш таңдау және жетектің кинематикалық есебі 6
2 БӘСЕҢДЕТКІШТІҢ ТІСТІ ДӨҢГЕЛЕКТЕРІН ЕСЕПТЕУ 6
3 Біліктің алдын-ала есептелінуі 9
4 Тегеріш пен дөңгелектің құрылғы өлшемдері 10
5 Бәсеңдеткіш тұрқысының құрылымдық өлшемдері 10
6 Бәсеңдеткішті құрастырудың бірінші кезеңі 11
7 Мойынтіректің қызмет ету ұзақтылығын тексеру 11
8 Кілтекті байланыстың беріктілігін тексеру 13
9 Біліктерді анықтап есептеу 14
10 Майдың сортын таңдау 15
Қорытынды 16
Қолданылған әдебиеттер тізімі 17
ТАПСЫРМА
Қ. И. Сәтбаев атындағы ҚазҰТУ
«Құрылым жасау негіздері мен машина бөлшектері» кафедрасы
Машина құрылымын құру негіздері мен машина бөлшектері пәні
Студент: Жаксылық Ш Институт: Тау-кен, металургия
1. Электроқозғалтқыш
2. Жалғастырғыш
3. Бәсеңдеткіш
N 2 = 21кВт;
n 1 =1500айн/мин;
n 2 =400айн/мин;
L=5 жыл;
n тәу =0. 4;
K жыл =0. 7
Кіріспе
Ауылшаруашылықтың барлық салаларының техникалық дәрежесі маңызды мөлшерде машина жасаудың даму дәрежесімен анықталады.
Мемлекет машина жасау инженерлерінің алдына, өнімнің щығарылу көлемінің өсуін үзбей, оның сапалық және эксплуатациялық көрсеткіштерін қарқынды жоғарлату есебін қойды. Бұл есепті шешу жолының бірі - ол техникалық жоғары оқу орны студенттерінің конструкциялық дайындығын жоғарлату.
“ҚҰРЫЛЫМДАУ НЕГІЗДЕРІ МЕН Машина бөлшектері” пәні бойынша курстық жобаны орындаумен студенттерді дайындаудың жалпы техникалық циклы аяқталады. Бұл олардың бірінші өзіндік шығармашылық инженерлік жұмысы, оны орындау кезінде студент алда өткен пәндер бойынша білімдерін қолданады. Олар: материалдар кедергісі, теориялық механика, металдар технологиясы және т. б.
Курстық жоба объектілері: ол көбінесе жалпы қолданыс бөлшектерін қолданатын әр түрлі машиналар мен механизмдер жетектері.
Курстық жобаны орындауды студент механизм жүйесін таңдаудан бірте-бірте көпнұсқалы есептеулерді өтіп, оны жұмыс сызбаларында жүзеге асырады. Инженерлік шығармашылықпен айнылыса, студент сенімді және ұзақ жұмыс істейтің, шығарулыда және эксплуатациялауда тиімді, қауіпсіз және қолдануда қолайлы машиналар шығарудың жаңа жолдарын тауып, сезуді үйренеді.
1 ЭЛЕКТРОҚОЗҒАЛТҚЫШТЫ ТАҢДАУ ЖӘНЕ ЖЕТЕКТІҢ
КИНЕМАТИКАЛЫҚ ЕСЕБІ
1. 1 Электроқозғалтқышты таңдау
Анықтама кестесі бойынша жетек құрамына кіретін әр берілістің және әр жабдықтың ПӘК-ін қабылдаймыз (1. 1- кесте) :
1
=0, 97 - жабық цилиндірлік тісті берілістің ПӘК-і;
2
=0, 99- бір жұп домалау мойынтірегінің шығынын есепке алатын коэфициенті;
Осы қабылдаған ПӘК мәндері бойынша жетектің жалпы ПӘК-ін есептейміз
ж =
1 .
2 2 =0, 97 . 0, 99 2 =0, 95. (1)
Электроқозғалтқыштың қажетті қуатын анықтаймыз
P
қаж
=N
2
/
ж
= 21/0, 95 = 22
кВт
.
4А180S4 Р эқ =21кВт n 2 =1500 айн/мин, d=48мм
Беріліс қатынасы
1. 2 Кинематикалық параметрлерін анықтау
Бәсеңдеткіш біліктерінің айналу жиілігі мен бұрыштық жылдамдықтарын анықтаймыз:
жетекші біліктікі
n l =1500 айн/мин; (1. 2)
1
=2
n
1
=2∙3, 14∙16, 67=104, 7
рад/с (1. 3)
жетектегі біліктікі
n 2 =400 айн/мин; (1. 4)
2
=2
n
2
=2∙3, 14∙3, 25=20, 41
рад/с;
Жоғарыдағыдай бәсеңдеткіштің әр білігіндегі бұраушы момент шамасын анықтаймыз.
Т
1
=Р
1
/
1
=22∙10
3
/154=143
Н
∙
м (1. 5)
Т
2
=Р
2
/
2
=143∙10
3
∙3, 7=529, 1
Н∙м (1. 6)
2 БӘСЕҢДЕТКІШТІҢ ТІСТІ ДӨҢГЕЛЕКТЕРІН ЕСЕПТЕУ
2. 1 Тісті дөңгелектің материалдарын таңдау
Тісті дөңгелектерге материал таңдау үшін өз еркімізбен берілген термиялық өңдеулердің бір түрін таңдаймыз. Термиялық өңдеу - жақсарту немесе шынықтыру.
Тісті дөңгелек үшін таңдаған болат маркасы 45Х, термиялық өңдеуі жақсартылу.
Тістегергіштің материалы - 45X, термиялық өңдеуі- жақсартылу.
Тістегеріш қаттылығы - НВ 200
Дөңгелектің қаттылығы - НВ 230[1(289) ] ;
Тістегеріш пен дөңгелектерге бөлек мүмкіндік кернеу [
н
] мәнін есептейміміз.
[
]
н
=
∙
КНL/[S] (2. 1)
Тісті дөңгелектердің төзімділік шегін олардың материалына, орташа қаттылығына және тістер бетінің термиялық өңдеу түріне байланысты эмпирикалық формуламен табамыз.
Төзімділік шегі -
Тістегергіш үшін:
=2
HB
+70=2*230+70=530
МПа (2. 2)
Тісті дөңгелек үшін:
=2
HB
+70=2*200+70=470
МПа (2. 3)
К HL =1- қызмет ету мерзімінің коэфициенті.
[S] H =1, 1- беріктік қор коэфициенті.
[
]
H1
=
∙
K
H1
/[S]
H
=530∙1/1, 1=482
МПа (2. 4)
[
]
H2
=
∙
K
H2
/[S]
H2
=470∙1/1, 1=428
МПа (2. 5)
[
]
H
=[
]
Hmin
=428
МПа(2. 3)
ваш
=0, 22;
ваб
=0, 4- осьаралық тәжінің енінің коэфициенті.
К
Н
=1, 25- ауырлық коэфициенті.
Осьаралық қашықтық (3. 7) .
=
=200 мм (2. 6
)
МЕСТ 2185-66 (36 бет) бойынша аламыз:
=200
мм
Нормальді ілінісу модулі
n n =(0, 01…0, 02) ∙a wш =(0, 01…0, 02) ∙200=2…4 мм (2. 7)
m n =2…4мм деп аламыз (2. 8)
Тістегіш пен дөңгелектің тістер санын анықтаймыз.
z с =2 aw / m n =2∙315/4=158 (2. 9)
z
1
=2
aw
∙
/(u+1 m
n
)
=2∙315∙0, 985/(5, 13+1) ∙4=26
z 2 = z 1 ∙ u =27, 912 ∙3, 7 =103, 27
u ш =z 2 / z 1 =3, 7 ауытқуы
=4, 9-5, 13/5, 13∙100%=2, 8% 1, 3%<4 (2. 11)
Тістегергіш пен дөңгелектің негізгі өлшемдері
d
1
=m
n/
∙
z
1
=3/0, 9825∙28=85 мм; (2. 9)
d
2
=m
/
∙
z
2
=3/0, 9825
∙103=315 мм;
Тістер төбесіндегі диаметр
d a1 =d 1 +2∙ m n =85+2∙3=91 мм; (2. 10)
d a2 =d 2 +2∙m n =315+2∙3=321 мм; (2. 11)
дөңгелек ені
в
2
=
Equation. 3
ваш
∙а
w
=0, 25∙200=80
в
2
=85
мм
деп аламыз;
тістегергіш ені в 1 =в 2 +5мм=80+5=85мм (2. 12)
Тістегергіш енінің диметрі бойынша коэффициентін анықтаймыз
в
d
=
в
1
/d
1
=55, 85/5, 6=0. 6
Дөңгелектің жылдамдығы және берілістің дәлдік дәрежесі
=
1
∙
d
1
/2=154∙85/2∙
=6, 5 м/с.
Мұндай жылдамдықта 8-дәрежелі дәлдікті қабылдаймыз.
Жүк коэффицинті:
K
H
=K
H
∙
K
H
∙
K
H
=
1, 03∙1. 02=1, 0611
мұндағы:
K
H
=1
(3, 5 кесте) ;
K
H
=1, 012 (3, 4 кесте) . ;
K
H
=1, 05 (3, 6 кесте) .
Түйісу кернеуін тексекру:
Ілінісу үшін әсер ететін күш
н
=270/а
w
=
=394
МПа
(2. 13)
1) шеңберлі F
t1
=
=
=3345H (2. 14)
2) радиалды F
r2
=F
t
∙
H (2. 15)
Иілу кернеуі бойынша тістердің шыдамдылығын тексеру (3. 25)
(2. 16)
K
F
=K
F
∙К
F
K
F
=1. 33 (3. 7 кесте) .
K
F
=1, 3 (3, 8кесте) .
Y F -z v эквивалентті тістер санына байланысты жергілікті кернеу бойынша тістердің беріктік коэффициенті.
тістегеріште z
V1
=
=
=28 (2. 17)
дөңгелекте z
V2
=
=
=140 (2. 18)
Y 1 =3. 84 және Y 2 =3. 60
Мүмкіндік кернеу: [
]
F
=
(2. 19)
Анықтама кестесі бойынша төзімділік шегі мен беріктік қор коэффициенті
=1, 8 HB; [
S
F
] =[S
F
]
I
∙[S
F
]
II
=1, 75∙1=1, 75 (2. 20)
тістегергіш үшін
[
]
=
=237
МПа
(2. 21)
дөңгелек үшін
[
]
=
=206
МПа
(2. 22)
=1, 8∙230=414
H/мм
2
1, 8∙200=360
H/мм
2
(2. 23)
қатнасын табамыз:
тітегергіш үшін:
=62
МПа
(2. 24)
дөңгелек үшін:
=57
МПа
(2. 25)
Тісті дөңгелектің беріктігін тексереміз:
МПа
=206
(2. 26)
3 БІЛІКТЕРДІҢ АЛДЫН-АЛА ЕСЕПТЕЛІНУІ
3. 1 Жетекші білік [
]
б
=10
МПа
жанасу мүмкіндік кернеуі біліктің шығаберіс ұшының диаметрі[
, (107) ] ;
=
(3. 1)
Бәсеңдеткіш білігі электроқозғалтқыш білігімен жалғастырғыш арқылы жалғанғандықтан, ротор диаметрі мен білік диаметрі байланыстыру керек.
d к =75 мм
d ә. қ =0, 8∙75=60 мм (3. 2)
d дв =65 мм деп қабылдаймыз,
Тістегергіш білікпен бірге орындалған.
Егер d=65 болғанда:
t=3, 3, r=3, 5 f=2
қақпақ асты мен мойынтірек астындағы білік бөлігінің диаметрі
d 2 =d 1 +2t=65+2·3, 3=70мм
тістегіш астындағы білік бөлігінің диаметрі
d 3 =d 2 +3. 2r=70+3. 2·3, 5=90мм
d 4 =d 2
3, 2 Жетектегі білік [
]
б
=20
МПа
=
=99
мм
Егер d=65 болғанда:
t=3, 3, r=3, 5, f=2 (3. 3)
қақпақ асты мен мойынтірек астындағы білік бөлігінің диаметрі
d 2 =d 1 +2t=99+2·3, 3=100мм
тістегіш астындағы білік бөлігіінің биаметрі
d 3 =d 2 +3. 2r=100+3. 2·3, 5=105мм
d 4 =d 2 =95
4 ТІСТЕГЕРГІШ ПЕН ДӨҢГЕЛЕКТІҢ ҚҰРЫЛЫМДЫҚ ӨЛШЕМІ
Тістегергіш : d 1 =105 мм дөңгелек: d 2 =524 мм
d a1 =114 мм d a2 =532 мм
в 1 =131 мм в 2 =126
Тістегіш күпшексіз орындаймыз.
Дөңгелек күпшегінің диамітрі мен ұзындығы. (4. 1)
=168
мм
126 . . . 158=90мм (4. 2)
Дөңгелек тоғынының қалындығы
мм
Диск қалындығы
мм
Центрлік шеңбер диаметрі
мм
Тесік диаметрі
мм
Беріктік кабырғалар қылындығы
мм
Фаска
мм
5 БӘСЕҢДЕТКІШ ТҰРҚЫСЫНЫҢ ҚҰРЫЛЫМДЫҚ ӨЛШЕМДЕРІ
Қақпақ пен тұрқы қабырғасының қалыңдығы
Equation. 3 =0, 025∙a
Equation. 3 +1=0, 025∙315+1=8. 887
м (5. 1)
Equation. 3
1
=0, 02∙a
Equation. 3 +1=0, 02∙315+1=7. 3
мм (5. 2)
Equation. 3 =
Equation. 3
1
=10 мм
Қақпақ пен тұрқы белдемесі ернемегінің қалыңдығы:
в =1, 5∙б=1, 5∙10=15 мм (5. 3)
р =2, 35∙б=2, 35∙10= 23. 5 мм (5. 4)
р =24 мм деп аламыз.
Бұрандамалар диаметрі:
Фундаметтік:
d
1
=(0, 03. . 0, 036)
∙a
+12=(0, 03…0, 036) 315+12=21. 5…. 23. 3
мм
М24 бұрандалы бұрандаманы аламыз.
Мойынтірек қасындағы қақпақты тұрқыға бекітетін диаметрі :
мм (5. 5)
М20 бұрандалы бұрандаманы аламыз.
Қақпақты тұрқымен байланыстыратын диаметрі :
мм (5. 6)
=М16бұрандалы бұрандаманы аламыз.
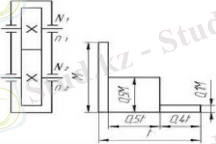
6 БӘСЕҢДЕТКІШТІ ҚҰРАСТЫРУДЫҢ БІРІНШІ КЕЗЕҢІ
Мойынтіректің
белгіленуі

Бірінші кезең тісті дөңгелектің, тіректің реакцияларын анықтауға және мойынтіректер таңдауға мүмкіндік береді.
Сәйкес орналастыру 1:1 масштабымен А1 форматында бір проекцияда - біліктердің осьтері бойнша қимада орындаймыз.
7 МОЙЫНТІРЕКТІҢ ЖҰМЫС ІСТЕУ ҰЗАҚТЫЛЫҒЫН ТЕКСЕРУ
1) Жетекші білік
Ілінісу кезіндегі күштер
F t1 =2389 H
F r1 =870 H
l 1 =17, 5 мм
F a =1444. 8H
Тірек реакциялары
R
=R
H
(7. 1)
(7. 2)
Tексеру: F kb -Rx 1 -R xz +2F rb= 320-1534+ 2∙1105-996 =0 (7. 3)
Қосынды реакциасы:
=
=1590
H
(7. 4)
=
=1080
H
(7. 5)
Мүнда радиалды жүктеме F r1 =740 H , осьтік жүктеме мойынтіректерге әсер етпейді.
Қатнасын табамыз:
(7. 6)
(7. )
б
∙K
T
=740∙1∙1=740
H
(7. 7)
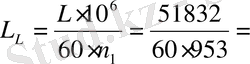
Жұмыс істеу мерзімі, млн, айн.
51832
млн, айн.
(7. )
906∙10
3
сағ
(7. 8)
Иілу кезіндегі күштер:
F t1 =1105 H
F r1 =410 H
мм
F t2 =2810 H
F r2 =1022 H
Тірек реакциалары:
(7. 9)
(7. 10)
H
R x3 =R x4 =716 H
(7. 11)
(7. 12)
(7. 13)
H
(7. 14)
Тексеру:
Қосынды реакциялар:
Equation. 3 =
=759
H
(7. 15)
Equation. 3 =
=753
H
(7. 16)
Эквивалентті күшті анықтаймыз:
Equation. 3 (7. 17)
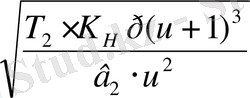
Жұмыс істеу мерзімі, млн. айн
млн. айн.
(7. 18)
сағ
(7. 19)
Жетектегі білік :
F t2 =2810 H
F r2 =1022 H
R
x5
=R
x6
=
H
(7. 20)
R
y5
=R
y6
=
H
=
=1495
H
(7. 21)
P
э
=V
=1495∙1, 2=1794
H
(7. 22)
Жұмыс істеу мерзімі, 494 млн. айн
млн. айн.
(7. 23)
млн. айн.
(7. 24)
8 КІЛТЕКТІ ҚОСЫЛЫСТЫҢ БЕРІКТІЛІГІН ТЕКСЕРУ
Шетжағы дөңгеленген призмалы кілтек. Кілтек қимасы, кілтек ойығы мен кілтек ұзындығының өлшемдерін СТ СЭВ 189-75 бойынша аламыз.
Кілтек материалы - болат 45 қалыптандырылған.
... жалғасы- Іс жүргізу
- Автоматтандыру, Техника
- Алғашқы әскери дайындық
- Астрономия
- Ауыл шаруашылығы
- Банк ісі
- Бизнесті бағалау
- Биология
- Бухгалтерлік іс
- Валеология
- Ветеринария
- География
- Геология, Геофизика, Геодезия
- Дін
- Ет, сүт, шарап өнімдері
- Жалпы тарих
- Жер кадастрі, Жылжымайтын мүлік
- Журналистика
- Информатика
- Кеден ісі
- Маркетинг
- Математика, Геометрия
- Медицина
- Мемлекеттік басқару
- Менеджмент
- Мұнай, Газ
- Мұрағат ісі
- Мәдениеттану
- ОБЖ (Основы безопасности жизнедеятельности)
- Педагогика
- Полиграфия
- Психология
- Салық
- Саясаттану
- Сақтандыру
- Сертификаттау, стандарттау
- Социология, Демография
- Спорт
- Статистика
- Тілтану, Филология
- Тарихи тұлғалар
- Тау-кен ісі
- Транспорт
- Туризм
- Физика
- Философия
- Халықаралық қатынастар
- Химия
- Экология, Қоршаған ортаны қорғау
- Экономика
- Экономикалық география
- Электротехника
- Қазақстан тарихы
- Қаржы
- Құрылыс
- Құқық, Криминалистика
- Әдебиет
- Өнер, музыка
- Өнеркәсіп, Өндіріс
Қазақ тілінде жазылған рефераттар, курстық жұмыстар, дипломдық жұмыстар бойынша біздің қор #1 болып табылады.

Ақпарат
Қосымша
Email: info@stud.kz