Технологиялық процесстің сипаттамасы


Жұмыс түрі: Курстық жұмыс
Тегін: Антиплагиат
Көлемі: 24 бет
Таңдаулыға:
Кіріспе
Автоматика - бұл ғылыми - техникалық прогресстің алдыңғы шеті. Автоматика облысындағы өзгерістер өте жылдам жүреді. Автоматика элементтері үздіксіз жетілдіріліп отырады. Автоматиканың басқа принципте (мысалы, жартылай өткізгіш күшейткіштер, тирристорлы реле мен байланыстырушылар, гидравликалық орындаушы құрылғыллар, пневматикалық датчиктер мен түрлендіргіштер) .
Автоматика жүйелері басқарылатын процестің жүрісі туралы, оның өңделуі мен процеске әсер етуін қалыптастыру кезінде ақпарат алу үшін тағайындалған. Тағайындалуына қарай келесі автоматты жүйелерді ажыратады.
Автоматты сигнал беру жүйесі қандай да болмасын техникалық қондырғының жағдайы туралы, қандай да болмасын процестің өтуі туралы қызмет көрсетушілерге хабарлау үшін тағайындалған. Автоматты блокадалау және қорғаудың автоматты жүйелері техникалық агрегаттар мен қондырғылардағы авариялық жағдайлардың пайда болуының алдын алу үшін қызмет етеді.
Автоматты бақылау жүйелері, қандай да болмасын процестің немесе техникалық агрегаттың жұмысын сипаттайтын әртүрлі параметрлер мен шамаларды адамның қатысуынсыз жүзеге асырады.
Автоматты жіберу мен тоқтату жүйелері алдын ала берілген бағдарлама бойынша әртүрлі қозғалтқыштар мен жетектердің тоқтатылуының қосылуын қамтамасыз етеді.
Автоматты басқару жүйелері қандай да болмасын техникалық агрегаттардың немесе қандай да болмасын процестердің жұмысын басқару үшін тағайындалған.
Автоматты басқару жүйелері маңыздысы және неғұрлым күрделісі болып табылады. Қойылған мақсатқа жетуді қамтамасыз ететін қандай да болмасын процесті ұйымдастыру басқару деп аталады. Басқару жүйелеріндегі ақпаратты алу, сақтау, беру мен түрлендірудің жалпы заңдылықтарын кибернетика зерттейді. Осылайша, автоматика жүйелерін зерттеу, сондай - ақ тапсырмаларының бірінен құрастырылған автоматты жүйелер автоматика элементтері деп аталады. Тағайындалуы бойынша кіретін элементтер сезімтал, күшейткіш және орындаушы болып бөлінеді.
Датчиктер сезімтал элементтер болып табылады. Олар реттелу нысанының реттелетін шамасын өлшейді және шығудағы, осы шамаға пропорционал сигналды шығарады.
Автоматика жүйесі физикалық табиғаты әртүрлі сигналдарды пайдалана отырып құрастырылуы мүмкін: электрлік, механикалық, пневматикалық, гидравликалық. Кең тарағаны электрлік сигнал, оны қашықтыққа беру, өңду мен сақтау, сигналдың басқа түрлеріне түрлендіру қолайлы. Сондықтан, автоматиканың электрлік элементтері кең тараған.
Электрлік элементтердің негізгілерінің және маңыздыларының бірі электрлік және магниттік құбылыстарды пайдаланатын электромеханикалық және магниттік элементтер болып табылады.
Орындаушы элементтер ретінде электромагнитті және электроқозғалтқыштар кеңінен таралған.
Автоматика жүйелерінде әртүрлі ауыстырып қосылулар үшін коммутациялық электромеханикалық элементтер кеңінен қолданылады.
Кiруге келесi элементтi бiр элементтiң демалыс шамасының автоматиканың жүйесiне элементтердiң Қосуларында ерiксiз көнедi. Кiретiн шаманы кәдiмгi кiретiн сигналдармен деп атайды.
Кiрiс және шығыс тұрақты дабылдың жұмыс тәртiбi (Х=Х орн ; У=У орн ) статикалық немесе орналастырылған тәртiптер деп атайды. Осы тәртіпте анықталатын мінездеме статикалық деп аталады.
1 Жалпы бөлім
1. 1 Мәселенің қойылымы. Технологиялық процестің сипаттамасы
Абсорбция процесі масса алмасудың бір түрі болып табылады. Өндірісте абсорбциялаумен жекелеген құрамдағы газдардан гөрі газ қоспаларын сіңіруде кеңінен қолданады. Абсорбциялау процесінің мақсаты берілген құрамдағы қаныққан абсорбентті алу болып табылады. Сұйық фаза сіңіргіштен және абсорбияланатын компоненттен тұрады. Инертті газ сіңірілмейтін бөлігіне жатады. Көп жағдайда белсенді компоненттің ертіндісі сіңіргіш болады. Ол абсорбцияланатын қоспамен химиялық реакцияға түседі. Белсенді қоспаны ерітетін зат еріткіш деп аталады. Инертті газ және тасымалдағыш газ және сұйық тасымалдағыштары болып табылады. Физикалық абсорбция кезінде инертті газ және сіңіргіш шығындалмайды және қоспалардың бір күйден екінші күйге ауысуына қатыспайды. Абсорбцияның абсорбентмен тіркесі сіңіргіш пен абсорбцияланған қоспаны қайта пайдалануға мүмкіндік береді. Бұл үшін ертіндіні абсорберден кейін десорберге жібереді. Онда қалпына келтірілген қоспа абсорбцияға қайта пайдалануға жіберіледі. Мұндай қайталанатын процесте кезінде сіңіргіш көп шығындалмайды және жүйе абсорбер - десорбер - абсорбер айналымы бойынша жүреді. Кейбір жағдайларда абсорбент процесін жүргізгенде сіңіргішті қайта-қайта пайдаланудан бас тартады. Бұл жағдайда десорберде регенерацияланған сіңіргіш канализацияға тасталады да, абсорберге жаңа сірігіш беріледі. Абсорбент процесіне қолайлы жағдай абсорбцияға қолайсыздық тудырады. Абсорбент процесін жүгізген кезде еріткіш газ күйіне ауысуы үшін қалыпты қысым болуы керек. Абсорбцияда жүретін қайтымсыз химиялық реакциядан кейін сіңіргіш десорберде қалпына келмейді. Бұл сіңіргіштерді қалпына келтіру тек химиялық жолмен жүргізіледі. Химия саласында абсорбция процестерінің қолданылу аймағы ауқымды:
- Сұйықтықтың газды жұтуы арқылы даяр өнім алу. Мысал ретінде, күкірт қышқылы өндірісінде SO3 абсорбциялау; тұз қышқылын алуда HC абсорбциялау; сілтілі ертіндіні абсорбциялау және т. б. Бұл айтылғандарда абсорбент қолданылмайды.
- Қажетті қоспаларды алу үшін газ қосылыстарын бөлу. Бұл кезде сіңіргіштің алатын қоспаға қатысты сіңіргіш қасиеті көп, ал өзге қоспаларға аз болуы қажет. Әдетте абсорбция процесін абсорбентмен біріктіреді. Мысал ретінде, кокс газынан бензолды абсорбциялау, крекинг газдарынан немесе табиғи газ пиролизінен ацетиленді абсорсорбциялау, этил спирті ыдырауынан болған газдан бутадиенді абсорбциялау.
- Газды зиянды қалдықтардан тазарту. Мұндай тазарту газдың әрі қарай өңделуіне қатыспайтын қоспалардан тазарту. Мысалы, мұнай мен кокс газдарынан H2S-тен тазарту, аммиак синтезі үшін арналған азотсутегіні CO2 мен CO- дан тазарту, күкірт қышқылын дайындауда күкірт газын кептіру және т. б. Сонымен бірге атмосфераға түсетін газдарды санитарлық тазарту. Мысалы, жанған газданды SO2- ден тазарту, фторлы газдар қосылысынан тазарту, минералдық тыңайтқыштарды дайындау кезінде бөлінетін газдардан тазарту және т. б. Қарастырған жағдайларда бөліп алынатын қоспаны күнделікті қолданады. Сондықтан абсорбент әдісімен бөліп алады немесе соған сай өңдеуге жіберіледі. Кей жағдайларда бөліп алынатын қоспа өте аз болса және сіңіргіш қайта пайдалану қажет болмасаб онда қоспаны абсорбциялаудан кейін канализацияға төгеді.
- Қажетті қоспаларды газдан тартып алу шығынды азайтады. Мысалы, рекупациялық ұшқыш ерткіштерде (спирттер, кетондар, эфирлер және т. б. ) . Газды бөлуде абсорбциямен қатар басқа әдістер қолданылады: адсорбция, тере салқындату. Әдістердің бірін таңдау техника-экономикалық тұрғыдан анықталады. Әдетте қоспаны түгел бөлу қажет болмаған жағдайда абсорбцияға жүргінеді. Абсорбция процесіндегі массаалмасу фазалардың жанасу бетінде жүреді. Сондықтан абсорбциялық аппараттардың газ бен сұйықтық арасындағы жанасу беті жақсы болуы керек. Абсорбция аппараттарын беттік жанасуды жасау тәсіліне қарай келесідей топтарға бөлеміз:
А. Беттік абсорберлер фаза аралық беттік байланыс сұйықтық айнасы немесе сұйықтықтың беттік қабаты. Бұл топқа насадкалы абсорберлер жатады. Абсорберлердің беттік байланысы абсорбциялау процесіндегі элементтердің геометриялық беттерімен анықталады.
Б. Барботажды абсорберлер байланыс бетіне газ көпіршік немесе тамшы болып тарайды. Газдардың мұндай қозғалысы сұйық толтырылған әр типті табақшалардан өтуі арқылы жүреді.
Осындай процесс газбен сұйықтың қатынасы батпал насадкасы бар насадкалы абсорберде байқалады. Бұл топқа сұйықтықты араластыратын барботажды абсорберлер кіреді. Барботажды абсорберде беттік байланыс гидродинамикалық режиммен(газ бен сұйықтың шығындарымен) анықталады.
В. Бөлгішабсорберлер - сұйықтар мен газдар массасын ұсақ тамшыларға бөлу арқылы беттік байланыс пайда болады. Беттік байланыс гидродинамикалық режиммен анықталады. Бұл топқа форсункамен немесе айналмалы механикалық құрылғылармен жүргізілетін абсорберлер жатады. Бір типтегі аппараттар жұмыс жағдайына байланысты әртүрлі топқа кіруі мүмкін. Мысалы, қондырмалыабсорберлер қабатты режимде де, барботажды режимде де жұмыс жасайды. Қазіргі уақытта барлық типтердің ішінен насадкалы және барботажды табақшалы абсорберлер кең тараған. Абсорбердің типін таңдаған кезде оның физика-химиялық процестерге тиімділігін, техника-экономикалық жағдайларды ескереміз. Абсорбердің негізгі мөлшерлері жұмыс жағдайларына байланысты есептеледі. Есептеу жүргізу үшін статикалық және кинематикалық процестедің мәліметтері керек. Статика мәліметтерін анықтамалық тізбектен табады, оны термодинамикалық параметрлер көмегімен есептейді. Кинематика мәліметтері аппарат түріне және жұмыс режиміне байланысты. Қазіргі уақытта массаалмасу коэффицентін аса дәлдікпен есептейтін зертханалық әдіс табылған жоқ. Алайда кейбір аппараттадың түрі үшін массаалмасу коэффицентін аса дәлдікпен есептеп табуға болады.
Газдағы шығарылатын компоненттің концентрациясын абсорбциялау процесіне айтарлықтай шешуші әсер етуші процестің жұмысшы және тепе-теңдік сызықтарының салыстырмалы орнына анықталатын қозғыш күш.
1. 2 Автоматты басқару жүйелері
Технологиялық процессті автоматтандыру-бұл технологиялық процессті қосу немесе өшіру, белгілі параметрді берілген деңгейде ұстап тұру, орнатылған бағдарлама бойынша параметрдің өзгеруі және т. б. Қондырғымашина, агрегат арқылы өтіп жатқан технологиялық процессті бақылау объектісі деп аталады. Басқару автоматты түрде және қолмен басқарылады. Операциялар қолмен басқару процессінде адам көмегі арқылы, ал автоматты басқарууда басқарушы құрылғы арқылы жүзеге асады. Бақылау объектісі мен басқарушы құрылғы бірігіп автоматты басқару жүйесін құрайды.
Х кір (Ж)
Х кір (К) ББ Х шығ
Х кір
1-сурет. Автоматтық басқару жүйесі
Автоматты басқару жүйесі жұмысына әртүрлі әсерлер, кіріс әсерлер, жай кіріс ықпалын жасайды. Процесстің сапасын көрсететінн және кіріс шама әсерінен өзгеретін процесстің параметрін, шығыс шамалар немесе жай шығыс деп аталады. Шығыс шамалардың өзгерісінің берілген заңына кедергісі келтіретін кіріс әсерлер, ауытқу тудырушы әсерлер деп аталады. Ауытқу тудырушыларды екі топқа: жүктеме және кедергі деп бөлуге болады. Жүктеменің өзгерісі әдетте технологиялық процесс арқылы жүзеге асады, ал ішкі ортаның (мысалы, орта температурасының) немесе жүйенің жеке элементтерінің құрамы өзгерісімен болады. Басқарушы құрылғының басқару объектісіне әсері басқарушы әсер деп аталады. Ол да кіріс әсерлерге жатады.
Автоматты басқарудың барлық жүйесін элементтер тобына бөлуге блады. Егер мұндай элементтердің өзгерісінде кіріс шама шығыс шамаға, ал шығыс шамаға әсерін тигізбесе, бұл элементтер детектрлеуші немесе бағытталған қозғалыстың элементі деп аталады.
Кері байланыс
Автоматты басқаруда құрғанда кері байланыс кең қолданыс тапқан. Автоматты басқарудың технологиялық жүйесінде кері байланыс шығыс шаманың кіріс шамаға берілуімен, сондай-ақ шығыс шаманың өзгеруінде кіріс шамаға қажетті өзгертулер енгізуімен сипатталады.
Егер жүйенің шығысы кірісімен жалғанса, онда кіріс байланыс сыртқы, ал элементтер тобының кірісі мен шығысын байланыстырса, ол ішкі немесе жергілікті болады. Егер жүйе элементтерінің шығыс шамасының кіріске берілуі, кіріс шаманың шығыс шамаға әсерін күшейтсе, онда мұндай кері байланыс қалыпты, ал егер керісінше шығыс шама кіріс шамаға әсерін әлсіретсе, онда ол қалыпты емес кері байланыс деп аталады. Берілу әсерлері сипаты бойынша қатты және икемді болып бөлінеді. Қатты байланыс орнатылған және айнымалы режимде де, ал икемді байланыс тек қана айнымалы режимде, орнатылған жүйеде ол өз жұмысын тоқтатады.
Тұйық және ашық АБЖ
Автоматты басқару жүйелері ашық және тұйық жүйелері болып бөлінеді. Ашық автоматты басқару жүйесі-ішкі кері байланысы жоқ, сондай-ақ басқару нәтижесінің бақылануы болмайды. Оларды қатаң бағдарлама және әсерлерді бақылау жүйелеріне бөлуге болады. Ашық автоматты басқару жүйесінде қатаң бағдарламада басқау құрылғысна қатаң тапсырма (Т) беріледі. Басқарушы құрылғы сол тапсырма бойынша басқару объектісіне (У) әсерін тигізеді. Тапсырма бойынша кейбір әсерлердің нәтижесінде Х кір объектісінің шығыс шамасы Х шығ ауытқуы мүмкін. Алайда бұл ауытқулар қатаң бағдарламалы автоматты басқару жүйесімен бақыланбайды да, және басқару құрылғысының жұмысына әсерін тигізбейді.
Х кір (Ж)
Х кір (Ж)
Х кір (К) Х шығ Х кір (К) Х шығ
2-сурет. Ашық автоматты реттеу жүйелері
Мұндай жүйелерге, мысалы сораптарды, вентилятор, сығымдағыштарды автоматты қосу және өшіру және т. б. жүйелер жатады.
3-сурет. Автоматты реттеу жүйесі:а) қолмен б) автоматты реттеу
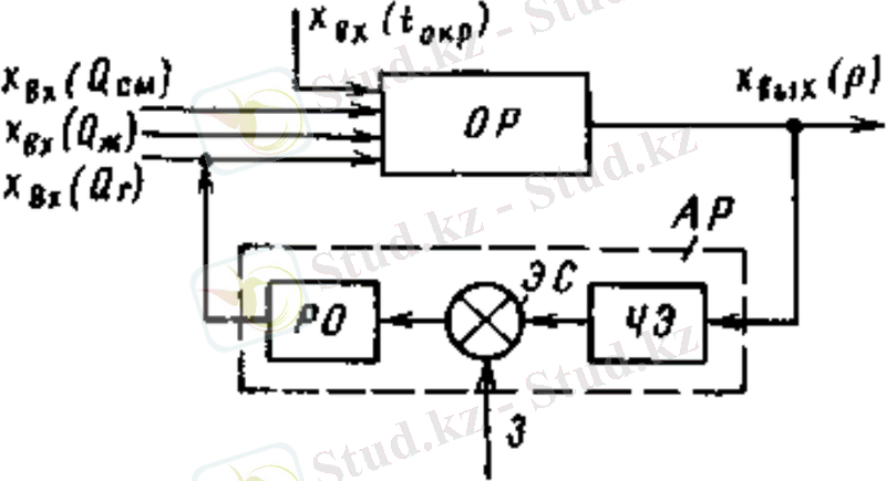
Сепараторада қысымды тұрақты ұстап тұратын автоматты басқару жүйесінің жұмыс принципін қарастырайық. Сепаратор кірісіне газсұйықты қоспа(Q см ) келіп түседі. Ол өз кезегінде Q г мөлшермен сепаратордың жоғарғы жағына кететін газ және Q с мөлшеріндегі төменге кететін сұйықтыққа айырылады. Тепе-теңдік жағдайда белгілі қысымда сепаратордағы шығын теңеседі, яғни Q cм =Q г +Q с . Сепаратордағы технологиялық процесстің негізгі көрсеткіші болып қысым p есептеледі. Сепаратордың кіріс және шығысындағы шығынның өзгеруіне байланысты қысым да өзгеріп отырады. Тапсырма сепараторда қысымды белгілі бір мөлшерде ұстап тұру болсын. Өлшегіш құрылғы 1(манометр) сепараторға қысымды бақылау мақсатымен және газ сызығындағы шығынын бақылау органын 2 орнатамыз. Сонда, қысымның азаю немесе кемуі кезінде, манометр көрсеткішіне және бақылау органының өту қиылысын өзгерте отырып, сепаратордағы қажетті қысымды қалыпқа келтіруге болады. Бқдан біз қысымды реттеу жүйесін аламыз. Алайда, қысым мен бақылау органының өту қиылысын бақылау адам көмегімен жүзеге асқаннан кейін, бұл қолмен басқару деп аталады.
Автоматты басқару жүйесін алу үшін адамның атқаратын функцияларын автоматтық реттегіш не жай реттегіш деп аталатын автоматтық құрылғыға берілуі тиіс. Технологиялық процесс кезінде бақылануы тиіс параметр бақыланатын параметр деп аталаады. Бақыланатын параметр мөлшері әр уақытта да ағымдағы, ал оның процесс кезінде ұстап тұру керек мөлшер берілген мөлшері деп аталады. Ағымдағы мен берілген мөлшерлердің айырмасы ауытқу болып саналады. Реттегіштердің негізгі элементтері- сезімтал элемент, ол өзгеріске жауап қайтарады; салыстыру элементі, ол орнатылған арнайы құрылғының көмегімен ағымдағы мөлшерді берілген мөлшермен салыстырады және реттеуші орган, ол процесске өз әсерін тигізеді. Автоматты реттеу жүйесін зерттегенде алынған жүйенің функционалдық жүйесін көрсету керек. Функционалдық сызба деп автоматы реттеу жүйесінде алынған жүйенің әрбір функционалды элементіне сызбадағы сурет сәйкес келетін сызба аталады.
Жүйенің негізгі элементтері-реттеуші объект(ОР 1 ), сезімтал элемент(СЭ 1 ) реттелуші параметрдің ағымдағы мөлшерін өлшейді, салыстыру элементі(СЭ 2 ) ағымдағы және берілген мөлшерді(З) салыстырады және реттеуші орган, (РО) реттеуші әсер жасайды
4-сурет. Қысымды реттеу жүйесінің функционалды сызбасы
Мұнай және газ саласындағы автоматты басқару жүйелері әртүрлі болғандықтан, оларды белгілі бір белгісіне байланысты жіктейді. Тік және тік емес жүріс жүйелері ажыратылады.
Автоматты бсқару жүйесіндегі қысым сепараторы тік жүрісті жүйе болып табылады, өйткені бұл жүйенің сезімтал элементі реттеуші органға арқылы тікелей әсер етеді. Бұл жүйелер құрылымдық қатынас қарапайым, алайда өндірісте шектеулі қолданыс тапқан, себебі сезімтал элементтің қуаты реттеуші органның орын ауыстыруын қамтамасыз етуге жеткіліксіз.
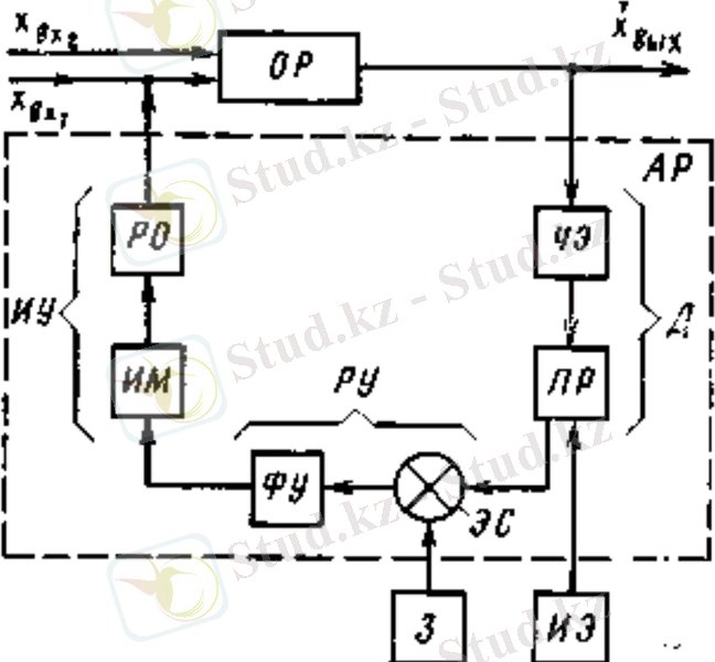
Анағұрлым көп қолданыс тапқан жүйе тік емес жүйе. Бұл жүйеде реттеушіорганның (РО) орын ауыстыруына қосымша қуат көздерін(ИЭ) пайдаланады. Бұл жүйеде сезімтал элемент(ЧЭ) болып тұрған реттеуші параметрдің ағымдағы мөлшері түрлендіргіш(ПР) және қуат көзі(ИЭ) арқылы бсқа сигналға өзгертеді, содан кейін өзіне ұқсас сигналмен салыстырылады.
5-сурет. Тік емес жүрісті автоматты реттеу жүйесінің функционалдық сызбасы
Қалыптастырушы құрылғы(ФУ) келіспеушілікті күшейтеді және реттеудің белгілі заңымен қамтамасыз етіледі. Орындаушы механизм(ИМ) қалыптастырушы құрылғының шығыс сигналын реттеуші органның орын ауыстыруына түрлендіреді. Қуат көзінің(ИЭ) тегіне байланысты тік емес жүрісті жүйелер пневматикалық, электрлік және гидравликалық болып бөлінеді. Бұл жүйеде сезімтал элемент(ЧЭ) түрлендіргішпен бірге датчик(Д), салыстыру элементі(ЭС) қалыптастырушы құрылғымен реттеуші құрылғы(РУ), орындаушы механизм реттеуші органмен атқарушы құрылғы(ИУ) түзеді. Сонымен автоматты реттеу өзіне датчик, реттеуші құрылғы және атқарушы құрылғыны қосады.
Берілген реттелетін параметрдің мәні қандай заң бойынша өзгеруіне байланысты, автоматты басқару жүйелері 3 негізгі топқа бөлінеді.
Егер берілген мән тұрақты болса, жүйе автоматты тұрақтандыру жүйесі деп аталады.
Егер берілген мән бұрын орнатылған бағдарлама бойынша өзгерсе, жүйе бағдарламалық реттеу жүйесі деп аталады.
Егер реттелуші параметрдің берілген мәні қандай да бір параметрге тәуелді және ерікті заң бойынша өзгерсе бақылаушы жүйе деп аталады.
Жеке элементтердің арасындағы байланыс сипатына байланысты автоматты реттеу жүйелері үздіксіз және дискретті болып бөлінеді.
Үздіксіз жұмыс жүйелерінде жеке элементтердің аралығындағы тұрақты функционалды байланыс болды. Реттелуші параметрдің ағымдағы мәні үздіксіз берілген мәнмен салыстырылады, ал реттеуші орган реттеуші әсер тудырады.
Дискретті жұмыс жүйесі импульсті және релелі жұмыс жүйесі болып бөлінеді. Импульсті жұмыс жүйесінде жкек элеенттердің арасында үзік байланыс балады. Бұл жүйелерде реттелуші параметрдің ағымдағы мәні берілген мәнмен үздіксіз салыстырылады, ал дискретті де бір-бірінен алшақ уақыт сәтімен салыстырылады. Бұл тәсілдерді сандық есептеу жүйеерінді, сондай-ақ реттегіш бірнеше объектке қызмет көрсететін жүйелерде қолданылады.
Релелсі жұмыс жүйелерінде реттелуші параметрдің өзгерісі кезінде берілген шекте реттеуші органның орны ауыспайды, яғни жүйе ашық болып табылады. Реттелуші параметр шығысындағы берілген шекте жүйе тұйықталады және реттеуші орган реттеуші әсер туғызады.
1. 3 Автоматты реттеу жүйелеріне қойылатын талаптар
Егер реттелуші параметрдің ағымдағы мәні берілген мәнге сәйкес келсе, жүйе тұрақты қалыпта деп есептеледі. Егер белгілі әсерден жүйеде реттелуші органда ауытқу туындаса, оған теңдік қалыпқа келуі үшін уақыт керек болады. Оған дейін жүйе ауыспалы режимде деп есептеледі.
Жүйенің өтпелі режимінің тәртібін өтпелі процесстің графикасы түрінде суреттеу шешілген. Реттелуші параметрдің ағымдағы мәні Х шығ арқылы көрсетілген. Біз тұрақтандыру жүйесін қарастырып жатқандықтан берілген мән Х шығ0 тұрақты болып қалады, ол үзік сызықты және уақытпен параллель (а сурет) . Ағымдағы және берілген мәннің қисығы 0-t 1 уақыт аралығында түйісуі, оларың осы уақыт аралығындағы теңдік жағдайда екенін көрсетеді. t 1 уақытта ауытқу тудырушының әсерінен жүйе теңдік қалыптан ауытқиды және қалпына реттегіштердің көмегімен t 2 уақыт сәтінде келеді. t 1 -t 2 уақыт аралығында жүйе ауыспалы, ал t 2 уақыт сәтінен кейін теңдік қалыпқа келеді. Жүйені зерттеген кезде оларды реттелуші парамтрдің өзгерісі туындаған сәтте бастап қарастыру керек. Бұл жағдайда координата реттелуші параметрдің берілген мәніне сәйкес келеді(б сурет) . Алайда ауыспалы процесс басқа сипаттама иемденуі мүмкін. Екі суретті салыстыра отырып, бір жағдайда жүйе тұрақты жағдайға оралады, ал екіншісінде ол оралмайды. Бірінші жағдайда ол орнықты, ал екіншісінде орнықсыз. Автоматты реттеу жүйелері реттелуші параметрді тұрақты ұстап тұруға бағытталғандықтан, графикадағы б-сурет орнықты жүйе болып табылады. Сонымен қатар орнықты автоматты реттеу жүййелерінде де ауыспалы процесс әртүрлі жүруі мүмкін. Мұнымен бірге көрсеткіштерді сипаттайтын ауыспалы процесстің сапасы түсінігі енеді. Соның бірі болып ауыспалы процесстің уақыты табылады. Әрине бұл кезде, уақыт қаншалықты аз болсасапасы соншалықты жоғары болады. Автоматты реттеу жүйесін қамтамасыз ететін сапа көрсеткішінің басым мәні, технологиялық түсінің арқылы таңдалады. Сонымен, автоматты реттеу жүйесіне екі талап қойылады:жүйе міндетті түрде тұрақты болуы тиіс және айқын берілген сапаны иемденуі керек.
6-сурет. Автоматты реттеу жүйесіндегі ауыспалы процесстердің графиктері
Сонымен, автоматты реттеу жүйесіне екі талап қойылады:жүйе міндетті түрде тұрақты болуы тиіс және айқын берілген сапаны иемденуі керек.
1. 4 Автоматты реттеу объектілерінің құрамы
Мұнай-газ өндірісінде құрылымы мен жұмыс принциптеріне байланысты әртүрлі реттеу объектілері кездеседі, мысалы, газ жинағыш коллектор, сепаратор, газ турбинасы, жылуалмачтырғыш, мұнай скважинасы, топтық қондырғы, мұнай жинайтын сыйымдылық және т. б.
... жалғасы- Іс жүргізу
- Автоматтандыру, Техника
- Алғашқы әскери дайындық
- Астрономия
- Ауыл шаруашылығы
- Банк ісі
- Бизнесті бағалау
- Биология
- Бухгалтерлік іс
- Валеология
- Ветеринария
- География
- Геология, Геофизика, Геодезия
- Дін
- Ет, сүт, шарап өнімдері
- Жалпы тарих
- Жер кадастрі, Жылжымайтын мүлік
- Журналистика
- Информатика
- Кеден ісі
- Маркетинг
- Математика, Геометрия
- Медицина
- Мемлекеттік басқару
- Менеджмент
- Мұнай, Газ
- Мұрағат ісі
- Мәдениеттану
- ОБЖ (Основы безопасности жизнедеятельности)
- Педагогика
- Полиграфия
- Психология
- Салық
- Саясаттану
- Сақтандыру
- Сертификаттау, стандарттау
- Социология, Демография
- Спорт
- Статистика
- Тілтану, Филология
- Тарихи тұлғалар
- Тау-кен ісі
- Транспорт
- Туризм
- Физика
- Философия
- Халықаралық қатынастар
- Химия
- Экология, Қоршаған ортаны қорғау
- Экономика
- Экономикалық география
- Электротехника
- Қазақстан тарихы
- Қаржы
- Құрылыс
- Құқық, Криминалистика
- Әдебиет
- Өнер, музыка
- Өнеркәсіп, Өндіріс
Қазақ тілінде жазылған рефераттар, курстық жұмыстар, дипломдық жұмыстар бойынша біздің қор #1 болып табылады.

Ақпарат
Қосымша
Email: info@stud.kz