Мультиплексор және демультиплексордің жұмысын зерттеу

 
    
Жұмыс түрі: Курстық жұмыс
Тегін: Антиплагиат
Көлемі: 25 бет
Таңдаулыға:
МАЗМҰНЫ
Кіріспе. . . 3
1. Мультиплексорлар . . . 5
1. 1. Жалпы мағлұмат . . . 5
1. 2. Мультиплексорларды ТТЛ элементінде тұрғызудың ерекшеліктері . . . 9
1. 3. Мультиплексорларды КМОЖ элементтерінде құру ерекшеліктері . . . 12
1. 4. Мультиплексорлар. Микросхемалар мысалдары . . . 14
1. 5. Қолдану мысалдары . . . 23
2. Демультиплексорлар . . . 25
2. 1 Жалпы мағлұмат . . . 25
3. Мультиплексор мен демультиплексорды жобалау . . . 26
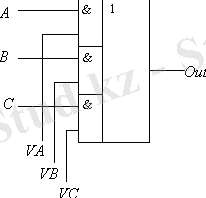
3. 1. Мультиплексор. 26
3. 2. Демультиплексор. 28
Қорытынды. . . 30
Пайдаланылған әдебиеттер. . . 31
Кіріспе
Сандық техниканың пайда болуымен ақпаратарды бірнеше қор көзінен біреуіне жөнелту қажеттігі туды. Сол үшін мультиплексор шығарылды. Сонымен қатар кері байланыс үшін демультиплексор пайда болды.
Бұл курстық жобада мультиплексор мен демультиплексор туралы жалпы мағлұмат, схемалар мен әртүрлі микросхемалардың артықшылықтары келтірілген.
Сандық жүйеде ақпараттың көп бөлігі сымдар мен басу тақтасының сымдары арқылы беріледі. Көбінесе екілік сигнал ақпараттарын біреше қайтара бір жерден екінші жерге жөнелту қажеттігі туады. Кейбір жағдайда ақпаратты алшақ жерлерге телефон сымдары мен кабельдер арқылы жөнелту қажеттігі туады. Егер барлық ақпарат байланысты сызығымен параллельді түрде бір мезгілде жөнелтілсе, онда мұндай кабельдердің жалпы ұзындығы өте үлкен болып, олар тым қымбат болар еді. Оның орнына ақпарат тізбекті түрде бір сыммен жөнелтіліп, осы сызықты байланыстың соңында бір жерге топтастырылады. Тізбекті жөнелту мен қабылдауда қолданылатын құрылғы сәйкесінше мультиплексор мен демультиплексор болып табылады. Сандық құрылғының бір параллельді ақпараты мультиплексор көмегімен бір сыммен жөнелтілетін тізбекті ақпараттық сигналға айналдырылады. Демультиплексордың шығысында осы тізбекті сигналдар тағы да параллельді ақпаратқа топтастырылады.
Mультиплексор - бірнеше кіріс сигналдары, бір немесе бірнеше басқаратын кіріс сигналдары мен бір шығысы бар құрылғы. Мультиплексор сигналды бір кірістен шығысқа жөнелтуге мүмкіндік береді; сонымен қатар қажетті кірісті таңдау басқарушы сигналдар комбинациясымен жүзеге асады.
Аналогты және сандық мультиплексорлар жұмыс жасау принципімен ерекшеленеді. Біріншісі таңдалған кірісті электрлік шығыспен байланыстыады (при этом сопротивление между ними невелико - порядка единиц/десятков ом) . Екіншісі таңдалған кіріс пен шығыс арасында тікелей байланыс орнатпай, тек таңдалған кірістен шығысқа логикалық деңгейді ('0' немесе '1') көшіреді. Аналогты мультиплексорлар кейде кілт немесе коммутаторлар деп аталады. [1, 12]
Мультиплексорға өзінің функциясымен қарама-қарсы құрылғыны демультиплексор деп атайды. Аналогтық мультиплексорды қолданғанда мультиплексор мен демультиплексор арасында ешқандай айырмашылық болмайды да мұндай құрылғылар коммутаторлар деп аталуы мүмкін.
Мультиплексор операциясына кері операцияны, яғни жалғыз ақпараттық кірістен 2n-нің бір шығысына сигналды жөнелту жүзеге асырылады. Бұл шығыстың адресі n-разрядты екілік санды қабылдайтын адрестік кірістегі комбинациялық сигналмен анықталады. Осыған арнайы арналған демультиплексордың микросхемасы салынбайды.
Мультиплексорлар мен демультиплексорлар логикалық сигналдардың ауыстырылып қосылу функциясын орындайды. Мультиплексорда тек жалғыз шығыс бір кіріске қосыла алады, сонымен қатар қосылатын кірістің нөмірі мультиплексормен екілік кодпен беріледі.
Демультиплексор функционалдық жағынан мультиплексорға қарама-қарсы. Мұнда жалғыз кірістегі ақпарат шығыстардың біреуіне екілік код арқылы беріледі.
1. Мультиплексорлар
1. 1. Жалпы мағлұмат
Мультиплексор деп бірнеше кірісті бір шығысқа қосуға мүмкіндік беретін құрылғыны айтады. Қарапайым түрде мұндай байланысты кілттің көмегімен жасауға болады (сурет-1) .
 
1-сурет. Кілтпен жиналған коммутатор (мультиплексор)
Мұндай коммутатор аналогты және сандық сигналдармен жақсы жұмыс жасайды. Бірақ механикалық кілтпен жұмыс жасау жылдамдығы аздау, оған қоса кілтті басқару басқа қосымша схемамен автоматты түрде орындалады.
Сандық схемаларда кілттерді басқару үшін логикалық деңгейлердің көмегі қажет. Яғни, сандық сигналды электрлік басқаратын электронды кілт функциясы орындалады.
Мультиплексор байланыс желісінде, телекоммуникацияда, электроникада көптеп қолданылатын құрылғы. Байланыс желісінде мультиплексор бір желі бойымен бір уақытта бірнеше мәліметтер тарату үшін қолданылады. Телекоммуникацияда мультиплексордың көмегімен дәл осындай қызметтер атқарылады, яғни бір арна бойынша бір уақытта бірнеше мәліметтер.
Электроникада мультиплексор бірнеше кірмесі және бір шықпасы бар, сандық команда арқылы жұмыс атқаратын компонентті айтамыз. Сонымен мультиплексор дегеніміз бірнеше сигналдық кірмесі және бір шықпасы бар құрылғы. Осы бірнеше кірме арқылы берілген сигнал мультиплексордың шықпасы арқыла таратылады. [2, 10]
Аналогты және сандық мультиплексорларды атап өтуге болады. Бұлардың айырмашылығы жұмыс істеу принципінде болып табылады. Аналогты мультиплексорлар кіріс пен шықпаны электрлік байланыстырады. Ал сандық мультиплексорларда кіріс пен щшықпаның арасында электрлік байланыс болмайды. Сандық мультиплексорлар шықпасына сигналды ноль және бір сандарының жиынтығы түрінде таратады. Аналогы мультиплексорларды көбіне кілттер деп те атайды.
Осы жұмыс барысында сандық мультиплексорлар қарастырылатын болғандықтан, келесі тақырыптарда толығырақ түсініктеме беріледі. Ал осы мультиплексорларға қарама-қарсы жұмыс атқаратын немесе құрылысы жағынан керісінше болып келетін компонентті демультиплексорлар деп атайды. Төмендегі 1-суретте мультиплексордың сұлбасы көрсетілген. Ал екінші суретте мультиплексорлардың жалпылама сұлбасы берілген. Екінші суретте Хі логикалық кіріс сигналдары коммутатордың кірмесіне беріліп, коммутатор арқылы У шықпасына берілетіні көрініп тұр. Суреттегі мультиплексорда Е деп белгіленген қосымша кірісі берілген.
 
1-сурет. Мультиплексордың сұлбасы.
 
2-сурет. Мультиплексордың жалпылама сұлбасы
Жоғарыда атап өткендей мультиплексорлар байланыс желісінде, телекоммуникацияда, электроникада қолданылады. Сонымен қатар мультиплексорлардың тағы басқада қызметтері бар. Атап өтетін болсақ мультиплексорлар жиілікті ажыратқыштарда, триггерлік құрылғыларда қолданылады.
Мультиплексорлар көбіне параллель екілік кодтарды тізбектей екілік кодтарға түрлендіру үшін қолданылады. Мұндай түрлендіру үшін мультиплексорлардың ақпараттық кірмесіне параллель екілік кодтарды беру жеткілікті.
1 . Симплексті және дуплексті мультиплексорлар
Симплексті мультиплексорлар видиокөріністерді түрлендіреді немесе көруге мүмкіндік береді. Бұл мультиплексорлармен осы екі функцияны бір мезгілде (яғни түрлендіруге және көруге) орындауға болмайды.
2. Дуплексті мультиплексорлар осы екі функцияныда бір мезгілде атқарады. Мұндай дуплексті мультиплексорларда екі мультиплексор орнатылады.
 
3-сурет. Дуплексті мультиплексорлардың сырт бейнесі
3. Желілік мультиплексорлар. Қазіргі күндері желіге қосылатын мультиплексорлар шығарылып жатыр. Қазіргі желілік мультиплексорларда желілік карталар болады, сол арқылы локальдық желіге 20 операторға дейін бір уақытта қосыла алады. Осы мультиплексорлар негізінен видеоқадағалау (видеонаблюдение) 4-суретте осы желілік мультиплексорлардың бейнесі көрсетілген.
 
4-сурет. Желілік мультиплексорлардың сұлбасы
1. 2. Мультиплексорларды ТТЛ элементінде тұрғызудың ерекшеліктері
Электрондық кілт ретінде бізге бұрыннан таныс логикалық элементпен жұмыс жасатып көрейік. «ЖӘНЕ» логикалық элементінің ақиқат кестесін қарастырайық (1-кесте) . Сонымен қатар «ЖӘНЕ» логикалық элементінің кірістерінен электрондық кілттің ақпараттық кілті ретінде, ал басқа кірісін басқарушы ретінде қарастырамыз. «ЖӘНЕ» логикалық элементінің екі кірісі де эквивалентті, яғни екеуінің қайсысы басқарушы болатыны маңызды емес.
X кірісі басқарушы болсын, ал Y - ақпараттық. Талдау жеңіл болу үшін ақиқат кестені Х басқарушы кірісіндегі логикалық сигналға байланысты екі бөлікке бөлейік.
Кесте - 1. «ЖӘНЕ» логикалық элементінің ақиқат кестесі
Кестеде ақиқаттылықы анық көрініп тұр. Басқарушы Х кірісіне әзірге нөлдік логикалық деңгейі берілмей, Y кірісіне берілген сигнал Out шығысымен өтпейді. Бақарушы Х кірісіне логикалық бір берілгеннен кейін Y кірісіне келетін сигналдар Out шығысында көрінеді. [3, 21]
Бұл «ЖӘНЕ» логикалық элементін электронды кілт ретінде қолдануға болатынын көрсетеді. Сонымен қатар кіріс басқаушы не ақпараттық екеніне байланыссыз тек «ЖӘНЕ» элементтерінің шығысын бір шығысына біріктіру керек. Бұл «НЕМЕСЕ» элементінің көмегімен жүзеге асады. Логикалық деңгейлерді басқаратын коммутатор схемасы суретте көрсетілген (2-сурет) .
 
2-сурет. Логикалық элементте орындалған мультиплексордың принципті схемасы.
1 және 2-сурет схемасында бір уақытта бірнеше кірісті бір шығысқы қосуға болатыны көрсетілген. Бірақта бұл қиын жағдайға әкелуі мүмкін. Сонымен қатар мұндай коммуторды басқару үшін көп кіріс керек болады, сондықтан мультиплексордың құрамына суретте көрсетілгендей екілік дешифратор кіреді (3-сурет) . Бұл ақпараттық кірістердің ауысуын басқару кірісімен берілетін екілік код көмегімен басқаруға мүмкіндік береді. Мұндай схемадағы ақпараттық кірістердің саны екі санының қысқа дәрежесімен таңдалады.
 
3-сурет. Екілік кодпен басқарылатын мультиплексордың принципті схемасы.
Екілік басқару 4-кірісті мультиплексордың шартты графикалық белгіленуі 4-суретте көрсетілген. A0 және A1 кірістері мультиплексордың Y шығысымен байланысатын кіріс сигнал адрестерін мультиплексордың басқарушы кірістері болып табылады. Шығыс сигналдарының X0 , X1 , X2 және X3 белгіленеді.
 
4-сурет. Төрт кірісті мультиплексордың шартты белгіленуі
Шартт графикалық белгілеуде A , B , C және D ақпараттық кірістері X0 , X1 , X2 және X3 атауларымен өзгертілген, ал Out шығыс аты Y атауымен өзгертілген. Кіріс пен шығыстың мұндай атаулары отандық кітаптарда кең тараған. Кіріс адрестері A0 және A1 деп белгіленген.
1. 3. Мультиплексорларды КМОЖ элементтерінде құру ерекшеліктері
КМОЖ логикалық эелементімен жұмыс жасағанда электронды кілттерді бір немесе екі МОЖ транзисторларынан алуға болады, сондықтан КМОЖ схемаларында "ЖӘНЕ" логикалық элементі электронды кілт ретінде қолданылмайды. МОЖ комплементарлы транзисторында орындалған электронды кілттің схемасы 5-суретте көрсетілген.
 
5-сурет. МОЖ транзисторында орындалған электронды кілттің схемасы
Мұндай кілт сандық және аналогтық сигнал ретінде коммутациялана алады. Ашық транзисторлардың қарсылығы ондаған Омды құрайды, ал жабық транзисторлардікі одан да көп. Мұның артықшылығы да кемшілігі де бар. МОЖ транзисторында жиналған кілт қарапайым логикалық элемент емес, ол 1-суретте келтірілген электрондық кілттердің шығысын дәл қосуға мүмкіндік береді. Бұл құрылғы схемасын біршама жеңілдетеді.
Сонымен қатар МОЖ мультиплексоры аналогты сигналдарды коммутациялау үшін де қолданылуы мүмкін. Тек схема қарсы қысымды көтермейтінін есте ұстаған жөн. Бұл аналогты сигналдар үшін аралас схеманы қолдану керек дегенді білдіреді. [4, 45]
Сонымен қатар мұндай кілтте жиналған мультиплексормен жұмыс жасағанда оның кірісі мен шығысына логикалық элеенттерді қою керек болады. Тек осы жағдайда сандық схема толық дұрыс жұмыс жасайтын болады. Көп жағдайда бұл шарт автоматты түрде орындалады.
Енді мультиплексордың шығысына тек бір кіріс сигналын қосуға болатынын еске түсірейік. ТТЛ схемасындағыдай электронды кілттерді екілік кодпен басқару үшін мультиплексор құрамына дешифратор кірістіріледі. Мұндай мультиплексордың схемасы 6-суретте көрсетілген.
 
6-сурет. Екілік кодпен басқарылатын мультиплексор.
Мультиплексордың шартта графикалық белгіленуі микросхеманы дайындау әдісіне тәуелді емес, яғни КМОЖ мультиплексоры дәл 4-суреттегідей белгіленеді. [10, 86]
Отандық микросхемаларда мультиплексорлар КП әріпімен белгіленеді. Мысалы, К1533КП2 микросхемасы КМОЖ технологиясымен орындалған екі еселенген төрт каналды мультиплексор болып табылады.
1. 4. Мультиплексорлар. Микросхемалар мысалдары
К176КТ1, К561КТЗ, КР1561КТЗ (7-сурет) микросхемаларында төртаналогты кілттері бар. Әрбір кілтте үш шығысы бар - екеуі ақпараттық А мен В және бір басқарушы С . С кірісіне логикалық 0 берелігнеде ақпараттық шығыстар өзара жабылып, арасындағы ток 2 мкА-ден аспайды. Логикалық 1 берілгенде С кірісіне кілт қарсылығы бірнеше жүздеген Омға кемиді. Бұл қарсылық сызықты және ақпараттық шығыстардың қысымына баланысты. Максимальды қарсылық кілтте көрсетілген қысымда болады.
2-кестеде ашық кілтке қысымның өзгерісіндегі әртүрлі қорек қысымында минимальды және максимальды қарсылықтың мәні көрсетілген.
2-кесте.
- Іс жүргізу
- Автоматтандыру, Техника
- Алғашқы әскери дайындық
- Астрономия
- Ауыл шаруашылығы
- Банк ісі
- Бизнесті бағалау
- Биология
- Бухгалтерлік іс
- Валеология
- Ветеринария
- География
- Геология, Геофизика, Геодезия
- Дін
- Ет, сүт, шарап өнімдері
- Жалпы тарих
- Жер кадастрі, Жылжымайтын мүлік
- Журналистика
- Информатика
- Кеден ісі
- Маркетинг
- Математика, Геометрия
- Медицина
- Мемлекеттік басқару
- Менеджмент
- Мұнай, Газ
- Мұрағат ісі
- Мәдениеттану
- ОБЖ (Основы безопасности жизнедеятельности)
- Педагогика
- Полиграфия
- Психология
- Салық
- Саясаттану
- Сақтандыру
- Сертификаттау, стандарттау
- Социология, Демография
- Спорт
- Статистика
- Тілтану, Филология
- Тарихи тұлғалар
- Тау-кен ісі
- Транспорт
- Туризм
- Физика
- Философия
- Халықаралық қатынастар
- Химия
- Экология, Қоршаған ортаны қорғау
- Экономика
- Экономикалық география
- Электротехника
- Қазақстан тарихы
- Қаржы
- Құрылыс
- Құқық, Криминалистика
- Әдебиет
- Өнер, музыка
- Өнеркәсіп, Өндіріс
Қазақ тілінде жазылған рефераттар, курстық жұмыстар, дипломдық жұмыстар бойынша біздің қор #1 болып табылады.
 
            
                Ақпарат
Қосымша
Email: info@stud.kz