Автоматты жүйенің температуралық реттегіш режимі


Жұмыс түрі: Курстық жұмыс
Тегін: Антиплагиат
Көлемі: 24 бет
Таңдаулыға:
Мазмұны
Кіріспе
1. Температура өлшеу және бақылау үшін приборларды орнату.
1. 1 Негізгі түсініктер мен анықтамалар
1. 2 Өлшеу
2. Монтаждық приборларды қабырғаға орнату.
3. Щитті және басқару пульттерді монтаждау
4. Электрмонтаждау байланыс желісі
4. 1 Байланыс желісі қарсылық термометрлер - орта құрылғы
4. 2 Байланыс желісі электр түрлендіргіш - орта құрылғы
5. Жалпы ережелер
6. Дифференциалдық манометр деңгейі
6. 1 Сұйық деңгейі манометр деңгейдегі өлшем бірліктері өлшеу схемасы
13. Қортынды
14. Қолданылған әдебиеттер
Кіріспе
Мен курстық жұмысымда температура өлшеу және бақылау үшін приборларды орнату, монтаждық приборларды орнату, щитті және басқару монтаждауды түсіндіріледі. Жалпы жағдайда өлшеудің атауы процесс деп, өлшенген физикалық құндылығы және мағынаның арасындағы эксперименттік анықтау қабылдаудан тұратын, бірлік ретінде қабылданған. Бұл приборлардың датчиктерді немесе сезімтал элементтерді анықтау өте маңызы зор.
Датчик бөлме кез келген температурасында ең тән бар жерде және жылу көзі тікелей орнатылуы тиіс. Жалпы білім деңгейіне мемлекеттік талап студенттердің оқу кезінің бітіру кезіндегі тапсыратын курстық жұмысын қажетті деңгейін анықтайды. Колледж түлектерінің дайындық деңгейі мемлекеттік стандарт тағайындаған талаптардан төмен болмауы тиіс. Бұл деңгейлерге жету білім ұйымдарының алға қойған мақсаттарға жетуінің куәсі болып табылады. Жалпы білім беретін оқу орындары студенттердің дайындығына қойылатын міндетті денгейін анықтайды.
Осы курстық жұмысын алғанда, оқу-тәрбие үрдісін ұйымдастырудың сан түрлі әдіс-тәсілдерін іздестіру, жаңа технологияларды тиімді пайдаланудың маңызы ерекше.
- Температура өлшеу және бақылау үшін құрылғыларды орнату.
1. 1 Негізгі түсініктер мен анықтамалар
Температура мен температуралық шкаласы. Қыздыру дәрежесі, немесе жылулық деңдейі, қатты денені, сұйық немесе газ тәріздес орта температураны сипаттап және бірдей дәрежесімен қыздырудың түрлі дәрежеде басқа жылу беруге және тепе-теңдік күйде болу үшін дене қабілетіне негізделген. Жылу дәрежесі бұл құбылыс қыздыру дәрежесі әртүрлі органдары арасындағы жылу алмасуы, сондай-ақ температураны өлшеу құрылғылары физикалық денені қасиеттерін өзгертіп қыздырған кезде жұмыс істеу принципі және негізгі құрал болып саналады.
Бұл құрылғылар процесс параметрлерін бақылау құралдарының ең көп тараған тобы болып табылады. Температура бақылау әдістері, механикалық, жылулық, электрлік, радиациялық және т. б. бөлінеді.
Температура өлшеу приборлары жұмыс принципіне байланысты мынадай топтарға бөлінеді;
1) Кеңейту термометрлер, қатты денелердің сызықтық өлшемдері температура өзгерістер немесе сұйық көлемінің өзгеруіне негізделеді;
2) Манометрлік термометр, тұрақты көлемі заттар температура өзгерген кезде қысымның өзгеруіне негізделеді;
3) Кедергілік термотүрлендіргіш, электр кедергісі жолсеріктер өлшеу және жартылай температураның өзгеруіне негізделеді;
4) Термоэлектрлік түрлендіргіштер, термопара температурасы термоэлектрқозғалыс күш өзгеруіне негізделеді;
5) Пирометрлік сәулелік, олардың ең көп таралғаны: а) оптикалық, жылытылатын дененің монохроматикалық сәуле қарқындылығын өлшеуге негізделген; б) түсі (спектрлік коэффициенті пирометр), дененің жылулық сәуле спектрлік энергия бөлу өлшеуге негізделген; в) радиялық, сәуле қуатты қызған дененің өлшеуге негізделген.
1. 2 Өлшеу. Жалпы жағдайда өлшеудің атауы процесс деп, өлшенген физикалық құндылығы және мағынаның арасындағы эксперименттік анықтау қабылдаудан тұратын, бірлік ретінде қабылданған. Температура өлшеу екі негізгі түрге бөлуге болады; тікелей және жанама.
Градустағы жылуды тікелей өлшеу қажетті температура көмегімен оның өлшейтін тікелей өлшеу арқылы алынған, мысалы термометр кеңейту температурасын өлшеу.
Жанама өлшеу нәтижесі бір немесе бірнеше өлшеу мағынасы тікелей өлшеу тәжірибелік деректер негізінде алынған кезде, қажетті аумақпен байланысты теңдеу бойынша анықталады. Мысалы температура өлшеу термотүрлендіргішпен ретінде, электр кедергісі әрекеттері өзгерту заттар температура қасиеттері негізделген. Кедергі температуралық тәуелділігі біле отырып, ол орта температурасын айтуға өзгертуге болады. Бұл тәуелділік мысалы мыс үшін термотүрлендіргіш кедергісіне, формула бойынша көрсетілген
онда, Rt, Rg - қарсыласу термометрі мен температураның t тиісінше 0 ° C; OS - қарсылық температуралық коэффициент.
Жанама өлшеу нәтижесі ғана өлшеу жүйесі ретінде белгілі, техникалық жабдықтардың бүкіл ауқымын пайдалана отырып, алу кезінде мүмкін болады. Өлшеу жүйесін мақсаттары мен міндеттеріне байланысты Б сериясы немесе параллель қосылған түрлендіргіштердің, байланыс арналары және өлшеу құрылғылардың тізбегі ретінде орындайды.
Таратқыштар, орта құрылғылар өлшеу үшін пайдаланылатын техникалық құралдар, өлшеу құралдарын деп аталады. Сонымен өлшеу құралы түрлі айнымалы мәндерді анықтау үшін пайдаланылуы мүмкін. Мысалы, онда түрлендіргіштен түріне байланысты вольтметр, штамм, температурасын және газ құрамын және т. б. өлшеуге болады.
Приборларын өлшеу, қайта өңдеу және одан әрі өңдеу үшін жарамды түрінде сигнал өлшеу ақпаратты генерациялау үшін арналған, бірақ тікелей қабылдау бақылаушы өлшеу, таратқыш деп аталады. орта өлшенген және өлшеу тізбегінде бірінші болып табылатын таратқыш, (датчигі, сезгіш элементті) түрлендіргіш деп аталады.
Жеткізуші датчиктер өлшеу құралы (екінші) өлшеу деректерін қашықтан беру үшін жобалау, бақылаушының тікелей қабылдау қол жетімді түрінде (оператор) сигнал болып шығарады.
Приборы, бастапқы таратқыштың немесе таратқыштың сигнал қабылдайды және оқу приборын пайдаланып ыңғайлы нысанда білдіру, орта түрлендіргіш деп аталады. Құралды көрсететін өлшеу ақпарат, мысалы, түрінде көрсетілген орында атқаратын, таңбаларға қатысты прибор. Масштабтау сызық және саны дәйекті құндылықтарды сериясы тиісті сандар немесе басқа да символдар айналасында, олардың кейбіреулері орналастыру ұйымдастырған таңбалар жиынтығы болып табылады. Дисплей ауқымын орнатылған әрбір метр үшін - шкала диапазоны, оның бастапқы және соңғы мәндерін шектелді. Жазу құралына өлшеу ақпарат (жазу құралдарымен) үздіксіз қисық ретінде немесе белгілі бір аралығы (басып шығару приборы) бойынша диаграмма таспаны басылған сандық кодтары түрінде ұсынылған.
Арналарын беру датчиктер және орталық басқару панельіндегі орнатылуы орта приборларды қосу үшін пайдаланылатын (желі) қосылу. Қосымша өлшеу сыртқы әсерлерге қарсы энергия өлшеу мен қорғауды қамтамасыз етуге арналған жүйе, ішкі тиеу және тағы басқалар.
- Монтаждық приборларды қабырғаға орнату.
Температура өлшеу приборлары, бөлмелерде қабырғасында орнатылған, камералық приборлар болып табылады. Мұндай бөлмеде салыстырмалы төмен ауа айналымын приборларылардың орнатып, онда ауаның айналуы жетіспейтін жерде, мұндай приборлар орнатылмайды. Қабырғада құрылғының кем дегенде қашықтық SOTO мм болуға тиіс.
Бұл бөлмеде құрылғылардың датчиктерді немесе сезімтал элементтерді орнын анықтау өте маңызды болып табылады. Датчик бөлме кез келген температурасында ең тән бар жерде және жылу көзі тікелей орнатылуы тиіс.
Құрылғылар мен олардың қосылу конструкциялық өлшемдерінің құрылыс өте әр түрлі, және бұл олардың кең біріздендіру конструкциялары дизайнын қондыруға мүмкіндік бермейді. Алайда, жақтауларға және жақшаның түрінде жасалған типтік конструкцияларын санын монтаждаушылар, құралдардың ең көп тараған топтардың әзірленді және тәжірибеде кеңінен қолданылады. Негізінде, бір-біріне осы үлгі рамалары және жақшаға айырмашылығы жоқ.
Жақтау мен жақшасыз байланыстыратын приборлары өлшеміне байланысты жеке бөліктерінің әр түрлі өлшемдері мен конструкциялар болып табылады. Мұндай TCM-010 TCM-020 ТСМ-100, сондай-монометриялық термометрлер (TPG, TPG, СӨП) үлкен тобы орнату жақтау мен кеңінен қолданылады жартылай өткізгіш сериясы СТР және датчиктерді және құрылғылар орнату үшін кронштейн болды: дизайн тән түрлерінің екі қарастырайық, SCI-200, DTKB, TP және СТР т. д.
Сурет. 7. 7 Қабырғаға орнату фрейм: Y - перфорацияланған бұрышы; 2 - тесілген жолақтар; - Жерге арналған бұрандалы; 5 - бекіткіш
Типтік жақтау құрылыс суретте көрсетілген. 7. 7. бұрыш және перфорация: Рама перфорацияланған өнімдерін құрайды. Оларды қолдану қосылу түрлі өлшемдері қарамастан, бұл мүмкіндік береді, Перфорацияның жақтауда жолақ ұстанымын өзгерту және пайдалану арқылы құрылғылардың үлкен тобы қондырылған жақтап, түрлі байланыс өлшемдеріне қарамастан бұл мүмкіндік береді.
Жетекті құралын нөлге шкант жасалған кірпіш (нақты) қабырғаға жақтауын монтаждау. Осы мақсат үшін, жақтаудың жақшасы бар. Жақша дәнекерлеу жобалау металл қабырғаға немесе жақтауды қамтамасыз етеді. Мысал суретте көрсетілген.
Сурет. 7. 8. монтаждау калибрлі термометр TBC-4: 1 - термометр; 2 - жақтау; I - белгі үшін жақтау; 4-6 - бекіткіш.
- Щитті және басқару пульттерді монтаждау
Жобалау қалқан ерекшеліктері, приборлары өздері пульттерді, және қауіпсіздік талаптары, орналастырғанда тақталармен және консоль температура өлшеу құрылғылары оңай техникалық қызмет көрсету үшін мүмкіндік береді. Мысалы, электр приборлардың қақпақтарын ашу тегін қамтамасыз ету үшін беретін және бастапқы түрлендіргіштермен желілерін біріктіру, құрал тұрғын үй арасындағы ең жақын қашықтық ұстануы тиіс. Тақталар ішінде орналастыру және өнімдер мен конструкцияларын қашықтан орнату кезінде, немесе алдыңғы панеліндегі қашықтықтан орнатылған, пакеттер (топтамалар) сымдар, кабельдерді және т. б. бекітуге арналған құрылғы, мөлшері ішке аспаптар және аппараттар қарастыру қажет. пакеттерді сымдар (байланыстарын), бекіту үшін кабель прибор мен қашықтан орнату кезінде. .
Орналастыру приборлары. Орналастырғанда прибордың кеңінен арасында қажетті қашықтықты ескере отырып, жобалау ережелері қолданылады. Бұл қалыпты төменгі ғимараттар приборлары арасындағы қашықтық, сондай-ақ қалқаны бүйір қабырғалары немесе қашықтан басқару құралындағы құрылғылар болып табылады. Қалыпты жылы приборлары шоғырландырылған тобын орындауға біріктіріледі. Приборлары мен приборларыдың үш топқа қалқан бүйір қабырғалары арасындағы рұқсат етілген қашықтық көрсетеді.
1-топ жазу және нормативтік MSM2 көпірлер, MSMR2, МС1, MSR1, EVM2 көрсететін жатқызылған; PSMR2, PS1 PSR1, EPV2, өзін-өзі жазуды және өзін-өзі реттейтін потенциометры PMS2 көрсетіледі; орта құрылғылар DSM2, DSMR2, DS1, DSR1, EPV2
2-топ тағайындалған көпірлер KPM1, KSM-1, MP4, MPR4, KSM-2, KSM-3; резисторы айнымалы KPP1, KSP1, S4, PPR4, ПХД-2, SPC-3; орта құрылғылар KPU1, KSU1, БА4, DPR4, КСД-2. КСД-3.
3 тағайындалған RPIB электрондық бақылау тобы, түзету приборлары KPI, DL-T-R DL айырмашылығы.
Электр сымын тақталар және контроллер сияқты ПВХ, металл сияқты жабық құбырлар, дестелер (қатпарлану) NLI ашылады. Өлшеу арқылы бір қорапта жалпы бумада немесе сызықтарына азық-түлік тізбегі, бақылау және дабыл тізбектердің біріктіруге жол берiлмейдi. Түрлі мақсаттарға арналған бірлескен төсеу схемалар айтарлықтай өлшеу нәтижелерін бұрмалайды тізбек өлшеу электр шу туындатады. Өндіруші - төсеу сияқты тізбектер зауыттың нұсқауларына сәйкес өндіріледі. Өсімдіктер жоқ белгілері бар барлық жағдайларда, өлшеу схемасы бөлек қалқан (консоль) төселген керек.
Электр сымын өлшеу тізбектері тақталар және консольдер оқшауланған мыс сым орындайды. Приборларыға электромонтажды орнату Тақталар мен панельдерді стационарлық бөліктерінде орнатылған, сымдар брендін MF және жылжымалы элементтер орнатылған приборларыға орамалардың орнатуды бойынша жүк тасымалдары Немесе сплит (ашасы) қосылымдарын бар (есіктер, жиектемелер, сондықтан бұрап Н. . ) - Икемді сым PGV брендтер мен PMVG. Техникалық негізделген жағдайларда, сымдар басқа маркалы пайдаланылуы мүмкін.
- Электрмонтаждау байланыс желісі.
Температураны өлшеу жүйесінде орта приборлары бастапқы температура түрлендіргіштер қосылу үшін сымын бақылау кабельдерін, орнату және термобу сымдарды орындайды. Арнайы қорытпалар жасалған өзегі бар мыс өткізгіштер мен термобу сымдармен кабельдер - орта приборлар термобу қарсылық байланыстыратын тізбектерінің жылы тізбектер термоэлектрлік түрлендіргіштердің кабельдерді, және монтаждау мыс өткізгіштер қолданылады.
Құрылғы температурасы датчиктерді электр байланыс, сондықтан мыс бақылау кабельдер, сымдар және орнату орындау нақты автоматтандыру жүйелерінің талаптарын байланысты және алюминий өткізгіштер (Жарылғыш, тұтанғыштық және т. б. ) .
Температураны өлшеу тізбегінде сымдар мен кабельдер негізгі қимасы олардың электр кедергісі және механикалық беріктігі талаптарына негізделіп таңдалады. Ауқымды блок көрсетілген сыртқы байланыс желісі қарсылық құны анықталады 2, 5 мм - іс жүзінде, температура өлшеу тізбектерін монтаждау сымдар мен кабельдер әдетте қимасының диапазоны 0, 75 жатқан бар.
- Байланыс желісі қарсылық термометрлер - орта құрылғы.
Байланыс желісі термотүрлендіргіш - орта құрылғы. Орта құрылғы жиі термотүрлендіргіш айтарлықтай қашықтықта орналасқан нақты өлшеу жүйесінің тұрғысынан байланысады. Қоршаған ортаның температурасы өзгерсе байланыс желісінің кедергісі. Пайдаланылатын температура өлшеу нәтижелері құбылмалылығы сүйреу байланыс әсерін шектеу үшін:
а) Магнийлі реттелетін катушкалар пайдаланып белгілі бір атаулы қарсылық желісі байланысты алып, құрылғыны немесе қысқышты ауысу кіреді;
б) Термопары қарсылық қосу үш сымды сілтемесін пайдалана отырып, тізбек өлшеу.
Орта құрылғы қарсылық (5 немесе 15 Ом) сілтеме үшін онда ол оның шкала бойынша беріледі. Ол әрқашан өткізгіштер сілтеме өлшемін және ұзындығын анықтау кезінде ескеру керек.
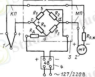
Термобуы температура екі немесе үш сымды жүйесіне арналған орта приборларымен байланысты. Екі сымды (сур. 7. 12, а) тұрақты температурада пайдаланылады. Сым (минус) қоректендіру жоғарғы қосылған жабдықталған коммутациялық терминалдың катушкалар орнатылған.
Үш сымды схемасы (сур. 7. 12, б) егер пайдаланылса, төсеу жерлерде температура сияқты ашық қондырғылар ретінде сілтемені өзгереді. Сонымен қатар мен қарсылық желісі тең өзгеруіне кезде көпір байланысты тепе және сондықтан оқулары ЛГ әсер етпейді.
Сурет. 7. 12. Екі сымды (а) және үш сымды (б) бірігу ішінде: ЛГ - логометр; TC - Термотүрлендіргіштер; ЭЖ - электрмен жабдықтау; - Анықтама резистор; Г - қарсылық база; реттелетін катушкалар.
Оның фитингтер катушкалар бірге логометрі бар термобуды байланыстыратын сымдардың әрбір үш сымды кедергісі жарты желісі қарсылық тең болуы тиіс кезде, яғни, приборының шкаласы бойынша көрсетілген E. 2, 5 немесе 7, 5 Ом.
- Байланыс желісі электр түрлендіргіш - орта құрылғы.
Осы сілтемені пайдалану үшін (сур. 7. 13, а) сыртқы контурын қарсылық мәні, сондай-ақ температура өлшеу нәтижесінде үлкен әсер етеді. сыртқы контурын кедергісі милливолтьметр пирометрлер қарсылық термопары 5 құрады (сур. 7. 13, 6), қарсылық термопара сымдар 6 және термоэлектрлік қарсылық.
Сурет. 7. 13. Термоэлектрлік тізбек (а) тізбек коммутациялық және термопара сымдар (б) :
Әр түрлі металдар немесе құймалар Және I B ~ өткізгіштер; 1 - термопары жұмыс аяқталуы; 2 - термопары тегін аяқталуы; 3, 4 - қорытындылар; Термопара - 5 6 - термопара сым; 7- мыс сым; 8 - прибортродты сым 7 және катушкалар кедергісі фитингтер өлшеу. Реттелетін катушкалар? Н. К. магниилі сым милливольт бағаланады болатын нүктеге дейін сыртқы кедергісі РБ «жалпы мәні сай қорғасын сымдар бірін қамтиды. Әр түрлі ұзындығы бұтақтары тиісті құрылғыны таңдауға мүмкіндік береді 5, 15 немесе 25 Ом тең әдетте реттеген милливолтьметр. Сурет. 7. 13, 6 Байланыс желісі арқылы барлық термопара сымдар қолданылды милливолтьметр бар термобуы байланысын көрсететін диаграмма. Бұрын айтылғандай, бұл әдіс айтарлықтай қолмен мезгіл милливолтьметр оқу түзету жүзеге асыруға қажетінше кемшілігі, сондай-ақ сілтеме пайдалану қымбат термопара сымдар бойы бар. Авто үшін көпір схемасын қолданған кезде - тек өтемақы тығын үшін есеп суық Юнион температура шамдарды сым дұрыс Йеого, сол жерден өлшеу құралы 8 сымдар іске қосуға болады. Мыс; өткізгіштер тізбек қуат -. U диаграмманы (сур. 7. 14), егжей тегжейлі өлшеу тізбегінде өтемақы терезесінде «енгізу қарастырайық термометрлер 1 теңгерімсіз көпір сериясы байланысты, үш (R, , және DS) магнийлі жасалған, және төртінші қол JR. тұрақты ток көзі. Сондықтан реттеу үшін қызмет ететін қажетті мәнге кернеу көрейік. Қарсылық тұрақты кернеуі электр өзгерген кезде термопар түрлі үлгерімнің бірге пайдалану үшін көпір реттеуге болады. Құрылымы теңгерімсіз көпір өтемақы терезесінде түрінде ұйымдастырылған. Қазіргі уақытта, өнеркәсіп бір-біріне мән сериясы резистор Р ерекшеленеді қорап CT 54 түрлі нұсқаларын шығарады.
Сурет. 7. 14. Өтемақы ЦиркуитТемператураны өлшеу тізбегінде қораптар: / - термопара; ; Милливольт - 2 5 - өтемақы қорап; 4 - қайнар көзі
Мысалы, суық торабы температура өсті. Демек, ыстық және суық түйіндердің арасында айырмашылық өтемақы қорап блок жоқ төмендеді температура төмен температураны көрсетеді еді. Сонымен өтемақы оқулары тиісінше өсті. Суық юнион температурасы құлап еді, онда өтемақы жоқ құрылғының жоғары температураны көрсетілген. Өтемақы арқылы оқулары тиісінше төмендейді.
Пайдаланылған құрылғылар санын сақтау үшін кеңінен көп нүкте температурасын өлшеу тізбек пайдаланылады. Мысал ретінде, сур. 7. 15 қарсылық термометрлері R, ,, R, 2 және R үш нүктесінің температурасы өлшеу диаграмманы, , мен логотиптері метрлік LH электрмен жабдықтау SV-4. Мұндай схема тізбектерді ауысу үшін пайдаланылады П. қарсылық приборларының анықтамалық нүктесін тексеру үшін пайдаланылады ауысады.
Әр түрлі мақсаттар үшін бірлескен төсеу байланыс желілері. Температура жалпы және, атап айтқанда, байланыс желілері, өлшеу жүйелерін орнату үшін әдісін мен шарттарын анықтау маңызды фактор, түрлі мақсаттарға арналған бірлескен қалау желілерін мүмкіндігі шарты болып табылады. Өнеркәсіптік желілері мен құралдарының өздерін үнемі әсер ұшырайды, электр шу жоғары энергия көздерін, өлшеу жүйелерін нәтижесінде қосымша қатені және әр түрлі ақаулықтарды бар. Бұл бірлескен кабель және электр тізбектерінің әсіресе дұрыс болып табылады. Сондықтан, өлшеу электр тізбектері әсер болдырмау үшін, оны кеңістікке қажет, олар параллель сілтеме болып табылады, атап айтқанда, бөлу, бүкіл. Электр желілері мен өлшеу арасындағы ең төменгі қашықтық электр желісінің электр параметрлеріне байланысты.
Сурет. 7. 15. Көпнүктелі қосқыш арқылы бірнеше ұпай бір логометрмен температураны өлшеу схемасы
Мысалы, егер 125 В электр желісінің кернеуі және электр желілері арасында 10 ағымдағы ең төменгі қашықтық және 30 кернеу Ари ірі құндылықтар мен ағымдағы, бұл қашықтық артып өлшеу. Бір кабель немесе сым бірлескен төсеу электр және өлшеу схемалар жол берілмейді жинақталған. Егер олардың арасындағы қашықтық кемінде 30 см электр желілерін кесіп және өлшеу кезде, қиылысуы бұрышта орындалуы тиіс. Бір құбыр, арна жәшіктер, кабельді науаға сымдардың қатпарлану немесе әр түрлі мақсаттар үшін тізбектерді өлшеу бірлескен төсеу мүмкіндігі құралдарын немесе арнайы зерттеулер өлшеу өндірушілердің нұсқауларын негізінде анықталады.
Бірлескен ғана термопар тізбектерді өлшеу үшін шектеусіз рұқсат бір құбыр, кәбілдік немесе кабель төсеу және (немесе) логометрам, милливольтах, автоматты электрондық потенциометра, теңдестірілген көпір және бақылау приборларыларға қарсылық конвертер жатады. Төселіп өлшеу тізбектерін саны, сондай-ақ шектеулі емес.
- Жалпы ережелер
Осы бөлімде қолданылатын сирек приборларылар жоғары мамандандырылған мақсаты мен енгізілген жоқ. Материалдық деңгейін өлшеу сигнал және бақылау үшін ең техника орнату базалық құрылыстарды (ТҚК) пайдалана отырып, жүзеге асырылады (қойындысы. 10. 1) процесс кемелер мен танктерді орнатылған. Ұйымдастыру, монтаждалған технологиялық жабдық стандартты орнату сызбалары (TM) құрама базалық конструкциялары (қойындысы. 10. 2) орнату бойынша жұмыс істейді.
Дәнекерлеу танк орнатылған енгізілген жобалау. LC материал танк материалға сәйкес келуі тиіс. Толтыру құбырлар жерге жатыр. Құрылғының электрод коррозияға төзімді болаттан жасалған болуы тиіс. Бұл ZK арматура мен құбыр ауқымын нақты түрлерін қамтиды. Егер қажет болса, LC аталған басқа түрлері мен ассортиментін пайдалану құрылымдық моделі диаграммада ретінде пайдаланылуы мүмкін. LC элементтері, технологиялық ыдыстар орнатылған және деңгейін өлшеу үшін монтаж приборларға арналған аппарат суретте көрсетілген. 10. 1 және кесте. 10. 3 және 10. 4.
Ыдыстық приборларда орнатылған кезде приборлардың құрылғы сезімтал элементтерді қосатын, олардың өндірісіне орнатылған не тікелей, не өтпелі компоненттерін пайдалана отырып орнатылған. Сондықтан түрлі жақшаға пайдаланып ғимараттар элементтерінің қойындылар және бекітілген жеке аспаптар Н. (Cурет 10. 2 -. 10. 7. ) . Кронштейндер CP-9, KP-50 сезімтал элементтер ERSU-3 деңгейін бақылау үшін арналған; KP-54 - бастапқы түрлендіргіштер ПП-05, ПП-06 деңгейі қосқыш SU С; KP-55 - бастауыш түрлендіргіштер ПП-13, ПП-14 деңгейі қосқыш
Сурет. 10. 1. Дөңгелектер және флоат деңгейін монтаждау арналған фурнитура: МПа ZK4-100-74 а-PF-70 PN = 0, 6; 6-PD-1-PD-15 (кестені қараңыз 10. 3. ) . LC-106-74 бойынша; Электрондық-PD-1, ПД-3, ҚҚ-5, ПД-6, ПД-8, ҚҚ-10, ҚҚ-12 (. кестені қараңыз 10. 4) . ZK4-120-74 туралы; G - PF-2 ҚҚ-4, PD-7, ПД-9, ҚҚ-11, ҚҚ-13 ZK4-120-74; / -flanets; 2 - құбыр
- Іс жүргізу
- Автоматтандыру, Техника
- Алғашқы әскери дайындық
- Астрономия
- Ауыл шаруашылығы
- Банк ісі
- Бизнесті бағалау
- Биология
- Бухгалтерлік іс
- Валеология
- Ветеринария
- География
- Геология, Геофизика, Геодезия
- Дін
- Ет, сүт, шарап өнімдері
- Жалпы тарих
- Жер кадастрі, Жылжымайтын мүлік
- Журналистика
- Информатика
- Кеден ісі
- Маркетинг
- Математика, Геометрия
- Медицина
- Мемлекеттік басқару
- Менеджмент
- Мұнай, Газ
- Мұрағат ісі
- Мәдениеттану
- ОБЖ (Основы безопасности жизнедеятельности)
- Педагогика
- Полиграфия
- Психология
- Салық
- Саясаттану
- Сақтандыру
- Сертификаттау, стандарттау
- Социология, Демография
- Спорт
- Статистика
- Тілтану, Филология
- Тарихи тұлғалар
- Тау-кен ісі
- Транспорт
- Туризм
- Физика
- Философия
- Халықаралық қатынастар
- Химия
- Экология, Қоршаған ортаны қорғау
- Экономика
- Экономикалық география
- Электротехника
- Қазақстан тарихы
- Қаржы
- Құрылыс
- Құқық, Криминалистика
- Әдебиет
- Өнер, музыка
- Өнеркәсіп, Өндіріс
Қазақ тілінде жазылған рефераттар, курстық жұмыстар, дипломдық жұмыстар бойынша біздің қор #1 болып табылады.

Ақпарат
Қосымша
Email: info@stud.kz