Автоматты реттеу теориясының негізгі түсініктері

 
    
Кіріспе
Мұнай және газ өндіру кәсіпорындары бұл мрұнай және газды өндіру, сақтау, бірінші реттік дайындау және тасымалдауды іске асыратын техникалық обьектілер комплексі.
Технологиялық обьектілер үлкен аудандарда орналасуы, онда өтетін технологиялық обьектілерді және процесстерді алыстан басқарудың телемеханикалық жүйе және ұйымдастыру құрлымдарын енгізуге әкелді.
Мұнай және газ өндіру процестерін өнеркәсіптерде автоматтандыру деп мұнай мен газды промыслдан тұтынушыға адамның тікелей қатысуынсыз іске асыратын аспаптар, қондырғылар және машиналарды пайдаланып жеткізу. Өнеркәсіп процестерін автоматтандыру мұнай мен газды өндіру техникаларының өте жоғары деңгейде дамуы алдыңғы қатарлы технологияларды, жоғарыөнімді және сенімді жабдықтар қолданылуын талап етеді.
1 Жалпы бөлім
1. 1 Автоматты реттеу теориясының негізгі түсініктеріАвтоматты басқару жүйесі
Технологиялық процессті басқару деген ұғымның астарында технологиялық процессті қосу мен ажырату, қандай да бір процесс параметрін бастапқы деңгейде ұстау, белгіленген бағдарлама бойынша параметрді өзгерту және тағы сол сияқты мақсаттарды іске асыруға қажетті операциялардың жиынын түсінуге болады. Зерттеліп жатқан технологиялық процесс жүріп жатқан құрылғыны, машинаны, агрегатты басқару объектісі деп атайды. Басқару қолмен басқарылатын немесе автоматты болуы мүмкін. Қолмен басқарылатын жағдайда басқару операциясын адам жасайды, ал автоматты басқаруда басқарушы құрылғы жүргізеді. Басқару объектісі мен басқарушы құрылғы бірігіп автоматты басқару жүйесін (АБЖ) құрайды.
 Автоматты басқару жүйесінің жұмысына түрлі әрекеттер ықпал жасайды. Оларды кіріс ықпалдары, кіріс шамалары немесе жай ғана кірістер
  деп атайық.
 деп атайық.
 
1-сурет. Автоматты басқару жүйесі ұғымы
 Осы және өзге де дәрежеде процесстің сапасын сипаттайтын және кіріс шамаларының әсерінен өзгеріске ұшырайтын процесс параметрлерін шығыс шамалары немесе жай ғана шығыстар
  деп атайық. Шығыс шамаларының өзгеруінің берілген заңдылығын бұзатын кіріс ықпалдарын ауытқитын (возмущающий) ықпалдар немесе жай ғана ауытқулар (возмущение) деп атаймыз. Ауытқуды екі түрге бөлуге болады: жүктеме (
 
  Н
 
 ) және кедергі (
 
  П
 
 ) . Әдетте жүктеменің өзгеруі технологиялық процесспен келісілген, ал кедергілерді сыртқы жағдайдың өзгеруі (мысалы, қоршаған ортаның температурасы) немесе жүйенің жеке элементтерінің қасиеттері шақырады.
 деп атайық. Шығыс шамаларының өзгеруінің берілген заңдылығын бұзатын кіріс ықпалдарын ауытқитын (возмущающий) ықпалдар немесе жай ғана ауытқулар (возмущение) деп атаймыз. Ауытқуды екі түрге бөлуге болады: жүктеме (
 
  Н
 
 ) және кедергі (
 
  П
 
 ) . Әдетте жүктеменің өзгеруі технологиялық процесспен келісілген, ал кедергілерді сыртқы жағдайдың өзгеруі (мысалы, қоршаған ортаның температурасы) немесе жүйенің жеке элементтерінің қасиеттері шақырады.
Басқару объектісіне басқарушы құрылғының ықпалы басқарушы ықпал ( У ) деп аталады. Сонымен қатар ол кіріс ықпалына жатады.
Автоматты басқарудың түрлі жүйесін элементтер қатарына жіктеуге болады. Егер мұндай элементтердің кіріс шамасының өзгеруі шығыс шамасының өзгеруіне әсер етсе, ал осы кезде шығыс шамасының өзгеруі кіріс шамасының өзгеруіне әсер етпесе, онда мұндай элементті детектерлегіш немесе бағытталған әрекет элементі деп атайды. Әрі қарай тек детектерлегіш элементтерді қамтитын жүйелерді қарастырамыз.
Кері байланыстар
Автоматты басқару жүйесін құрған кезде кері байланыстарды кең қолданады. Мұндай байланыстарды табиғатта «өзін-өзі реттегіш» қасиет байқалатын кез-келген жерде кездестіруге болады. Кері байланыссыз тірі организмдердің тіршілік етуі мүмкін болмас еді. Ендеше адам ағзасында кеңістіктегі дененің дұрыс қалпы бүтін бір жүйемен қамтамасыз етіледі; вестибулярлы аппарат вертикальдан ауытқуын анықтайды және ауытқу туралы ақпараты бар нервтік импульстер ағынын мидың нервтік орталарына жібереді; алынған ақпарат мида өңделу нәтижесінде бұзылған тепе-теңдікті қалпына келтіретін және дененің қалпын өзгертетін бұлшықеттерге импульстер ағыны жіберіледі.
Дәл солай автоматты басқарудың техникалық жүйелерінде кері байланыс шығыс
шамасын кіріске жіберу жолымен жүзеге асырылады, бұл шығыс шамалары өзгерген кезде кіріске қажетті өзгертулер енгізуге мүмкіндік береді.
Кері байланысты сыртқы деп атайды, егер ол жүйенің шығысын жергілікті немесе ішкі кіріспен біріктірсе, егер ол жүйенің бір немес бір топ элементтерінің шығысын олардың кірісімен біріктірсе.
Егер жүйе элементінің шығыс шамасының оның кірісіне берілуі кіріс шамасының шығыс шамасына ықпалын күшейтсе, онда мұндай кері байланыс оң деп аталады.
Кері байланыс теріс деп аталады, егер жүйе элементінің шығыс шамасының оның кірісіне берілуі кіріс шамасының шығыс шамасына ықпалын бәсеңдетсе.
Кері байланыстар ықпал беру сипаты бойынша қатаң және иілгіш болып бөлінеді. Қатаң байланыс бекітілген режимдегідей ауыспалы режимде де әсер етеді. Иілгіш байланыс тек ауыспалы режимде әсер етеді, ал бекітілген режимде оның әрекеті аяқталады.
1. 2 Ашық және тұйық автоматты басқару жүйелеріАвтоматты басқару жүйелері ашық және тұйық болып бөлінеді.
Ашық деп сыртқы кері байланыс болмайтын, демек басқару нәтижесін бақылау болмайтын автоматты басқару жүйелерін атайды. Оларды қатаң бағдарламалы жүйелер және ауытқу бойынша басқару жүйелері деп топтарға бөлуге болады.
 Қатаң бағдарламалы ашық автоматты басқару жүйелерінде (2, а-сурет) басқару құрылғысына қатаң тапсырма З беріледі. Басқару құрылғысы басқару объектісіне осы тапсырмаға сәйкес ықпал У етеді. Кейбір
  (мысалы, жүктеменің өзгеруі) ауытқулардың әсерінен объекттің
 (мысалы, жүктеменің өзгеруі) ауытқулардың әсерінен объекттің
  шығыс шамасының тапсырмадан ауытқуы орын алуы мүмкін. Дегенмен бұл ауытқулар қатаң бағдарламалы ашық автоматты басқару жүйелерінде бақыланбайды және басқару құрылғысының жұмысына әсер етпейді.
 шығыс шамасының тапсырмадан ауытқуы орын алуы мүмкін. Дегенмен бұл ауытқулар қатаң бағдарламалы ашық автоматты басқару жүйелерінде бақыланбайды және басқару құрылғысының жұмысына әсер етпейді.
 
2-сурет. Ашық автоматты басқару жүйелері (АБЖ)
Мұндай жүйелерге мысалыға автоматты іске қосу жүйелері мен сорғылар, желдеткіштер, компрессорлар, және т. с. с. жатады.
 Ауытқу бойынша ашық автоматты басқару жүйелерінде (2, б-сурет) басқару ықпалы У
  ауытқу ықпалының шамасына байланысты қалыптасады. Мұндай жүйені тек барлық ауытқу ықпалдары белгілі және бақыланатын жағдайда, сонымен қатар басқару объектісінің қасиеті белгілі болғанда қолдануға болады. Бақыланбайтын ауытқулар (кедергілер) болған кезде ауытқу бойынша автоматты басқару жүйелері
 ауытқу ықпалының шамасына байланысты қалыптасады. Мұндай жүйені тек барлық ауытқу ықпалдары белгілі және бақыланатын жағдайда, сонымен қатар басқару объектісінің қасиеті белгілі болғанда қолдануға болады. Бақыланбайтын ауытқулар (кедергілер) болған кезде ауытқу бойынша автоматты басқару жүйелері
  шығыс шамасының өзгеруін бақыламайтындықтан осы кезде туындайтын басқару қателіктерін түзете алмайтын жағдайда болады. Шығыс шамасын бақылауды қамтамасыз ететін кері байланысы бар автоматты басқару жүйелерін тұйық деп атайды (3, а-сурет) .
 шығыс шамасының өзгеруін бақыламайтындықтан осы кезде туындайтын басқару қателіктерін түзете алмайтын жағдайда болады. Шығыс шамасын бақылауды қамтамасыз ететін кері байланысы бар автоматты басқару жүйелерін тұйық деп атайды (3, а-сурет) .
 
3-сурет. Ауытқу бойынша тұйық (а) және аралас (б) АБЖ
 Осымен қатар басқарушы құрылғы тапсырмадан З шығыс шамасының
  ауытқуынан тәуелді басқарушы ықпалды У құрайды. Мұндай жүйелер ауытқу бойынша тұйық автоматты басқару жүйелері немесе автоматты реттеу жүйелері деп аталады.
 ауытқуынан тәуелді басқарушы ықпалды У құрайды. Мұндай жүйелер ауытқу бойынша тұйық автоматты басқару жүйелері немесе автоматты реттеу жүйелері деп аталады.
Кейде автоматты басқару жүйелерінің дәлдігін жоғарылату үшін ауытқу мен ауытқушылығы бойынша басқару принциптері үйлескен біріктірілген жүйелерді қолданады (3, б-сурет) .
 Сонымен қатар, басқарушы құрылғы жүктемеден
  (
 
  Н
 
 ) тәуелді басқарушы ықпалды У құрайды және шығыс шамасы
 (
 
  Н
 
 ) тәуелді басқарушы ықпалды У құрайды және шығыс шамасы
  бақыланбайтын ауытқулардың әсерінен ауытқыған жағдайда оны түзетеді.
 бақыланбайтын ауытқулардың әсерінен ауытқыған жағдайда оны түзетеді.
Әрі қарай мұнай және газ өндірісіндегі басқарудың практикалық есептерін шешуде кең тараған, тек ауытқу бойынша тұйық автоматты басқару жүйелерін қарастырамыз (автоматты реттеу жүйелері АРЖ) .
 
4-сурет. Автоматты реттеу жүйелерінің әрекет ету принципі.
Реттеу: а-қолмен; б-автоматты
 Автоматты реттеу жүйелерінің әрекет ету принципін сепаратордағы тұрақты қысымды қалпында ұстау жүйесі мысалында жан-жақты қарастырайық (4-сурет) . Сепаратордың кірісіне
  мөлшеріндегі төменнен іріктелген сұйық бөлікке және
 мөлшеріндегі төменнен іріктелген сұйық бөлікке және
  мөлшеріндегі сепаратордың жоғарғы бөлігімен кететін газды бөлікке бөлінетін
 мөлшеріндегі сепаратордың жоғарғы бөлігімен кететін газды бөлікке бөлінетін
  мөлшерінде газды сұйықтықты қоспа келіп түседі. Тепе-теңдік жағдайында p анықталған қысымында сепаратордағы шығындар теңдестірілген, яғни
 мөлшерінде газды сұйықтықты қоспа келіп түседі. Тепе-теңдік жағдайында p анықталған қысымында сепаратордағы шығындар теңдестірілген, яғни
  . Сепаратордағы технологиялық процесстің сипатын анықтайтын негізгі параметр қысым
 . Сепаратордағы технологиялық процесстің сипатын анықтайтын негізгі параметр қысым
  болып табылады. Сепаратордың кірісіндегі немесе шығысындағы ағындардың шығыны өзгерген кезде ондағы қысым да өзгереді.
 болып табылады. Сепаратордың кірісіндегі немесе шығысындағы ағындардың шығыны өзгерген кезде ондағы қысым да өзгереді.
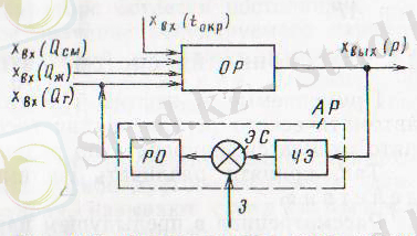
Мәселе сепаратордағы қысымды белгілі бір мәнде ұстап тұру болсын делік. Газ желісіндегі сепараторға қысымды бақылау мақсатында өлшеу құралын 1 (манометр) мен шығынды бақылау 2 органын (тиек) орнатайық (4, а-сурет) . Сонда қысымның азаю немесе көбею жағдайында манометр көрсеткіштерін бақылай отырып және басқару органының өтпелі қимасын өзгерте отырып сепаратордағы қысымының қажет болған мәнін қалпына келтіруге болады. Қысымды реттеу жүйесін аламыз. Дегенмен, қысымды бақылау мен басқару органының өтпелі қимасын өзгерту адам тарапынан жасалатындықтан, мұндай реттеу қолмен реттеу деп аталады.
Автоматты реттеу жүйесі болу үшін адам тарапынан жасалатын функциялар бұл жағдайда автоматты реттегіш немесе жай ғана реттегіш деп аталатын автоматты құрылғыға өтуі тиіс. Реттеу жүйесін зерттеу кезінде қолданылатын негізгі түсініктер мен анықтамаларды келтірейік.
Технологиялық процесс жүру барысында реттелуі тиіс параметр реттелетін деп аталады. Реттелетін параметрдің мәні кез-келген уақытта ағымдағы деп, ал оның процесс барысында ұстап тұруға тиісті мәнін белгіленген деп атайды. Реттелетін параметрдің ағымдағы және белгіленген мәндерінің арасындағы айырымын келісілмегендік немесе ауытқу деп атайды.
 
5-сурет. Қысымды реттеу жүйесінің функционалдық сызбасы
Реттегіштің негізгі элементтері - реттелетін параметрдің өзгеруіне әсерленетін сезгіш элемент, реттелетін параметрдің ағымдағы мәнін арнайы құрылғының көмегімен орнатылатын белгіленген мәнімен салыстыратын салыстыру элементі және процесске тікелей әсер ететін реттейтін орган.
 Мысалымызда автоматты реттеу жүйесі келесідей әрекет етеді. Ауытқитын (возмущающий) ықпал пайда болған кезде, мысалы кірістегі (
  ) қоспа ағынының шығыны көбейгенде, сепаратордағы қысым (реттелетін параметр) ұлғаяды. Автоматты реттегіш газ қысымы (ағымдағы мән) мен серіппе 2 (берілген мән) тарапынан мембранаға 1 (салыстыру элементі) түсетін ықпалды салыстыра отырып реттейтін органның 3 өтетін қимасын ұлғайта отырып, сонымен келісілмеуді азайтып реттейтін ықпалды іске асырады. Бұл жүйеде мембрана 1 сонымен қатар сезгіш элементтің функциясын орындайды.
 ) қоспа ағынының шығыны көбейгенде, сепаратордағы қысым (реттелетін параметр) ұлғаяды. Автоматты реттегіш газ қысымы (ағымдағы мән) мен серіппе 2 (берілген мән) тарапынан мембранаға 1 (салыстыру элементі) түсетін ықпалды салыстыра отырып реттейтін органның 3 өтетін қимасын ұлғайта отырып, сонымен келісілмеуді азайтып реттейтін ықпалды іске асырады. Бұл жүйеде мембрана 1 сонымен қатар сезгіш элементтің функциясын орындайды.
Автоматты реттеу жүйесін қарастырғанда шын мәнісінде бар жүйелерді функционалды сызба түрінде ойлау қабылданған.
Автоматты реттеу жүйесінің функционалды сызбасы деп шын мәнісінде бар жүйенің әрбір функционалды элементіне белгілі бір бейне сәйкес келеді.
 Сепаратордағы қысымды автоматты реттеу жүйесінің функционалды сызбасы 5-суретте көрсетілген. Жүйенің шығыс шамасы (
  ) қысымдағы негізгі реттелетін параметр - қысым болып табылады. Реттелетін параметрдің белгіленген мәнінен ауытқуына алып келетін параметрлер кіріс параметрлері ретінде көрсетілген.
 ) қысымдағы негізгі реттелетін параметр - қысым болып табылады. Реттелетін параметрдің белгіленген мәнінен ауытқуына алып келетін параметрлер кіріс параметрлері ретінде көрсетілген.
Жүйенің негізгі элементтері - реттеу объектісі (РО), реттелетін параметрдің ағымдағы мәнін өлшейтін сезгіш элемент (СЭ), реттелетін параметрдің ағымдағы мәнін оның белгіленген мәнімен З салыстыратын салыстыру элементі (СЭ) және реттеу ықпалын іске асыратын реттейтін орган (РО) .
 Соңғысы газ шығынының (
  ) келісілмеушілікті азайту бағытында өзгеруімен іске асырылады. Олай болса қарастырылып отырған автоматты реттеу жүйесі теріс кері байланысы бар тұйық жүйе. Бұл жүйеде сезгіш элемент, салыстыру элементі және реттейтін орган автоматты реттегішті (АР) құрайды.
 ) келісілмеушілікті азайту бағытында өзгеруімен іске асырылады. Олай болса қарастырылып отырған автоматты реттеу жүйесі теріс кері байланысы бар тұйық жүйе. Бұл жүйеде сезгіш элемент, салыстыру элементі және реттейтін орган автоматты реттегішті (АР) құрайды.
Мұнай және газ өндірісінде қолданылатын автоматты реттеу жүйелері түрліше, сондықтан оларды түрлі сипаттарына қарай классификациялау қалыптасқан.
Осылай тікелей және жанама (тікелей емес) әрекет ету жүйелерін ажырату қалыптасқан.
Жоғарыда қарастырылған сепаратордағы қысымды автоматты реттеу жүйесі бұл жүйенің сезгіш элементі реттеу органына тікелей әсер ететіндіктен тікелей әрекет ету жүйесі болып табылады (4 және 5-суреттерді қараңыз) . Мұндай жүйелер құрылымдық жағынан қарапайым, дегенмен сезгіш элементінің қуаты реттеу органының орын ауыстыруын қамтамасыз ету үшін әркез жеткілікті болмағандықтан олар өндіріс орындарында кең қолданылмайды.
 
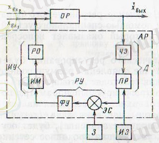
6-сурет. Жанама (тікелей емес) әрекет ету автоматты реттеу жүйесінің функционалдық сызбасы
Реттеу органының орын ауыстыруы үшін қосымша қуат көздері қолданылатын жанама әрекет ету жүйелері жиірек қолданылады. Мұндай жүйенің функционалды сызбасы 6-суретте көрсетілген. Мұндай жүйеде реттеу параметрінің сезгіш элемент (СЭ) қабылдайтын ағымдағы мәні түрлендіргіш (Т) пен қуат көзінің (ҚК) көмегімен қандай да бір сигналға түрленеді де содан кейін табиғаты жағынан ұқсас бергіш (задатчик) сигналымен З салыстырылады. Қалыптастыру құрылғысы (ҚҚ) келісілмеушілікті күшейтеді және реттеудің белгілі бір заңын қамтамасыз етеді. Орындаушы механизм (ОМ) қалыптастыру құрылғысының шығыс сигналын реттеу органының (РО) орын ауыстыруына түрлендіреді. Қуат көзінің (ҚК) түріне байланысты жанама әсер ету жүйелері пневматикалық, электрлік және гидравликалық болып бөлінеді. Мұндай жүйелерде сезгіш элемент түрлендіргішпен бірге датчикті (Д), салыстыру элементі қалыптастыру құрылғысымен бірігіп - реттеу құрылғысын (РҚ), ал орындау механизмі реттеу органымен бірге - орындау құрылғысын (ОҚ) құрайды.
Реттеу параметрінің берілген мәнінің қандай заңға сәйкес өзгеруі керектігіне байланысты автоматты реттеу жүйелерін негізгі үш топқа бөлуге болады.
Реттеу параметрінің берілген мәні тұрақты шама болып табылатын жүйелер автоматты тұрақтандыру жүйелері деп немесе жиірек автоматты реттеу жүйелері деп аталады. Ендеше біздің мысалымыздағы (5-суретті қараңыз) сепаратордағы қысымның берілген мәні тұрақты болып қалады.
Реттеу параметрінің берілген мәні алдын ала орнатылған бағдарлама бойынша өзгеретін жүйелер бағдарламамен реттелетін жүйелер деп аталады, мысалы нұсқаларды қыздыруға арналған пештегі температураның белгілі бір заң бойынша жоғарылауы.
Реттеу параметрінің берілген мәні еркін заң бойынша қандай да бір басқа параметрге тәуелді өзгеретін жүйелер бағушы жүйелер деп аталады. Мысалы, радиолокатор антеннасының бұрылуы ұшақтың маневріне сай болуы керек (оны қадағалауы керек) .
Барлық үш жағдайда да ауытқу бойынша реттеу жүзеге асырылады.
Соңғы кездері шығыс шамасының экстремалды (максималды немесе минималды) мәнін қамтамасыз ететін (мысалы, максималды өнімділік, минималды шығындар және т. с. с. ) реттейтін ықпалдарды тауып, қолдайтын экстремалды жүйелер кең тараған.
Әрі қарай автоматты реттеу жүйелері (АРЖ) ұғымының астарында автоматты тұрақтандыру жүйелерін (АТЖ) түсінеміз.
Жеке элементтер арасындағы байланыс сипатына байланысты автоматты реттеу жүйелері (АРЖ) үздіксіз және дискретті әрекет жүйелеріне бөлінеді.
Үздіксіз әрекет жүйелерінде жеке элементтердің арасында тұрақты функционалды байланыс бар. Реттелетін параметрдің ағымдағы мәні берілген мәнмен үздіксіз салыстырылады, ал реттеуші орган реттейтін әсерді үздіксіз іске асырады. Сонымен қатар 4-суретте көрсетілген автоматты реттеу жүйесі үздіксіз әрекет жүйесі болып табылады.
Дискретті әрекет жүйелері импульсті және релелік жүйелер болып бөлінеді.
Импульстік әрекет жүйелерінде жеке элементтердің арасында үзілмелі байланыс болады. Мұндай жүйелерде реттелетін параметрдің ағымдағы мәні берілген мәнмен үздіксіз емес, тек әдетте бір-бірінен әр түрлі уақыт мезеттерінде салыстырылады. Осы мезеттерде реттеу органы реттеу әрекетін көрсетеді, ал импульстар арасындағы интервалда жүйе ажырайды және реттеу органы орын ауыстырмайды.
Реттеудің мұндай әдісін мысалы дискретті әрекет ету принципіне негізделген сандық есептеу машиналары бар жүйелерде, сонымен қатар бір реттегіш бірнеше объектке қызмет көрсететін жүйелерде қолданады.
Релелік әрекет жүйелерінде реттелетін параметр белгіленген шекте өзгерген кезде реттеу органы орын ауыстырмайды, яғни жүйе ашық болып табылады. Реттелетін параметр белгіленген шектен шыққанда жүйе тұйықталады да реттеу органы реттеу әрекетін көрсетеді.
Мұндай жүйелерге мұнай тұндырғышынан қабатты судың тасталу жүйесін жатқызуға болады. Онда реттеуші орган судың деңгейі сәйкесінше жоғарғы және төменгі белгіленген шектерге жеткен кезде ашылады және жабылады.
1. 5 Автоматты реттеу жүйелеріне қойылатын талаптарЕгер реттелетін параметрдің ағымдағы мәні берілген мәнге тең болса, онда жүйе тепе-теңдік күйде деп есептеледі.
Егер жүйеде қандай да бір ауытқудың әсерінен реттелетін параметрдің ауытқуы туындаса, онда оған қайтадан тепе-теңдік күйге түсу үшін біршама уақыт қажет. Осы уақыт аралығында жүйе өтпелі режимде болады деп есептеледі.
 Өтпелі режимдегі жүйенің қылығын өтпелі процесс графигі түрінде - жүйенің реттелетін параметрінің шығыс шамасының уақытта өзгеруіне тәуелділігін бейнелеу қалыптасқан (7, а-сурет) . Реттелетін параметрдің ағымдағы мәні графикте
  арқылы көрсетілген және оның өзгеруі тұтас сызықпен көрсетілген. Тұрақтандыру жүйесін
 арқылы көрсетілген және оның өзгеруі тұтас сызықпен көрсетілген. Тұрақтандыру жүйесін
 қарастырып жатқандықтан берілген
  мәні тұрақты болып қалады, оған уақыт осіне параллель үзік сызық сәйкес келеді.
 мәні тұрақты болып қалады, оған уақыт осіне параллель үзік сызық сәйкес келеді.
  уақыт үзігіндегі ағымдағы және берілген мәндердің қисығының сәйкес келуі осы периодта жүйе тепе-теңдік күйінде болғандығын растайды. Ауытқудың әсерінен
 уақыт үзігіндегі ағымдағы және берілген мәндердің қисығының сәйкес келуі осы периодта жүйе тепе-теңдік күйінде болғандығын растайды. Ауытқудың әсерінен
  уақыт мезетінде жүйе тепе-теңдік күйінен ауытқиды және сол күйге
 уақыт мезетінде жүйе тепе-теңдік күйінен ауытқиды және сол күйге
  уақыт мезетінде реттегіштің әсерінен қайта келеді.
 уақыт мезетінде реттегіштің әсерінен қайта келеді.
 уақыт мезетінде жүйе өтпелі режимде, ал
 уақыт мезетінде жүйе өтпелі режимде, ал
  -ден кейін тепе-теңдік күйінде болады.
 -ден кейін тепе-теңдік күйінде болады.
Жүйелерді зерттеген кезде оларды реттелетін параметрдің ауытқуы пайда болатын мезеттен бастап қарастыру қалыптасқан. Бұл жағдайда координата басы реттелетін параметрдің берілген мәніне сәйкес келеді (7, б-сурет) .
Дегенмен өтпелі процесс басқа сипатта болуы мүмкін (7, в-сурет) . Өтпелі процесстің екі графигін салысытра отырып (7, б, в-суреттер) бір жағдайда жүйе тепе-теңдік күйге қайтып келсе, екінші жағдайда олай болмайтынын көруге болады.
 
7-сурет. Автоматты реттеу жүйесіндегі өтпелі процесстердің графигі
Бірінші жағдайда жүйені орнықты, ал екінші жағдайда орнықсыз деп есептейді. Автоматты реттеу жүйесінің мақсаты реттелетін параметрді белгіленген мәнде ұстап тұру болғандықтан, әрине өтпелі процесті 7, б-суретте келтірілген графикке сәйкес, яғни орнықты болуын қамтамасыз етуін талап етіледі.
 Орнықты автоматты реттеу жүйелерінде де өтпелі процесс түрліше жүруі мүмкін (7, г-сурет) . Сонымен бірге көрсеткіштердің жанында сипатталатын өтпелі процестің сапасы деген ұғым енгізіледі. Олардың бірі болып мысалы өтпелі процестің уақыты
  болып табылады. Әрине уақыт неғұрлым аз болған сайын автоматты реттеу жүйелерінің де сапасы жоғары болады. Автоматты реттеу жүйесі қамтамасыз ететін сапа көрсеткішінің сандық мәні техникалық есептеулерден келіп таңдалады. Осылайша автоматты реттеу жүйелеріне екі талап қойылады: жүйе міндетті түрде орнықты болуы және белгілі бір белгіленген спасы болуы керек.
 болып табылады. Әрине уақыт неғұрлым аз болған сайын автоматты реттеу жүйелерінің де сапасы жоғары болады. Автоматты реттеу жүйесі қамтамасыз ететін сапа көрсеткішінің сандық мәні техникалық есептеулерден келіп таңдалады. Осылайша автоматты реттеу жүйелеріне екі талап қойылады: жүйе міндетті түрде орнықты болуы және белгілі бір белгіленген спасы болуы керек.
Таңдалған автоматты реттеу жүйелері процесс технологиясы тарапынан қойылған талаптарды қанағаттандырады ма соны анықтау мақсатында ол алдын ала есептеледі.
2 Аранайы бөлім 2. 1 Газды дайындау процестерінің негіздері және оларды модельдеу мәселесінің қойылуыҚазіргі бар технологияға сәйкес ұңғымадан газ газды кешенді дайындау қондырғыларына (ГКДҚ) келіп түседі, ол жерде газдан ылғал мен сұйық конденсат бөлінеді (8-сурет) . Өңделмеген газ төменгі температуралы сепарация қондырғысына келіп түседі, ол жерде газ үш фракцияға бөлінеді: газ, сұйық конденсат және су. Төменгі температуралы сепарация қондырғысына келіп түсуден алдын өңделмеген газ дроссельдеу салдарының есебінен, сонымен қатар арнайы тоңазытқыштардың көмегімен суытылады. Суытылған газ қуыс ыдыс - сепараторға келіп түседі. Газ суытылған кезде оның газ тәрізді және сұйық фазалары арасындағы термодинамикалық тепе-теңдік бұзылады. Су тамшылары мен конденсаттан тұман түзіле бастайды. Құрғақ газ сепаратордың жоғарғы жағына көтеріледі, сұйықтық тамшылары жартылай аппараттың төменгі жағына тұнады, ал жартылай сепаратор жабдықталған түрлі фильтрлерге тұрып қалады. Осылайша су мен конденсат аппарттың төменгі жағына келіп түседі. Ауырлық күші өрісінде олар қабаттарға бөлінеді, сол себептен сепаратордың ең төменгі бөлігінде сулы фаза, сәл жоғарырақ жеңілірек конденсат, одан да жоғарырақ сұйықтық тамшысы бар газды тұман пайда болады. Тереңірек кептіру үшін бірнеше сепараторларды тізбектеп біріктіреді. Әрбір сепаратордың алдында газды суытады. Төменгі температуралы сепарациялау қондырғысы газ кептіру деңгейін ГОСТтың талабына сай қамтамасыз ете алмағандықтан, газ сепаратордың соңғы сатысынан терең кептіретін қосымша сатыға келіп түседі. Жиірек мұндай кептіру түрлі сұйық гликольдардың көмегімен газдан онда қалған сұйықтықты сіңіру есебінен іске асырылады, жиірек диэтиленгликольмен (ДЭГ), триэтиленгликольмен (ТЭГ), пропиленгликольмен (ПГ) және т. с. с.
 
I - төмен температуралы сепарациялау қоңдырғысы;
II - абсорбциялы тазалау қоңдырғысы;
III - гликольді регенерациялау қоңдырғысы;
IV - конденсаттан газды сепарациялау (бөлу) қоңдырғысы;
V - конденсатты тұрақтандыру қоңдырғысы;
1 - өңделмеген газ; 2 - құрғатылған газ; 3 - су; 4 - конденсат; 5 - құрғақ газ; 6 - құрғақ гликоль; 7 - суландырылған гликоль; 8 - су; 9 - газ; 10 - тұрақты конденсат
- Іс жүргізу
- Автоматтандыру, Техника
- Алғашқы әскери дайындық
- Астрономия
- Ауыл шаруашылығы
- Банк ісі
- Бизнесті бағалау
- Биология
- Бухгалтерлік іс
- Валеология
- Ветеринария
- География
- Геология, Геофизика, Геодезия
- Дін
- Ет, сүт, шарап өнімдері
- Жалпы тарих
- Жер кадастрі, Жылжымайтын мүлік
- Журналистика
- Информатика
- Кеден ісі
- Маркетинг
- Математика, Геометрия
- Медицина
- Мемлекеттік басқару
- Менеджмент
- Мұнай, Газ
- Мұрағат ісі
- Мәдениеттану
- ОБЖ (Основы безопасности жизнедеятельности)
- Педагогика
- Полиграфия
- Психология
- Салық
- Саясаттану
- Сақтандыру
- Сертификаттау, стандарттау
- Социология, Демография
- Спорт
- Статистика
- Тілтану, Филология
- Тарихи тұлғалар
- Тау-кен ісі
- Транспорт
- Туризм
- Физика
- Философия
- Халықаралық қатынастар
- Химия
- Экология, Қоршаған ортаны қорғау
- Экономика
- Экономикалық география
- Электротехника
- Қазақстан тарихы
- Қаржы
- Құрылыс
- Құқық, Криминалистика
- Әдебиет
- Өнер, музыка
- Өнеркәсіп, Өндіріс
Қазақ тілінде жазылған рефераттар, курстық жұмыстар, дипломдық жұмыстар бойынша біздің қор #1 болып табылады.
 
            
                Ақпарат
Қосымша
Email: info@stud.kz