Жаңартылатын энергия көзінің жіктелуі мен тағайындалуы


АҢДАТПА
Берілген дипломдық жобада жаңартылатын энергия көзінің жіктелуі мен тағайындалуы қарастырылды. Күн энергиясын электроэнергияға түрленуінің үш фазалы көп сатылы күн энергиясының түрлендіргішінің сұлбасы өңделді. PIC контроллерар арқылы үш фазалы көп сатылы күн энергиясын басқару сұлбасы өңделіп жасалынды.
Үш фазалы көп сатылы күн сәулесінің түрлендіргішін микропроцессор арқылы басқарудың экономикалық тиімділігі есептелді. Тіршілік әрекеттерінің қауіпсіздігі, еңбек жағдайларының мәселелері қарастырылған.
АННОТАЦИЯ
В данном дипломном проекте рассматривается классификация и назначение возобновляемой источники энергии. Разработана схема преобразовании солночной энергии в электроэнергию с многоступенчатым трехфазным солнечным преобразователем. Разработана схема управления многоступенчатым трехфазным солнечным преобразователем с помощью PIC контроллеров.
Произведен расчет экономической эффективности микропроцессорного управление многоступенчатого трехфазного солнечного преобразователя. Рассмотрены вопросы безопасности жизнедеятельности, условии труда.
МАЗМҰНЫ
Кіріспе . . . 8
1 Жаңартылатын энергия көзі . . . 9
1. 1 Жаңартылатын энергия көзінің жіктелуі . . . 9
1. 2 Күн энергиясының түрленуі . . . 12
1. 3 Күн энергиясын қолдану. Негізгі түрлері . . . 15
1. 3. 1 Фотоэлектрлік құрылғылар . . . 17
1. 3. 2 Тұтынылатын күн энергиясы . . . 18
1. 3. 3 Тізбек пен жүктеменің фотоэлектрлік қасиеттері . . . 20
1. 3. 4 Күн элементтерінің тиімділігінің шектелуі . . . 24
1. 3. 5 Күн элементтерінің құрылымы . . . 30
2 Күн энергиясын электроэнергияға түрленуі . . . 32
2. 1 Күн энергиясын үш фазалы айнымалы электр энергиясына түрлендіретін инвертордың сұлбасын өңдеу. . ………32
2. 2 Үш фазалы көп сатылы күн энергиясының түрлендіргішінің сұлбасын өңдеу . . . . . . 37
2. 3 Үш фазалы бір сатылы түрлендіргіш кілттерінің жұмыс істеу принципі . . . 41
2. 3. 1 Үш фазалы көп сатылы түрлендіргіш транзисторларының жұмыс істеу принципі . . . 43
3 Үш фазалы көп сатылы күн түрлендіргішін PIC контроллер арқылы басқаруды өңдеу . . . 46
3. 1 PIC контроллердің құрылымы мен тағайындалуы . . . 46
3. 1. 1 PICMicro контроллердің кіші моделі. . 48
3. 1. 2 PICMicro контроллердің ортаңғы моделі . . . ……48
3. 1. 3 PICMicro контроллердің жоғарғы моделі. . 49
3. 2 PIC контроллердің архитектурасы . . . . . . 50
3. 3 PIC контроллердің командалар жүйесі. . 51
3. 4 Үш фазалы көп сатылы күн сәулесі түрлендіргішінің микропроцессорлық басқару жүйесі…… . . . . . . 52
3. 5 Үш фазалы көп сатылы күн сәулесі түрлендіргіші жұмысын микропроцессорлармен басқарудың логикалары . . . 53
3. 6 Үш фазалы көп сатылы күн сәулесі түрлендіргішінің басқару сұлбасын өңдеу . . . 58
4 Экономикалық бөлім . . . 61
4. 1 Экономикалық түсініктеме . . . 61
4. 2 Экономикалық есептеулер . . . 62
4. 2. 1 Жобалауға кететін шығындар . . . 62
4. 2. 2 Өндіріс жұмысшыларының еңбек ақы төлеу шығын есебі . . . 63
4. 2. 3 Әлеуметтік сақтандыру бойынша аударымдарға кететін шығындар……. . 65
4. 2. 4 Материалдық шығындар . . . 66
4. 2. 5 Жаңа техниканы дайындауға жанама шығындар . . . 69
4. 2. 6 Жабдықтарды ұстау, күнделікті жөндеу, амортизация шығындары . . . 70
4. 2. 7 Күрделі қаржы салудың сомасын өтеу мерзімін . . . 72
5 Өндірістегі еңбек қорғау мен қауіпсіздік шараларын ұйымдастыру . . . 73
5. 1 Негізгі қауіпті және зиянды факторларды анализдеу . . . 73
5. 2 Еңбек қорғау бойынша ұйымдастыру шаралары . . . 74
5. 3 Өндіріс процесіндегі техникалық шаралар . . . 75
5. 3. 1 Микроклиматтық жағдайларды жасау . . . 75
5. 3. 2 Шуды азайту . . . 78
5. 3. 3 Жарықтануды ұйымдастыру . . . 81
5. 3. 4 Жерге қосуды ұйымдастыру . . . 82
5. 3. 5 Электромагниттік өріс әсерінен қорғау шаралары . . . 84
5. 3. 6 Өртке қарсы шаралар . . . 85
Қорытынды . . . 87
Әдебиеттер тізімі . . . 88
Қосымшалар . . . 89
КІРІСПЕ
Жаңартылатын энергия көздерінің ішінде күн энергиясы қуатты жоғары және перспективті энергия көзі болып саналады. Өсіп келе жатқан энергетикалық сұраныстың талаптарын күн энергиясымен қамтамасыздандыруға болады.
Күн энергиясын қолданудың потенциалды мүмкіндіктері көптеген зерттеушілермен дәлелденген. Қазіргі уақытта бұл бағытта әлемнің 63 мемлекетінде ұлттық бағдарламалары жұмыс жасауда. Ірі масштабты жаңартылатын энергетикалық объектілерін өңдеу арқылы дефицитті органикалық отын түрлерін үнемдеуге және қоршаған ортаның ластануынан қорғауға болады.
Дипломдық жобаның теориялық бөлімінде жаңартыланын энергия көзі және олардың жіктелуі қарастырылады. Сонымен қатар, күн элементтерінің жалпы тарихына шолу жасалып, олардың бағасының төмендеу тенденциясы көрсетілді.
Екінші бөлімде күн энергиясын электроэнергияға түрлендіру және үш фазалы түрленулердің жұмыс жасау принцпі мен сұлбалары келтірілген.
Жобаның үшінші бөлімінде PIC контроллерлерінің жұмысы. Үш фазалы көп сатылы күн сәулесінің түрлендіргішінің микропроцессорлар арқылы басқару сұлбасы өңделген.
Сонымен қатар, экономикалық және еңбек қорғау бөлімдерінде күн энергиясын түрлендіргіштің экономикалық үнемділігі және еңбек қорғау шаралары қарастырылған.
1 Жаңартылатын энергия көздері
Жаңартылатын энергия көздері - ол табиғатта периодты түрде немесе тұрақты болып тұратын энергия ағындары негізіндегі энергия көздері. Жаңартылатын, қайта орнына келетін энергия көздеріне жел энергиясы, кішкентай және жазық жерлердің өзендерінің энергиясы, теңіздердің толқындарының энергиясы, термалы сулардың энергисы және күн энергиясы жатады. Қайта орнына келетін энергия көздерін зерттеу болашақта өндірісте негізінен жел энергиясы, гидравликалық және күн энергиялары қолданылатынын көрсетті [1] .
XX ғасырдың екінші жартысында адамзаттың техникалық іс әрекетіне тән сипаттамалардың бірі - энерготұтынудың жылдам өсуі болып табылады. Осы уақытқа дейін энергетика дамуы айтарлықтай қиыншылықтарға кездескен жоқ. Энергия өндірісінің жоғарылауы негізінен мұнай және газ өнімін пайдалану мөлшеріне байланысты болып келді. Бірақ энергетика әлемдік экономиканың алғашқы ірі саласы болып өзінің дәстүрлік шикізат базасының сарқылу жағдайына жолықты. Өткен ғасырдың 70-жылдардың басында көптеген елдерде энергетика дағдарысы басталды. Бұл дағдарыстың себептерінің бірі қазба энергетикалық қордың аздығы боды. Сонымен қатар, мұнай, газ және көмір үдемелі қарқынмен дамып жатқан химия өндіріснің шикізаты құнды болып табылады. Сондықтан қазіргі уақытта энергияның тек дәстүрлік қазба қорларын пайдалану арқылы ғана оның жоғары қарқынды даму үрдісін сақтап қалу қиындап барады. Бұл пайда болған дағдарысты шешудің 2 бағыты бар:
- электр энергиясын шығаратын және бір уақытта ядролық отынды өндіретін атомдық көбейткіш-реакторларды өңдеп шығару;
- күн энергиясын кеңінен қолдану.
1. 1 Жаңартылатын энергия көздерінің жіктелуі
Жаңартылатын энергия көздері негізгі энергияның негізінде жіктелуі келесідей болады:
а) биомассалар энергиясы - қалдықтар (қатты, сұйық және газ тәріздес), ауылшаруашылық қалдықтар, басқа тұрмыстық энергиялардың қалдықтары, сондай-ақ биомассалардан ферментацияланатын газдардан алынатын өнімдер энергиясы;
б) гидравликалық энергия - су ағысының кинетикалық энергияның негізіндегі кез-келген қуатты гидро энергетикалық агрегаттардан өндірілген энергия;
в) күн энергиясы - күн радиациясынан болатын энергия, жылулық-күндік түрлену тәсілімен фототүрлену технологиясының негізінде алынытын электр энергиясы;
г) жел энергиясы - энергетикалаық жүйеге жеткізілетін және түрленуден алынатын немесе желдің электрлік потенциялынан электр энергиясын тікелей жергілікті тұтынатын энергия;
д) геотерметикалық энергия - төменгіпотенциалды жылу энергиясы.
Жел энергиясы - бұл жер атмосферасы температурасының әртүрлілігі салдарынан болатын күн энергиясының жанама формасы. 80-ші жылдары 1 кВт*с жел энергиясының бағасы 70%-ға дейін түсті, қазір 6 - 8 цент тұрады, бұл көмірді жағатын жаңа жылу электростанцияларына бәсекелестік тудырады.
Мамандар жел турбиналарының әлі де өңделіп, тиімді болатынына сенімді. Жел энергиясының жылдамдығы 5 м/сек жоғары кезде электрэнергиясын алуға болады.
Қазақстанда желэнергетикасының дамуының өзіндік артықшылықтары бар. Алға қойған 2030 бағдарламасы бойынша 2010 жылға ЖЭС-тарда 500мВт өндіру жоспарланды. Бұл бағдарламаға БҰҰ-да қызықты. Қазақстандағы желэнергетикасын дамытуға өздерінің техникалық көмегінің жоспарын дайындады. Бұл жоспардың орындалуына глобалды экологиялық фонд (ГЭФ) шамамен 2, 5 млн. доллар бөлді.
1. 1- суретте жаңартылатын энергия көздерінің жіктелуі көрсетілген.
- Сурет - Жаңартылатын энергия көздерінің жіктелуі
Су біздің планетамыздың 71%-ін құрайды. Теория жүзінде әр тамшыда энергия бар. Бүгінгі таңда әлемдегі өндірілетін элекроэнергияның бестен бірі ГЭС-қа тиесілі.
Су энергиясының артықшылықтары:
а) энергияның түрленуі өте жоғарғы ПӘК-пен орындалады. Бұл дегеніміз қолданатын энергияның көп проценті элкетр тогына айналады;
б) бұл энергоресурсын қолдану кезінде зиянды заттар бөлінбейді;
в) қоршаған ортаға бөлінетін жылу аз мөлшерде, типті жоқ.
Бастапқы кезден-ақ энергияны алу түрі ол - отын . Бұл биомассаны қолдану болып табылады. Фотосинтез әрекетіне бола биомассаларда күн энергиясы сақталады. Жыл сайын әлемде 80 млрд. тонна биомасса өсіп шығады.
Геотермия - бұл жер қойнауындағы жылу қорларын пайдалану. Ол әр қашанда, әр жерде кездеседі. Жылдың кез-келген уақытында климатқа тәуелсіз.
Геотермиялық энергияны негізгі екі әдіспен қолдануға болады - электроэнергияны өндірумен үйлерді, ғимараттарды, кәсіпорындарды жылытуға болады. Оны қандай мақсатта қолданатыны бізге келетін формасына байланысты. Кейде су жер астынан құрғақ бу ретінде шығады. Бұл құғақ бумен турбиналардың айналуы арқылы электрэнергиясын алуға болады.
Геотермалды энергетика айтарлықтай АҚШ-та, Филиппинада, Мексикада, Италияда, Жапонияда, Ресейде дамыған. Ең қуатты ГеоЖЭС (50 МВт) АҚШ-та салынған - ГеоЖЭС Хебер [2] .
1. 2 Күн энергиясының түрленуі
Қоршаған ортаның қазба көздерінің, ең алдымен көмір мен ядролық отындардың жануынан болған өнімдермен ластануы жер бетінің экологиялық жағдайының нашарлауының себебі болып табылады. Сонымен қатар, отынның қандай түрі болмасын жануыннан пайда болатын планетаның "жылумен ластануының" маңызы өте зор. Бірқатар ғалымдардың берген бағасы бойынша Жер бетіндегі энергия өндірілуінің жоғарғы шегінің рұксат етілген деңгейі, осы кездегі орташа элемдік деңгейден екі есе жоғары екендігі анықталған. Энергопайдаланудың осылай өсуі Жер бетінің температурасын мөлшермен бір градусқа жоғарылатуы мүмкін. Планетаның энергобалансының осындай масштабта өзгеруі, климатты қайтымсыз қауіпті өзгеріске ұшыратуы мүмкін. Осы жағдайлар, Жер бетінің экологиялық балансын бұзбайтын жаңартылған энергия көздерінің кеңінен пайдаланылуының маңызы жоғары екендігін көрсетеді [2] .
Бірден бір энерия көзі - Күн болып табылады.
Күн энергиясын қолдану атмосфераның ластануы мен температурасының жоғарылауына әкелмеуі және радиоактивті қалдықтарды сақтаудың қажетсіздігі көптеген елдердің ғалымдарын қызықтыруда. Ғарыштық мақсатта қолданылатын күн энергиясын электр энергияға түрлендірудің белгілі тәсілдерін жер бетінде қолдану экономикалық жағынан тиімсіз. Сондықтан ғалымдар түрлендірудің ПӘК-ін жоғарылату және күн энергиясының бағасын төмендету жұмыстарын жүргізуде.
Жер бетіне 18∙10 10 кВт∙сағ энергия түседі, бұл адамзаттың барлық өндірген қуаттан 18 000 есе көп.
Күн энергиясын қолдануға негізінен екі бөгет бар:
- тәуліктік және мезгілдік тербелістер;
- күн сәулесі шоғырлану тығыздығының аздығы.
Күн төбеде болып, бұлттар болмаған жағдайда 1м 2 -қа тек қана 1 кВт келеді. Жалпы жағдайларда күн радиациясының тығыздығы атмосфераның сыртында - шамамен 1, 4 кВт/м 2 , ал Жер бетінде - 0, 7 кВт/м 2 . Сонымен қатар жарық уақыттың ұзақтығы шамамен 25%. Сондықтан шоғырландырғыштарды қолдану қажет. Алайда күн энергиясы өте жоғары деңгейде түсетіндігімен сипатталатын Жердің экваторлық белдеуінде және осы белдеуге жақын орналасқан аудандардағы елдер үшін күн энергиясын пайдаланудың юолашағы өте зор болып саналады. Мысалы, Орталық Азияның бірқатар аймақтарында тікелей түсетін күн сәулесінің ұзақтығы жылына 3000 сағатқа дейін жетеді, ал күн энергиясының жазықтық бетіне түсуі жылына шамамен 1500-1850 кВт∙сағ/м 2 құрайды [1] .
Күн энергиясын қолданудағы тағы да бір көкейтесті мәселе - ол күн энергиясының өздік құнының қымбаттығы. 60-жылдардан бастап көптеген дамыған елдердің ұлттық бағдарламаларында күн элементтерінің бағасын түсірудің 3 жолы көрсетілген:
- күн элементтерін өндірудің технологиясын арзандату;
- ПӘК-і жоғары (20÷30%) күн элементтерін шоғырландырғыштармен қолдану;
- ПӘК-і төмен, арзан күн элементтерін шығару.
Біздер осы бағдарламалардың негізінде күн элементтерінің бағасының түсуінің келесідей шолуын жасадық:
Өткен ғасырдың 60-жылдардың ортасында күн элементтерінің бағасы 1кВт-қа шамамен 2-4 доллар болды.
Сол ғасырда 70-жылдардың басында күн элементтерінің бағасы 125000 долл/кВт-қа дейін төмендеген. Бұл ірі электр станцияларын экономикалық жағынан тиімді қолдану шамасынан 1000 есе көп болды.
Уақыт өте 70-жылдардың екінші жартысында жер бетінде қолданылатын күн элементтерінің жарықтығы 1000 Вт/м 2 кездегі орташа бағасы 2 долл/кВт болды.
Он жылдықтан кейін 80-жылдардың ортасында күн элементтерінің бағасы айтарлықтай 1 долл/кВт дейін төмендеді.
Күн элементтерін өндірудің жаңа технологиясының негізінде 90- жылдардың ортасында күн элементтерінің орта бағасы 5000 долл/кВт дейін түсті.
Күн элементтерінің бағасының түсуіне байланысты 90-жылдардың басында фотоэлектрлік құрылғылар жасалды. Бұл фотоэлектрлік құрылғылардың бағасы айтарлықтай 90-жылдардың басындағы 15400 евро/кВт-тан 2000 жылы 6012 евро/кВт-қа дейін төмендеді.
Осы фотоэлектрлік құрылғылармен өндірілетін электр энергияның бағасы төмендеуде: 2000ж - 50, 62 евро/кВт; 2001ж - 50, 62 евро/кВт; 2002ж - 48, 10 евро/кВт; 2003ж - 45, 75 евро/кВт; 2004ж - 43, 45 евро/кВт.
Күн элементтерінің бағасын түсірумен қатар олардың ПӘК көтеру қажет болды. 60-жылдардың басында күн элементтерінің ең жоғары ПӘК 7% болатын. Күн элементтерінің дамуынан бастап негізінен кремнийлік, кадмий сульфиді, галий арсениді және жұқа қабатты күн элементтері қолданылды. Осының ішінде галий арсенидінің ПӘК-і салыстырмалы жоғары (26% дейін), бірақ оның өздік құнының жоғарылығына байланысты экономикалық жағынан тиімсіз болды. Қазіргі кезде монокристаллды және поликристаллды кремнийлік күн элементтері қолданылады. Кремний, табиғаттағы ең жақсы зерттелген материалдардың бірі болып табылады және таралуы бойынша оттегіден кейін екінші орында.
Кейінгі кездерге дейін жер бетінде қолданылатын күн батареяларында ғарыштық сияқты салыстырмалы түрде қымбат монокристаллды кремний негізінде жасап келді. Бастапқы кремнийдің құнын төмендету, элементтерін даярлаудың прогрессивті технологиясы мен кесектерден пластин даярлаудың жоғары өндірістік тәсілдерін өңдеу олардың негізінде жасалған жер үсті күн батареяларының құнын біраз арзандатуға мүмкіндік берді. Ары қарай құн арзандату жұмыстарының негізгі бағыттары болып табылады: арзан негіздегі, соның ішінде таспалық, поликристаллдық кремний элементтерін алу, аморфты кремний және басқа да жартылай өткізгіш материалдар негізінде арзан жұқақабаттық элементтерді өңдеу, концентриленген күн сәулесін кремний негізіндегі және салыстырмалы түрде жаңа жартылай өткізгіш алюминий-галлий-мышьяк материалдары сияқты жоғары тиімді элементтердің көмегімен өзгерту. Кейінгі жылдары элемде концентриленген күн сәулесімен қызмет ететін кремнийлік күн элементтерін өңдеуде елеулі прогресске қол жетті.
Осы ғасырдың 2003 жылы BP Solar компаниясы ПӘК 18, 3% күн элементін жасап шығарды. Бұл кремнийлік күн элементтерінің арасындағы әлемдік рекорд болды.
Арада жыл өте 2004 жылы жалпы алынған күн энергиясының қуаты шамамен ~1, 2∙10 6 кВт болды. Дүние жүзі бойынша күн элементтерін шығаруда бірінші орында - Жапония, одан кейін Еуропа мен АҚШ тұр.
1. 3 Күн энергиясын қолдану. Негізгі түрлері
Күн энергиясының концентрациясы ПӘК қолайлы жылу қозғалтқышының жұмысына жеткілікті температураны (
) алуға мүмкіндік береді. Диаметры 30 м асатын параболидты концентраторларды жасау қиын, бірақ бұндай бір құрылғының қуаты 700 кВт, бұл құрылғымен 200 кВт электроэнергия алуға болады. бұл шағын энергожүйелерге жеткілікті, бірақ стационарлы коммуналды желілерге жеткіліксіз.
Мысалы, 10 4 кВт электроэнергия алу үшін қандай күн электростанциясын құру керек? Бұны шешудің екі нұсқасы бар: бөліп орналастырылған коллекторлар және орталық күндік мұнаралы жүйелер.
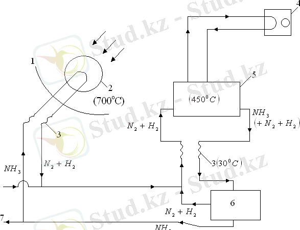
Бөліп орналастырылған коллекторлар. Концентраторлар міндетті түрде параболоид формасында болуы қажет емес, бірақ параболоид болғаны жөн. Әрбір коллектор сұйықтықтың күн энергиясын жылу тасмалдаушыға береді, барлық коллекторлардан келетін ыстық сұйықтық орталық энергостанцияға жиналады. Егер жылу тасымалдаушы бу турбинасында қолданылса су буы немесе қандай да бір термохимиялық орта, мысалы, диссоциацияланған аммиак болуы мүмкін. Аммиактың диссоциациясы мен синтезіне негізделген құрылғының сұлбасы 1. 2-суретте көрсетілген.
1-айна; 2-қабылдағыш; 3-жылуалмастырғыш; 4-жылу қозғалтқышы;
5-синтез камерасы; 6-сепаратор; 7-басқа айналарға.
1. 2-Сурет - Күн энергиясын жинаушы түріндегі аммиактың диссоциациясы мен синтезі
Бұл сұлбаның негізгі артықшылығы - химиялық реагентті қолданған жағдайда коллектор мен жылу қозғалтқышының арасында шығындар болмайды, яғни жылуды үлкен қашықтықтарға немесе ұзақ уақыт бойы тасымалдауға болады. Мысалы, кештен бастап түні бойы, бұл электроэнергияның үздіксіз шығарылуына мүмкіндік береді. Бұл жүйеде күн сәулесі қабылдағышқа жиналады, бұнда газ тәрізді аммиак үлкен қысымда (шамамен 30МПа) сутегіге және азотқа диссоциацияланады. Бұл реакция эндотермиялы, энергия ақаулығы
кДж/моль
NH
3
; күн сәулесі осы реакцияның жүруіне қажетті энергиямен қамтамасыздандырады. Синтездеу камерасында катализатор болған жағдайда
N
2
мен
H
2
ішінара рекомбинацияланады, осы кезде шығатын жылуды ішкі жылу қозғалтқышын және басқа да құрылғыны қосу үшін қолдануға болады. Синтез камерасынан шығатын ағын суытылады, бұл аммиактың төмендеуіне әкеледі.
Күн мұнаралары. Бұл нұсқаның мақсаты - күн сәулесін мұнараның төбесіне орналастырылған орталық қабылдағышқа шағылдыратын, үлкен ауданда Күнді қадағалайтын жазық айналарды орналастыру.
1. 3. 1 Фотоэлектрлік құрылғылар
Фотоэлектрлік энергияның пайда болуы, жартылай өткізгіште электромагнитті сәулеленуді жұту кезінде кеңістікте оң және теріс заряд тасымалдаушылардың бөлінуімен түсіндіріледі. Электр өрісінде бұл зарядтар ішкі тізбекте электр тоғын тудыру мүмкін. Өткел жерлерінде немесе материалдың біртекті емес жерлерінде ішкі электростатикалық өріс болады. Жартылай өткізгіш - жартылай өткізгіш немесе металл - жартылай өткізгіш структуралы фотоэлементтердің ішкі өрістері күн сәулелену ағынының тығыздығы шамамен 1 кВт∙м -2 кезінде шамамен 0, 5 В болатын потенциалдар айырмасын және 200 А∙м -2 болатын ток тығыздығын тудырады. Орташа сәулелену кезінде өндірістік фотоэлементтердің ПӘК 10-20 % және олар күніне шамамен 1-2 кВт∙м -2 электр энергиясын шығара алады.
Жартылай өткізгішті өткелдегі құрылғыларды фотоэлементтер немесе күн элементтері деп атайды. Олардың өздері ЭҚК көздері болып келеді. Фотоэлектрлік құрылғылар - сәулелену ағыны әсерінен жұмыс жасайтын электр энергия көзі. Күн элементтерінің электр тоғын шығаруы тәуліктік, мезгілдік және кездейсоқ өзгермелі сәулеленуге тікелей байланысты. Күн энергиясын тиімді пайдалану тек фотоэлементтің ПӘК-не байланысты емес, сонымен қатар ішкі тізбектегі жүктеменің динамикалық келісімділігіне де байланысты. Бұл жағынан фотоэлектрлік құрылғылар басқа энергия түрлендіргіштеріне ұқсас, алайда нақтысында айырмашылықтары болуы мүмкін (мысалы, жүктемені максималды қуат бойынша реттеу құрылғылары ретінде тұрақты тоқ түрлендіргіштері қолданылуы мүмкін) .
Көптеген фотоэлементтер - кремнийлі жартылай өткізгішті фотодиодтар. Бірінші фотодиодтар 1954 жылы жасалған. Оларды дайындау технологиясы тез жетілдірілуде. Қазіргі кезде жартылай өткізгішті күн батареяларының көмегімен Жердің жасанды спутниктері энергиямен қамтамасыздандырылуда.
1. 3. 2 Тұтынылатын күн энергиясы
Қарапайым күн элементінде, мысалы, кремнийлік күн элементінде фототоқты генерациялау үшін келесідей тұжырымдар орын алады:
- Жұтылған фотонның энергиясы фототоқты генерациялауға жеткіліксіз болса (), онда ол материалдың қызып кетуіне әкеледі. Бұл 1. 3-суреттегі А ауданына сәйкес келеді.
- Жұтылу жолағының шекарасынан шығып кететін сәулелену жиіліктерінде () де, фотон энергиясының артықтығы () да материалдың қызып кетуіне әкеледі. Бұл 1. 3-суреттегі С ауданына сәйкес келеді.
- Сонымен, рұқсат етілмеген аймақтың тиімді ені бар, бұл кезде жұтылатын күн сәулесі электр энергиясының генерациясы үшін максималды қолданылады. Бұл 1. 4-суретте көрсетілген. Бұл суреттен көріп отырғанымыздай, температура үлкен болған кезде тиімділік төмендейді. Бұнда негізгі материалдардың рұқсат етілмеген аймағының енінің мәндері көрсетілген.
а) б)
а) -интенсивтіліктің фотон энергиясына тәуелділігі;
б) -фотон ағын тығыздығының фотон энергиясына тәуелділігі.
1. 3-Сурет - Күн сәулеленуінің спектралды жіктелуі
Фотоэлементке түсетін күн сәулесінің спектралды жіктелуі күн сәулесінің атмосферадан өту бұрышына, атмосфераның бұлттылығына, ластануына және т. б. байланысты. Қоршаған ортаға байланысты оптикалық массалар ажыратылады: АМ1-ге қақ төбедегі күн, АМ2-ге күннің 60 о бұрышпен түсуі, ал АМ0-ге космос сәйкес келеді. Күн элементтерін өңдеп жасау кезінде стандарт ретінде АМ1 жағдайын таңдайды.
4) Тек қана энергиясы 1. 3-суреттің В ауданына сәйкес келетін фотондар, күн элементінде фототоқты генерациялауға қатысады. Күн сәулесінен келетін толық энергиясындағы бұл фотондардың үлесі [B/(A+B+C) ] шамамен 47 % құрайды. Нақты мәні спектралды жіктеуге байланысты сәл өзгеріп отырады.
Егер фотон тығыздығының (
N
) энергия (
) бойынша жіктелуі
болсын.
1. 4-Сурет - Гомоөтпелі күн элементтерінің максималды күтілетін тиімділігінің рұқсат етілмеген аймақтың еніне тәуелділігі
Онда фотонды жұту кезіндегі фотоэлемент тудыратын энергияның максималды теориялық мәні келесі формула бойынша анықталады
, (1. 1)
бірақ
, (1. 2)
сондықтан
. (1. 3)
1. 3. 3 Тізбек пен жүктеменің фотоэлектрлік қасиеттері
Фотоэлементтерді, басқа да түрлендіргіштер сияқты электр энергияны алу үшін қолдануға болады. 1. 5-суреттегі эквиваленттік диаграммада генератордың негізгі макроскопиялық сипаттамалары келтірілген.
... жалғасы- Іс жүргізу
- Автоматтандыру, Техника
- Алғашқы әскери дайындық
- Астрономия
- Ауыл шаруашылығы
- Банк ісі
- Бизнесті бағалау
- Биология
- Бухгалтерлік іс
- Валеология
- Ветеринария
- География
- Геология, Геофизика, Геодезия
- Дін
- Ет, сүт, шарап өнімдері
- Жалпы тарих
- Жер кадастрі, Жылжымайтын мүлік
- Журналистика
- Информатика
- Кеден ісі
- Маркетинг
- Математика, Геометрия
- Медицина
- Мемлекеттік басқару
- Менеджмент
- Мұнай, Газ
- Мұрағат ісі
- Мәдениеттану
- ОБЖ (Основы безопасности жизнедеятельности)
- Педагогика
- Полиграфия
- Психология
- Салық
- Саясаттану
- Сақтандыру
- Сертификаттау, стандарттау
- Социология, Демография
- Спорт
- Статистика
- Тілтану, Филология
- Тарихи тұлғалар
- Тау-кен ісі
- Транспорт
- Туризм
- Физика
- Философия
- Халықаралық қатынастар
- Химия
- Экология, Қоршаған ортаны қорғау
- Экономика
- Экономикалық география
- Электротехника
- Қазақстан тарихы
- Қаржы
- Құрылыс
- Құқық, Криминалистика
- Әдебиет
- Өнер, музыка
- Өнеркәсіп, Өндіріс
Қазақ тілінде жазылған рефераттар, курстық жұмыстар, дипломдық жұмыстар бойынша біздің қор #1 болып табылады.

Ақпарат
Қосымша
Email: info@stud.kz