Логикалық элементтер мен функциялар


Жұмыс түрі: Курстық жұмыс
Тегін: Антиплагиат
Көлемі: 23 бет
Таңдаулыға:
Мазмұны
I. Кіріспе . . . 2
II. Негізгі бөлім . . . 3
- Логикалық элементтер . . . 3
а) емес, немесе емес, және, және емес, әрмәнділік . . . 3
б) логика алгебрасының негізгі қатынастары . . . 5
- Логикалық функциялар . . . 8
а) шифратор, дешифратор . . . 8
б) мультиплексор және демультиплексор . . . 10
с) RS-, T-, D-, JK-триггерлер . . . 13
- Жиілік бөлгіш . . . 15
- Жеке тапсырма: Аналогты және сандық арасындағы байланыс . . . 24
III. Қорытынды . . . 27
IV. Пайдаланған әдебиеттер . . . 28
I. КІРІСПЕ
“Электроника және Схемотехника” пәнінің құрамдық бөлігі болып табылатын “Схемотехника” студенттерге қабылдаушы және таратушы құралдардың байланыс каналында тұрғызылатын құрылғылар туралы түсінік береді. Бұларға элементтерде шоғырланған аналогты және цифрлы-аналогтық функционалды түйіндер, өрісті және биполярлы транзисторлардағы шағын сигналды күшейткіштер, айнымалы токтың апериодикалық (кең жолақты) және жиілікті-таңдалмалы күшейткіштер, тұрақты токтың біртактты және дифференциалды қүшейткіштері, интегралды және дифференциалды (операциялық) күшейткіштер, аспапты интергалды схемалар (компараторлар және кернеу көбейткіштері, араластырғыштар, цифрлы-аналогтық және аналогты-цифрлық түрлендіргіштер) және араластырғыштар (көбейткіштер) мен операциялық күшейткіштер негізіндегі функционалды түйіндер, синхронизациялау жүйелері жатады. Осының нәтижесінде студенттерде функциялау принциптері, түрлері, жүзеге асыру әдістері, қолданылу аясы, даму бағыты соның салдарынан тәжірибеде электронды аналогты схемотехниканың қолданылу мүмкіндіктері туралы түсінік қалыптасуы қажет. Білім мен тәжірибе жинаудың мемлекеттік білім беру стандартымен қамтамасыз етілуі деңгейге, ақпараттық технологиялардың даму тенденцияларына, жүзеге асырумен байланысты қиын алгоритмикалық есептерді шешуге жүйелік тоқтау қабілеттілігіне қатысты профессионалды көзқарас қалыптастырады.
Электротехника және электроника - адамның бiлiм шеңберінде баска да ғылыми пәндер математика, физика, информатика және жүйелер теориясының әр түрлi ғылымдарының әдiс облыстарын қолданушы. Оқылатын пәннiң iргелi ұғымы - электрондық және электротехникалық құрылымның орын ауыстыру сұлбаларының формасының математикалық үлгiлерi көрсетiлген.
II. Негізгі бөлім
1. Логикалық элементтер.
Тәуелсіз айнымалылар және функцияның өзі тек қана екі 0 немесе 1 мәндерге ие болса, онда мұндай функцияны логикалық y=f(x 1 , x 2 , …, x n ) функция деп атаймыз. Тәуелсз айнымалылардың терімі (әртүрлі комбинациялардың саны) тең: M=2 n , ал функциялардың саны N=2 M . Егер n=1болса, онда M=2-ге, N=4-ке тең болады. Қарапайым логикалық амалдарды орындайтын электронды схемаларды логикалық элементтер деп атаймыз. 1. 1 суретте олардың шартты белгілері көрсетілген.
а) б) в) г) д) е)
1. 1. Сурет. Логикалық элементтердің шартты белгілері: а - ЕМЕС (инвертор) ; б - НЕМЕСЕ; в - ЖӘНЕ; г - НЕМЕСЕ-ЕМЕС; д -ЖӘНЕ - ЕМЕС; е - ӘРМӘНДІЛІК.
ЕМЕС (инвертор) логикалық элементі Y =
формуласына сай кіріс шаманы терістеп шығарады. Оның шартты белгісінде (1. 2. Сурет а) терістеу амалы шығыс жағындағы кіші шеңбермен белгіленеді. ЕМЕС амалының ақиқаттық кестесі 1. 2. б. Суретінде көрсетілген. Терістеу (инверсия) амалын транзистоға негізделген электронды кілттер орындайды. Кілт ережесінде істейтін қарапайым ЭО транзисторлы күшейткіштің схемасын қарастырайық (1. 2 в. Сурет) .
г)
б) д)
1. 2. Сурет. а - шартты белгісі, б - ақиқатты кестесі, в - транзисторлы кілт, г - кілттің сипаттама қисықтары, д - уақыт диаграммалары.
Кілт ережесінде істейтін транзистордың екі ғана тұрақты күйі болады. Біріншісінде U
вх
=0 (Х=0) болғанда транзистор жабық күйінде (ток жүрмейді) 1. 2 г суретінде 1 нүктесіндегі күйі болып табылады. Бұл нүктеде транзистор- дың коллекторындағы кернеу максималды: U
вых
=Е
к
(Y=1) . Транзистордың екінші күйін суреттегі 2 нүктесі көрсетеді. Бұл нүктеге келтіру үшін кірісіне улкен кернеу беріледі, яғни (Х=1), ток I
кн
E
k
/R
k
максималды (қанығу ережесі) ал шығыс кернеуі U
вых
.
1. 1. Кестесінде екікірістік НЕМЕСЕ (У 1 ), ЖӘНЕ (У 2 ), НЕМЕСЕ-ЕМЕС (У 3 ), ЖӘНЕ-ЕМЕС (У 4 ), ӘРМӘНДІЛІК (У 5 ) функциялардың атқаратын амалдары көрсетілген.
1. 1. Кесте.
Логика алгебрасының негізгі қатынастары.
Негізгі ережелер:
Х+0=Х; Х+1=1; Х+Х=Х; Х+
=1;
Х·0=0; Х·1=Х; Х·Х=Х;
=0;
.
Бұл теңдіктердің (тождестволардың) дұрыстығына 1. 1 кестенің У
1
және У
2
бағаналардағы жолдары дәлел. (Х+
=1) өрнегі: екі қарама қарсы пікірлердің біреуі міндетті түрде ақиқат. (
=0) өрнегі: екі қарама қарсы пікірлердің екеуі бірдей ақиқат болуы мүмкін емес.
Айнымалыларының қосу және көбейту амалдары мына логикалық заңдарына бағынады:
Ауыстырмалық заң: Х 1 +Х 2 =Х 2 +Х 1 ; Х 1 Х 2 =Х 2 Х 1 ;
Терімділік заң: (Х 1 +Х 2 ) +Х 3 =Х 1 +(Х 2 +Х 3 ) ; (Х 1 Х 2 ) Х 3 =Х 1 (Х 2 Х 3 ) ;
Үлестірімділік заңы: Х 1 (Х 2 +Х 3 ) = Х 1 Х 2 +Х 1 Х 3 ; Х 1 +Х 2 Х 3 =(Х 1 +Х 2 ) (Х 1 +Х 3 ) .
Соңғы теңдікті дәлелдеу үшін (үйреншікті алгебрада мұндай теңдік орындалмайды) екі жақшаны бір-біріне көбейтіп және Х 1 =Х 1 Х 1 ; Х 1 =Х 1 (1+Х 2 +Х 3 ) болатынын ескеру керек:Х 1 +Х 2 Х 3 =Х 1 (1+Х 2 +Х 3 ) +Х 2 Х 3 = Х 1 +Х 1 Х 2 +Х 1 Х 3 +Х 2 Х 3 =Х 1 Х 1 +Х 1 Х 2 +Х 1 Х 3 +Х 2 Х 3 =(Х 1 +Х 2 ) (Х 1 +Х 3 ) .
Жұту заңы: Х 1 +Х 1 Х 2 =Х 1 ; Х 1 (Х 1 +Х 2 ) =Х 1 . Дәлелдеу үшін Х 1 -ді жақшаның сыртына шығарамыз; екіншісінде көбейтеміз: Х 1 +Х 1 Х 2 =Х 1 (1+Х 2 ), Х 1 (Х 1 +Х 2 ) =Х 1 Х 1 +Х 1 Х 2 = Х 1 +Х 1 Х 2 = Х 1 (1+Х 2 ) =Х 1 .
Жапсыру заңы:
Х
1
Х
2
+
= Х
1
; (Х
1
+Х
2
) (
) =Х
1
.
Бұларды да дәлелдеу оп-оңай: Х
1
Х
2
+
=Х
1
(Х
2
+
) =Х
1
; (Х
1
+Х
2
) (
) =Х
1
Х
1
+ Х
1
Х
2
+Х
1
+Х
2
=Х
1
(1+Х
2
+
) =Х
1
.
Терістеу заңы: (инверсии заңы, де Морган қатынастары) :
;
,
Немесе бұл теңдіктерге екі рет инверсиясын жасаса, болады:
Х
1
+Х
2
=
; X
1
X
2
=
.
Морган қатынастарынан мынадай тұжырымдарды келтіруге болады. Күрделі логикалық функцияларды орындау үшін бір типті НЕМЕСЕ-ЕМЕС немесе ЖӘНЕ-ЕМЕС элементтерді ғана пайдаланса болады екен. Өйткені НЕМЕСЕ-ЕМЕС және ЖӘНЕ-ЕМЕС элементтерінің екі кірістерін біріктірсе ЕМЕС элементі шығады екен. Дегенмен, күрделі құрылғыларды құру үшін әр түрлі типті элементтерді пайдаланса жеңілдеу болады. .
Бір типті элементтер НЕМЕСЕ-ЕМЕС (ЖӘНЕ-ЕМЕС) арқылы ЖӘНЕ, НЕМЕСЕ, ЕМЕС функцияларын құрастыру үшін ол функцияларды қажетінше түрлендіру керек. Мысалы, ЖӘНЕ-ЕМЕС элементтерді пайдалансақ, онда нәтижесінде конъюнкция мен инверсия болу керек (1. 2 кестені қараңыз) .
1. 2. Кесте.





1. 3. Сурет.
Сонымен, ЖӘНЕ, НЕМЕСЕ, ЕМЕС функцияларды бір ғана ЖӘНЕ-ЕМЕС элементпен немесе бір ғана НЕМЕСЕ-ЕМЕС пен орындауға болады (1. 3. Сурет) . ЖӘНЕ-ЕМЕС функцияны Шеффер функциясы деп атайды (штрихом Шеффера), оны мына түрде жазады: У = Х
1
X
2
. НЕМЕСЕ-ЕМЕС -ті Пирс функциясы деп атайды (стрелкой Пирса), оны мына түрде жазады: Х
1
Х
2
. Осы элементтер арқылы жасалған құрылғылардың ұтымды қасиеттері болады: біріншіден, номенклатурасы бір типті элементтермен шектеледі және ремонты жеңілдеу болады. Екіншіден, әр шығысында инвертор болғандықтан, конъюктордан немесе дизъюнктордан шыққан потенциалдың азаюын жояп отыпады. Сондықтан, сигнал бірнеше элемент- терден өткенде оның амплитудасы аса азаймайды. Сонымен қатар, инвертордың шығысына көптеген элементтерді тіркей беруге болады (жүктеме қабілеті артады) .
2. Логикалық функциялар
Шифратор, дешифратор, мультиплексор, демультиплексор, жартылай және толық сумматор.
Комбинациялық сұлбалар дегеніміз - келген айнымалыларын өз бойында (есінде) сақтамайтын схемалар, яғни шығыс сигналы тек кірістеріне түскен сигналдарға тәуелде. Оларға жататын схемалар: Код тү. рленгіштер (шифратор, дешифратор), коммутаторлар (мультиплексор, демультиплексор), арифметикалық амалдарды орындайтын құрылғылар (компаратор, сумматор) .
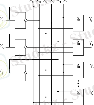
Шифратор (басқаша атауы кодер) - ондық санды екілік жүйедегі санға түрлендіретін схема. Шифраторда ондық (0, 1, 2, …, m -1) сандармен номерленген m кірістері және n шығыстары болсын. Кірістерінің біреуіне сигнал берілсе шығысында берілген кірісінің номеріне сәйкесінше n-разрядты екілік сан пайда болады. Шифратордың ақиқаттық кестесін келтіреміз:
2. 1. кесте
Кіріс номері X i
(ондық жүйеде)
Кестеде көрсетілгендей Y 0 шығысында 1-лік сигнал тақ клавишаны басқанда пайда болады, яғни Y 0 = Х 1 + Х 3 + Х 5 + Х 7 + Х 9 . Басқа шығыстарында логикалық функцияның түрлері былайша болады:
Y 1 = Х 2 + Х 3 + Х 6 + Х 7 , Y 2 = Х 4 + Х 5 + Х 6 + Х 7 , Y 3 = Х 8 + Х 9 .
Сондықтан, шифраторды құру үшін төрт НЕМЕСЕ элементтері қажет: бес кірісі, төрт кірісі және екі кірісі болатын элементтер. Шифратордың схемасы және шартты белгісі 2. 1. суретінде келтірілген.
а)
![]()
2. 1. Сурет Шифратор (а) және оның шартты белгісі (УГО) (б) .
2. 2. Сурет. Шифратор, а - схема; б - УГО.
Бұл суретте матрицалы шифратор көрсетіл- ген. Мысалы, 5-ші клавишаны басса қорек көзінің кернеуі 0101 жолына түседі де сол жолдағы диодтар ашылады. Сол жағындағы диодтан кернеу вертикал 2 2 шинасына, ал оң жағындағы диодтан 2 0 вертикал шинасына түседі. Сонда 2 2 мен 2 0 -дің суммасы 5-ке тең болады.
Дешифраторлар (Декодер) .
Енді керісінше екілік жүйесіндегі санды ондық жүйеге айналдыру үшін дешифратор схемаларын пайдаланамыз. Дешифратордың кірістеріне екілік санды беріп, шығыстарының біреуінде сигнал пайда болады. Сол шығысының ондық жүйесіндегі номері кіріс санға сәйкес келеді.
2. 3. Сурет. Дешифратор.
Дешифратордың кірістері n-разрядты код, шы-ғыстары ондық сандармен номерленген. Егер кірісіне 010 коды жіберілсе, онда Y 2 шығысы жағылады, яғни ондық 2-ні білдіреді; 011 коды келсе, онда Y 3 шығысы ондық 3-ті көрсетеді. Сөйтіп кете береді. Бұл жерде конъюнкторлар- дың шығыстарында сигнал болу үшін олардың кірістерінде 1-лік сигналдар болуын ескерте кетеміз.
Мультиплексор және демультиплексор.
Мультиплексорда бірнеше кіріс информациялық шиналардың сигналдары шығысындағы бір ғана сымға кезегімен жіберіледі. Басқаша айтқанда, бір сымға бірнеше информация көзінен көптеген мәліметтерді тығыздап жібереді. 2. 4, а суретінде 4 кірісі болатын мультиплексор схемасы көрсетілген. Қажетті информациялық шинаны шығысына жіберу үшін тиісті А және В адресті кодын таңдаймыз. Мысалға, адрес коды А=0, В=0 болса, онда Х 0 шинасынан информация Y шығысына жіберіледі. Ал В=0 және А=1 болса, онда Х 1 -ден сигнал шығысына түседі. Сөйтіп жалғаса береді.
Демультиплексор керісінше информацияны бір сымнан жан-жаққа бірнеше шиналар бойынша таратады. 2. 4, б суретінде бір ғана кіріс Х шинасы және 4 (Y 0 - Y 3 ) шығыс шиналары болатын мультплексордың схемасы келтірілген. А және В адрес коды бойынша Х шина қажетті Y шығысына жіберіледі. Мысалға, А=1 және В=1 болса, онда Х шинасы Y 3 -ке қосылады. Сөйтіп жалғаса береді.
а) б)
2. 4. Сурет. а - 4 кірісті Мультиплексор. б - 4 шығысы болатын Демультиплексор.
Жартылай қосқыш.
ЕЭМ-нің атқаратын арифметикалық амалдарының бірі (негізгісі) екілік сандарды қосу болып табылады. Бірразрядты екілік сандардың қосу ережесі еске түсірейік:
+ 0 + 1 + 0 + 1
0 0 1 1
0 1 1 10
разрядқа сыймағанын бір ойда деп, ойдағыны (ол 1 болады) келесі разрядқа ауыстырамызда төменгі разрядқа 0-ді жазамыз. Яғни төменгі разрядтағы 1-ліктерді қосқанда ондық жүйеде 2 болады: 2
10
немесе екілік жүйеде 10
2
. Ауыстырған 1-дің салмағы екі есе төменгі разрядтікінен үлкен. Ауыстыруды Р деп белгілейді (перенос) . 2. 2 кестеде біразрядты екілік сандардың қосу амалы көрсетілген.
2. 2. Кесте.
Кесте бойынша мына логикалық өрнектер шығарылады:
S=
P=X
1
X
2
(2. 1)
Мұндағы бірінші өрнек «Әрмәнділік» элементтің амалын көрсетіп тұр. Екінші өрнек - X
1
және X
2
- лердің конъюнкциясы. Осы өрнектер бойынша жартылай қосқыштың схемасын құруға болады (2. 5. Сурет) . (2. 1) формулаға сәйкес жартылай қосқыш 6 элементтен құрылып тұр. Сондықтан оны минимизировать ету үшін S функциясына
және
қосылғыштарды қосамыз. Одан S өзгермейді, өйткені қосылғыштардың әрқайссы нолге тең. Сонда:
S=
+
=
де Моргана теорема бойынша
, сондықтан
S=
. (2, 2)
Осы формула бойынша құрастырылған схеманың элементтер саны екі элементке кеміп тұр. (2. 2) формула бойынша жартылай қосқышты құрастыру студенттердің үлесінде болсын.
2. 5. Сурет. Жартылай қосқыш: ф) - структура схемасы; б) -шартты белгісі.
Толық қосқыш. Көпразрядты екі сандарды қосқанда кіші разрядта екіақ сан қосылады, ал келесі разрядтарда үш қосылғыш болуы мүмкін. Өйткені өз разрядындағы екі сан және кіші разрядтан ауыстырылған сан. Сондықтан ауыстыруды (переносты) ескере отыра 2. 3. кестені келтіреміз:
2. 3. Кесте
0
0
0
0
1
1
1
1
0
0
1
1
0
0
1
1
0
1
0
1
0
1
0
1
0
1
1
0
1
0
0
1
0
0
0
1
0
1
1
1
Осы кестеден мына өрнектерді шығарамыз:
S
i
=X
1
X
2
P
i-1
+
Бірінші жақшадағы өрнек «Бірмәнділік» амалын көрсетеді, екінші жақша - «Әрмәнділік» амалын атқарады. Екеуі бір-біріне қарама қарсы. Сондықтан:
S
i
=P
i-1
(2. 3)
P
i-1
бір айнымалы, ал (Х1
Х2) - екінші айнымалы деп ұйғарсақ, онда былайша жазуға болады:
S
i
=(X
1
X
2
)
P
i-1
(2. 4)
Және кестеден шығарамыз:
P
i
=A
i
B
i
P
i-1
+A
i
P
i-1
+
B
i
P
i-1
+A
i
B
i
=
A
i
B
i
(P
i-1
+
) +P
i-1
(A
i
+
B
i
) =A
i
B
i
+P
i-1
(
) (2. 5)
Осы формулалар бойынша толық қосқышты екі жартылай қосқыштар көмегімен құрастыруға болады екен.
2. 6. Суретте толық қосқыштың структуралық схемасы келтірілген:
а) б)
2. 6. Сурет. Толық бірразрядты қосқыш. а) - структура схемасы;
б) -шартты белгісі.
RS-, T-, D-, JK-триггерлер.
Жадылық құрылғылар. Мұндай құрылғылардың шығысындағы сигнал тек қана кірістеріндегі сигналдарғы тәуелді болмай, сонымен қатар, оның алдында ретімен келген сигналдарға да тәуелді болады. Яғни келген сигналдарға және өз ішкі күйіне тәуелді. Ал ішкі күйі бұрынғы рет-ретімен келген сигналдарға байланысты. Сондықтан, бұл құрылғылар реттелі (последовательностные) схемалар деп аталады.
Триггер дегеніміз екі тұрақты күйі болатын логикалық құрылғы болып табылады. Триггер кілт ережесінде істейтін және кері оң байланыста болатын транзисторларға негізделген. Қарапайым транзисторлы кілттер көмегімен күрделі логикалық элементтерді құрастыруға болады. Транзисторлық кілттер терістейтін схемалар болып табылады. Цифрлық техникада мұндай схемалар өте кең таралған.
Бистабильді ұяшықтар.
2. 7. Суретте бірнеше кілттер тізбектеліп көрсетілген. Көршілес тұрған кілттердің күйлері қашанда бірбіріне қарама-қарсы. Сол себептен, 2. 7 а суретіндегі T n+1 кілттің шығыс кернеуі Т n кілтінің кіріс кернеуімен бірдей. Сондықтан, (n+1) -кілттің шығысын n-кілттің кірісімен біріктірсе (үздікті сызықты қараңыз) ешбір өзгеріс болмайды. Бұл транзисторлардың тұрақты күйлері екі вариантта болады: Т n жабық, Т n+1 ашық немесе керісінше. Мұндай схемаларды бистабильді ұяшықтар( ячейки) (БҰ) немесе триггерлер деп атайды.
а) б)
2. 7. Сурет. а -бистабильді ұяшықтардың тегі, б - Бистабильді ұяшық.
Бистабильді ұяшықті жеке қарастырамыз (2. 7 б суреті) . Схема толық симметриялық түрінде берілген, яғни резисторлардың кедергілері бірдей және транзисторлар бір технологиямен бірдей жасалған. Бірақ жұмыс істеу барысында транзисторлар мүлдем ассиметриялық күйінде болады. Өйткені кері қарама-қарсы оң байланыс орнатылған. Яғни біреуі ашылса екіншісі міндетті түрде жабылады. Схема қаншама симметриялық түрінде құрылса да (симетрияда токтар бірдей болу керек) транзисторлардың біреуінің тогы флуктуация есебінен сәл ғана артып кетуі әбдән мүмкін. Тогы артып кеткен транзистордың коллекторындағы кернеу сол себептен азая бастайды. Осы азайған кернеу мөлшері кері байланыс арқылы екінші транзистордың базасына беріліп оны жабынқырайды. Сәл ғана жабыла бастаған екінші транзистордың коллектор кернеуі арта бастайды. Енді осы арта бастаған кернеу кері байланыс арқылы алғашқы ашыла бастаған транзисторды одан бетер аша бастайды. Ендігі кезекте бұл транзистор екінші ттранзисторды одан бетер жаба бастайды. Бұл регенеративті процес өте тез жүріп, тез аяқталады. Нәтижесінде, транзистордың біреуі толық ашық, екіншісі толық жабық күйінде болады. Схеманың осы тұрақты күйі ұзаққа созылады. Оны өзгерту үшін сырттан сигнал беру керек.
3. Жиілік бөлгіш
Кірісіне келетін импульстарды санауға мүмкіндік беретін, сандық техникадағы арнайы элементтер- есептеуіштер деп аталады.
«Импульстарды есептеуіштер» ұғымы мен «жиілік бөлгіші» ұғымы бір-бірімен тығыз байланысты. Негізінде бұлар бір құрылғылар. Екеуінеде тоқтала кетер болсақ. Қарапайым жиілік бөлгіші ретінде алдыңғы тарауда қаралған JK триггер бола алады. Осы триггер бөлгіш сияқты жұмыс жасау үшін J және K екі кірісіне де биік логикалық деңгей беру қажет. Егер, С кірісіне кейбір тұрақты жиілікті импульстық сигналды берсе, онда әрбір кіріс импульстың басылуы кезінде триггер қарама-қарсы күйге қосылады. Соның нәтижесінде JK-триггердің шығысында кірісінде жүрген жиіліктік импульстен 2 есе кіші басқа жиілікті импульстік сигнал аламыз. Бұл процесс 3. 1. суретте көрсетілген. Суретте көрсетілгендей бөлгіштің шығысындағы сигналдың периоды кірісіндегі сигналдың периодынан тура 2 есе үлкен. Ал шығыс сигналдың жиілігі сәйкесінше кірісіне қарағанда 2 есе кіші.
3. 1-сурет Жиіліктің бөлінуі
Жиілік бөлгіштің екінші нұсқасы 3. 2 суретте көрсетілген. Ол D-триггері негізінде құрастырылған. D- триггерін санау режиміне келтіру үшін алдымен Q-триггерінің инверсия шығысын D-ның кірісімен жалғау керек ол 3. 2-суретте көрсетілген. Енді, С кірісіне сигнал беретін болсақ онда дәл осындай сұлба бөлгіш сияқты жұмыс жасайды. Бұндай бөлгіштің шығыс сигналы Q триггерінің шығысына түседі. Бұл сұлбаның жұмысын тереңірек қарайтын болсақ. Қосылғаннан кейін триггер бірлік күйге түсетінін болжаймыз. Бұл (Q) триггердің инверсиялық шығысында логикалық ноль болатынын білдіреді. Осы ноль D-кірісіне түседі. Бөлгіштің кірісіне алдыңғы жағдайдағы сияқты кейбір сандық сигналды береміз(3. 1сур. көр)
Бірінші кіріс сигналдың басылуына байланысты D-триггері нольдік күйге өтеді, өйткені оның D-кірісінде сигнал логикалық нольге тең. Осыдан кейін триггердің инверсиялық шығысында логикалық бірлік бекітіледі. Сондықтан триггер келесі кіретін импульстың басылуы бойынша бірлік күйге ауыстырылып қосылады. Және әрі қарай солай.
Бөлгіштің D-триггердегі жұмыс нәтижесі дәл JK-триггердегі секілді, және шығыс сигнал жаңа нұсканың 3. 1 суреттегі белгісіне сәйкес келеді. Қазіргі таңда JK-триггер сирек қолданылады.
Өзінің ыңғайлылығы мен әмбебаптығының арқасында D-триггерлер анағұрлым көп қолданылады.
3. 2-сурет Қарапайым жиілік бөлгіші
Жиілік бөлгіштер цифрлы техникада кеңінен қолданылады. D-триггери тизбекке жалғанса генератормен берілген импульстарды бөлу арқылы керек жиіліктегі сигналдарды ала-аламыз.
Мысал. Егер екі бөлгіш тізбектей жалғанса, сигналдың кірісіндегі жиілігіне қарағанда 4- есе аз жиілік шығады. Үш каскадты бөлгіш (үш тізбектей жалғанған D-триггерлер) сегізге бөледі. Төрт каскадты он алтыға бөледі. Және де осы ретпен әрі қарай жалғаса береді.
... жалғасы- Іс жүргізу
- Автоматтандыру, Техника
- Алғашқы әскери дайындық
- Астрономия
- Ауыл шаруашылығы
- Банк ісі
- Бизнесті бағалау
- Биология
- Бухгалтерлік іс
- Валеология
- Ветеринария
- География
- Геология, Геофизика, Геодезия
- Дін
- Ет, сүт, шарап өнімдері
- Жалпы тарих
- Жер кадастрі, Жылжымайтын мүлік
- Журналистика
- Информатика
- Кеден ісі
- Маркетинг
- Математика, Геометрия
- Медицина
- Мемлекеттік басқару
- Менеджмент
- Мұнай, Газ
- Мұрағат ісі
- Мәдениеттану
- ОБЖ (Основы безопасности жизнедеятельности)
- Педагогика
- Полиграфия
- Психология
- Салық
- Саясаттану
- Сақтандыру
- Сертификаттау, стандарттау
- Социология, Демография
- Спорт
- Статистика
- Тілтану, Филология
- Тарихи тұлғалар
- Тау-кен ісі
- Транспорт
- Туризм
- Физика
- Философия
- Халықаралық қатынастар
- Химия
- Экология, Қоршаған ортаны қорғау
- Экономика
- Экономикалық география
- Электротехника
- Қазақстан тарихы
- Қаржы
- Құрылыс
- Құқық, Криминалистика
- Әдебиет
- Өнер, музыка
- Өнеркәсіп, Өндіріс
Қазақ тілінде жазылған рефераттар, курстық жұмыстар, дипломдық жұмыстар бойынша біздің қор #1 болып табылады.

Ақпарат
Қосымша
Email: info@stud.kz