Температураның электронды реттегішін өңдеу


Мазмұны:
Температураның электронды реттегішін өңдеу
Кіріспе
Электроника түрлі салалардағы проблемаларды шешу үшін әмбебап және айрықша құралы болып табылады. Оны қолдану аясы үнемі кеңейіп отырады. Іс жүзінде әрбір өте күрделі техникалық жүйе электрондық құрылғылармен жабдықталған. Техникалық прцесстерді онсыз басқару өте қиын деп айтуға болады. Функция құрылғыларының түрлері күннен күнге көбею үстінде. Ең жақсы сымсыз құрылғыларды сіз ескермей қалуыңыз мүмкін, бірақ ол уақытында барлық қажетті функцияларды орындайды. Олардың бір түрі электрондық термометр болып табылады.
Маңыздысы бұл температураны бақылау үшін ғана емес, сонымен қатар оны басқаруғада болады. Мысалы, өнеркәсіпте сапалы асфальт алу үшін температураны үнемі 500С ұстап тұру үшін қажет. Құс инкубаторла-рында температураның айтарлықтай бір дәрежесін өзгертсек жұмыртқаның басым саны зақымдалып, қаржылық шығыдарға әкелуі мүмкін. Сол сияқты тоңазытқыштың температурасы істемей қалса оның ішіндегі азық-түліктер жарамсыз болуы мүмкін.
Термометрдің көптеген түрлері бар: сынап, сынапты термометр капиллярдан тұратын шыны колба, оның ішінде сынап болады. Оның әсері температура өзгергенде сынаптың кеңею қабілетіне байланысты негізделген. Сынап бағанасы ысыған кезде жоғары нүктеге көтеріледі де, суығанда қайта түспейді. Қайтадан бастапқы қалыпқа түсіру үшін, қызуөлшегішті сілкілеуіміз қажет.
Электрлі термометрлар - бұл термометрлердің жұмыс істеу принципі сыртқы температура өзгергенде өткізгіште пайда болатын қарсылыққа байланысты.
Механикалық термометр - бұл термометрлардың жұмыс істеу принципі жоғарыда айтып өткен термометрлар сияқты, тек бір айырмашылығы мұнда датчик орнына металды спираль немесе биметалдан жасалған лента қолданылады.
1 Атауы және қолдану облысы
Құрылғы берілген бағдарламаның температурасының қажетті және оның сыни өзгерістерін болдырмау ауытқуын анықтау, бақылау үшін арналған. Егер нысан бақылау температурасы төмендеп немесе артса реттеуіш бұл өзгерісті жазып алып температураны түзетуі немесе қалпына әкелуі керек, содайн кейін температураны өзгертудің қажеттілігі келмегенге дейін оны тұрақты ұстау керек.
Термореттегіштің қолдану аясы өте кең. Мысалы, медециналық тоңазтқышта тұрақты температурада дәрі-дәрмектерді сақтау үшін қолданылуы мүмкін. Термореттегіш инкубаторларда қолдануы мүмкін, сондай-ақ температура бір-екі градусқа ауытқыса орны толмас салдар және қаржылық шығындар әкеледі. Реттегішті қазандықта пайдалануы мүмкін, егер олар мұндай қарастырылмаған болса, онда реттегіш су температурасын реттеуге мүмкіндік береді.
Бұйымды айналмалы білік пен үтіктеу машинасының соған жабысып тұрған ыстық «табанының» (үтігінің) арасына керіп ұстау арқылы үтіктейді. Үтіктеу машинасына түрлі маталарды үтіктеу үшін қажет температураны белгілейтін термореттегіш орнатылған.
Жылуды үнемдеу әдістерінің бірі радиатор термореттегіш болып табылады. Термореттегіш - үй-жайды жылыту үшін пайдаланатын жылу энергиясын автоматты түрде үнемдеу және реттеуге арналған құрал. Орналастырған жағдайда үй-жайдың ауасын реттеу үшін терезелерді ашуға қажет емес. Термореттегіш өзі ауаны керекті диапозонда сақтап отырады. Термореттегіш жұмысының басты айырмашылығы үй-жайдың ауа температурасына тікелей ықпал ету болып табылады. Термореттегіштің жұмысы сіз таңдаған мағынада жұмыс атқару. Термостат температура көрсетілген шкаласы бар сапты бұру арқылы керекті температураға қосылады. Бұл бөлмеде қажетті температураны сақтауға ықпал етеді, егер де сіз бөлмеде болмаған жағдайда ауа температурасы минимумға жеткізіледі. Бөлмедегі ауа температурасы 1°С ғана қойылған жағдайда орташа жылуды 5-6% үнемсіздікке соқтырады. Сондықтан термореттегіштерді пайдалану үй-жайда қолайлы температураны сақтауға және жылу энергия шығынын азайтуға ықпал етеді.
2 Өңдеуге техникалық есеп
Температураның электронды реттегіші (келесіде ТР) әр түрлі массадағы және геометриялық көлемдегі металл жабдықдардың термоөңделуі үшін арналған кедергінің термопештер камерасында температураны ұстау және реттеу үшін арналған.
Өңделетін құрылғыны үндестіру мақсатымен ТР қыздырылатын элементтерге қажет қуатты беру үшін жеткілікті жүктемелік қабілеттілігімен, күштік коммутатормен жинақталуы керек.
Реттегіштің өлшегіш модулі пештің камерасының ішінде температураның тура бақылануы үшін температураның бірнеше бергіштерімен жинақталуға мүмкіндік алуы керек.
Реттегіш үшін есептің оперативті ауыстырылуы басқару панелінен реттегіштен қол әдісімен орындалады.
Бақыланатын температураның шын мәнін индекстеуді реттегіш блогында орындайды.
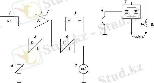
3 Функционалды схеманың температура реттегіші
Жоғарыда келтірілген талаптардан 1. 1 суреттегі құрылымдық схема
ұсынылады.
- сурет - Электр сигналдарын күшейтудің құрылымдық схемасы
3. 1 Құрылғының құрамы
мұндағы :
1. Температура бергіші
2. Дифференциалды күшейткіш
3. Салыстырмалы құрылғы.
4. Басқару қолы.
5. Кедергіні кернеуге түрлендіргіш.
6. Кернеуді токқа түрлендіргіш.
7. Бағытты индикатор.
8. Келісімді құрылғы.
9. Айнымалы ток коммутаторы (кілт) .
Температура бергіші температура өзгеруін электр сигналына түрлендіреді. Кедергі термометрі - эсері өткізгіштердің немесе жартылай өткізгіштердің электр кедергісінің температураға тэуелділігіне негізделген термометр. Кедергілікті термометр (орыс. термометр сопротивления ) -температура датчигі.
Дифференциалдық күшейткіш (ДК) кіріс кернеулерінің айырымын күшейтеді.
4 Құрылымдық схеманың өңделуі
4. 1 Температура бергіші
Температура бергіші температура өзгеруін электр сигналына түрлендіреді. Бізде нұсқаға сәйкес датчик ретінде ТСП50 қолданылады (сурет 4. 1) . T 1 =200C 0 , R2=88, 516 Ом; T 2 =450C 0 , R2=133, 353 Ом.
Сурет 4. 1 - Температура бергіші
Біз кернеуді U п = +15В деп алайық. Онда біздің формуламыз мына түр-де жазылады:
I = U п / (R1+R2) ; U шығ = I*R2. (4. 1. 1)
Ағымды бөлгіш өзгеруі R2-ге байланысты 1%-дан артық емес делік. Онда:
R1=100*R2 (4. 1. 2)
I = U п / R1 (4. 1. 3)
Нұсқаға сәйкес: R2 min = 88, 516 Ом, R2 max = 133, 353 Ом
R1 =100*R2 = 100*88, 516 = 8, 8516 кОм
R1 = 100*R2 = 100*133, 353 = 13, 3353 кОм
Кедергінің мәнін R1 = 9 кОм деп алайық.
I = U п / R1= 15 / 9*10 3 = 1, 67 mA
Кернеудің R1 кедергісі бойынша ең төменгі және ең жоғарғы темпера-турадағы мәндері:
U шығ (min) = 1, 67*10 -3 *88, 516 = 147, 82 mB
U шығ (max) = 1, 67*10 -3 *133, 353 = 222, 7 mB
Шығыс сипаттамаларының күшейткіш масштабтау шығысы сурет 4. 2 көрсетілген.
Сурет 4. 2 - Шығыс сипаттамалары
Біз сурет 3. 3 көрсетілгендей, теңдестірілген көпір арқылы осы тәуелділікті жүзеге асыру.
Сурет 4. 3 - Теңдестірілген көпір
T max кезде А1 және А2 нүктелер арасындағы потенциалдар айырмасы максималды болып табылады.
Бұл күшейткіш масштабтау үшін кіріс сигналы болып табылады.
U вых = U A1max - U A2 = 222, 7 - 147, 82 = 74, 88 mB (4. 1. 4)
R3 = R1 = 9 кОм
R4 = 1, 5*R2 max деп аламыз (4. 1. 5)
R4 = 1, 5*222, 7 = 334, 05 Ом
4. 2 Дифференциалды (масштабталатын) күшейткіш
Күшейткіш температура бергішінен келесі өңдеуге ыңғайлы деңгейге түрлендіру немесе күшейту үшін қызмет етеді (сурет 4. 2) .
Сурет 4. 4 - Масштабтау күшейткіші
U к = 0, 07488 B кезде теңдестірілген көпірден шығыс күшейткіш сигналы U шығ = 5В тең:
К у = R ос / R вх = (R8+R9) / R5 (4. 2. 1)
R5 - кіріс кедергісінің күшейткіш кезеңі.
Осыдан дифференциалды күшейтуіштен коэффициентті күшейтуді табамыз:
К у = ∆ U шығ / ∆ U к (4. 2. 2)
К у = 5 / 0, 07488 = 66, 77
R5 = R6 = 2, 2 Ом
R8 + R9 = К у *R5 = 66, 77*2, 2 = 146, 9 Ом
R8 = 2/3*146, 9 = 97, 93 Ом
R9 = 1/3*146, 9 = 48, 97 Ом
Симметрия каскады үшін мыналарды таңдаймыз:
R5 = R6 = 2, 2 Ом
R7 = R8+R9 =146, 9 Ом
4. 3 Салыстырмалы құрылғы
Құрылғы белгіленген температураға дейін тиісті сигнал деңгейін орнату үшін қызмет етеді (сурет 4. 5) .
- егер U Д < U 3 - жылытуды қосу;
- егер U Д ≥ U 3 - жылытуды өшіру.
R11 көмегімен U 3 -ке 0 В тан 5 В дейін мән береміз.
Сурет 4. 5 - Салыстырмалы құрылғы
Ағымды бөлгіш I Д = 1мА болсын, ал R11 кернеудің төмендеуін U = 5В деп алайық. Онда:
U п = I п *(R10+R11) (4. 3. 1)
R10 кернеудің төмендеуі U = 10 В
R10 = 10 кОм (E24 қатар бойынша), R11 = 6, 8 кОм (E6 қатар бойынша) .
4. 4 Индекстеу құрылғысымен кернеуді тоққа түрлендіру
Индекстеу құрылғысы (сурет 4. 6) сандық немесе бағытты индикаторға температураның мәнін шығару үшін қызмет етед. Есептің нұсқасына байланысты индикатор не миллиамперметр, не жарық диодты жетісегментті индикатор, не жарықдиодты шкала түрінде орындалады.
Сурет 4. 6 - Индекстеу құрылғысы
I = 50 мА тоғымен Д5097 милиамперметрді алайық. U шығ = 5В. Онда:
R12 + R13 = U шығ / I (4. 4. 1)
R12 + R13 = 5/50*10 -3 = 100 Ом
R12 = 2/3*(R12+R13) = 66, 7 Ом
R13 = 1/3*(R12+R13) = 33, 3 Ом
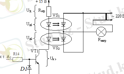
4. 5 AC үйлестіруі бар қосқыш құрылғы
Үйлестіру құрылғысы (сурет 4. 7) компаратордың шығысын теңестіру үшін және айнымалы кіріс ток үшін қызмет етеді.
Сурет 4. 7 - Үйлестіру құрылғысы
Оптотиристордың параметрі: ТО125-12. 5-10
I упр = 80 mА,
U ком = 1000 В,
U вхмах = 4 В,
I ком = 12, 5 A.
Транзистордың параметрі: KT315Б
... жалғасы- Іс жүргізу
- Автоматтандыру, Техника
- Алғашқы әскери дайындық
- Астрономия
- Ауыл шаруашылығы
- Банк ісі
- Бизнесті бағалау
- Биология
- Бухгалтерлік іс
- Валеология
- Ветеринария
- География
- Геология, Геофизика, Геодезия
- Дін
- Ет, сүт, шарап өнімдері
- Жалпы тарих
- Жер кадастрі, Жылжымайтын мүлік
- Журналистика
- Информатика
- Кеден ісі
- Маркетинг
- Математика, Геометрия
- Медицина
- Мемлекеттік басқару
- Менеджмент
- Мұнай, Газ
- Мұрағат ісі
- Мәдениеттану
- ОБЖ (Основы безопасности жизнедеятельности)
- Педагогика
- Полиграфия
- Психология
- Салық
- Саясаттану
- Сақтандыру
- Сертификаттау, стандарттау
- Социология, Демография
- Спорт
- Статистика
- Тілтану, Филология
- Тарихи тұлғалар
- Тау-кен ісі
- Транспорт
- Туризм
- Физика
- Философия
- Халықаралық қатынастар
- Химия
- Экология, Қоршаған ортаны қорғау
- Экономика
- Экономикалық география
- Электротехника
- Қазақстан тарихы
- Қаржы
- Құрылыс
- Құқық, Криминалистика
- Әдебиет
- Өнер, музыка
- Өнеркәсіп, Өндіріс
Қазақ тілінде жазылған рефераттар, курстық жұмыстар, дипломдық жұмыстар бойынша біздің қор #1 болып табылады.

Ақпарат
Қосымша
Email: info@stud.kz