Мұнай өңдеу


МАЗМҰНЫ
І. Кіріспе . . . 3
ІІ. Негізгі бөлім . . . 4
2. 1. Мұнайды алғашқы өңдеуге арналған құрама (комбинирленген)
қондырғылар . . . 4
2. 1. 1. ЭЛОУ-АТ(мұнайды алғашқы) айдау қондырғысы . . . 4
2. 1. 2. ЭЛОУ -АТ қондырғысының атмосфералық торабы схемасын таңдау . . . 5
2. 1. 3. ЭЛОУ-АТ қондырғысының технологиялық жүйесі . . . 6
2. 1. 4. Мазутты вакуумда айдау . . . 8
2. 1. 5. АТ (АВТ) - бензинді екі рет айдауға арналған қондырғы . . . 8
2. 1. 6. ЭЛОУ-АВТ - атмосфералы және вакуумды айдау . . . 10
2. 2. Каталитикалық риформинг . . . 11
2. 2. 1. Процестің даму тарихы . . . 11
2. 2. 2. Процестің мақсаты мен алынатын өнімдер . . . 12
2. 2. 3. Процестің шикізаты мен параметрлері . . . 13
2. 2. 4. Қолданылатын катализаторлар мен процестің механизмі . . . 16
2. 2. 5. Риформинг құрылымының реакторлары . . . 18
2. 2. 6. Каталитикалық риформинг құрылымының технологиялық
схемасыныңсипаттамасы . . . 21
ІІІ. Қорытынды . . . 23
ІV. Пайдаланылған әдебиеттер тізімі . . . 25
Кіріспе
Мұнай өңдеу және мұнай өндірісінің негізгі міндеттерінің бірі - мұнайды қолдану тиімділігін арттыру, және оны ары қарай терең өңдеуді қамтамасыз етіп, белгілі қуатты реконструкция және интенсификация есебінен прогрессивті қалдықсыз өңдеу технологиясын, шығарылатын өнімнің көлемін көбейтіп, оның сапасын жоғарылату болып табылады.
Мұнай өңдеу өндірісіндегі технологиялық процестерде сапасы нашар мұнайдан мотор отындарының, майлағыш майлардың, майлағыштардың және басқа мұнай өнімдерінің ассортиментін кең көлемде шығымын жоғарылатуды қамтамасыз ету қажет.
Ең негізгі талаптардың бірі мұнайды ұтымды пайдалану, яғни отындық дистилляттарды АҚ және АВҚ қондырғыларында айдау арқылы шығымын жоғарылату болып табылады. 3500С-қа дейін қайнайтын ашық фракциялар және АҚ қондырғысындағы ашық мұнай өнімдерінің жиынтығы арасындағы потенциалдар айырмасы өңделуші мұнайдың сапасына, алынаын өнімдер ассортиментіне байланысты және олардың қатынасы 5-7 % (масс. ) мұнай массасына құрайды.
Мұнай өңдеу зауытында мұнайды алғашқы өңдеу қондырғылары үлкен роль атқарады. Газды бөлу, каталитикалық крекинг, кокстеу және т. б. тазалау процестерінің тиімділігі оның жұмыс істеу көрсеткіштеріне байланысты болады.
Еңбек өнімділігін арттыру, тауар өнімдерінің құнын төмендету, энергетикалық шығындарды, металдың меншікті шығынын, күрделі салымдар және пайдалану кезіндегі шығындарды қысқарту қондырғылардың техника-экономикалық көрсеткіштерін жақсартады.
Алғашқы айдау қондырғыларын жинақтау құрылысы үлкен экономикалық артықшылық болып саналады. Мұнай өңдеу зауытындағы процестерді жинақтау негізгі өндіріс аумағының шағын орналасуына, технологиялық және энергетикалық коммуникациялардың санын азайтуға, жалпы зауыттық шаруашылықтың көлемін қысқартуға, қызметшілер санын азайтуға мүмкіндік береді.
Мұнайды алғашқы өңдеу процестерін ары қарай жетілдіру үшін қондырғысының тиімділігі барынша жоғары және негізгі құрал-жабдықтарды автоматтандыру қажет.
Мұнай өңдеу өнеркәсібінің дамуы, басқа сала өнеркәсіптері сияқты ғылыми-зерттеу және жобалау-конструкторлық жұмыстармен тығыз байланысты. Мұнайды зерттеудің негізгі мақсаты - өндірістік шикізат ретінде отындар, майлар, битумдар және басқа тауарлық өнімдер алу болып табылады.
2. 1. Мұнайды алғашқы өңдеуге арналған құрама (комбинирленген) қондырғылар
Мұнайды алғашқы өңдеудегі негізгі процесс алғашқы немесе тура айдау болып саналады, оны дистилляция мен ректификацияны қолданып жүргізеді.
Қазір мұнай айдауды қондырғыларда бір рет буландыруды көп пайдаланады. Өндірісте бір рет буландырумен айдауды бумен сұйық фазаны ректификациялаумен жалғастырып жүргізу мұнайды фракцияларға бөлуде жоғары нәтижеге жетуге, процестің үздіксіз жүруіне және шикізатты қыздыруға отын шығынын үнемдеуге мүмкіндік туғызады.
Ректификациялау деп - қайнау температурасының бір - бірінен айырмашылығы бар сұйықтардың қарама - қарсы қайта - қайта жанасуының нәтижесінде, бөлінуінің диффузиялық процесін айтады.
Булар мен сұйықтардың жанасуы тік цилиндр тәрізді құралдарда арнайы жабдықтармен жарақталған ректификациялаушы табақшалары немесе насадкалары бар, колонна бойымен жоғары көтерілуші бу мен төмен ағушы сұйықтық арасында өте тығыз жанасуды қамтамасыз ететін - ректификациялық колонналарда іске асырылады.
Мұнай өңдеу зауытында мұнайды және мазутты айдау жүйелерінің барлық түрлері қолданылады, өз алдына тұрған атмосфералық айдау қондырғылары, құрастырма атмосфералық-вакуумдық айдаудың құбырлы қондырғылары пайдаланылады.
Ең алғаш біздің елде (1950ж) қуаты аз 0, 5-0, 6млн. т/ж АТ қондырғылар, соңғы жылдары олардың қуаты 1-6 (8) млн. т/ж өсті.
АТ-да, АВТ-да алынатын бензин фракцияларында әдетте еріген газдар болады. Сондықтан оны ректификациялық колоннада тұрақтандыруға ұшыртады. Тұрақты бензиннің сапасын оның құрамындағы изобутан мен нормалды бутанның суммалық мөлшеріне немесе тауарлық бензиннің рұқсат етілген қаныққан булар қысымына байланысты бақылайды.
Бензинді тұрақтандыру мен оны жеке фракцияларға бөлуге бірнеше ректификациялық колонналар қажет. Олардың саны алынатын фракциялар санынан бірге аз болады. Әдетте тұрақтандыруды 0, 8-1, 4МПа қысымда өткізеді, ол газдардың толық немесе бір бөлігінің конденсациясын қамтамасыз етеді.
Алдын ала бензинсіздендіру колоннасы мен негізгі атмосфералық колоннасы және бензинді екіншілік айдау торабы бар ЭЛОУ-АВТ - бензинді екіншілік айдау комбинирленген схема жобаланған.
2. 1. 1. ЭЛОУ - АТ (мұнайды алғашқы) айдау қондырғысы
ЭЛОУ-АТ қондырғысының технологиялық схемасы берілген шикізаттан өнімдердің таңдалған ассортиментін қамтамасыз ететін ең экономикалық жағынан тиімдісі болуы керек.
ЭЛОУ-АТ қондырғысы схема таңдау кезінде қондырғының оптималды
қуатын, АТ-ны басқа қондырғыларымен комбинирлеу мүмкіндігін, қондырғы
аумағында жабдықтардың орналасу схемасын анықтау керек. Таңдалған схема айдалу тереңдігін, фракциялау дәлдігін, процесс икемділігін, үлкен жөңдеу аралық мерзім мен жоғары техникалық экономикалық көрсеткіштерді қамтамасыз етуі керек.
Қазіргі заманғы зауыттарда технологиялық байланысты схемаларды комбинирленген қондырғыларда біріктіру қолданылады. Мұндай комбинерленудің келесідей артықшылықтары бар: жеке қондырғылар саны, құбырлар желісі ұзындығы және аралық сыйымдылықтар саны азаяды, процестердің өзінің энергитикалық қорлары эффективті қолданылады; электр қуатының, бу мен салқындатуға, ысытуға және аралық өнімдерді тасымалдауға жұмсалатын су шығыны едәуір төмендейді; қазіргі заманғы бақылау құралдары мен автоматика құралдары кеңінен қолданылады; металл шығыны, өндіріс ауданы күрт азаяды. Комбинирлеу нәтижесінде капиталдық шығындар мен өнімнің өзіндік құны күрт төмендейді, еңбек өнімділігі артады.
Мұнай өңдеу өнеркәсібінде неғұрлым жие келесі комбинациялар қолданылады: ЭЛОУ-АТ; АТ-бензиндерді екіншілік айдау және ЭЛОУ-АТ бензиндерді екіншілік айдау. Осы процестерді комбинирлеу технологиядағы ұқсастығымен және бірдей жөндеу аралық ұзақтылықпен түсіндіріледі.
2. 1. 2. ЭЛОУ -АТ қондырғысының атмосфералық торабы схемасын таңдау
АТ атмосфералық торабында мұнай айырудың үш схемасын қолданады: атмосфералық блокта бір күрделі ректификациялық колоннасы бар схема (нұсқа 1), алдын ала буландырғышы және ректификациялық колоннасы бар схема (нұсқа 2) және алдын ала бензинсіздендіру колоннасы мен негізгі ректификациялық колоннасы бар схема (нұсқа 3) .
Нұсқа 1 құрамындағы бензин фракцияларының мөлшері 2-10% дан артық емес тұрақтандырылған мұнайлар үшін қолданады. Қондырғы қарапайым және компактті. Колоннада жеңіл және ауыр фракцияларды бірге буландыру мұнайды пеште қыздыру температурасын төмендетуге мүмкіндік береді.
Нұсқа 2-ні пайдаланумен пеш құбырларындағы қысым құламасы төмендейді.
Бұлар буландырғыштан атмосфералық колоннаға бағытталады, сондықтан суландыру беруге жеке конденсацияланушы жабдықтар мен насостар орнату қажет емес болады. Бір колоннада жеңіл және ауыр фракцияларды бір уақытта ректификациялау пеште қыздыру температурасын төмендетеді. Бірақ бензин фракциялары мен еріген газдар мөлшері жоғары болған жағдайда, атмосфералық колонна булар бойынша артық жүктеліммен жұмыс істейді, бұл аппарат диаметрін арттыруды талап етеді. Барлық коррозиялық агрессивті заттар сутегі хлориді, күкірт сутек, меркаптандар және басқа булармен бірге буландырғыштан колоннаға келіп түседі, яғни буландырғыш атмосфералық колоннаны коррозиядан қорғамайды.
Ең кеңінен тарағаны нұсқа 3 ол неғұрлым икемді және бензин фракциялары мен еріген газдар мөлшерінің елеулі өзгерулері кезінде жұмыс істей алады. Коррозиялық агрессивті заттар бірінші колоннаның үстіңгі бөлігі арқылы шығарылады, сонымен негізгі колонна коррозиядан қорғалған. Бензиннің бір бөлігінің алдын ала шығарылуына байланысты пеш пен жылуалмастырғыштардың имек құбырларында жоғары қысым жасалмайды, бұл өз алдына беріктілігін өсірмей неғұрлым арзан жабдықтар орнатуға мүмкіндік береді.
Технологиялық схеманың технологиялық режимнің келесідей нормалары бар:
-электродегидраторға кіре берістегі мұнай
температурасы, ºС
- Температура, ºС
үсті
асты
150
380
- суландырылу температурасы, º С
I циркуляциялық суландыру
II циркуляциялық суландыру
III циркуляциялық суландыру
сапа бойынша
сапа бойынша
сапа бойынша
- Табақшалар үстіндегі температура, ºС
39-табақша
28-табақша
19-табақша
180
280
330
Пайдалану қазандығынан кейінгі түтін газдарының
температурасы, ºС
2. 1. 3. ЭЛОУ-АТ қондырғысының технологиялық жүйесі
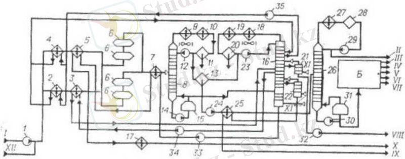
ЭЛОУ-АТ қондырғысының жүйесі бойынша екі рет буландыру принципі іске асырылған. Бұл жүйе бойынша, шикі мұнай сорап арқылы, жылуалмастырғыштардан, шоғырынан өтіп, бензинсіздендіру колоннасына түседі. Колоннаның жоғарғы жағынан шығатын өнім - жеңіл бензин фракциясын ауамен және сумен суытатын тоңазытқыштарда суытылады да, рефлюкс ыдысына түседі, одан бензиннің бір бөлігі сорап арқылы ағын есебінде беріледі де, ал негізгі балансты мөлшері өзінің қысымымен ыдысқа түседі. Колоннаның астынан шығатын өнім жартылай бензинсізденген мұнай - сораппен алынып құбырлы пешке жіберіледі. 360 ºС дейін қыздырылған мұнайдың екі ағымының біреуі колоннаға қосымша ректификациялауға қажетті жылу беру мақсатында беріледі де, ал екінші ағымы атмосфера колоннасына жіберіледі (сурет 1) .
Ортаңғы - негізгі атмосфералық колоннада мұнай бірнеше фракцияларға бөлінеді.
Колоннаның астынын температурасын төмендету және мазуттан мөлдір өнімдерді толығырақ алу үшін, ондағы ректификациялауды су буының қатысуымен жүргізеді. Буды колоннаның төменгі бөлігіне береді. Колоннаның төменгі жағынан шығарылатын мазут мұнайды қыздыратын жылуалмастырғыштар және тоңазытқыштар арқылы қондырғыдан шығып кетеді.
Колоннаның жоғарғы жағынан қайнау шегі 80 ºС болатын бензин фракциясының буы және су буы шығарылады. Булар ауамен және сумен салқындатылатын конденсатор-тоңазытқыштарға келіп түседі, одан конденсациялаудан өткеннен кейін, өнім су бөлгіш сыйымдылыққа беріледі. Судан бөлінген ауыр бензин сыйымдылыққа келіп түсіп, бензиннің бір бөлігі сыйымдылықтан салқын ағын (флегма) есебінде қайта колоннаға беріледі.
Бұл колоннадан екі бүйірлік өнім - керосин (180-230 ºС) және дизель (230-350 ºС) фракцияларын алады. Өнімдер әуелі буландырушы колоннаға түседі де, су буының қатысуымен жеңіл фракцияларға бөлінеді. Жеңіл фракциялардан арылған мақсатты өнім жылуалмастырғыштар мен тоңазытқыштар арқылы қондырғыдан шығарылады, ал жеңіл фракциялар колоннаға қайта беріледі.
Қайнау басы (қ. б. ) -180 ºС бензин фракциясы сыйымдылықтан сораппен жылуалмастырғышқа беріледі, онда 230-350 ºС фракциямен 170 ºС-ге дейін қыздырылады, одан кейін тұрақтандырушы колоннаға беріледі. Колоннаның жоғарғы өнімі тұрақтандыру басы конденсатор-тоңазытқышқа жіберіледі де, конденсацияланады. Фракцияның бір бөлігі колоннаға ағын есебінде беріліп, ал оның балансты мөлшері қондырғыдан шығарылады. Тұрақтандырушы колоннаның төменгі өнімі - тұрақты қ. б. -180 ºС бензин фракциясы бензинді екіншілік айдау бөліміне беріледі, онда ол қайнау температурасы жақын фракцияларға бөлінеді. Колоннадағы жылу режимін ұстап тұру үшін бензин фракциясының бір бөлігі сораппен пештен қыздырылып, буға айналып, бу фазасы күйінде колоннаға қайта беріледі.
Сурет 1. Мұнайды алғашқы өңдеуге арналған ЭЛОУ-АТ-6 комбинирленген
қондырғысының технологиялық схемасы.
1, 12, 14, 23, 24, 29, 40, 32-35 -насостар; 2-5, 7, 25 - жылуалмастырғыштар; 6- электродегидраторлар; 8, 16, 21, 22, 26 - колонналар; 9, 10, 18, 19, 27 - конденсатор- тоңазытқыштар; 11, 13, 20 - сыйымдылықтар; 15, 31 - құбырлы пештер; 17 - тоңазытқыш; В - бензинді екіншілік айдау торабы; I-мұнай; II тұрақтандыру басы; III-қ. б. -62°С фракциясы; IV-62-85°С фракциясы; V-85 105°С фракциясы; VI-105-140°С фракциясы; VII-140-185°С фракциясы; VIII- 180-230°С фракция; IX-230-350°С фракция; X-350°С-ден жоғары фракция; XI-су буы; XII-деэмульгатор.
2. 1. 4. Мазутты вакуумда айдау
Мұнай типіне байланысты атмосфералық айдау қалдығынан (мазуттан) майлық дистилляттар немесе вакуумдық газойль бөледі. Майлық дистилляттарды май өңдеу торабына, ал газойльдерді каталитикалық крекинг қондырғысының шикізаты ретінде пайдаланады. Бөлінетін компоненттердің қайнау температураларын төмендету және шикізаттың термиялық ыдырауының алдын алу үшін мазутты вакуумда айдайды. Вакуумның тереңдеуімен компоненттердің қайнау температуралары күрт төмендейді. Вакуум барометрлік конденсаторлармен және вакуумдық насостармен (поршендік, ротациялық, әжекторлармен немесе ағынды) жасалады.
2. 1. 5. АТ (АВТ) - бензинді екі рет айдауға арналған қондырғы
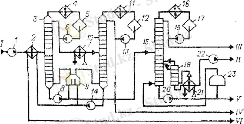
Колонна (16) -ның үстіңгі жағынан бензин фракциясының булары мен су буы шығарылады. Булар ауамен және сумен салқындатылатын конденсатор- тоңазытқыштарда (19), (20) конденсацияланғаннан кейін су бөлгіш- сыйымдылыққа (21) беріледі. Судан бөлінген бензин сыйымдылыққа (18) беріледі, сыйымдылықтан (21) бензиннің бір бөлігі колонна (16) -ға суландыру ретінде кайтарылады (сурет 1) .
Бензин фракциясы қ. б. -180С° сыйымдылықтан (18) насоспен (46) жылуалмастырғышқа (45) беріледі де 230-350°С фракциямен 170°С-ге дейін қыздырылады да тұрақтандыру колоннасына (26) -ның үстіңгі өнімі тұрақтандыру басы - конденсатор-тоңазытқышқа (37) беріледі. (37) -ден конденсатор (38) -ге беріледі, одан үстіңгі өнімнің бір бөлігі суландыру ретінде (26) -ға қайтарылады, ал баланстық мөлшері қондырған шығарылады. Колонна (26) -ның төменгі өнімі - тұрақты бензин фракциясы бензинді екіншілік айдау торабына беріледі де және фракцияларға бөлінеді.
Бензин фракциясы (қ. б. -180°С) жылуалмастырғыш (2) арқылы колоннаға (3) беріледі, оның үстінен қ. б. -85°С фракция айдалады. Бұл фракция содан кейін колонна (10) -ға беріледі де екі фракцияға бөлінеді: қ. б. 62°С және 62- 85°С (сурет 2) .
Колонна (3) -тің төменгі жағынан 85-180°С фракция колонна (15) -ке беріледі. Колонна (15) -тің үстіңгі жағынан 85-105°С фракциясы алынады, ал төменгі бөлігінен 140-180°С фракция алынады. Осы колоннаның бүйірлік погоны 105-140°С фракциясы. Бүйірлік погон буландыру колоннасы (19) -ға беріледі.
Колонналар (3), (10), (15) -те ректификация процесін өткізуге қажетті жылуды пештер (9) бен (23) -те циркуляцияланатын төменгі өнімді қыздырумен жүзеге асырылады.
Реактификациялық калонналар (3), (10), (15) -тің жоғарғы өнімдері қаптама құбырлы конденсаторлар (4), (11) және (16) -да конденсацияланады. Конденсаттар рефлюксті сыйымдылықтар (5), (12), (17) -де жиналады, одан конденсаттың бір бөлігі өткір суландыру ретінде калоннаға қайтарылады, баланстық мөлшер қондырғыдан шығарылады.
Сурет 2. Бензинді екіншілік айдау қондырғысының технологиялық схемасы.
1, 6, 8, 13, 14, 18, 20, 22 - насостар; 2-жылуалмастырғыш; 3, 10, 15, 19-колонналар; 4, 11, 16-конденсатор-тоңазытқыштар; 5, 12, 17-сыйымдылықтар;
7-буқыздырғыш; 9, 23-құбырлы пештер; 21-қайнатқыш; I-қ. б-180°С фракция; II 105-140°с фракциясы; III-85-105°С фракциясы; IV-қ. б-62°С фракциясы; V- 140-180°С фракциясы; VI-62-85°С фракциясы.
2. 1. 6. ЭЛОУ-АВТ - атмосфералы және вакуумды айдау
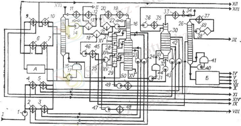
Мұнайды өңдеуге негізделген екіншілік айдауы бар ЭЛОУ-АВТ қондырғысының сипаттамасы келесідей (сурет 3) :
Қондырғыға берілетін мұнай насоспен (1) екі ағын болып шикізат жылуалмастырғыштары (2) - (5) арқылы өтеді. Бірінші ағын калоннаның (16) үстіңгі (2-де) және төменгі (3-те) циркуляциялық суландылуларымен жылуалмасу арқылы жылытылады. Екінші ағын жылуалмастырғыштар (4) және (5) арқылы өтіп вакуум калоннасының (30) төменгі және ортаңғы циркуляциялыұқ суландырулармен жылытылады. Содан кейін мұнайдың екіағыны да араластырылып беріледі.
Сусыздандырылған және тұзсыздандырылған мұнай кейін қайтадан екі ағынға бөлініп жылуалмастырғыштарға беріледі. Мұнайдың бірінші ағыны жылуалмастырғыштар (6) мен (7) -де гудронмен жылытылады, екінші ағын (9) - да калоннаның (30) төменгі циркуляциялық суландыруымен және (10) -да гудронмен жылытылады. Содан кейін мұнай бензинсіздендіру калоннасына (8) беріледі.
Атмосфералық калоннада (16) екі бүйірліік погон - керосиндік (180- 240°С фракция), дизельдік (240-350°С фракция) алынады.
Сурет 3. ЭЛОУ-АВТ-6 комбинирленген қондырғысының технологиялық схемасы.
1, 14, 17, 22-25, 31, 36, 39, 40, 42-44, 46, 47, 49 - насостар; 2-7, 9, 10, 45 - жылуалмастырғыштар; 8, 16, 25-30 -колонналар; 11, 12, 19, 20, 33, 37-конденсатор-тоңазытқыштар; 13, 18, 21, 38 -сыйымдылықтар; 15, 32, 41 -құбырлы пештер; 34-эжектор; 35, 48, 50-тоңазытқыштар; А-электродегидраторлар торабы; Б-бензинді екіншілік айдау торабы; I-мұнай; II-газ; III-тұрақтандыру басы; IV-VII-жеке бензин фракциялары; VIII-180-230°С фракция; IX-230-280°С фракция; X-280-350°С фракция; XI-350-500°С фракция; XII-гудрон (500°С-ден жоғары фракция) ; XIII-350°С-ден төмен фракция; XIV-400°С-ден жоғары фракция; XV-су буы; XVI- коррозия ингибиторы.
Атмосфералық колонна қалдығы - мазут - насоспен (31) құбырлы пешке (32) беріледі. Пеште 410°С-ге дейін қыздырылған мазут вакуумдық колоннаға (30) беріледі. Колоннада 6, 6кПа қалдық қысым ұсталып отырады. Колоннаның төменгі жағының температурасын төмендету және гудроннан жеңіл компоненттердің булану шарттарын жеңілдету үшін (30) -дың төменгі бөлігіне су буы беріледі.
Колоннаның (30) жоғарғы жағынан су буы, ыдырау газдары, ауа мен мұнай өнімінің (дизельдік фракция) азғантай бөлігі шығарылады. Олар конденсаторға (33) келіп түседі. Конденсацияланбаған газдар көп сатылы электормен (34) сорылады.
Колоннада (30) үш циркуляциялық суландыру қарастырылған: үстіңгі сулаңдыру 15-табақшадан алынып, химиялық тазаланған суды қыздыруға арналған жылуалмастырғышта суытылып 18-табақшаға қайтарылады. Баланстық мөлшер (350°С-ден төмен қайнайтын фракция) колонна (16) -ға бағытталады немесе дизельдік отын ағынына араластырылады. 9-табақшадан 350-500°С (вакуумдық газоиль) фракция және орта циркуляциялық суландыру алынады. Суландыру 11-табақшаға қайтарылады, ал фракция жылуалмастырғыш (5) арқылы қондырған шығарылады. Төменгі циркуляциялық суландыру 5 - табақшадан шығарылып, жылуалмастырғыштар (4) және (9) -да салқындатылып 6-табақшаға қайтарылады.
Вакуумдық колонна қалдығы-гудрон (500°С-ден жоғары қайнайтын фракция) жылуалмастырғыштар (6), (7), (10) арқылы қондырғыдан шығарылады.
2. 2. Каталитикалық риформинг
2. 2. 1 Процестің даму тарихы
Каталитикалық риформингті өндіріске ендіргенге дейін жылулық риформинг, сонымен қатар ауыр шикізаттың жеңіл крекингі мен тікелей өңдеу бензинінің жылулық риформингінің аралас үрдісі қолданылып келді.
Каталитикалық риформинг процесінің алюмохромомолибден катализаторы (540 ˚ С температурада, 4-4, 5 МПа сутек қысымында өткізілген гидроформинг) қатысындағы ең алғашқы өндірістік қондырғысы өндіріске қолданылуға 1940 жылы енгізілді және АҚШ пен Германияның мұнай өңдеу зауыттарында кең қолданыс тапты. Сол кездері гидрокрекинг процесінің негізгі қолданылу мақсаты- авто және авиабензиндерінің жоғары октанды (октан саны 80) компоненттерін алу болса, ал ІІ дүниежүзілік соғыс алу үшін қажетті шикізат ретінде толуол өндіру болды. Соғыс жылдарында АҚШ-та осы гидроформинг процесі барысында шамамен 120 мың тонна толуол өндірілсе, Германияда толуол мен авиабензиннің жоғары октанды компоненттерін алу үшін гидроформингтің алты өндірістік қондырғылары жұмыс істеді. Соғыстан кейінгі жылдарда толуолға сұраныс төмендеуіне байланысты гидроформинг қондырғылары жоғары октанды бензин алу режиміне көшті. 1949 жылы монометалды фторланған алюмоплатиналы катализатор қатысында каталитикалық риформингтің «ЮОП» фирмасы жасап шығарған бірінші қондырғысы өндірістік қолданысқа енгізілді [1 749] .
Каталитикалық риформингтің тиісті салмағы мұнай өңдеу көлеміне шаққанда АҚШ пен Батыс Еуропа елдерінде 23 және 11-19%, ал бұрынғы КСРО-да 9% шамасын құраған. Бұл процестің кең өріс алуының себептерінің бірі - химия өндірісінде бағалы моноциклді ароматикалық көмірсутектер - бензол, толуол, ксилол сияқты жеке көмірсутектерге сұраныстың өсуі болды. Сондықтан 1977 жылы АҚШ пен Батыс Еуропа елдерінде каталитикалық риформингтің барлық қондырғылары шамамен 7-10% бензол, толуол және ксилолдарды алуға пайдаланылған [2 172] .
2. 2. 2. Процестің мақсаты мен алынатын өнімдер
... жалғасы- Іс жүргізу
- Автоматтандыру, Техника
- Алғашқы әскери дайындық
- Астрономия
- Ауыл шаруашылығы
- Банк ісі
- Бизнесті бағалау
- Биология
- Бухгалтерлік іс
- Валеология
- Ветеринария
- География
- Геология, Геофизика, Геодезия
- Дін
- Ет, сүт, шарап өнімдері
- Жалпы тарих
- Жер кадастрі, Жылжымайтын мүлік
- Журналистика
- Информатика
- Кеден ісі
- Маркетинг
- Математика, Геометрия
- Медицина
- Мемлекеттік басқару
- Менеджмент
- Мұнай, Газ
- Мұрағат ісі
- Мәдениеттану
- ОБЖ (Основы безопасности жизнедеятельности)
- Педагогика
- Полиграфия
- Психология
- Салық
- Саясаттану
- Сақтандыру
- Сертификаттау, стандарттау
- Социология, Демография
- Спорт
- Статистика
- Тілтану, Филология
- Тарихи тұлғалар
- Тау-кен ісі
- Транспорт
- Туризм
- Физика
- Философия
- Халықаралық қатынастар
- Химия
- Экология, Қоршаған ортаны қорғау
- Экономика
- Экономикалық география
- Электротехника
- Қазақстан тарихы
- Қаржы
- Құрылыс
- Құқық, Криминалистика
- Әдебиет
- Өнер, музыка
- Өнеркәсіп, Өндіріс
Қазақ тілінде жазылған рефераттар, курстық жұмыстар, дипломдық жұмыстар бойынша біздің қор #1 болып табылады.

Ақпарат
Қосымша
Email: info@stud.kz