Микропроцессорлық техниканың құрылғылары


Жұмыс түрі: Курстық жұмыс
Тегін: Антиплагиат
Көлемі: 22 бет
Таңдаулыға:
ҚАЗАҚСТАН РЕСПУБЛИКАСЫ БІЛІМ ЖӘНЕ ҒЫЛЫМ
МИНИСТРЛІГІ
М. ӘУЕЗОВ атындағы ОҢТҮСТІК ҚАЗАҚСТАН МЕМЛЕКЕТТІК УНИВЕРСИТЕТІ
Автоматтандыру, ТЕЛЕКОММУНИКАЦИЯ және
БАСҚАРУ кафедрасы
КУРСТЫҚ ЖҰМЫС
пәні «Цифрлық құрылғылар және микропроцессорлар»
мамандығы: Радиотехника, электроника және телекоммуникациялар
тақырыбы: Микропроцессорлық техниканың құрылғылары
Жұмыс
Бағасы
Бағасына қорғалды
«___» 2015_ж.
Комиссия
қолы, аты - жөні
қолы, аты - жөні
Норма бақылау:
қолы, аты - жөні
Орындаған
Студент
Тобы -
қолы, аты - жөні,
Жетекші
қолы, аты - жөні,
Шымкент 2015 ж.
Ф. 7. 05-04
М. О. Әуезов атындағы Оңтүстік Қазақстан мемлекеттік университеті
Автоматтандыру, ТЕЛЕКОММУНИКАЦИЯ және
БАСҚАРУ кафедрасы
«Бекітемін»
Кафедра меңгерушісі
Исмаилов С. Ө. т. ғ. к., доцент
2015ж.
«Цифрлық құрылғылар және микропроцессорлар»
пәні бойынша курстық жұмыс
ТАПСЫРМА № 6
Студент тобы
Жұмыс тақырыбы: Микропроцессорлық техниканың құрылғылары
Бастапқы мәліметтер жоқ
Әдебиет:
1. Б. С. Есмағамбетов. «Цифрлық құрылғылар және микропроцессорлар» пәні бойынша әдістемелік нұсқау
2. Есмағамбетов Б. С. Цифрлық құрылғылары және микропроцессорлар. Оқу құралы. Шымкент: «Нұрлы бейне» баспасы, 2010, 184с
3. Есмағамбетов Б. С. Басқару жүйелердргі микропро-цессорлық кешендер. Оқу құралы. Шымкент: «Әлем баспасы», 2013, 236с
Тапсырманың берілген күні , жұмысты қорғалған күні
Жұмыстың жетекшісі:
(аты - жөні, қолы)
Тапсырманы орындауға қабылдаған
(күні, студенттің қолы)
Ф. 7. 04-06
Қазақстан республикасы білім және ғылым министрлігі
М. О. Әуезов атындағы Оңтүстік Қазақстан мемлекеттік университеті
«Ақпараттық технологиялар және энергетика» жоғары мектебі
«Автоматтандыру, телекоммуникация және басқару» кафедрасы
«Бекітемін»
Кафедра меңгерушісі
Исмаилов С. Ө. т. ғ. к., доцент
«»2015ж.
Курстық жұмыс қорғау
Хаттамасы № 6
пәні: «Цифрлық құрылғылар және микропроцессорлар»
студент тобы -
(аты - жөні)
Курстық жұмыс тақырыбы Микропроцессорлық техниканың құрылғылары Қорғау кезінде келесі сұрақтарға жауап алынды:
Курстық жұмысты орындау кезінде алынған балл (60 мүмкіндіктен) , қорғау бағаланды (40 мүмкіндіктен ) балл.
Сомалық баллы
Жұмыстың бағасы
Курстық жұмыстың жетекшісі
Комиссия мүшелері
Комиссия мүшелері
Қорғау күні 2015ж.
Аннотация
Соңғы кезде өндірістік технологиялық процестерінде қолданылатын машиналар мен жабдықтардың көбісінде басқару әрекеттері цифрлық аппаратурамен жүзеге асады. Басқаруды бір мақсатқа бағытталған ақпараттың өзгеруі деп қарастырғанда, мұндай аппаратура микропроцессордың ақпарат өңдейтін мүмкіндігін пайдаланады. Осы тұрғыдан қарағанда, курстық жұмысында қарастырылған мәселелер ақпараттың микропроцессорларға енгізетін, қабылданатын, сақталатын, түрлендірілетін, өзгертілетін және таратылатын әдістері мен өңдеуіш құрылғылардың жұмыс істеу принциптерімен танысуға жол ашады.
Курстық жұмысында микропрцессорлық техниканың құрылғылары тұралы мәселелері қарастырылған. Оның ішінде регистрлер, санағыштар, дешифроторлар, сумматорлар.
Көлемі 28 бет, 5 кесте, 18 сурет, 7 әдебиет қолданылған.
Мазмұны
Нормативтік сілтемелер 6
Пайданылатын қысқартулар мен белгілер 7
Кіріспе 8
- Регистрлер 9
- Санағыштар 11
- Дешифрлаушылар 15
- Сумматорлар 19
- Микропрограммамен басқарылатын микропроцессордың
құрылымы 22
- МикроЭЕМ-нің типтік құрылымы 25
Нормативті сілтемелерПайдаланылған әдебиеттер і 28
Қолданылған қысқартулар мен белгілер
МП - микропроцессор
R - триггерді 0-ге қою кіріс
S - триггерді 1-ге қою кіріс
J - триггерді 0-ге қою кіріс
K - триггерді 1-ге қою кіріс
С - синхрондау кіріс
Q - триггердің шығысы
Қаб - қабылдау сигналы
МД - Матрицалық дешифрлаушы
АЛҚ - арифметикалық-логикалық құрылғы
МБТБ - микробұйрықтардың тізбектілігін бақылаушы
МБЖ - микробұйрықтар жады
ОҚ - операциялық құрылғы
МОДШ - микрооперациялар дешифраторы
АШ - адрес шинасы
БШ - берілгендер шинасы
БсШ - басқару шинасы
ЖО -жадыны оқу
ЖЖ -жадыға жазу
БС - бұйрық санағыш
АР - адрес регистрі
Кіріспе
Тақырыбының өзектілігі .
Курстық жұмыстың өзектілігі тақырыб бойынша қарастылылған мателиалдардың микропроцессорлық техникада пайдалуымен анықталады.
Курстық жұмыстың мақсаттары мен міндеттері микропроцессорлық техникадағы пайдаланатын құрылғыларды қолдану принциптеріне негізделеді.
Практикалық қажеттілігі.
Курстық жұмыстың практикалық қажеттілігі қарастырылған принциетері, құрылымдық схемалары, сипаттамалары әр-түрлі цифрлық техникада қолдану мұмкіндіктерімен анықталады.
Курстық жұмыстың мазмұны тапсырманың және әдістемелік нұсқаудың талаптарына сәйкеседі [1] .
1. РегистрлерРегистр - триггерлердің реттелген жиынтығынан және кіріс пен шығыс сигналдарының басқару сұлбасымен құралған, n - разрядты кодтарды қабылдап және сақтауға арналған функционалдық құрылғы [2] . Регистр ақпараттың бір түрінен екінші түрге түрлендіруге (тізбектелген кодтан параллельды кодқа, т. б. ), сөздермен белгілі бір операциялар жасау - солға немесе оңға қозғалту, берілген комбинация кодтарын таңдау және де кейбір логикалық операцияларын (жеке разрядтармен логикалық қосу, көбейту) өткізуге арналған.
Функционалдық қызметі бойынша регистрлар ақпаратты қабылдап - жіберу және қозғалту регистрлеріне бөлінеді [2] .
Қабылдау және жіберу әдістері бойынша регистрлер тізбекті, параллельді және тізбекті-паралледьді болып бөлінеді.
2. 10 суретінде екітактілі қабылдап-жіберу регистрдың сұлбасы көрсетілген. Регистрдың разрядтығы онда қолданылған триггердің санына сәйкес. Регистр бастапқы күйінде «0» күйіне бастапқы қалпына келтіретін сигналымен келтіріледі. Регистрға ақпарат Қаб қабылдау сигналмен жазылады. Регистрге жазылған сөздің коды регистрдің «0» күйіне келгенінше сақталып тұрады. Регистрдың триггерлеріне ақпарат жазу алдында оларды «0» күйіне келтіру уақыт алады. Сондықтан, регистрдың жылдамдығын жоғарылату үшін, 1 суретінде көрсетілген регистрдан регистрға ақпаратты парафазды түрінде тарату әдісі қолданады. Рг1 регистрына жазылған код, Рг2 регистрына Қабылдау шинасында ақпарат қабылдауын басқарушы сигналы бар болғанда беріледі. Кодты тарату ЖӘНЕ 1 және ЖӘНЕ 2 сұлбалар тобы арқылы жүзеге асады. Рг2 регистр триггерлерінің нөлдік және бірлік кірістерінде, сол триггерлерді бастапқы қалпына қарамастан, қажетті қалпына келтіретін 1 және 0 немесе 0 және 1 сигналдарының комбинациялары пайда болады.
Жылжытқыш регистрлер [2] .
Жылжытқыш регистрлар ақпараттағы сөздерді оңға немесе солға қарай жылжыту операцияларын орындауға арналған, сонда кодтың солға қарай бір разрядқа жылжығаны кодты санау жүйенің негізіне көбейткенге сәйкес келеді, ал оңға жылжығаны - бөлінгеніне сәйкес келеді. Бұған себеп, позициялық санау жүйесі үшін кодының әр разрядының салмағы оның кодтағы позициясымен анықталатыны.
Қабылдап - жіберу регистрына қарағанда жылжытқыш регистрында тағы да қосымша бір регистр қолданылады. Ол жылжыту процесінде сөзді уақытша сақтауына арналған. Осылайша, регистрдың әр разряды екі триггерден тұратындығы белгілі болады (2 сурет) .
Сурет 1 - RS - триггердағы Сурет 2 - Регистрдағы кодты
регистрдың сұлбасы. парафазды сигналдармен
жіберу сұлбасы.
Сурет 3 - Жылжытқыш регистрдағы екі разрядтың сұлбасы.
D - триггердің негізінде құрылған жылжытқыш регистрларды, регистрге қабылдаған параллель кодтарды, тізбектелген кодқа түрлендіру үшін қолданады (4. сурет) .
Жазылудың рұқсаты.
Сурет 4 - D - триггер негізіндегі жылжытқыш регистрдың сұлбасы.
Бұл регистрді «0» қалпына орнатуы R кіріске берілетін теріс импульсымен («0 құру») орындалады. Параллель кодтар X 1 - X n кірістеріне келіп түседі. Параллель кодтардың жазылуы С2 кірісіне берілген оң импульстары арқылы жүзеге асады. Тізбектелген код D1 кірісіне келіп түседі.
2 СанағыштарСанағыш- кірістеріне келетін импульстарды санауға және сақтауға арналған бір кіріс пен n шығысы бар құрылғы болып табылады [3] . Санағыш разрядтарының санымен анықталатын шығыстарының саны саналуы мүмкін импульстардың максималды мәнін көрсетді. Жалпы жағдайда импульстардың максималды мәні k=2 n қатынасымен анықталады. Кіріс сигналдарының әсерінен белгілі бір күйге қойылған, санағыш оны кірісіне келесі сигнал келгенше сақтайды. Санағыштың әрбір қалыпына, санағыш кірісіне келген сигналдардың санын анықтайтын, і-ші реттік номер сәйкес келеді. Санағыш кірісіне k-шы импульс кіргенде, оның шығысында толу сигналы пайда болып санағыш бастапқы қалпына қайтады.
Функционалдық тағайындалуына байланысты санағыштар қарапайым және реверсивті болып бөлінеді [3] . Қарапайым санағышта санау барысы тек бір бағытта орындалады. Реверсивті санағыштар санауды тікелей бағытта да, кері бағытта да жүргізуге мүмкіндік береді.
Қарапайым санағыштар қосушы және алушы болады. Қосушы санағыш санауды тік бағытта орындайды. Кіріске келесі импульс келгенде санағыш қалыбы бірге ұлғаяды. Алушы санағышта әрбір кіріске кіретін импульс оның көрсетуін бірге азайтады. Реверсивті санағыштар қосушы режимінде де, алушы режимінде де жұмыс істейді.
Санауды ұйымдастыру әдісіне байланысты санағыштар асинхронды және синхронды болып бөлінеді [3] . Асинхронды санағыштарда кіріс сигнал санағышқа синхрондаушы сигналсыз жазылады. Синхронды санағышта жазба синхросигнал көмегімен орындалады.
Кіріс импульстарды разрядтар арасында жіберуі бойынша санағыштар тізбектілі, параллелді және жартылай- параллелді тасымалдау (тек разрядтар топтарында) [3] болып бөлінеді.
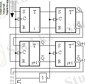
5. суретте тізбектілі тасымалдау JK- триггердегі екілік төртразрядты қосушы санағыштың сұлбасы мен оның жұмысының уақыттық диаграммасы көрсетілген. Санағыштың әрбір алдыңғы разряд шығысы Q i-1 келесі разрядтың С і синхрондау кірісімен жалғасқан. J және K триггерлердің кірістеріне 1 сигналы жіберілген. Санағыштың бір күйден басқа күйге ауысуы импульстардың артқы фронты бойынша іске асатынын ескеру керек (5, б сурет) .
Сурет 5 а) - JK-тригерлі төртразрядты санағыш сұлбасы
Сурет 5 б) - JK-тригердің жұмысының уақыттық диаграммасы.
1 кестеде мысал үшін кірістеріне бірқатар Х сан кіріс сигналдары кірген кездегі төртразрядты санағыш шығыстарының қалыптары келтірілген.
Санағыш жұмысы оның жұмысының уақыттық диаграммасымен және көрсетілген кестемен жақсы анықталады.
Әдетте, санағышта нөлдік болуы міндетті емес бастапқы орнату тізбегі болады. Санағышқа алдын-ала қандай да бір бастапқы сан беріліп, кіріс импульстарды санау осыдан басталуы мүмкін.
Кесте 1.
Тізбектілі тасымалдау синхрондалмаған санағыш кемшілігі - санағыш разрядтылығының өсуінен кейбір і-ші разрядының С кіруіне келетін сигналдың Х сан сигналға қарағанда түсуiнiң кешігуі өседi.
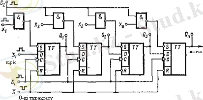
Жұмыс істеу жылдамдығын арттыру үшін санағыштар параллельді тасымалдау болып құралады. Мұндай санағыш сұлбасы 6-суретте көрсетілген. ЖӘНЕ сұлбалары ретінде &J және &K триггерлерінің кірістері қолданылған.
Бұл сұлбаның ерекшелігі- і-х разрядтарының шығысынан сигналдар (і+1) -х разрядтардың триггерлерінің J және K кірістеріне беріледі.
Сурет 6 - Ойдағы санды параллельді түрінде тасымалдайтын JK-триггерлермен орындалған төртразрядты екілік санағыш сұлбасы.
6-суреттегі сұлбада триггердің реттік нөмірі өскенде JK триггерлерінің ЖӘНЕ элементіндегі кіріс саны ұлғаятындығы көрініп тұр. J және K кірістерінің саны мен триггерлердің шығыстарының жүктемелік қасиеттері шектелген болғандықтан, параллельді тасымалдау санағыштың разрядтылығы төрттен аспайды.
Разряд саны көптеу санағышты ойластыру қажет болғанда, ол топтарға бөлінеді де, әрбір топ ішінде параллельді тасымалдау тізбектер құрылады. Мұндай әдіспен жартылай- параллельді тасымалдау санағыш құрылады.
Санағышқа жазылған санының оқылуы регистрлерге сәйкес болады.
Санағыштың шартты графикалық белгіленуі 7 сутетте келтірілген.
Сурет 7 - Санағыштың шартты графикалық белгіленуі.
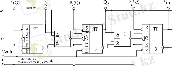
Тізбектілі тасымалдау реверсивті санағыш [3] .
Реверсивті санағыштарда қосушы режимінде де, алушы режимінде де жұмыс істеу мүмкіндігіне арнайы басқарушы «Қосу» жане «Алу» сигналдарының болуымен қол жеткізіледі. 8-суретте тізбектілі тасымалдау синхрондалмаған үш разрядты реверсивті санағыш сұлбасы мен оның жұмысының уақыттық диаграммасы келтірілген. Реверстеуге разрядаралық байланыс тізбектерінде не Q і тікелей шығыстарынан тасымалдау сигналын, не триггерлердің Q і инверсті шығыстарынан алынған сигналды таратуда орындау есебінен қол жеткізіледі.
«Санақ» операциясының белгісін таңдау басқарушы шиналардағы «Алу» немесе «Қосу» сигналдарының мәнімен анықталады.
а)
б)
Сурет 8 - Үшразрядты синхрондалмаған резерсивті санағыш сұлбасы (а) мен оның жұмысының уақыттық диаграммасы (б) .
Кесте 2.
2. кестеде алу режимде жұмыс істейтін реверсивті санағыштың қалыптары келтірілген.
3 ДешифрлаушыларДешифрлаушы (дешифратор) - n разрядты екілік сөзді өз шығыстарының тек бірінде ғана пайда болатын басқарушы сигналға түрлендіретін логикалық сұлба [4] . Дешифратордың n кірісі мен 2 n шығысы бар. Басқаша айтқанда, дешифратор- басқа шығыстарда сигнал жоқ болғанда, шығыстардың бірінде ғана басқарушы сигналды қалыптастыратын ЖӘНЕ сұлбаларының жиынтығы болып табылады. 3 кестеде дешифратордың үш кіріс ( n =3) пен сегіз шығысқа қабылдауы мүмкін қалыптары көрсетілген.
Дешифратор шығыстары ондық түрде 0 - ден 2 n -1 -ге дейін нөмірленеді. Мысалы, егер кірістегі сөз коды 110 (3-кесте) болса, онда бірлік сигнал дешифратордың алтыншы шығысында ғана болады. Басқа шығыстарында логикалық 0 болады.
Бірқадамды дешифратордың элементтер саны шығыс санымен анықталады. Сөзді дешифрлеуі бойынша дешифраторлар бірқадамды (сызықтық) және көпқадамды (тік бұрышты, пирамидалық) болып бөлінеді [4] .
Кесте 3.
0
1
0
1
0
1
0
1
0
0
1
1
0
0
1
1
0
0
0
0
1
1
1
1
1
0
0
0
0
0
0
0
0
1
0
0
0
0
0
0
0
0
1
0
0
0
0
0
0
0
0
1
0
0
0
0
0
0
0
0
1
0
0
0
0
0
0
0
0
1
0
0
0
0
0
0
0
0
1
0
0
0
0
0
0
0
0
1
.
Өзінің кірістеріндегі n - разрядты екілік санның қанша комбинациясы болса, сонша m шығысы бар дешифратор толық деп аталады. 9. суретте үш кірісті сызықтық дешифратор сұлбасы келтірілген, оның шығыстарының саны m =2 3 =8. Дешифратордың шартты графикалық белгіленуі 9, б-суретте көрсетілген.
Сурет 9 Сызықтық дешифротордың сұлбасы (а) және оның шартты графикалық белгіленуі
Егер екілік кодының ұзындығы И элементерының кіріс санынан үлкен болса, сонда көп сатылы дешифрлауші пайдаланады.
10 (а) суретте екі сатылы дешифрлауші көрсетілді. Осы дешифрлаушіні құрастыру үшін екі кірісі бар И элементерының күрілдеуікті ретінде қосылуы пайда болады.
Әрі дешифрлаушының сұлбасын таңдалуы дешифрацияланатын кодының ұзындығына және пайдаланатын элементтік базасына байланысты.
10 (а) сур. Екі сатылы дешифрлаушінің сұлбасы.
Төртбұрыштық (матрицалық) дешифрлаушыда дешифрацияланатын сөз бір неше қосымша сөздерге бөлінеді. Қосымша сөздер дешифрлаушының шығыстары келесі сатына қосылатын бөлек сызықтық дешифрлаушыларда (СД) дешифрацияланады.
Матрицалық дешифрлаушыны (МД) құрастыру тәсілі келесі мысалымен қарастырайық. . Он разрядтық сөзды дешифрлеу керек болсын, яғни осы жерде
. Осы сөз үш тобына бөлінеді:
Сонымен үш сызықтық дешифрлаушының шығыс саны келесі болады:
,
.
. Бірінші және екінші сызықтық дешифрлаушының шығыстары матрицалық дешифрлаушының екінші сатының И элементтердің кірісіне кіреді. Матрицалық дешифрлаушының екінші сатының шығыстар саны мынандай теңдеумен анықталады:
Матрицалық дешифрлаушының екінші сатының шығыстары және үшінші сызықтық дешифрлаушының бірінші сатының шығыстары матрицалық дешифрлаушының үшінші сатының И элементтерінің кірісіне қосылады. Үшінші сатының шығыстар саны келесі теңдеумен анықталады
1024 шығысы бар матрицалық дешифрлаушының сұлбасы төмендегі суретте көрсетілді.
10 (б) сур. 1024 шығысы бар матрицалық дешифрлаушының сұлбасы
Төрт кірісі бар синхрондалған матрицалық дешифрлаушының сұлбасы 10 (в) суретте келтірілген. Екі кірісі бар және төрт шығысы бар дешифрлаушы
10 (в) сур. Матрицалық дешифрлаушының сұлбасы
матрицалық дешифрлаушының бірінші сатыны құрайды. Екінші сатыны
сондай төрт дешифрлаушы құрайды. Бірінші сатының шығыстары екінші сатының дешифрлаушыларды стробтау үшін пайдаланады. Екінші сатының шығыстары келесі сатының дешифрлаушыларды стробтау үшін пайдалану мұмкін.
4. СумматорларСумматор (қосындылағыш) - екі санның цифрлық кодын қосу операциясын орындауға арналған [5] . Екі екілік кодты қосқанда бұл сандарды әрбір і-ші разрядта разряд бойынша қосу мен (і-1) -ші разрядтан тасымалдау бірлігін (егер ол болса) қосу орындалады. Х (Х 1, Х 2 , . . . , Х n ) және Y(Y 1 , Y 2 , …, Y n ) бастапқы сөздерін қосқанда әрбір разрядта S(S 1 , S 2 , …, S n ) қосындысының қалыптасуын келесі ережеге сәйкес сипаттауға болады:
(x i +y i +p i-1 ) <q болғанда s i =x i +y i +p i-1 және p i =0
(x
i
+y
i
+p
i-1
)
q болғанда s
i
=x
i
+y
i
+p
i-1
-q және p
i
=1
Мұнда s i - і -ші разрядтағы қосынды; p i-1 -көршілес кіші разрядтан тасымалдау; q -санау жүйесінің негізі.
Сурет 11 - Сумматордың і -ші Сурет 12 - Жартылай сумма-
разрядының шартты белгіленуі тордың і -ші разрядының шартты белгіленуі
Қосуды ұйымдастыру әдісіне қарай сумматорлар комбинациялық және жинақтаушы болып бөлінеді [5] . Көпразрядты санды қосатын сумматор қосылғыштар үшін және кіші разрядтан тасымалдау үшін арналған кірістері мен қосынды үшін және үлкен разрядқа ауыстыру үшін арналған шығыстары бар бірразрядты сумматорлардан тұрады.
Көпразрядты сандарды өңдеу әдісі бойынша сумматорлар тізбектелген, параллельді және параллельді-тізбектелген болып бөлінеді [5] .
Бірразрядты комбинациялық сумматор [5] . Бұл сумматорда кіріске бір уақытта бастапқы қосылғыш сөздердің кодтарын бергенде, шығысында қосынды мен тасымалдау сигналдарын алу қамтамасыз етіледі.
11. суретте сумматордың і-ші разрядының шартты графикалық белгіленуі көрсетілген. Мұндай екілік сумматордың үш цифрды қосқандағы жұмыс істеуі 4. кестемен сипаттала алады.
Берілген кесте бойынша келесі функциялардың теңдіктерін құруға болады:
_ _ _ _ _ _
s i =x i y i p i-1 \/ x i y i p i-1 \/ x i y i p i-1 \/ x i y i p i-1 ;
_ _ _
p i =x i y i p i-1 \/ x i y i p i-1 \/ x i y i p i-1 \/ x i y i p i-1 ;
Кесте 4.
0
0
1
0
0
0
0
1
0
1
0
0
0
1
1
1
0
0
0
0
1
0
1
1
1
1
0
1
0
1
1
1
0
0
0
1
1
1
1
1
Бірқатар сұлбаларда бірразрядты сумматор екі бірдей тізбектей жалғанған жартылай сумматорларға бөлінеді, олардың әрқайсысы тек екі аргументті қосады. Жартылай сумматордың жұмыс істеу принципі 5- кестеде анықталады.
... жалғасыКесте 5.
- Іс жүргізу
- Автоматтандыру, Техника
- Алғашқы әскери дайындық
- Астрономия
- Ауыл шаруашылығы
- Банк ісі
- Бизнесті бағалау
- Биология
- Бухгалтерлік іс
- Валеология
- Ветеринария
- География
- Геология, Геофизика, Геодезия
- Дін
- Ет, сүт, шарап өнімдері
- Жалпы тарих
- Жер кадастрі, Жылжымайтын мүлік
- Журналистика
- Информатика
- Кеден ісі
- Маркетинг
- Математика, Геометрия
- Медицина
- Мемлекеттік басқару
- Менеджмент
- Мұнай, Газ
- Мұрағат ісі
- Мәдениеттану
- ОБЖ (Основы безопасности жизнедеятельности)
- Педагогика
- Полиграфия
- Психология
- Салық
- Саясаттану
- Сақтандыру
- Сертификаттау, стандарттау
- Социология, Демография
- Спорт
- Статистика
- Тілтану, Филология
- Тарихи тұлғалар
- Тау-кен ісі
- Транспорт
- Туризм
- Физика
- Философия
- Халықаралық қатынастар
- Химия
- Экология, Қоршаған ортаны қорғау
- Экономика
- Экономикалық география
- Электротехника
- Қазақстан тарихы
- Қаржы
- Құрылыс
- Құқық, Криминалистика
- Әдебиет
- Өнер, музыка
- Өнеркәсіп, Өндіріс
Қазақ тілінде жазылған рефераттар, курстық жұмыстар, дипломдық жұмыстар бойынша біздің қор #1 болып табылады.

Ақпарат
Қосымша
Email: info@stud.kz