Әмбебап әуесқой-көкөнісші терморегуляторы


Курстық жұмыс
Тақырыбы: Әмбебап әуесқой-көкөнісші терморегуляторы
АСТАНА, 2013
Жоспар:
- Кіріспе
- Негізгі бөлім
1.
2.
3.
4.
- Қорытынды
Кіріспе
Схема-қандай да бір объекті құрылымының шартты символдар мен графиктік кескіні. Логикалық операцияларды жүзеге асыратын логикалық элемент болып табылады. Схема-мәліметтер базасы құрылымының арнама тізімі.
Схема- шартты белгі түрінде немесе суретте кей жүйелердің құрастырмалы бөліктері көрсетілген және олардың арасындағы байланыс көрсетілген графикалық документ (жүйенің графикалық моделі) .
Схеманың көптеген түрі бар. Олардың ішінде көп тарағандары:электрондық, аналогтық, сандық және гибридті.
Электрондық схема-бұл жеке электронды компоненттердің үйлесімі. Мысалы: өзара байланысқан резисторлар, конденсатор, диодтар және транзисторлар. Компоненттердің әр түрлі құрастырылымы көптеген жеңіл, сонымен қатар күрделі амалдарды орындауға мүмкіндік береді. Мысалға алатын болсақ, сигналдарды күшейту, ақпараттарды өңдеу және жіберу, т. с. с. Электрондық схемалар үзікті компоненттердің, сонымен қатар көптеген әр түрлі компоненттерді бір жартылай өткізгішті кристаллдарға біріктіре алатын интегралдық схемалар негізінде құрылады. Элементтер арасындағы бірігу сымдардың көмегімен жүзеге аса алады, дегенмен қазіргі уақытта жекелегіш негізде түрлі әдістермен (мысалы, фотолитографиямен) өткізгіш жолдармен және жанасқан бөліктермен ойлап табылатын кезде баспа төлемі жиі қолданылады
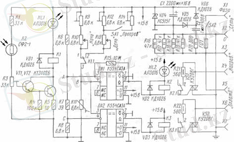
Әуесқой-көкөнісші әмбебап терморегуляторының схемасы жоғарыда көрсетілген. Бұл терморегулятор дәндерді қыздырып, көшеттерді терезе алдында, қыздырылмайтын жылыжайда немесе әйнектелген балконда өсіру барысында күндізгі және түнгі температураны автоматты түрде бірқалыпты ұстау үшін қолданылады.
Берілген терморегулятордың құрылысының күрделілігін схемадан көруге болады. Құрылғыда тұрақты резисторлар С5-42В-2, КИМ-0, 125 және МЛТ, айнымалы резисторлар -СП-1А, терморезистор-ММТ-1, фоторезистор-СФ2-1 және т. б. қолданылған. Реле-РЭС55А орам кедергісі 1880 Ом. ТранзисторларКТ3102-нің кез келген әріптік индексі бола алады. Терморегулятордың ең басты бөліктері металл корпусте орналасқан біржақты басып шығару төлемінде құрастырылған.
Әмбебап әуесқой-көкөнісші терморегуляторы
Терморегулятор - температураның берілген мәнін немесе оның өзгеруін берілген заң бойынша колдап отыруға арналған автoматты құрылғы.
Терморегулятор дәндерді қыздыру үшін, көкөніс көшеттерін терезе алдында, әйнектелген балконда немесе қыздырылмайтын жылыжайда өсіру барысында түнгі және күндізгі температураны автоматты түрде бірқалыпты ұстау үшін қажет.
Көкөніс аурулары дәндер арқылы беріледі және оларды отырғызу алдында міндетті түрде қыздырып, зарарсыздандыру қажет. Басқа жағынан, көшеттерді төменгі жарықтылық жағдайында өсіру белгілі температуралық режимді сақтауды талап етеді. Бұл екі функцияны да терморегулятор орындайды. Ол белгіленген 0 ден 25 С-қа дейінгі диапазондағы түнгі және күндізгі температураны қуаты 1 кВт-қа дейін болатын қосымша салмақтарды(желдеткіш, су қайнатқыш және т. б. ) қосқанда ұстап тұрады. Дәндерді қыздыру режимінде +62 С-қа дейінгі температура қамтамасыз етіледі.
Терморегулятор келесі түрде жұмыс істейді. Түнде, төменгі жарықтылықта, фоторезистордың кедергісі жеткілікті жоғары және өзгертпелі резистордың қозғалтқышындағы кернеу транзисторларды ашатын жағдайда емес болады. Нәтижесінде реле орамдары токтан ажыратылған және оның түйісулері тұйықталған болып шығады. Реттеуіш резистордың қозғалтқышының төменгі күйге(схема бойынша) ауысуы кезінде резисторлармен құрастырылған көпірдің теңгерімдігі бұзылады, және А және С нүктелеріндегі кернеу В нүктесіне қатысты оң болады. Компаратордың шығуындағы кернеу қуат көзінің кернеуіне жақын. Реле бұл жағдайда токтан ажыратылады, оның түйісулері алшақтанады және іске қосу симисторының тізбегі тоқтатылады. Компаратордың шығуындағы кернеу нөлге жақын. Нәтижесінде реле және оның түйісулері іске қосылады. Іске қосу симисторының тізбегі тұйықталады, Суыту желдеткіші қосылады және суық түнгі ауа жылыжайдың тұйықталған көлеміне онда орналасқан терморезистормен түседі.
Бөлменің салқындау өлшемінде терморезистордың кедергісі көбейеді, көпір теңгеріледі жіне желдеткіш сөнеді. Температураны реттеу резисторымен берілгеннен де төмендетсе кекрнеудің мәні А нүктесіне қарағанда В нүктесін-де үлкен болып шығады. Компаратордың шығуындағы кернеу нөлге айналады, реле іске қосылады. Оның түйісулері симистордың іске қосу тізбегін тұйықтайды. Қыздыру каналы қосылады, және жылы ауа бөлмеден қыздырылатын көлемге айдалады.
Күннің шығуымен жарықтылық көбейеді, фоторезистордың қарсыластығы азаяды, ток өзгертпелі кедергі арқылы өседі және оның қозғалтқышындағы кернеу транзисторларды ашу үшін жеткілікті болады. Олардың ашылуы кезінде реле іске қосылады және оның түйісулері көпірге реттеу резисторын қосады. В нүктесіндегі кернеу А және С нүктелеріне қатысты оң болып шығады, осылай Қыздыру каналын басқаратын симистор қосылады.
Күн батқаннан кейін температура әйнектелген балконның немесе жабық жылыжайда тез сырттагыдан асып түседі және Қыздыру каналы өшеді. Алайда балкондағы және жылыжайдағы температура күн радиация-ның артуына байланысты артуын жалғастырады, бірақ кернеу терморезистордың В нүктесінде төмендейді. А және С нүктелерінің арасындағы кернеу 40 мВ, және терморезистордың температурасы С нүктесіндегі кернеу В нүктесіндегі кернеуден асып түсу үшін және Суыту каналы қосылу үшін шамамен 0, 3 С -қа өсу керек.
Терморегулятор өшіру конденсаторымен бірге бір жарты периодты түзеткіштен қуат алады.
Көшеттерді терезе алдында өсіру барысында бөлмедегі тұрақты температура болғанда оңтайлы күндізгі және түнгі температураны қамтамасыз ету қажет. Осы мақсатпен қалта істейді, терезе алдында бір кезде 55 см қалыңдықта ақ мата жолағын тартады.
Резистор [1] (ағыл. resіstor , лат. resіsto - қарсыласамын) - электр тізбегінің әр түрлі тармақтарындағы ток күшін, не кернеуді шектеу немесе реттеу үшін қолданылатын радиотехникалық немесе электртехникалық бұйым. Радиоэлектрондық құрылғылардағы барлық бөлшектердің жартысынан астамы (80%-ға дейін) Резисторлар болады. Резистордың негізгі сипаттамаларына кедергісінің номинал мәні (0, 1 Ом-нан 1 ГОм-ға дейін), кедергінің номинал мәннен ауытқу мүмкіндігі (0, 25%-дан 20%-ға дейін), макс. сейілу қуаты (Вт-тың жүздік үлесінен бірнеше МВт-қа дейін) жатады. Ток өткізгіш бөлігінің материалына қарай Резисторлар металдық, шалаөткізгіштік, сымдық, таспалық, т. б. ; құрылымына қарай тұрақты, айнымалы болады. Айнымалы Резистор кедергісі жылжымалы тетік арқылы, не ток күші мен кернеу арасындағы бейсызықтық тәуелділікке байланысты өзгеруі мүмкін.
Транзистор (ағылш. transfer - тасымалдау және resistor - кедергіш ) - электр тербелістерін күшейтуге, оларды тудыруға және түрлендіруге арналып жартылай өткізгіш кристалл негізінде жасалған электрондық құрал. Электрондық лампа сияқты қызмет атқаратын транзисторлар одан өлшемінің едәуір кішілігімен, электр энергиясын тұтынудағы аса үнемділігімен, механикалық аса беріктігімен және бүлінбей ұзақ жұмыс істейтіндігімен, бірден әсер етуге әзірлігімен ерекшеленеді. Радиолампа орнына қолданылатын жартылай өткізгіш аспаптар (транзисторлар) негізінде жасалған өте кішкентай радиоқабылдағыштарды көбінесе транзисторлар деп дұрыс атамайды; оның дұрыс атауы - транзисторлы қабылдағыш немесе транзистор негізінде жасалған қабылдағыш.
1956 жылы қос полярлық транзисторды ойлап шығарғандары үшін Уильям Шокли, Джон Бардин және Уолтер Браттейн физикадан Нобель премиясын алған болатын.
Ең бірінші транзистор алтын фольгасына оралған үшкір пластиктен, аз мөлшерде германийден тұратын. Көпшілік те, ғалымдар да бұл нәрсенің қалай істейтінін түсіндіре алмады, ол құрал арқылы тек радио тыңдады.
Алғаш өріс эффектсіне негізделген транзисторге патентті Канадада Julius Edgar Lilienfeld 1925 жылы 22 қазанда тіркеді. Бірақ ол өзінің құрылғысы туралы мәлімет таратпағандықтан, жетістігі ескерілмеді. Кейін, 1934 жылы неміс ғалымы Oskar Heil өріс эффектсіне негізделген басқа тразисторге патент алады.
1947 ж. желтоқсанның 16 Уильям Шокли (William Shockley), Джон Бардин (John Bardeen), Уолтер Брэттэйн (Walter Brattain) істейтін транзистор жасағандығы туралы хабарлады. Бұл кезде олар Bell Labs. -та істейтін еді.
Алғашқы жұмыс істейтін транзистордың көшірмесі.
Bell Labs. патент алып, нарыққа шығады. Бірақ Bell Labs. барлық қиындықтарды жеңе алмай, 1952 жылы транзисторға патентті сатып жібереді. Сол уақыттан бері транзисторлар барлық жерде таралды.
Транзистор өрістік (униполярлы) және биполярлы деп бөлінеді.
Өрістік (арналық) транзистор - жұмыстық токтың өзгеруі кіріс сигналы тудыратын, оған перпендикуляр бағытталған электр өрісі әрекетінен болатын транзистор. Өрістік транзисторларда кристалл арқылы өтетін токты тек бір таңбалы заряд тасушы - электрон немесе кемтік тудырады. Заряд тасушыларды басқаруға негізделетін физикалық эффектілерге қарай өрістік транзисторлар шартты түрде 2 топқа: басқаратын р-п электрон-кемтіктік ауысуы бар немесе металл-шалаөткізгіш түйіспелі
Оқшауланған жапқылы металл-диэлектрик-шалаөткізгіш (МДШ) транзисторлар деп бөлінеді. Өрістік транзисторлар әдетте кремний немесе галий арсениді негізінде жасалады. Олардың тұрақты ток бойынша кірістік және шығыстық кедергілері жоғары, инерциялығы төмен, жиіліктік шегі жоғары болып келеді. Өрістік транзисторлар байланыс, есептеуіш техникаларында, теледидарда шусыз, қуатты және ауыстырып-қосқыш (кілттік) ретінде қолданылады. Металл-диэлектрик-шалаөткізгіш (МДШ) құрылымды өрістік транзисторлар интегралдық сұлбаларда кеңінен қолданылады.
Биполярлы транзисторлар үш кезектелген электрондық (п) немесе кемтіктік (р) өткізгіштік облыстардан тұрады. Олар р-п-р және п-р-п типті болып ажыратылады. Биполярлы транзистордың ортаңғы облысы база, қалған екеуі эмиттер және коллектор деп аталады. База эмиттер мен коллектордан тиісінше эмиттерлік және коллекторлық р-п ауысуларымен бөлінген. Биполярлық транзистордың жұмыс істеу принципі база арқылы өтетін негізгі емес заряд тасушылардың ағынын бақылауға негізделген. Эмиттерлік ауысу тура бағытта ығысқан және ол негізгі емес заряд тасушылардың инжексиясын (итерілуін, ендірілуін) қамтамасыз етеді, ал коллекторлық ауысу кері бағытта ығысқан, ол эмиттер итерген негізгі емес заряд тасушыларды жинап алуды қамтамасыз етеді. Биполярлық транзисторлар негізінен электр сигналдарын өндіруге, күшейтуге арналған. Транзисторлар физикалық және басқа да параметрлеріне байланысты төмен (3 МГц-ке дейін), жоғары (300 МГц-ке дейін), аса жоғары жиілікті (300 МГц-тен жоғары), аз қуатты (шектік сейілу қуаты 1 Вт-қа дейін), үлкен қуатты (шектік сейілу қуаты 1 Вт-тан жоғары), жоғары және төмен кернеулі, дрейфтік, т. б. түрлерге бөлінеді. Транзистор қазіргі кездегі микроэлектроника құ-рылғыларының негізгі элементі болып табылады.
... жалғасы- Іс жүргізу
- Автоматтандыру, Техника
- Алғашқы әскери дайындық
- Астрономия
- Ауыл шаруашылығы
- Банк ісі
- Бизнесті бағалау
- Биология
- Бухгалтерлік іс
- Валеология
- Ветеринария
- География
- Геология, Геофизика, Геодезия
- Дін
- Ет, сүт, шарап өнімдері
- Жалпы тарих
- Жер кадастрі, Жылжымайтын мүлік
- Журналистика
- Информатика
- Кеден ісі
- Маркетинг
- Математика, Геометрия
- Медицина
- Мемлекеттік басқару
- Менеджмент
- Мұнай, Газ
- Мұрағат ісі
- Мәдениеттану
- ОБЖ (Основы безопасности жизнедеятельности)
- Педагогика
- Полиграфия
- Психология
- Салық
- Саясаттану
- Сақтандыру
- Сертификаттау, стандарттау
- Социология, Демография
- Спорт
- Статистика
- Тілтану, Филология
- Тарихи тұлғалар
- Тау-кен ісі
- Транспорт
- Туризм
- Физика
- Философия
- Халықаралық қатынастар
- Химия
- Экология, Қоршаған ортаны қорғау
- Экономика
- Экономикалық география
- Электротехника
- Қазақстан тарихы
- Қаржы
- Құрылыс
- Құқық, Криминалистика
- Әдебиет
- Өнер, музыка
- Өнеркәсіп, Өндіріс
Қазақ тілінде жазылған рефераттар, курстық жұмыстар, дипломдық жұмыстар бойынша біздің қор #1 болып табылады.

Ақпарат
Қосымша
Email: info@stud.kz