Сақиналы регистр негізіндегі импульстарды және деңгейлерді таратқыштар

 
    
ҚАЗАҚСТАН РЕСПУБЛИКАСЫ БІЛІМ ЖӘНЕ ҒЫЛЫМ МИНИСТРЛІГІ
Қаныш Сәтбаев атындағы Қазақ Ұлттық Техникалық Университеті
Есептеу техникасы кафедрасы
КУРСТЫҚ ЖОБА
Тақырыбы: Сақиналы регистр негізіндегі импульстарды және деңгейлерді таратқыштар
жетекші:
доцент
Джурунтаев Д. З.
нормоконтролер:
доцент
Джурунтаев Д. З.
тапсырған күні:
“___” 2003 г.
қолы:
студент: Амренов А.
тобы: ЗБИ-00-1қ
мамандығы: 3704
Алматы 2003
Мазмұны
Кіріспе
1. Таратқыштар мен таратқыштардың жіктелуі 4
- Таратқыштарды құрастыру әдістері мен өлшемдері 4
- Көппозициялы екітактылы триггер негізіндегі таратқыштар 5
- Шығыс сигналдарын жабатын және тактылармен стробирлейтін 6 таратқыш
- Орнатылған кірістері бар триггерлер негізіндегі таратқыш 8
- Сақиналы регистр негізіндегі таратқыш 10
- Функционалды сұлба 11
- Принципиалды сұлба 12
- Мөрлі баспа 13
- Параметрлерді есептеу 14
Қорытынды 17
Қолданылған әдебиеттер тізімі 18
Қосымша 19
Тапсырма:
- 4 разрядты сақиналы регистр негізіндегі импульстар және деңгейлер таратқышының жұмысын талдау;
- Электрлі функционалды сұлбасын салу;
- Электрлі принципиалды сұлбасын салу;
- Мөрлі баспада орналастыру.
- Таратқыштар мен таратқыштардың жіктелуі
Тактылы сигналдарды таратқыштар басқару сигналдарын дискретті жүйе құрылғыларымен түзуге арналған. Оларды кеңінен басқару, коммутация, тактылы импульстар және жиілікті бөлгіш құрылғыларында қолданады. Таратқыш кірістері - ауыстырылып қосылатын, себебі кіріс сигналдары келіп түскенде шығыстарында (каналдар) ауыстырып қосылуы болады.
Түзілетін сигналдарға байланысты таратқыштар мынадай түрлерге бөлінеді:
- импульстарды таратқыштар;
- потенциялдарды (деңгейлерді) таратқыштар;
Импульстарды таратқыштар - ”I” деңгейлі сигнал импульс таратқыштартардың бір шығысында тек ауыстырылып қосылатын және стробирлейтін импульстардыңжұмыс уақытысында ғана түзіледі.
Деңгейлерді таратқыштар - сигнал деңгейлер таратқыштарының бір шығысында келесі ауыстырылып қосылатын импультар келген кезге дейін жұмыс істейді.
Таратқыштар каналдар саны, кірістер саны (біртактылы және көптактылы), түзілетін сигналдарға және ретіне байланысты бөлінеді.
- Таратқыштарды құрастырк әдістері мен өлшемдері
Таратқыштар мынадай сұлбалар негізінде жұмыс істейді: қайта санау (пересчетных), регистірлік, көппозициялы.
Таратқыштардың жоғары жұмыс жылдамдығын бағалау кезінде мынадай сұлбаларды қолданғанда максималды жоғарылайтынын ұмытпау керек:
а) шығыс сигналдарының арасындағы минималды интервал;
б) кіріс жиілігінің периодыныңминималды ұзақтығы кезінде шығыс сигналдарында минималды ұзақтық болатын сұлба.
Таратқыштардың функционалды мүмкіндіктерін бағалаған кезде еркін бөлу коэффициентті сұлба құрастырылу, унифицирленген түйіндерден сұлбаның өсу мүмкіндіктерін, тактының көбеюін, әр түрлі уақытта сигналдардың болуын ескеру керек.
Таратқыш сұлбасының функционалды қалыптасуының қарапайым мысалы санағыш арқылы басқарылатын дешифратор болып табылады (санағыштағы кодтың ретпен өзгеруіне байланысты дешифраторда шығыстар ретімен қозады) . Тактылар арасындағы интервалды қысқарту үшін параллель ауыспалы санағыш қолданылады, ал көрші шығыс тактылардың уақыт бойынша қабысуын болдырмау үшін дешифратордың алдынғы тактысымен сәйкес келетін әр схеманы стробирлайды. Бірақ ондай таратқыштардың мынадай кемшіліктері бар:
а) санағышты қайта қосқанда шығыстарда сәуле (вплеск) болмау үшін шығыс сигналдарын стробирлеу қажеттілігі (жылдамдықтың төмендеуіне әкеледі) ;
б) тактылар санына байланысты санағышта кері байланыстың бар болуы (тарату каналдары, бөлу коэффициенті) ;
в) құрылғылардың сапасыздығы.
1. 2. Көппозициялы екітактылы триггер негізіндегі таратқыштар
1 - ші суреттегі сұлбада алғашқы екі кемшілік жоқ. Бұл И -НЕ элементтерінде орындалған көптұрақты екітактылы триггер (таратқыш) . Бастапқы күйде бірінші құрылғы белгісінің әсерінен Шығ 2 ÷Шығ 4 және Шығ 6 ÷Шығ 8 тригерінде - оң потенциал, ал Шығ 1 және Шығ 5 - нөлдік. t 1 тактысы бойынша Шығ 5 ÷Шығ 8 реттік қайта қосылу жүреді, t 2 тактысы бойынша Шығ 1 ÷Шығ 4 , осы шығыстардың барлығында t 1 және t 2 тактылардың басында бір интервалға жыжытылған теріс сигналдардың екі тобы пайда болады. Шығыстардың бір тобын пайдаланғанда, мысалы Шығ 1 ÷Шығ 4 , бастапқы құрылымды тек осы топтың элементтеріне беруге болады. Шығыс сигналдарының ұзақтығы тактылар ретінің периодына байланысты анықталады.
 
1 - сурет. И - Не эементтерінде орындалған көппозициялы екітактылы триггер негізіндегі таратқыш
Шығыс сигналдары арасындағы интервал минималды және мынаған тең:
t интерв =t 3 10 .
t шығ min шығыс сигналдарының ұзақтығының минималды мүмкін болар кезінде тактылардың және тактылардың реттеу периоды минималды ұзақтығы мынадай:
t 1 min =t 2 min =2t 3 10 max +t 3 01 max ,
T min =t шығ min +2t 3 10 max +t 3 01 max .
Сұлбаның бөлу коэффициенті И сұлбасының кіріс санымен шектеулі, себебі бірнеше элементтерді пайдалану арқылы кіріс санын өсіру құрылғыны үлкейту мен жоғары жылдамдықты төмендетуге байланысты дұрыс емес.
1. 3. Шығыс сигналдарын жабатын және тактылармен стробирлейтін таратқыш
Ең жақсы деп табылатын сұлбалар - бір - бірін жабатын шығыс сигналдары бар таратқыш сұлбалары, олардан қосымша элемент - тактылар “кесіп алынады”. Бұндай құрылғы ретінде разрядында коды бар қайтасанау сақинасы (2-сурет, а) :
Разрядтар
 
 
 
2 - сурет. Шығыс сигналдарын жабатын және тактылармен стробирлейтін таратқыш. Қайтасанайтын сақина (а) және оң және теріс тактылы сигналдарды алатын сұлбалар (б, в)
Құрылғы күйі саны және сәйкесінше алынған тактылар саны разрядтың екі еселенген санына тең. Барлық элементтердің шығыстағы сигналдардың ұзақтығы 5Т және көрші разрядқа қатысты Т бір периодқа жылжыған. Нөлдік тактылар 2, б - суретінде көрсетілген қосымша сұлбаның көмегімен алынуы мүмкін, оның кірісіне 2, а - суретінде көрсетілген (1÷n) разрядты түзу және инверсті шығыстар бекітілген. 2, б - суретінде сонымен қатар тактылы сигналдардың көбею әдісі көрсетілген. Сұлбаның уақытша өлшемі мынадай:
а) t кірісіндегі оң (бірлік) тактының ұзақтығы және тактылар арасындағы интервал:
t c + ≥t 3 01 max +t 3 10 max ; t интерв =t 3 10 ;
б) t кірісіндегі теріс (нөлдік) тактының ұзақтығы:
t c - ≥t 3 01 max +t 3 10 max ;
в) тактылы сигналдардың минималды периоды:
T min =t вых min +2t 3 10 max +t 3 01 max .
2, а - суретіндегі таратқыш сұлбасы жоғары жылдамдықты, құрылғылары сапалы, бөлу коэффициентін жеңіл өсіруге мүмкіндік береді. Сұлба кемшілігі - бөлу коэффициенті жұп болғанда ғана пайдаланады.
1. 4. орнатылған кірістері бар триггерлер негізіндегі таратқыш
3, а - суретінде бөлек кірістері бар триггерде орындалған таратқыш сұлбасы келтірілген. Таратқыштағы триггерлер саны каналдар санына сәйкес бастапқы құрылым кезінде біреуіне “1”, қалғандарына “0” жазылады. T 1 тактысы бойынша (n-1) разрядты триггердің “1” шығысында және (n-2) разрядты триггердің “0” шығысында келесі n-разрядқа “1” жазылады. “1” қозғалысы бір такты екі разрядқа әсер етпейді, себебі (n+1) разрядына (n-1) разрядтың “0” шығысынан тыйым салушы сигнал әсер етеді. t 2 келесі такт (n-1) разрядты триггерді n - разрядты “1” шығысынан “0”-ге орналастырады. Сол себепті, триггерлердің шығыстарынды сигналдар ұзақтығы ≈1, 5Т (t 1 басынан t 2 басына дейін) келесі разрядтың сигналдарын жабады. Оң және теріс тактыларды алу үшін тактылар тартқышы 3, б, в - суреттегі сұлбаларды қолдануы керек. Мұндай таратқыш келесі уақытша өлшемдер сипатталады:
а) тактылардың минималды ұзақтығы:
t 1 min =t 2 min = t 3 01 max +t 3 10 max ;
б) тактылы сигналдардың периоды:
T min =t вых min +2t 3 10 max +t 3 01 max . 3, б - суреттегі сұлба үшін;
T min =t вых min +2t 3 10 max +2t 3 01 max . 3, в - суреттегі сұлба үшін.
 
3 - сурет. Орнатылған кірістері бар триггерлер негізіндегі таратқыштар (а) және біртактылы беру кезінде кіріс сигналдардың қосымша сұлбалары (б, в)
Егер кіріс сигналын 3, б, в - суреттегі қосымша сұлбалар арқылы берсе, онда 1 және 3, а суреттегі екітактылы сұлбаларды біртактылы орындаумен қолдануға болады. Бірақ бұл сұлбаларды қолданған кезде кіріс сигналдарының минималды ұзақтығы мен реттеу периоды үлкейеді.
Таратқыш сұлбаларының салыстырмалы бағасы. Қаралған сұлбаларды салыстыру:
а) санағыш пен дешифратор негізінде орындалған таратқыш сұлбасын тек бөлу коэффициенті (К>8) болғанда және жоғары жылдамдыққа көп талап қойылмағанда қолданылады. ;
б) көппозициялы екітактылы триггер сұлбасын тек К≤4 болғанда ғана қалыптасады;
в) қайтасанау сақинасын К - жұп сан болғанда ғпн пайдаланады;
г) 3, а суретінде көрсетілген сұлба 2, а суреттегі сұлбаға қарағанда жылдамдығы мен құрылғыларына байланысты кемшіліктері бар, бірақ ол сұлба бөлу коэффициентімен таратқыштың орындалуына мүмкіндік береді және унифицирленген функционалды түйін ретінде көбірек пайдаланады.
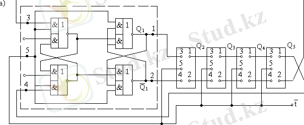
1. 5. Сақиналы регистр негізіндегі таратқыш
4 -суретте импульстарды тарату сұлбасы көрсетілген. Сұлбада D - триггеерлер негізінде құрылған 4 - разрядты сақиналы регистр негізіндегі импульстар таратқышы берілген. Бастапқы кодты орнату сигналы бойынша регистрдің бірінші разряды "1"-ге, ал қалғандары "0"-ге орнатылады. "Пуск"-да жоғары деңгейлі сигнал тұрады. 1-ші тактылы импульс берілгеннен кейін f 1 шығыста импульс пайда болады, ал қалған шығыстырда импульс болмайды. Әр синхросигнал келген кезде ақпараттың бір разрядқа оңға жылжуы жүреді. Сол себепті бірінші разрядта тұрған "1" екінші разрядқа ауысады (Q 2 =1, Q 1 =0, Q 3 =0, Q 4 =0) . Тактылы импульс берілгеннен кейін процесс қайталанып отырады.
 4 - сурет. Сақиналы регистр негізіндегі импульстар таратқышы
 4 - сурет. Сақиналы регистр негізіндегі импульстар таратқышы
- Функционалды сұлба
Функционалды сұлба - бұйымда белгілі қызмет атқаратын және біріңғай конструкцияға біріктірілмеген элементтер жиынтығы.
Функционалдық топтарды немесе құрылғыларды құрайтын элементтерді схемада жіңішке штрих пунктир сызықтармен бөліп көрсетуге рұқсат етіледі, бірақ мұнда функционалдық топтың атын немесе құрылғының атын, белгісін немесе типін көрсету керек.
Курстық жобамның негізгі тапсырмасы сақиналы регистр негізіндегі импульстар және деңгейлер таратқыштарымен логикалық операциялар орындау. Осы операцияларды орындайтын сақиналы регистр негізіндегі импульстар және деңгейлер таратқыштарының функционалдық сұлбасын сызу үшін ең алдымен разрядтылығын анықтау керек. Таратқыштар негізінен триггерлерден құралған. Сондықтан функционалдық сұлбаны триггерлер жәнә логикалық элементтер көмегімен сызамыз.
Функционалдық сұлба сызу барысында бізге керек 4 екі тактылы D триггер және 5 И логикалық элементтері, 1 ИЛИ-НЕ элементі (Қосымша А) .
Принци пиалды сұлба
Электрлік принципті сұлбаларда оның барлық элементтерін және олардың арасындағы барлық электр байланысын кескіндейді. Бұл сұлбаларды орындау ережелері МЕСТ 2. 702-75 анықталған. Сұлба элементтерін ҚҚБЖ стандарттарымен тағайындалған шартты графикалық белгілермен көрсетеді. Шартты графикалық белгілермен толыққан сұлбаларды орындағанда, барлық белгілерді пропорционалды келтіруге, кішірейтуге рұқсат етіледі.
Принципиалды сұлбаны құрастырғанда функционалдық сұлбаны басшылыққа аламыз. Функционалдық сұлба И-НЕ, И және ИЛИ-НЕ логикалық элементтері арқылы жасадық. Функционалды сұлбадағы D триггерін J-R триггеріне түрлендіріп принципиалды сұлбаны құрастырамыз. Принципиалды сұлбаны құрастыруға таңдап алынған элементтер:
- J-K триггері K 511TB1П
- И-НЕ логикалық элементі K 511 ЛА
- ИЛИ-НЕ логикалық элементі К 500 ЛМ 105Т
Принципиалды сұлба (Қосымша Б)
4. Мөрлі баспа
Қазіргі баспалап құрастыру радиотехникада немесе электр құрылғыларын жасауда кең қолданылып келеді. Мөрлі баспаны орындағанда қолданылатын баспа платасын кей жағдайда баспаханалық әдіспен (сондықтан олар «баспалы» деп аталады), яғни электр тогын өткізбейтін материалдан жасалған, мөрлі баспаға құрастыру суретін салу арқылы жасайды.
Мөрлі баспа деп, изоляцияланған негізгі нұсқамен қоса, баспалап құрастыруды, не болмаса баспа сұлбасын айтады.
Мөрлі баспа - негізгі материалы фольгаланған диэлектриктен тұратын, элементтер санына байланысты кесіліп алынады.
Негізінен мөрлі баспаның үш түрі бар:
- Бір жақты мөрлі баспа - жүргізілген сурет тек бір жағынан көрсетілген;
- Екі жақты мөрлі баспа - жүргізілген сурет екі жақтан және арасындағы байланым көрсетілген;
- Көп қабатты мөрлі баспа - бірнеше қабаттан, жүргізілген сурет керекті байланыстар арқылы көрсетілген изоляцияланған материалдан тұрады.
Мөрлі баспаны құрастыру бірнеше сатыдан тұрады:
1. Өңделетін бұйымды оқу, габаритті өлшемін және конфигурациясын анықтау, мөрлі баспадағы элементтің рационалды орналасуын анықтау, мөрлі баспада жалғастыру жүргізілген суретті тексеру (мөрлі баспадағы) .
Қосымша С.
... жалғасы5. Параметрлерді есептеу
К 511 ТВ1П ( JK триггер)
- Іс жүргізу
- Автоматтандыру, Техника
- Алғашқы әскери дайындық
- Астрономия
- Ауыл шаруашылығы
- Банк ісі
- Бизнесті бағалау
- Биология
- Бухгалтерлік іс
- Валеология
- Ветеринария
- География
- Геология, Геофизика, Геодезия
- Дін
- Ет, сүт, шарап өнімдері
- Жалпы тарих
- Жер кадастрі, Жылжымайтын мүлік
- Журналистика
- Информатика
- Кеден ісі
- Маркетинг
- Математика, Геометрия
- Медицина
- Мемлекеттік басқару
- Менеджмент
- Мұнай, Газ
- Мұрағат ісі
- Мәдениеттану
- ОБЖ (Основы безопасности жизнедеятельности)
- Педагогика
- Полиграфия
- Психология
- Салық
- Саясаттану
- Сақтандыру
- Сертификаттау, стандарттау
- Социология, Демография
- Спорт
- Статистика
- Тілтану, Филология
- Тарихи тұлғалар
- Тау-кен ісі
- Транспорт
- Туризм
- Физика
- Философия
- Халықаралық қатынастар
- Химия
- Экология, Қоршаған ортаны қорғау
- Экономика
- Экономикалық география
- Электротехника
- Қазақстан тарихы
- Қаржы
- Құрылыс
- Құқық, Криминалистика
- Әдебиет
- Өнер, музыка
- Өнеркәсіп, Өндіріс
Қазақ тілінде жазылған рефераттар, курстық жұмыстар, дипломдық жұмыстар бойынша біздің қор #1 болып табылады.
 
            
                Ақпарат
Қосымша
Email: info@stud.kz