Сызықты электр тізбектеріндегі өтпелі процестер

 
    
СЫЗЫҚТЫ ЭЛЕКТР ТІЗБЕКТЕРІНДЕГІ ӨТПЕЛІ ПРОЦЕСТЕР
1. Өтпелі процесс және оның пайда болу себептері. Коммутацияның екі ережесі
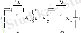
Активті кедергісі және индуктивтігі бар реал катушка кернеу көзіне қосылған (1, а-сурет) . Тізбектегі кернеулер Кирхгофтың екінші заңы бойынша
 
 (1)
 (1)
Мұндағы индуктивтік кернеу өздік индукция ЭҚК-не тең де
 
Ал активті кернеу
 
Кернеудің осы мәндерін (1) теңдігіне қойса
 (2)
 (2)
 Электр көзі кернеуінің мөлшерлі мәні бар шама. Мысалы, пәтерлердегі электр желісінің кернеуі 220 В - тұрақты шама. Осындай мөлшерлі кернеудің әсерінен тізбекте ток кенеттен секіріп өзгерді делік, яғни
  өте аз уақыт ішінде ток мөлшерлі шамаға жеткен. Ендеше
 өте аз уақыт ішінде ток мөлшерлі шамаға жеткен. Ендеше
  нольге ұмтылғанда токтың уақытқа қатынасы өте үлкен мәнге ие болады, яғни
 нольге ұмтылғанда токтың уақытқа қатынасы өте үлкен мәнге ие болады, яғни
 
Токтың өзгерісінің осы мәнін (2) теңдігіне қойса, оң жағы мөлшерлі шама да, сол жағы өте үлкен шама болып, Кирхгофтың екінші заңына қайшы келеді. Олай болса токты өте аз уақыт ішінде секіріп өзгереді деп есептеу қате: ток индуктивті катушкада кенеттен секіріп өзгере алмайды. Мұның себебі катушканың индуктивтігінің болуында - онда пайда болатын өздік индукция ЭҚК-і тудыратын токтың тізбектің тогына кері бағытта болып (Ленц заңы бойынша), оны тез өсірмейтіндігінде. Бірақ катушкада кернеудің секіріп өзгеруі мүмкін.
Енді активті кедергісі (астарларының арасымен аздап ток жүретін) және сыйымдылығы бар конденсатор кернеу көзіне қосылған екен делік (1, б-сурет) .
Кирхгофтың екінші заңы бойынша
 
Немесе
 (3)
 (3)
 
1-сурет. Реал катушка (а) мен реал конденсатордың (б) орынбасарлық схемалары
Тізбектегі ток сыйымдылыққа және ондағы кернеудің өзгерісіне байланысты, яғни
 
Токтың осы мәнін (3) теңдігіне қойса
 (4)
 (4)
 Қарастырылып отырған тізбекте кернеу кенеттен секіріп өзгеріп,
  өте аз уақыт ішінде
 өте аз уақыт ішінде
  мөлшерлі шамаға жетті десе,
 мөлшерлі шамаға жетті десе,
  нольге ұмтылғанда кернеудің уақытқа қатынасы өте үлкен мәнге ие болады, яғни
 нольге ұмтылғанда кернеудің уақытқа қатынасы өте үлкен мәнге ие болады, яғни
 
Кернеудің өзгерісінің осы мәнін (4) теңдігіне қойса, оң жағы мөлшерлі шама да, ал сол жағы өте үлкен шама болып, Кирхгофтың екінші заңы орындалмай қалады. Ендеше кернеуді кенеттен секіріп өзгереді деп есептеу қате: конденсаторда кернеу өте аз уақыт ішінде секіріп өзгере алмайды. Мұның себебі конденсатордың сыйымдылығының болуында - оның кенеттен зарядталып не зарядсызданып бітпейтіндігінде. Біра конденсаторда токтың секіріп өзгеруі мүмкін.
Жоғарыда айтылғандардан мынадай екі маңызды қорытынды жасалынады:
- индуктивті элементі бар тізбектерде ток аз уақыт ішінде секіріп өзгере (өсіп не азайып) алмайды;
- тізбектің сыйымдылықты элементтерінде кернеу аз уақыттың ішінде секіріп өзгере (өсіп не азайып) алмайды.
Бұдан бұрынғы өткен тақырыптарда тізбекке берілген кернеудің әсерінен онда мөлшерлі ток жүреді делінген еді. Бұл тұжырым токтың қалыптасқан мәні туралы ғана дұрыс. Ал тізбекті кернеу көзіне қосқан немесе одан ажыратқан кезде тізбектің индуктивтігінің және сыйымдылығының әсерінен онда ток пен кернеу бірден өздерінің қалыптасқан мәндеріне жетпейді. Ток пен кернеудің қалыптасқан мәндеріне жетуі үшін аздаған болса да уақыт керек. Міне осы уақыт ішінде тізбектің тогы мен кернеуі өзгеріп отырады. Мұндай жағдай тізбек қысқа тұйықталған немесе оның параметрлері кенеттен өзгерген кезде де байқалады.
Тізбекте оның бір жұмыс күйінен екінші бір жұмыс күйіне (бір күйден екінші күйге) ауысқан кезде болатын (байқалатын) процестер өтпелі процестер деп аталады. Өтпелі процестердің уаыты өте аз: әдетте секундтың оннан бір, жүзден бір бөлігіне тең; бірнеше секундқа немесе ондаған секундқа созылатын өтпелі процестер сирек кездеседі.
Өтпелі процестер көбіне коммутацияның салдарынан пайда болады.
Коммутация деп тізбектерді қосуды, қайталап қосуды, ажыратуды немесе ауыстырып қосуды атайды.
Өтпелі процестің уақыты аз болғанымен, ондағы ток пен кернеудің өзгерісінен электрлік қондырғылардың орнықты жұмысы бұзылады, кейде істен шығып та қалуы мүмкін. Сондықтан тізбектерді немесе электрлік қондырғыларды есептеген кезде өтпелі процестерді ескеріп отыру керек.
Өтпелі процесс кезінде ток пен кернеу олардың еркін және қалыптасқан мәндерінің қосындысына тең деп есептелінеді:
 , (5)
 , (5)
 (6)
 (6)
мұндағы: i, u - өтпелі процесс кезіндегі ток пен кернеу; i e , u e - еркін ток пен еркін кернеу; i к , u к - қалыптасқан ток пен қалыптасқан кернеу.
Электр көзінің кернеуін нольге тең деп алғанда индуктивті элементтің магнит өрісі мен сыйымдылықты элементтің электр өрісінің энергиясы туғызатын ток пен кернеуді еркін ток және еркін кернеу деп атайды.
Өтпелі процесс аяқталғаннан кейінгі ток пен кернеуді қалыптасқан ток және қалыптасқан кернеу деп атайды.
Өтпелі процестерді есептеген кезде жоғарыдағы тұжырымдарға негізделген екі ереже ерекше орын алады. Оларды коммутацияның екі ережесі деп атайды.
Бірінші ереже бойынша индуктивтігі бар элементте коммутациядан кейінгі мезеттегі ток коммутацияға дейінгі токқа тең.
Коммутацияның екінші ережесі бойынша сыйымдылығы бар элементте коммутациядан кейінгі мезеттегі кернеу коммутацияға дейінгі кернеуге тең.
Электрлік қозғалтқыштардың, электр желісінің және т. б. электрлік қондырғылардың жұмысын түсіну үшін катушкасы мен конденсаторы бар қарапайым тізбектердегі өтпелі процестерді білу өте қажет.
2. Индуктивті катушкадағы өтпелі процестер
Индуктивті катушкалар тұрақты және айнымалы ток тізбектерінде кеңінен қолданылады. Мысалы, тұрақты және айнымалы ток машиналарының орамалары, тұрақты және айнымалы электромагниттері мен релелерінің катушкалары, т. б.
Енді осы тұрақты және айнымалы ток тізбектеріндегі катушкалардағы өтпелі процестерді қарастырайық.
Активті кедергісі және индуктивтігі бар реал катушкаға тұрақты кернеу берілді делік (2, а-сурет) .
 
2-сурет. Реал катушканы тұрақты (а) және айнымалы (б) кернеу көздеріне қосу схемалары
Коммутациядан кейін ток нольден бастап қалыптасқан мәніне дейін өседі:
 (7)
 (7)
мұндағы R - катушканың тұрақты токқа кедергісі.
Өтпелі токтың өзгеру заңдылығын коммутациядан кейінгі мезет үшін Кирхгофтың екінші заңы бойынша жазылған өрнектен табуға болады:
 (8)
 (8)
Енді осы теңдіктің екі жағын да R- ге бөлсе
 
немесе
 (9)
 (9)
 мұндағы
  - уақыт тұрақтысы деп аталады, өйткені оның өлшемдігі уақыт бірлігіне тең.
 - уақыт тұрақтысы деп аталады, өйткені оның өлшемдігі уақыт бірлігіне тең.
Айнымалы шамаларды бөліп (9) дифференциалды теңдеуін шешсе
 
 
 Бұдан
  (10)
 (10)
Коммутацияның бастапқы мезетінде, яғни t=0 уақытта, ток нольге тең, i=0 . Осы бастапқы шарттар бойынша (10) теңдігінен интегралдау тұрақтысы
 
Интегралдау тұрақтысының осы мәнін (10) теңдігіне қойса
 (11)
 (11)
(5) және (7) теңдіктерін ескерсе
 (12)
 (12)
 (13)
 (13)
(5), (7) және (13) теңдіктері бойынша тұрғызылған токтың уақыттан тәуелділігінің графиктері 3-суретте келтірілген.
 
3-сурет. Қалыптасқан ( I к ), еркін ( і е ) және өтпелі ( і ) токтардың графиктері
 Осы графиктерден және теңдіктерден көрініп тұрғандай, еркін ток пен өтпелі ток экспонента бойынша өзгереді: мұнда еркін ток -
 
  I
  
   к
  
 -дан 0-ге дейін экспонента бойынша азайып, ал өтпелі ток экспонента бойынша 0-ден
 
  I
  
   к
  
 -ға дейін өседі. Уақыт тұрақтысы
  осы токтардың өсу тездігін көрсетеді. Ол тек қана тізбектің индуктивтілігі мен активті кедергісіне байланысты: индуктивтілік активті кедергіге қарағанда көп болса токтың өсуі баяу болады және өтпелі процестің уақыты ұзарады.
 осы токтардың өсу тездігін көрсетеді. Ол тек қана тізбектің индуктивтілігі мен активті кедергісіне байланысты: индуктивтілік активті кедергіге қарағанда көп болса токтың өсуі баяу болады және өтпелі процестің уақыты ұзарады.
Практикада өтпелі процесс (3-4) τ уақыт өткенде аяқталады деп есептелінеді.
Активті кедергі мен индуктивтіліктегі кернеулер:
 (14)
 (14)
 (15)
 (15)
Осы теңдеулер бойынша кернеудің уақыттан тәуелділігінің графиктерін тұрғызса (4-сурет), активті кедергінің кернеуінің 0-ден электр көзінің кернеуі U -ға дейін көбейетінін, ал индуктивтіліктің кернеуінің электр көзінің кернеуі U -дан 0-ге дейін азаятынын анықтауға болады. Мұның себебі катушкада өздік индукция ЭҚК-нің пайда болуында.
 
4-сурет. Кернеу көзінің (U), активті (u R ) және индуктивті (u L ) кернеулердің графиктері
Сонымен индуктивті элементті кернеу көзіне қосқанда бастапқы мезетте оның индуктивтік кернеуі толық кернеуге тең болады. Сондықтан оның изоляциясы толық кернеудің мәніне есептелген болуы керек.
... жалғасы- Іс жүргізу
- Автоматтандыру, Техника
- Алғашқы әскери дайындық
- Астрономия
- Ауыл шаруашылығы
- Банк ісі
- Бизнесті бағалау
- Биология
- Бухгалтерлік іс
- Валеология
- Ветеринария
- География
- Геология, Геофизика, Геодезия
- Дін
- Ет, сүт, шарап өнімдері
- Жалпы тарих
- Жер кадастрі, Жылжымайтын мүлік
- Журналистика
- Информатика
- Кеден ісі
- Маркетинг
- Математика, Геометрия
- Медицина
- Мемлекеттік басқару
- Менеджмент
- Мұнай, Газ
- Мұрағат ісі
- Мәдениеттану
- ОБЖ (Основы безопасности жизнедеятельности)
- Педагогика
- Полиграфия
- Психология
- Салық
- Саясаттану
- Сақтандыру
- Сертификаттау, стандарттау
- Социология, Демография
- Спорт
- Статистика
- Тілтану, Филология
- Тарихи тұлғалар
- Тау-кен ісі
- Транспорт
- Туризм
- Физика
- Философия
- Халықаралық қатынастар
- Химия
- Экология, Қоршаған ортаны қорғау
- Экономика
- Экономикалық география
- Электротехника
- Қазақстан тарихы
- Қаржы
- Құрылыс
- Құқық, Криминалистика
- Әдебиет
- Өнер, музыка
- Өнеркәсіп, Өндіріс
Қазақ тілінде жазылған рефераттар, курстық жұмыстар, дипломдық жұмыстар бойынша біздің қор #1 болып табылады.
 
            
                Ақпарат
Қосымша
Email: info@stud.kz