«Батыс-2» шағын ауданындағы бу қазандығының автоматтандыру жүйесін жобалау


Жұмыс түрі: Курстық жұмыс
Тегін: Антиплагиат
Көлемі: 24 бет
Таңдаулыға:
КІРІСПЕ
Өндірістік автоматтандыру - машиналық өндірістің дамуы барысында бұрын адам атқарып келген басқару және бақылау жұмыстарын приборлар мен автомат құрылғыларға жүктеу процесі. Өндірістік автоматтандыру - осы заманғы өндірісті дамытудың негізі әрі техникалықпрогрестің ең басты бағыты. Өндірістік автоматтандырудың жарым-жартылай, кешенді және толықтай автоматтандырылған түрлері бар. Өндірісті жарым-жартылай автоматтандыру өте күрделі әрі тез өтетін процестерді адамның тікелей басқаруы мүмкін болмайтын жағдайларда пайдаланылады. Басқару жұмыстарын автоматтандыру өндірісті жарым-жартылай автоматтандыруға жатады. Өндірістік автоматтандыру процесі кезеңінде телім, цех, зауыт, электр станциялар өзара бір-бірімен байланысқан автоматты кешен ретінде жұмыс істейді. Кешенді автоматтандыру кәсіпорынның, шаруашылықтың, қызметтің негізгі өндірістік жұмыстарын түгелдей қамтиды. Адам бұл жағдайда жалпылама бақылау жұмыстарымен ғана айналысады. Өндірісті толықтай автоматтандыру өндірісті басқару мен бақылау жұмыстарын түгелдей автоматтандырылған жүйелерге жүктейді. Бұл процесс - автоматтандырудың ең жоғары сатысы. Өндірісті толықтай автоматтандыру іске қосылатын өндіріс рентабельді, жұмыс ырғағы ылғи бір қалыпты және әр түрлі ауытқуларды алдын ала болжап, есепке алу мүмкін болатын жағдайларда, сондай-ақ адамға қауіпті және денсаулығына зиянды өндірістерде іске асырылады. Өндірістік автоматтандырудың негізі басқарылушы нысанның заңдылықтарын тиімді түрде зерттеу әдістерін жасау, басқару әдістерінің экономиялық тиімділігін анықтау және автоматтандыру құралдарын жасаудың инжинерлік әдістерін табу секілді мәселелерден құралады. Белгілі мақсатқа жету үшін таңдалып алынған тиімді басқару әдістері мен оны іске асыратын техникалық құралдар автоматтандырылған басқару жүйесін (АБЖ) құрады. Осы заманғы АБЖ-ның құрамына сигналдар тудыру құрылғылары, логикалық және математикалық өңдеулерден өткен ақпаратты қабылдау және қайтарып беру, белгілі болған ақпараттарды адамға хабарлау, басқару сигналдарын тудыру және жұмыстық құрылғылар кіреді .
Қазандық қондырғы ыстық су мен бу өндіру үшін қолданылатын механизмдер мен қондырғылар жиынтығы. Қазандық қондырғы қазан агрегатынан және қосымша жабдықтардан (газ және ауа құбырларынан, оттықтан, үрлеу құрылғысынан, т. б. ) тұрады; тұрғын үй, қоғамдық және өнеркәсіптік ғимараттардың және технология тұтынушылардың (өнеркәсіптік мекемелер, т. б. ) жылыту, желдету, ыстық сумен қамтамасыз ету жүйелерін жылумен жабдықтауда қолданылады. Шағын қуатты Қазандық қондырғыда қосымша құрылғылар болмайды, оның есесіне қоректендіргіш арматуралар және қазанға құйылатын су әзірлейтін жабдықтар болады. Қазан цехында, ЖЭО-нда әдетте бірнеше Қазандық қондырғылары орнатылады. Бұл қазандар ортақ магистрал бойынша қоректендіріледі. Буды ауық-ауық қыздырып тұратын қуатты Қазандық қондырғы қазан-турбина блогі жүйесін түзеді. Қуатты Қазандық қондырғының орнатылатын бөлмесінің аумағы бірнеше мың м3, сағатына 4000 т-ға дейін бу өндіре алады. Қазақстанда 20 ғасырдыңдың ортасында жасалған ПТВМ және КВ-ГМ (шамамен 117 дана) түріндегі орташа жылу өндіруі 116 МВт (100 Гкал/сағ) дейінгі су ысытқыш қазандар қолданылыста болған. Қазіргі кезде, тек қана Алматы қаласында КСГн сериялы пайдалы әсер коэффиценті 92%, табиғи газбен жұмыс істейтін 50-ге жуық су ысытқыш қазандар, КВ-Г-3, 56 сериялы 4 қазан және КВ-Г-7, 65 сериялы бір қазан жұмыс істейді. Жылу техника көрсеткіштері бойынша жетілдірілген жаңа КВ-Г-35 қазаны “АЖЖЭ” ААҚ -ның Оңтүстік қазандығында өндіріске енгізілуде. Қазақ энергетика ғылыми-зерттеулер институтында КСТ, КСГн және КВ-Г-35 сериялы Қазандық қондырғылар жасалды.
Басқару жүйесінің негізгі сипаттарының бірі оның сенімділігі болып табылады. Сондықтан жүйелер базасында аппаратты-техникалық база ретінде бақылаушы таңдалды, ол теріске шығарудан заманға сай қорғаудан құралады: жадынынң энергиялық тәуелділігіндегі жұмыстың негізгі параметрлерінің көшірмесі, тәуелділіктен қорғау құралы және т. б.
ТП БАЖ әзірлеу мәселелері, өлшеу және автоматика құралдарын таңдау технологиялық процесстердің ерекшеліктерімен тығыз байланысты және тиесілі технологиялық құрылғыларды жобалау кезеңінде шешілуі тиіс.
Технологиялық процестің дамуына өндірістік үрдістің технологиясына жаңа прогрессивті үрдістерді енгізу, өнеркәсіпті автоматтандыру, өндірісті модернизациялау, технологиялық процесті автоматтандыруды жасауға мүмкіндік беретін үзіліссіз үрдістерді жасау зор ықпал жасады. Осы мәселелерді шешу нәтижесінде тұтынылатын шикізатты үнемдеуге, өзіндік құнды төмендету және технологиялық процестің сапасын жоғарылатуға қол жеткізуге болады.
- ТЕХНОЛОГИЯЛЫҚ технологиялық процесс
туралы мәлімет беру
Қажетті бу немесе ыстық су жасауға арналған, қазандық агрегаттардың және қосымша құрылғылар мен механизмдердің жиынтығын, қазанды қондырғы деп атайды.
Қазандық қондырғы мыналардан құралады: қазандық агрегаттан, барабан 22, жыйнаушы (коллекторлар) 10, қабырға бойында орналасқан қайнатқыш экранды құбырлар 5, барабан мен жыйнаушы (коллекторды) жалғастырушы; түсірмелі құбыр 21 арқылы, су жоғарғы барабаннан, төменгі жинаушыға (коллек-торға) ағып түседі; бу ысытушы 7 - қазаннан алынатын қаныққан буды, белгіленген температураға дейін қыздыруға арналған. Будың температурасын арттыру, түгелімен қондырғының үнемділігін арттыруға экеліп соғады (су жылытқыш қазанда бу қыздырғышы жоқ) .
Қазанды агрегаттардың негізгі элементтеріне жататындар: Жағу - құрылғы, онда отынның химиялық энергиясына байланысты, өнімнің жануынан жылу энергиясына түрленіп жүреді (суретте - шынжырлы, доңғалақты торлы 4 көрсетілген) ; ыстық газдың қозғалысы қою қара стрелкамен көрсетілген.
![]()
1. 1-сурет. Қазанды қондырғылар:
1 - ленталы конвейерлер; 2 - жұмсалатын отынға арналған бункер; 3 - қырнаушы қоректендіргіш; 4 - шынжырлы тор; 5 - сулы экрандар; 6 - фестон; 7 - бу қыздырғыш; 8 - су ұнемдегіш (экономайзер) ; 9 - құбыр-шалы ауа жылытқыш; 10 - жыйнаушы (коллектор) ; 11 - шлак бункері; 12 - желдеткіш; 13 - шлак уатқыш; 14 - түтін сорғыш; 15 - күл шығарғыш; 16 - күл ұстағыш; 17 - клапан (мигалка) ; 18 - циклон; 19 - булы эжектор; 20 - түтін құбыры; 21 - циркуляциялы пішіннің түсірмелі құбыры; 22 -қазан барабаны; 23 -- сақгандырушы қақпақ; 24 - бу қыздырушы жыйнауыш (коллектор) ; 25 - бу вентилінің бас тиегі; 26 - айналдыра қалаушы; 27 - деаэратор; 28 - булы су жылытқыш; 29 - пайдаланушы сұйық сорғыш; 30 - конденсатты сұйық сорғыш.
Су унемдегіш (экономайзер) 8, қазандыққа түскенге дейінгі суды жылытуға арналған. Қазандық агрегаттан шыққан ыстық газбен суды жылытуды жүргізіледі, сонымен қатар, ыстық газдың жылуын пайдалану есебінен, қазандықтың үнемділігін арттырады;
Ауа жылытқыш 9, ауаны жылытуға арналғанын, жағуға тусер алдындағы қазандық агрегаттан шығуы. Ауа жылытушы арқылы, ауа қозғалысы және ауа жүргізушінің жағуға кіруі, ашық стрелка-мен көрсетілген.
Қазандық агрегаттың беттері, бір жағынан ыстық газбен малынады, ал басқа жағынан - бумен, сумен немесе ауамен жұғы-сады. Металлды қабырға арқылы, газбен берілетін жылулықты қа-былдауын -"беттік қыздыру деп атайды. Бетінің қыздырылу ауданын, м 2 өлшейді. Қазандық агрегаттардың жабдықтарына төмендегілер жатады:
- айналдыра қалаушы 26, жану қабырғалар (немесе жанушы камералар) және газ жүруші, яғни, онымен түтінді газдардың белгіленген бағытпен қозғалуы. Айналдыра қалауын, қаңқамен ұстатады, яғни айналдыра қоршауға орнатылған, металды конструкция, олар ірге тасқа бекітілген, оған қазандық агрегаттың барлық бөліктерін монтаждайды; арматура жэне гарнитура - құрылғы, қазандық агрегатты пайдалануға жэне қызмет көрсетуге арналған.
Қазанды қондырғылардың қосалқы жабдықтарына - отын дайындаушы құрылғы, отын жеткізуші, қатты отындарды жағу кезіндегі күл алып кетуші жүйелер жэне күлді ұстаушы, сумен қамтамасыздандыруға арналған құрылғы, қамтамасыздандырушы қондырғы, үрлеуші желдеткіштер, түтін сорғылар немесе тартып сорушы қондырғы, жылылықты тексеруші аспаптар жэне құрылғы-ны автоматты басқарушы.
Ірі қазандық қондырғылардың, отын дайындаушы құрылғылардың, шаң түріндегі қатты отынды жағуы, өзінің тағайындалуымен диірменде, әртүрлі типтегі, кесек отыннан шаңды дайындайды (барабанды, шарлы, балғалы) .
Сүлбеге сәйкес отын жеткізу 18. 1 суретте көрсетілгендей, ленталы конвейер 1 түрінде қоймадан отынды тасу үшін транспортты құрылғы қосылады, отынды бункер 2 жэне қамтамасыздандырғыш 3 жеткізеді. Күлді алып кету және күлді ұстауды шлакты уатқыш 3, күл жүргізгіш 15, күл ұстағыш 16, циклон 18 және булы эжектор 19 тұрады.
Пайдаланылатын суды дайындауға арналған құрылғының, негізгі атқарар қызметі - судағы тұздан, қабыршық кдбаттан пайда болуын тазалау, одан механикалық қоспаларды алып кету, сонымен қатар газдардан тазарту. Суды дегазациялау немесе деаэрация-лауын, деаэратор жүргізеді.
Сумен қоректендіргіш құ-рылғы, қазандық агрегатқа суды жеткізіп беруге арналған; ол сумен қоректендіруші сұйық сорғы 29, бактан және құбырдан тұрады. Электрлі станциялардың қазандық қондырғысында қоректендіруші суды регенеративті жылытуды, турбинаның буынан жылытқыш 28 алынады.
Үрлеуші желдеткіш 12 ауа жүргізгішпен жануына ауа беруін қамтамасыз етеді.
Сорып тартушы қондырғы - түтін сорғыш 14 және түтінді құбыр 20 тұрады да, қазандық қондырғыдан түтінді газды атмосфераға алып кетуге арналған.
- Бақыланатын, реттелетін және сигналданатын параметрлерін таңдау.
Қазан құрылғыларын автоматтандыру жүйесінің көлемі қазанның типіне және оның құрамында нақты қосалқы құралдардың бар болуына тәуелді болады.
СН 350 - 66 стандартына сәйкес қазан құрылғыларында мына жүйелер қарастырылады: автоматты реттеу, қауіпсіздік автоматикасы, жылутехникалық бақылау, сигнализация және электр жетегін басқару.
Автоматты реттеу жүйелері. Қазан құрылғыларын АРЖ негізгі түрлері: қазандар үшін - жану және қоректену процессін реттеу; деаэраторлар үшін - су деңгейін және бу қысымын реттеу. Жану процессін автоматты реттеу сұйық немесе газ түріндегі отындарда жұмыс істейтін барлық қазан түрлерінде қарастырылады. Қатты отынды пайдалану уақытында жану процессін АРЖ механизацияланған жылыту құрылғысы бар қондырғылар жағдайында қарастырылады.
Резервті отындағы АРЖ қажеттілігі қазанның резервті отында жұмыс істеу уақытын есептеу нәтижесінде орындалған техника - эеономикалық негіздер бойынша анықталады. Апаттық отындар үшін АРЖ қарастырылмайды. Сұйық отында жұмыс істейтін қазан құрылғылары температура және отынның қысымын АРЖ қарастыру қажет.
Буды қыздыру температурасы 400ºС және оданда жоғары болған қазандар қыздырылған будың температурасын АРЖ мен жабдықталуы тиіс.
Қауіпсіздік автоматикасы . Газ және сұйық отын түріндегі отындарға негізделген қазандар үшін қауіпсіздік автоматика жүйесі қарастырылуы міндетті. Бұл жүйелер апаттық жағдайда отын берілуінің тоқтатылуын қамтамасыз етеді (1 - кесте) .
Жылутехникалық бақылау. Қазандағы көрсетуші приборлардың олардың типтеріне байланысты көлемі 2- кестеде келтірілген.
Беруші және кері коллектордағы судың температурасын; жалпы ағындық магистралдағы сұйық отынның температурасын; магистралдағы бу қысымын, жалпы ағындық магисралдағы сұйық немесе газ түріндегі отынның қысымын, қазан бойынша сұйық немесе газ түріндегі отынның шығынын өлшеу үшін қазандарға көрсетуші прибор орнатылады.
1 - кесте.
Бақыланатын параметр
Қазандағы көрсетуші приборлар
Бу қазандарында р, МПа
Суқыздыру қазандарында, ºС
< 0, 07
> 0, 07
< 115
> 115
Қазан шығысындағы бу (су) температурасы
+
+
-
-
Қазан кірісіндегі су температурас
+
+
+
+
Экономайзер сыртындағы қоректендіру судың температурасы
+
-
-
-
Қазан сыртындағы бықсық газдердің температурасы
+
+
+
+
Қазан барабанындағы бу қысымы
+
+
-
-
Буқайтақыздырғыштан кейінгі бу (су) қысымы
+
-
+
+
Мазутты тозаңдандыру үшін берілетін бу қысымы
+
-
-
-
Қазан кірісіндегі судың қысымы
+ *
-
+
-
Экономайзердің алдындағы және соңындағы су қысымы
+
-
-
-
Үрлеу желдеткішінен кейінгі ауа қысымы
+
+
+
+
Оттық алдындағы ауа қысымы
+
-
+
-
Оттық алдындағы реттеуші арматура соңындағы сұйық немесе газ түріндегі отын қысымы
+
-
+
-
Жылытқыштағы сирету
+
+
+
+
Түтінсорғы шибері алдындағы сирету
+
+
+
+
Бу шығыны
+
-
-
-
Қазан арқылы өтетін су шығыны
-
-
+
-
Қазан барабанындағы деңгей
+
-
-
-
Қазандықта мына параметрлерді тіркеу қарастырылады: техникалық қажеттіліктер үшін арналған қайтақыздырылған будың температурасы; жылужүйесінң трубопроводтарына және ыстық су жүйесіне берілетін судың температурасы; коллекторға берілетін будың қысымы; жылу жүйесі трубопроводтарындағы судың қысымы; коллекторға берілетін судың шығыны; жылу жүйесінің және ыстық суменжабдықтау жүйесінің трубопроводына берілетін судың шығыны.
Деаэраторлық - қоректену қондырғылары көрсетуші приборлар мен жабдықталады. Олар жинақтаушы және қоректендіруші бактердегі және сәйкес трубопроводтардағы судың температурасын, деаэратордағы будың қысымын, әрбір магистралдағы қоректену суының қысымын, жинақтаушы және қоректену бактеріндегі судың деңгейін өлшеу үшін арналған.
- АРНАУЛЫ БӨЛІМТехнологиялық процесті автоматтандырудың функционалдық схемасын қарастыру
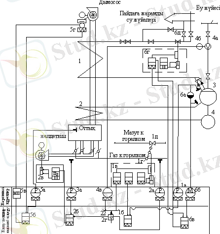
Қазан құрылғыларындағы параметрлерді реттеу үшін «Кристалл» электронды - гидравликалық реттеуіштері кең қолданылады. Бұл қазанның жану процессін автоматты реттеу жүйесі төмендегілерден тұрады: қазан жүктемесін (қысымын) реттеуіштер; отын - ауа қатынасының реттеуіштері; қазан қыздырғышындағы сирету реттеуіштері.
Қазан жүктемесінің реттеуіші қысым датчигінен, күшейткіштен және гидравликалық атқарушы механизмнен тұрады. Қазан барабанындағы қысым дифференциалды - трансформаторлы датчигі бар МЭД типті манометр 1а арқылы өлшенеді. Импульс датчиктен УТ типті электронды контактісіз транзисторлы күшейткішке 1б келіп түседі. Күшейткішке атқарушы механизмнен 1в кері байланыс арқылы да сигнал беріледі. Солай етіп П реттеу заңы жүзеге асырылады. Күшейткіш шығысындағы сигнал ГИМ - Д2И типті гидравликалық атқарушы механизмнің 1в электрогидравликалық релесінің орамасына беріледі. Ол иінтірек жүйесі арқылы газдегі реттеуші жапқыштың 1г немесе мазуттағы реттеуші қақпақтың 1д жағдайын өзгертеді. Бұл типтегі атқарушы механизм үш кері байланыс датчигіне ие болады. оның біреуі жүктеме реттеушінің қатаң кері байланыс құрылғысы ретінде, ал қалғандары мазут пен жұмыс істейтін қазандардағы отын - ауа қатынасын реттеушілер үшін датчиктер ретінде қолданылады.
Газ түріндегі отын мен жұмыс істеу уақытында отын - ауа қатынас реттеуіші УТ типті күшейткіш 2б негізінде екіимпульсті схема бойынша құрылады.
Бір импульс газ қысымын бақылайтын ДМ типті дифанометрден 2а, ал екіншісі ауа проводы және атмосфера ауасы арасындағы қысым айырымын өлшейтін ДТ2 - 200 типті 3а дифанометрден келіп түседі. Күшейткіш ГИМ типті атқарушы механизмге 2а әсер етеді. Қазан мазутта жұмыс істеу уақытында 2г ажыратып - қосқыштың көмегімен реттеуіш үшимпульсті схемаға өтеді. Сондықтан газ шығынөлшегішінен импульс өшіріліп, схемаға 4а шығын өлшегіштің импульстері ИМ жүктеме реттеуішінің 1в кері байланыс датчигінен қосылады. Қыздырғыштағы сирету реттеуіші УТ типті күшейткіш 5б негізінде жүзеге асырылады. Импульс оған қыздырғыштағы сиретуді өлшейтін ДТ2 - 50 типті 5а дифанометрден келіп түседі. Сигнал күшейткіштен СКР - 0 - 66 типті 5в реверсивті контактор арқылы Р сериялы сервомоторға 5г келіп түседі. Сервомотор БИОС - М типті изодромды кері байланыс блогымен бір жинақта жұмыс істейді. Оның импульсі ПИ реттеу заңын жүзеге асыратын УТ күшейткіштің кірісіне беріледі.
Қазан қоректенуінің АРЖ (6а - 6д) П реттеу заңын жүзеге асыратын біримпульсті схема бойынша орындалады.
ПТВМ типті суқыздыру қазандары үшін олардың өнімділігіне және құрылымдық ерекшелігіне байланысты әртүрлі реттеу жүйелері қолданылады. Жылу өнімділігі 40 Вт болған ПТВМ - 30М қазаны 6 газ - мазутоттығымен, түтін сорғы және 2 үрлеу желдеткіші мен жабдықталған.
Мұндай қазандар үшін тек қана су температурасын реттеуіштен, ауа реттеуіштен және қыздырғыштағы сиретуді реттеуіштен тұратын жануды реттеу АРЖ қарастырылған (27 - сурет) .
Су температурасын реттеуіш УТ типті 1в күшейткіш негізінде құрылады. Оған импульс екі 1а және 1б кедергі термометрінен келіп түседі. Кедергі термометрінің біреуі қазаннан кейінгі су температурасын өлшейді, ал екіншісі жылу желісіндегі су температурасын өлшейді. Реттеуіштің қазаннан кейінгі су температурасын ұстап тұру уақытындағы қазан жұмысының режимі негізгі деп аталады, ал жылу желісіндегі судың температурасын реттеу уақытындағысы реттелетін деп аталады. Бірінші жағдайда реттеуіш тұрақты тапсырмада жұмыс істейді, ал екінші жағдайда тапсырма жылыту графигі бойынша өзгеріп отырады. реттеуіш 1в серпінді кері байланыс пен қамтылған және И реттеу заңын жасайды.
![]()
2. 1 - сурет. ДКВР қазанының автоматты бақылау
және реттеу жүйесінің функционалдық схемасы.
Қазаннан кейінгі судың температурасы оттықтарды қосу және ажырату арқылы реттеледі. Ол оттықтарды кезекпен жағып, өшіріп тұратын релелі жүйенің көмегімен автоматты түрде немесе басқару щитінің көмегімен дистанционды түрде басқарылады.
Мұндай реттеу газ қысымының өзгеруіне және оттық өнімділігің өзгеруіне алып келеді. Сондықтан бұл қазандар үшін отын қысымын реттеуіштер қарастырылған.
Қазандарда орнатылған деаэраторлардағы реттеу жүйелері «Кристалл» жүйесінің аппаратуралары негізінде құрылады. Олар біримпульсті реттеуіштерді өз ішіне алады (28-сурет) . бу қысымын реттеуіш П реттеу заңын, ал деаэратордағы су деңгейін реттеуіш И реттеу заңын орындайды.
- Принципиалды электрлік схеманы қарастыру
Қауіпсіздік автоматика схемасы қазанагрегатының қорғаныс функцияларын орындайды және қазанды жағу немесе апаттық режим пайда болғанда оны өшіру уақытындағы операциялар ретін қамтамасыз етеді.
Мысал ретінде ПТВМ-30 қазанының қауіпсіздік автоматикасы схемасының жұмысын қарастырамыз .
Орнатылған режим кезінде ауа қысымы төмендеу сигнализаторының (СПДВ), бу қысымы төмендеу сигнализаторының (СПДП), қыздырғыштағы сирету (СПР) датчиктерінің контактілері, сондай - ақ су деңгейі сигнализатор - приборының (САУ) контакті тұйықталған. РП2 - РП5 релелерінің катушкалары кернеу астында болады және РВ2 қорғаныс және РВ1 қосу реле тізбектерін жұмысқа дайындайды.
Қазанды қосу ПК кілті арқылы жүзеге асырылады. Қазанды қосу үшін кілттің тұтқасы «қосу» жағдайына бұрылады (схемада 6 - жағдай) . Бұл уақытта 9 - 8, 13 - 16 және 17 - 19 контактілері тұйықталады. Кілт тұтқасының тіркелген жағдайға қайтуы уақтында (схемада 5- жағдай) 13-16 және 17 - 19 контактілері тұйық қалпында қалады, ал 9 - 8 коньактісі ажыратылады. Солай етіп кілттің 6 - жағдайға бұрылу сәтінде оның 9 - 8 контактілері арқылы РВ1 реле қосылады. РВ1 релесі өзінің тұйықталушы контактісі арқылы өздігінен блокталады және кілт тұтқасы 5 - жағдайға қайтқан уақытта кернеу астында қалады. РВ1 реленің екінші тұйықтаушы контакті РП9 релені қосады. РП9 релесі өзінің контактілерімен тұтандырғыштың 1КЗУ, 2КЗУ қақпақтарын ашады және 1ЗУ, 2ЗУ тұтандыру құрылғыларын қосады. Олардың қоректенуі үшін Д диодтардан тұратын түзеткіш схемасы қарастырылған. 1Ф, 2Ф фотодатчиктері ПФ кілті арқылы таңдалып, тұтандырғыштағы отты бақылайды. Тұтандырушы қорғаныс құрылғысының (ЗЗУ) басқарушы приборы, тұтандырғышта от жоқ болғанда өзінің контактілері арқылы РП6 релені қосады. өз кезегінде РП6 өзінің тұйықтаушы контактілері арқылы РВ2 қорғаныс релесін және Р31, Р32 блокировка релесін қосады. РВ2 өзінің тұйықтаушы контактісімен газопроводтағы бөлгіш - қақпақтың СГ электромагниттік ілмек тізбегін дайындайды. Осыдан кейін бөлгіш - қақпақ ашылып газдың қысымы СПДГ контактін тұйықтайды. РП1 реле қосылады, ол өзінің тұйықтаушы контактімен бөлгіш - қақпақтың электромагнит тізбегін тұйықтайды, ажыратушы контакт арқылы РВ1 тізбегін үзеді.
РВ1 реле уақыт өтуімен РП9 релені қамтамасыз етеді, ал ол өз кезегінде тұтандырғыш қақпақтың жабылуын қамтамасыз етеді.
Қандайда бір параметрдің ауытқуы уақтында РП1 - РП6 қорғаныс реле тізбегі үзіледі. РВ2 реле токсызданады және бөлгіш - қақпақ газды жабады. Ауа және бу қысымының төмендеуі уақытында РП2 және РП4 релелердің контактілері бөлгіш - қақпақтың СГ катушкасын токсыздандырады және отынды беру кенет тоқтатылады.
![]()
... жалғасы
![]()
Қауіпсіздік схемасының негізгі торабы бөлгіш - қақпақ болып есептеледі. Газдың қысымына байланысты төмен (ПКН) және жоғары (ПКВ) қысым қақпақтары қолданылады.
Мазутта жұмыс істейтін қазанда бөлгіш - қақпақтың орнына СМ электромагнитті жетегі бар вентиль қолданылады. Отын түрін таңдау ПТ ажыратып - қосқыш арқылы жүзеге асырылады. Қазан құрылғыларын автоматты реттеу жүйесі және қауіпсіздік автоматикасы Щ - К2, Щ - К2У щиттерінде монтаждалған жинақ түрінде болады.
ІІІ. ЕСЕП БӨЛІМІ
3. 1 Тарылту құрылғысының көмегімен шығынды есептеу
21-нұсқа
Шығынды өлшеу жүйесінің сипаттамаларының бастапқы шамалары төмендегі кестеде 1 көрсетілген.
Кесте 1
- Іс жүргізу
- Автоматтандыру, Техника
- Алғашқы әскери дайындық
- Астрономия
- Ауыл шаруашылығы
- Банк ісі
- Бизнесті бағалау
- Биология
- Бухгалтерлік іс
- Валеология
- Ветеринария
- География
- Геология, Геофизика, Геодезия
- Дін
- Ет, сүт, шарап өнімдері
- Жалпы тарих
- Жер кадастрі, Жылжымайтын мүлік
- Журналистика
- Информатика
- Кеден ісі
- Маркетинг
- Математика, Геометрия
- Медицина
- Мемлекеттік басқару
- Менеджмент
- Мұнай, Газ
- Мұрағат ісі
- Мәдениеттану
- ОБЖ (Основы безопасности жизнедеятельности)
- Педагогика
- Полиграфия
- Психология
- Салық
- Саясаттану
- Сақтандыру
- Сертификаттау, стандарттау
- Социология, Демография
- Спорт
- Статистика
- Тілтану, Филология
- Тарихи тұлғалар
- Тау-кен ісі
- Транспорт
- Туризм
- Физика
- Философия
- Халықаралық қатынастар
- Химия
- Экология, Қоршаған ортаны қорғау
- Экономика
- Экономикалық география
- Электротехника
- Қазақстан тарихы
- Қаржы
- Құрылыс
- Құқық, Криминалистика
- Әдебиет
- Өнер, музыка
- Өнеркәсіп, Өндіріс
Қазақ тілінде жазылған рефераттар, курстық жұмыстар, дипломдық жұмыстар бойынша біздің қор #1 болып табылады.

Ақпарат
Қосымша
Email: info@stud.kz