Кәсіпорындағы газ тасымалдау компрессорлық станцияларын автоматтандыруын жобалау

 
    
Жұмыс түрі: Курстық жұмыс
Тегін: Антиплагиат
Көлемі: 26 бет
Таңдаулыға:
КІРІСПЕ
Автоматты реттеу дегеніміз адамның тікелей қатысуынсыз агрегаттың жұмысын немесе процесстің берілген режимін орындау. Автоматты түрде реттеу ескі технологиялық процестерді түбегейлі түрде жетілдіріп және қарқындатып қана қоймай, сонымен қатар қолмен реттеу кезінде мүмкін болмаған, жаңа процестерді іске асыруға мүмкіндік берді. Бұл реттеу түрі адам еңбегін жеңілдетіп, оның өнімділігін арттырады және денсаулыққа қауіпсіз болады.
Автоматты түрде реттеу кезінде адам рөлі проэкциялаумен, монтажбен, жүйені реттеумен және де оның іс-әрекетін бақылаумен шектеледі. Адам автоматтандырылған реттеу кезінде тікелей процесті басқарудан босайды және бұл бөліктегі оның функцияларын автоматтандырылған реттегіштер деп аталатын арнайы қондырғылар іске асырады.
Қазіргі уақытта автоматты басқару және реттеу жүйелері кез келген өндіріс, көлік саласы, ауыл шаруашылығы және тұрмыста кеңінен қолданыс табуда. Ал өндірістің қандай саласы болмасын, электр энергиясының көмегінсіз жұмыс жасай алмайды, сол себепті электр энергиясын өндіруді және тұтынуды ұлғайту қазіргі заманда материалдық өндіріс дамуының кепілдігі болады.
Автоматтандыру - техникалық құрал-жабдықтарды, сондай-ақ энергияны, материалды және ақпаратты алу, түрлендіру, жеткізу (тасымалдау), пайдалану процестеріне адамның тікелей не ішінара қатысуын босататын экономикалық-материалдық тәсілдермен басқару жүйесін пайдалану. Онда:
1. Технологиялық, энергетикалық, көліктік, өндірістік процестер;
2. Күрделі агрегаттарды, кемелерді, өндірістік құралдармен кешенді жобалау;
3. Цехты, мекемені, сондай-ақ әскери құрамалар мен бөлімшелерді ұйымдас-тыру, жоспарлау жәнем басқару;
4. Ғылыми-зерттеулер, медициналық және техникалық диагностикалау, статистика деректерін өңдеу және есепке алу, бағдарламалау, инженерлік есептеу т. б. автоматтандырылады.
Автоматандырылған жүйе - басқару міндетінің бір бөлігін адам (оператор) орындайтын, басқаратын объектілер мен автоматты басқару құрылғыларынығ жиынтығы. Автоматтандырылған жүйеде автоматты құрылғылар басқару объектісінен ақпарат жинақтауды, оны жеткізуді, түрлендіруді және өңдеуді, басқарушы командаларды қалыстастыруды және басқарылатын объектіде олардың орындалуын жүзеге асырады, яғни формальдауға оңай келетін қызметтер.
Автоматтық басқару - қандай да бір объектіні (машинаны, приборды, жүйені, процесті) берілген алгоритмге сәйкес адамның тікелей қатысуынсыз басқару. Басқару мақсатын жүзеге асыру үшін басқарылатын әр түрлі объектілердің өзіндік ерекшеліктері ескеріліп, объектіні басқару тетігіне әсер етерліктей әрекет жасалады.
Автоматы түрде реттеу дегеніміз адамның тікелей қатысуынсыз агрегаттың жұмысын немесе процесстің берілген режимін демеу. Автоматы түрде реттеу кезінде адам рөлі проекциялаумен, монтажбен, жүйені реттеумен және де оның іс-әрекетін бақылаумен шектеледі. Адам автоматтандырылған реттеу кезінде тікелей процесті басқарудан босайды және бұл бөліктегі оның функцияларын автоматтандырылған реттегіштер деп аталатын арнайы қондырғылар іске асырады.
Автоматты түрде реттеу ескі технологиялық процестерді түбегейлі түрде жетілдіріп және қарқындатып қана қоймай, сонымен қатар қолмен реттеу кезінде мүмкін болмаған, жаңа процестерді іске асыруға мүмкіндік берді. Бұл реттеу түрі адам еңбегін жеңілдетіп, оның өнімділігін арттырады және денсаулыққа қауіпсіз болады.
І. Технологиялық бөлім
1. 1 Технологиялық процесс туралы жалпы мәлімет
Негізгі сипаттамалары
Жаңа бұрандалы сығу компрессорлары әр түрлі газдарды дайындауға, тазартуға және компрессор көмегімен газдың қысымын арттыруға арналған. Оларды ерекшеліктеріне жоғары өнімбергіштік, беріктілікік, қауіпсіздік және экологиялылығын жатқызуға болады. Типтік моделдердің және бөлшектердің алуан түрлілігі мен әрбір тапсырыс берушінің тапсырысы бойынша жеке талаптарға сай жабыдқталуы тиімді шешімдерді қабылдауға мүмкіндік береді. Компрессор түрлері: бұрандалы - өнімділігі: 20 м 3 /сағ-тан 4700м 3 /сағ-қа дейін; максимал айдау қысымы: 30 бар-ға дейін; жұмыс температурасының диапазоны: -60-тан +50 0 С-ға дейін.
Пайдалану аумағы
- Мұнайлы газды әрі қарай тасымалдау мақсатында бірінші және екінші айыру сатысынан кейін жинау және қысымын арттыру;
- Ілеспе мұнайлы газды микротурбиналы, газдылы поршенді және газдылы турбиналық электр станцияларына жағармай ретінде пайдалану мақсатында дайындау;
- Көмірсутектердің жеңіл фракцияларын қысымын жеңіл фракцияларды ұстап қалу қондырғылары үшін арттыру;
- Когенерациялау қондырғыларына жағармай ретінде биогаз дайындау;
Жұмыс аумағы
Көмірсутекті газдар:
- Калориялылығы - 2500-ден 24000 ккал/м3дейін;
- Күкірт мөлшері - көлемі бойынша 7%-ға дейін;
- Сутек мөлшері - көлемі бойынша 65%-ға дейін.
СОМРЕХ сығу компрессордарының негізгі сипаттамалары
Күрделі жөндеуге дейінгі қоры
4 сағат
Жөндеуаралық уақыт интервалы
8000 сағат
Жөндеу және қызмет көрсету
Пайдалану орнында
Әлемдік өндірушілер жинақтаушы бұйымдары
Электрқозғалтқыш: SIEMENS
Бұрандалы блок: Rotorcomp, Termomeccanica, VMC, GHH Rand
Жиілік түрлендіргіш: Omron, Hitachi, Control Techniques
Шу мен дірілдің төмен деңгейі
Арнайы іргетасты немесе іргетасқа қосымша тіректі талап етпейді
Қызмет көрсету мерзімі
20 жыл
Сығылмалы компрессорлар
Қаңқалы СОМРЕХ сығылмалы компрессор сипаты
Компрессорлы секция электр жетегі бар компенсациялау муфтасымен жалғанған және майлы бүрку мен ауамен салқындатқыш бұрандалы компрессордан тұрады, ол қаңқаға бекітілген. Қаңқада қосымша технологиялық жабдықтарда болуы мүмкін. Автоматтандырылған сенімді жүйе оны тәулік бойына пайдалануға мүмкіндік береді.
Компрессор секциясының құрамына МЕСТ 51330. 9 клас 2 бойынша жарылыс қаупі бар аумақта қауіпсіз қолдануға мүмкіндік беретін аспаптар мен құрылғылар орнатылған.
Стандартты түрде компрессор секциясының құрамына мыналар кіреді:
- Қаңқадағы компрессорды басқару шкафы;
- Компрессор;
- Газдылы контур;
- Майлау контуры.
Сығу компрессорының қаңқалы қондырғысы
Қаңқадағы компрессорды басқару шкафы
Қаңқа компрессор, газдылы контур және майлау контуры орнатылған, дәнекерленген болат конструкциясынан тұрады. Қаңқада тұтынушының энергетикалық объектілерінің газдылы және сорғыту желілеріне ДКС қосуға арналған фитингтер бар. Қаңқада тұйықтағыштарды бекітуге арналған бұрандалар қарастырылған. Жергілікті электр қосылыстар шкафы жарылыс қауіпсіз күйінде жасалған. Шкаф ішінде электр сымын ұстатқыш қалып орналасқан. Бұл электр сымын ұстатқыш қалыпта қондырғының барлық электр қосылыстары орындалады.
Компрессор
Май бүкуі бар бір сатылы бұрандалы компрессор екі ротордан тұрады: 5 қалақшалы жетекші ротор және 6 асиметриялық кескінді ойыстары бар жетекті ротор. Екі ротордың айналуы газдың үздіксіз және біртегіс сығылуын қамтамасыз етеді.
Бұрандалы жұп электр моторымен эластикалық муфта арқылы тікелей жалғанады. Бұл ретте редукторсыз қосылыс өте маңызды сипатқа ие болып келеді, өйткені ол қондырғының максимал тиімділікпен пайдалануға мүмкіндік береді. Аталған конструкторлық шешім жоғары ПӘК береді.
Май бүркуімен салқандатқыш бұрандалы компрессордың басқа технологиялық шешімдермен салыстарған уақыттағы артықшылықтары:
- Сығылған газ бүлкүлдеусіз шығарылады;
- Шу мен дірілдің төмен деңгейі;
- Жоғары сенімділігі;
- Қызмет көрсетудің аз қажеттілігі;
- Ұзақ уақыт бойы үздіксіз жұмыс жасауы;
- Қосалқы бөлшектердің аз болуы.
Сығу кезінде пайда болатын жылу екі ротордың арасына бүркелетін маймен жұтылып шығарылады. Сонымен қатар май барлық қозғалмалы механикалық бөлшектерді майлап, ротор мен тұлғаның саңылаусыздығын қамтамасыз етеді.
Бұрандалы жұп дәлдігі жоғары қақталған болаттан жасалған. Дөңгелек және ине тәріздес мойынтіректер осьтік және радиал жүктемелерді жұтады.
Жетек - Siemens ауыспалы тоқ асинхронды электр қозғалтқышынан тұрады. Қозғалтқыштың қасиеттері:
- Жылдамдықты реттеудің дәлдігі;
- Төмен жылдамдық кезіндегі жоғары айналу жиілігі;
- Айналу жиілігін реттеудің кең диапазоны;
- Жедел тоқтау кезіндегі динамикалық тежелу;
- Салқындатудың тиімді жүйесі.
Газдылы контур және оның жұмыс принципі
Компрессордың газдылы контуры сорғыту желісінен (бұрандалы блокқа дейінгі), байпас желісінен және айдау желісінен (бұрандалы блоктан кейін) тұрады. Байпас желісі механикалық немесе электрмагниттік қайта жіберу клапанынан тұрады.
Сорғыту желісінің элементтері:
- Сөндіру тетігі;
- Минимал қысым релесі;
- Торлы сүзгі;
- Сору клапаны;
- Манометр;
- Үрлеу жүйесін қосуға арналған клапан;
- Редуктор (депульсатор) ;
- Газды салқындатқыш;
- Автоматты түрде ағызып жіберетін конденсат сеператоры;
- Газды қыздырғыш.
Газ сору желісіне түсіп, конденсатты автоматты түрде ағызып жіберетін сүзгіден өтеді де реттелмелі сору клапанына түседі. Бұрандалы блокта сығу циклі кезінде газ маймен аралысып, майды айналдыру желісіне беріледі. Алдымен газдылы-майлы қоспа ресиверге түседі, онда газ бен майды айыру жүріп, газдылы-майлы сепараторда біріншіден ортадан тепкіш күштің әсерімен, екіншіден сүзгінің көмегімен май мен газды толық айыру орындалады. Бұдан кейін сығылған аз айдау желісіне түседі, онда ол минимал қысым клапаны арқылы салқындатқышқа беріледі. Салқындатқыштан шыққан газдың температурасы әдетте 800 0 С, сондықтан сулы булардың ұшып шығыун болдырмау мақсатында газ 500 0 С дейін газ-газ жылуалмастырғышында қыздырылады. Газды қыздыру салқындатқышқа түсетін газ ағыны мен одан шығатын газ ағынын жылуалмастыру арқылы жаалады. Сонан соң газ конденсатты автоматты түрде ағызып жіберу сепараторға түседі. Байпас клапан газды айдау желісінен шығын болмаған кезде және берілген қысым артқан уақытта сору желісіне жіберелі. Пневматикалық пропорционал реттегіш газдың тұрақты қысымын қамтамасыз ете отырып, шығынды реттеп отырады. Электрмагнитті клапан сору клапанын компрессордағы қысы белгілі деңгейге жеткен уақытта сөндіреді.
Майдың айналуын сипаттау
Газдылы-майлы қоспа бұрандалы блоктан газдылы-майлы ресиверге түседі. Майды айырғаннан кейін ол газдылы-майлы ресивердің төменгі бөлігінде жиналады. Газдың қысымы майдың май-салқындатқыштағы мен майлы сүзгідегі айналымын қамтамасыз етеді. Компрессорды іке қосу кезінде майдың температурасы конденсаттың пайда болуы үшін жеткіліксіз болады. Тазартудың соңғы сатысында газдылы-майлы сператор картирджінде аз мөлшерде май жинақталып, ол бұрандалы блоктың кірісіне қайта келіп, май ағынының біртектілігін бағалауға мүмкіндік береді. газдылы-майлы сепаратордағы қысым ауытқу релесі ластану кезінде белгі береді.
Қысымды азайту мен қоршауға арналған бір кесу клапаны сору компрессорында орналасқан, оның қызметі - бақылау және сөндіру жүйелері, дабыл қағу үшін көрсеткіштерді көрсету;
Бір температура датчигі компрессордың соруында орналасқан, оның қызметі - бақылау және сөндіру жүйелері, дабыл қағу үшін көрсеткіштерді көрсету;
Қысымды азайту мен қоршауға арналған бір кесу клапаны компрессордың соруында орналасқан, оның қызметі - бақылау жүйесі мен дабыл қағу үшін көрсеткіштерді көрсету;
Қысымды қоршау мен лақтыруға арналған бір кесу клапаны (қысым датчигі) компрессордың айдауында орналасқан;
Шығын датчигі компрессордың айдауында орналасқан, оның қызметі - басқару жүйесі үшін көрсеткіштерді көрсету.
1. 2 Бақыланатын, реттелетін және сигналданатын
параметрлерін таңдау
Кесте 1
Газ турбиналы газ айдаушы агрегаттарда бақыланатын парметрлер
Бақыланатын параметр
Бақылау нүктесінің саны
Ақпаратты пайдалану орны
Дабылқағу
Көрсеу
Айдағыштың кірісі мен шығысындағы қысым
2
-
ББЩ, ДП КС
Айдағыш ішіндегі газ қысымы
1
ББЩ
ББЩ
Айдағыштың кірісі мен шығысындағы газ температурасы
2
ББЩ
-
Айдағыштың көлмедік өнімділігі
1
ББЩ
ББЩ
Айдағыш роторының осьтік ығысуы
1
ББЩ
ББЩ
Подшипник дірілі
6
ББЩ
ББЩ
Подшипник температурасы
12
ББЩ
ББЩ
Қалтқылы камера сүзгісіндегі қысым құламасы
1
-
ББЩ
Бақыланатын параметр
Бақылау
нүктесінің саны
Ақпаратты пайдалану орны
Дабылқағу
Көрсеу
Отын газының қысымы
1
ББЩ
ББЩ
Іске қосу газының қысымы
1
ББЩ
ББЩ
Іске қосу газының шығыны мен көлемі
1
-
ББЩ
Отын газының шығыны мен көлемі
1
-
ББЩ
Төменгі қысым турбина (ТНД) білігінің айналу жиелігі
1
ББЩ
ББЩ
Жоғарғы қысым турбина (ТВД) білігінің айналу жиелігі
1
ББЩ
ББЩ
Жоғарғы қысым турбина (ТВД) алдындағы газ температурасы
1
ББЩ
ББЩ
Компрессор осі алдындағы газ температурасы
1
ББЩ
ББЩ
ТНД кейінгі өнімнің жану температурасы
1
ББЩ
ББЩ
ТВД кейінгі өнімнің жану температурасы
1
ББЩ
ББЩ
Регенатор алдындағы ауа температурасы
4
ББЩ
ББЩ
Жану камерасында жалынынң болуы
1
ББЩ
-
ТВД алдында өнімнің жану қысымы
1
ББЩ
ББЩ
Компрессор осінен кейінгі ауа қысымы
1
ББЩ
-
Айдағыш потрубкасындағы ауа қысымы
1
ББЩ
-
ГПА дамытатын қуат
1
-
ББЩ
Газ айдаушы агрегаттардың ПӘК
1
-
ББЩ
ГПА жеке механизмдерінің жағдайы
-
ББЩ
-
ГПА жағдайы
3
ББЩ
-
ГПА- газ айдаушы агрегаттар; ДП КС- компрессорлық стансаның диспетчерлік пункты; ББЩ- басты басқару щиті
ІІ. Арнайы бөлім
2. 1 Технологиялық процесті автоматтандырудың
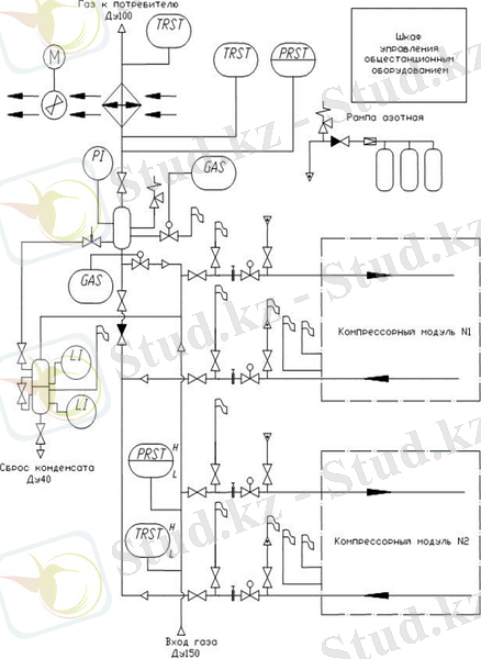
функционалдық схемасын қарастыру
Дожимді стационерлі блок-контейнерлік компрессорлы станция ( ДККС )
Дожимді стационерлі блок-контейнерлік компрессорлы станция ( ДККС ) ауа мен әртүрлі өндірістік газдарды сығу үшін арналған.
ДККС контейнірлік компрессорлық блоктан және ортақстанциялы қондырғылардан тұрады. Контейнер каркасты конструкция тәріздес құрастырылады, сыртқы жағы сэндвичті-панелдермен тұрады және ол 2 бөлікке бөлінеді: компрессорлы және күштік. Бұл бөліктер герметикалы бұрылыспен жылытылған байланыс кабель каналымен байланысады. Аспаптар контейнер бөліктеріне монтаждалады және оның үстіне қақпақ, жанындағы сыртқы қабырғасы компрессорлық бөлік орнатылады.
Компессорлық бөлікте монтаждалады:
- Газды майдан бөлетін сүзгі .
- Ортақ рамада орналасқан электр қозғалтқыш қаңғалақты компрессор, қайтқыш клапанды газды майдан бөлетін сипоратор .
- Май жүйесі: май айдағыш насос, сүзгі, реттелетін және берілетін арматура, май салқындатқыш.
- Аспаптар панелі: қысым датчиктері, манометр, тоқтау кнопкасы
- Электржылытқыш
- Газданушылық датчиктері, өрт мәліметтелуші
- Жарықтатқыш
- Мәліметтік табло: "газ", "өрт", "авария"
- Газ құбырөткізгіш, компрессорлы бөлімнің торцевой қабырғасындағы өтпелі панелде көрсетіледі.
Күштік бөлікке монтаждалады:
- Басқару электроқозғалтқышты компрессор жеңіл қосылу қондырғысы шкафы.
- Басқару компрессорды модуль шкафы.
- Газданушылық датчиктері, өрт мәліметтеуші.
- Компрессорлы бөліктің каналды қыздырғышы.
- Қыздырғыш, ( жылытқыш ) .
- Жарықтандырғыш.
- Шкафтың күштік бөліктің қабырғасына сыртқы қондырылады.
Контейнер қақпағында монтаждалады:
- Май суыту жүйесі.
- Тартқыш қаңғалақ ( вентелятор ) .
- Перилға қызмет көрсету аумағы.
Компрессордың сыртқы бөлігінің жанындағы қабырғасында монтаждалады:
- Мәліметтік табло: "газ", "өрт", "авария", "Тоқтау" кнопкасы.
- Газды коллектор қолды және автоматты арматурадан.
Ортақстанциялы қондырғыларға кіреді:
- Жіберілетін сығылған газ ресивері.
- Арматура желдетілетін бак.
- Азотты рампа.
- Соңғы газ салқындатқышы.
- Ортақстанциялы қондырғылар басқару сұлбасы.
- ПТК САУ компрессорлы станциясы ( автоматтандырылған кезде ДККС ГТЭС құрылғысынан бөлек ) .

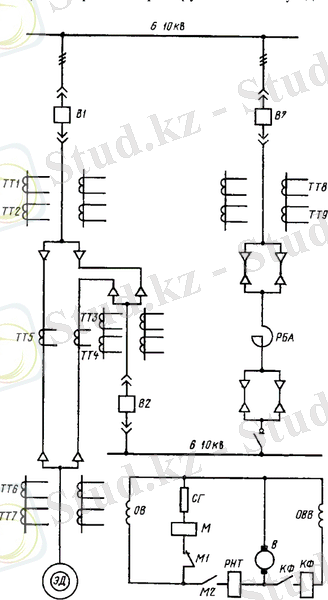
2. 2 Принципиалды электрлік схеманы қарастыру

ІІІ. Есептеу бөлімі
3. 1 Стандарты тарылтылған қондырғылардағы қысымның шамасының түсуі бойынша шығынды анықтау
Нұсқа №33
Диафрагма қондырылған құбыр өткізгішпен өтетін домендік газдың массалық шығынын және шығынды анықтау қателіктерін анықтау. Шығынды өлшеу жүйесінің сипаттамалары мен бастапқы шамалары және өлшеу нәтижелері кестеде 1 көрсетілген.
Кесте 1
 
 
Тарылтылған қондырғылардағы қысымның түсу шамасы бойынша шығын тәжірибеде былайшы анықталады:
1. Жұмыс жағдайындағы құбыр өткізгіштің және тарылтылған қондырғының диаметрлері анықталады (жұмыс ортасының t температурасы кезіндегі) :
D = D 20 [1+ γ( t − 20) ] ; (1. 1)
D = 740* [1+0, 11*( 48 − 20) ] =7140, 22792 мм
d = d 20 [1+ γ( t − 20) ] ; (1. 2)
d = 400* [1+ 0, 16*( 48 − 20) ] =400, 1792 мм
мұндағы γ - тарылтылған қондырғыдағы және құбыр өткізгіштегі материалдың сызықты ұлғаю коэффициенті;
D 20 , d 20 - 20 °С температура кезіндегі құбырдың және тарылтылған қондырғы саңлауының диаметрлері.
Температураның кең диапазоны үшін әртүрлі материалдардың γ сызықты ұлғаюының температуралық коэффициент мәні 10 % қателікпен мына формуламен есептелуі мүмкін:
γ =10 −6
, (1. 3)
γ D =10 −6
,
γ d =10 −6
,
Құбыр өткізгіштің материалының маркасына байланысты. Жаңа.
а е =11, 1, b e =7, 7, c e =3, 7,
Тарылту құрылғысының материалына байланысты. 12х18н9Т
а е =15, 6, b e =8, 3, c e =6, 5
мұндағы а е , b e , c e - cәйкесінше температура диапазонындағы тұрақты коэффи-циенттер, кестеде көрсетілген [2. 23 бет 2. 1. кесте] .
2. β- диафрагма саңылауының салыстырмалы диаметрі мына формуламен анықталады: β =
; β =
.
3. Жұмыс жағдайындағы газдың тығыздығы мына формуламен анықталады: ρ, кг/м 3
ρ φ = ρ d+ ρ п = ρ d +φ ρ н. п.
ρ φ = 0, 025+0, 45+19, 39=19, 865
Жұмыс жағдайындағы құрғақ газдың тығыздығы мына формуламен анықталады.


Стандартты жағдайдағы газдың құрғақ бөлігінің тығыздығын мына формула П4 кестемен анықталады:
Ρ dc =γ CO2PCCO2 + γ COPCO + γ H2PCH2 + γ CH4PCH4 + γ N2PCN2.
Ρ dc =24*1, 742+13, 5*1, 065+0, 0817*0, 5+0, 5179*0, 1+1, 033*61, 91) /100=1, 2023117
Газдың құрамы кесте 3- те көрсетілген.
Кесте 3
Доменді газдың құрамы
 
Жұмыс жағдайындағы салыстырмалы газ ылғалдылығы 40% тең.
Жұмыс жағдайындағы газдың физикалық қасиетін анықтаймыз.
- Жұмыс жағдайындағы доменді газдың динамикалық тұтқырлығының коэффициенті (3, 5-3, 7) формула және П. 4 кесте б1йын5а анықталған.
µ=17, 43*10 -6 Па. С
- Адиабаттық көрсеткіші (6. 6) формуламен анықталыды.
K=12*1, 3+27*1, 4+1*1, 141+0, 2*1, 3+59, 8*1, 4/100=1, 3879
3. Е- кіріс жылдамдық коэффициенті мына формуламен анықталады:
- Диафрагманың коэффиециенті үшінС∞ мына формуламен анықталады.
- Іс жүргізу
- Автоматтандыру, Техника
- Алғашқы әскери дайындық
- Астрономия
- Ауыл шаруашылығы
- Банк ісі
- Бизнесті бағалау
- Биология
- Бухгалтерлік іс
- Валеология
- Ветеринария
- География
- Геология, Геофизика, Геодезия
- Дін
- Ет, сүт, шарап өнімдері
- Жалпы тарих
- Жер кадастрі, Жылжымайтын мүлік
- Журналистика
- Информатика
- Кеден ісі
- Маркетинг
- Математика, Геометрия
- Медицина
- Мемлекеттік басқару
- Менеджмент
- Мұнай, Газ
- Мұрағат ісі
- Мәдениеттану
- ОБЖ (Основы безопасности жизнедеятельности)
- Педагогика
- Полиграфия
- Психология
- Салық
- Саясаттану
- Сақтандыру
- Сертификаттау, стандарттау
- Социология, Демография
- Спорт
- Статистика
- Тілтану, Филология
- Тарихи тұлғалар
- Тау-кен ісі
- Транспорт
- Туризм
- Физика
- Философия
- Халықаралық қатынастар
- Химия
- Экология, Қоршаған ортаны қорғау
- Экономика
- Экономикалық география
- Электротехника
- Қазақстан тарихы
- Қаржы
- Құрылыс
- Құқық, Криминалистика
- Әдебиет
- Өнер, музыка
- Өнеркәсіп, Өндіріс
Қазақ тілінде жазылған рефераттар, курстық жұмыстар, дипломдық жұмыстар бойынша біздің қор #1 болып табылады.
 
            
                Ақпарат
Қосымша
Email: info@stud.kz
 
