Ғимараттағы ауа алмасу процесін автоматтандыру жүйесін жобалау


Жұмыс түрі: Курстық жұмыс
Тегін: Антиплагиат
Көлемі: 27 бет
Таңдаулыға:
КІРІСПЕ
Өмірлік тәжірибе және ғылыми тәжірибелер көрсеткендей, адам организмі физикалық және оймен жұмыс істеу қабілетінің потенциалдық қорының көп екенін көрсетіп отыр. Бірақ осы резервті пайдалану үшін, адамға қолайлы жағдай жасау керек. Ол, қоршаған ортаның құрамына, тазалығына, температурасына, ауаның ылғалдылығына, оң және теріс иондардың, табиғаты әртүрлі өрістердің болуына байланысты және т. б. Осы айтылған параметрлердің кейбіреуін желдетпе және ауаны баптау жүйелері берілген аралықта ұстап тұра алады. Ауа баптау жүйелерінің сапалы жұмысы, ауа көрсеткіштерін дәлдікпен ұстап тұра алады. Ауа баптау жүйелерінің сапалы жұмысы, ауа көрсеткіштерін дәлдікпен ұстап тұруы, пайдалану шығындарын азайту және климат техникасының өз құнын ақтау мерзімі жұмыс істеу алгоритіміне және автоматизация жүйелерінің аппараттық іске асыруына байланысты. Одан басқа автоматизация жүйелері, диагностикалық қорғау атқарып, қымбат қондырғының істен шығуына жол бермейді. Технологиялық процесті басқарудың қиындығы туындайды, егер басқару параметрлері көп мөлшерлі ауданмен шектеулі болса, мысалы көпбұрышпен. Ауа баптау жүйесінің термодинамикалық моделі -көпбұрыш. Ауа баптау жүйесінің алгоритмі осы көпбұрыш ішінде ауа көрсеткіштерін тасымалдау, көшіру, өзгертуді жүзеге асырады. Сырт ауаның көптеген алғашқы параметрлерін жаңа көп параметрлерге (бөлме ауасы) дейін өңдейді және бұл процесс өте қысқа жолмен, тиімді өтуі шарт. Сонда пайдалану шығындары аз болады, егер жылдың салқын мезгілінде бөлмеге кіретін ауа минимал шекті энтальпияны, ал жылдың жылы мезгілінде максимал шекті энтальпияны ұстап тұрса, осы және басқа критерийлерден шығатыны, параметрлерді тұрақтандыру технологиялық процесі, ауа баптау жүйесінің және автоматизация жүйесінің алгоритмі және қондырғылары таңдалады.
Дипломдық жоба ғимараттағы ауа алмасу процесін автоматтандыру жүйесіне арналған. Жүйенің жұмысы осындай жүйелерде желдету және ауа баптауды басқаруды ұйымдастырудың негізі болып табылады. Жүйенің ерекшелігі «Siemens» фирмасының 5-соңғы үлгісі LOGO! OBAS бағдарламалы контроллерді қолданып автоматтандыруға негізделген. Бұл контроллер экономикалық тиімді, арзан әрі пассивті әлсіз датчик көрсеткіштерімен сезімтал элементтері LG-Ni 1000 және PT 100, және датчиктері активті шығыс ауысымды белгілер DCO 10 В-дейін 4. . 20 мА беретін аспаптармен жұмыс істейді.
І. ТЕХНОЛОГИЯЛЫҚ БӨЛІМ
1. 1 Технологиялық процесс туралы жалпы мәлімет
Инновациялық «ақылды» экономика құру барысында қоғамдық өндірістердің тиімділігін арттыру, ғылыми техникалық прогресс, яғни жаңа замандық жоғары технология қолдану және резервтік мүмкіншіліктерді толық пайдалану негізінде жүреді.
Бұл іс жобалық шешімдерді ықшамдау, жұмсалатын ақша қаражатын күрделі капиталды тиімді пайдалану, салынған ақшаның қайтарылуын жеделдету, яғни өзін-өзі ақтау мерзімін қысқарту, өнім көлемін ұлғайту, әр салынған теңгенің өсімін, өзіндік құнын арзандату арқылы іске асады.
Желдету және ауа баптау адамдарға қажет микроклимат ауасын сапалы қылу әрі тазалап беру арқылы өндірістік сапалы бұйым, әрі көп өнім шығару, еңбек өнімділігін арттыру, еңбек жағдайын жақсарту, жұмыскерлердің демалысын жайлы етуге мүмкіндік жасайды.
Өндірістік және тұрмыстық үйлер мен ғимараттарда ауа желдету және баптауды кеңінен қолданады. Жаңа электронды, электротехникалық, машина жасау, химиялық текстиль-мата шығару цехтары ауасы үнемі өзгеріске ұшырайтын болғандықтан, микроклиматын өңдеуді ыстық және ылғалды цехтар, көмір шахталары рудниктерде жұмысшыларға жайлы жағдай жасауды талап етеді. Өндірістік байланыс мекемелері, ғылымизерттеу және конструкторлық ұйымдары қымбат аспаптар жүктеу машиналармен жабдықталған, олардың істен шықпай сапалы жұмыс жасауы үшін белгілі бір температуралық режимді, ылғалдылығын реттеу қажет. Жабық, адамдар көп әрі ұзақ жиналатын орындарда (театр, кинотеатр, концерттік залдар, стадиондар, ресторандар, вокзалдар, т. б. ) ауаны баптау жүйесі міндетті түрде орнатылады.
Желдету бірнеше шаралар мен қондырғылар жиынтығы жұмыс орындарында бөлмелерде СНиП-ке (құрылыс нормалары мен ережелеріне) сай белгілі ауа алмастыруды қамтамасыз етеді. Желдету жүйесі әр түрлі ғимараттарда жеткілікті метрологиялық көрсеткіштерді ұстап тұрады.
Ауа баптау - ауа қабылдау және оны автоматты реттеу жабық бөлмелерде барлық немесе кейбір көрсеткіштерін (температура ылғалдылығы, тазалығы, ағын жылдамдылығын ауаның оптимальді адамға қолайлы метрологиялық шарттарын) бірқалыпты ұстап, технологиялық процесте ішкі жайсыз бағалы жабдықтарын да мәдениетті түрде жұмыс істетіп сақтауға қажет.
Ауа баптау комплексті техникалық жабдықтармен жасалатын жүйе (СКВ) . Оның құрамына мынадай жабдықтар - ауа қабылдау, дайынлау, қажет кондицияға жеткізетін (фильтр сүзгілер, жылу бергіштер (ауыстырушы), ылғалдандыру немесе құрғату), тасымалдау, ағын желдеткіштер оны тарату, салқындату не жылыту жүйесі, автоматика, арақашықтықтан басқару және бақылау жүйесі бар. Ауа баптау үлкен қоғамдық, әкімшілік және өндірістік ғимараттарда комплексті автоматтандырылған жүйемен басқарылады. Бұл жүйе ауаның қалыпты баптауда сырт қоршаған ортаға тәуелсіз барлық көрсеткіштерін сақтап бөлмеге береді. Сол сияқты бөлме ішінде де технологиялық ауаның жылуы мен ылғалдылығы өзгереді. Ауыстыру да ағын ауаны сорып, оны өңдейді, кондицияға жеткізеді. Баптау көбінесе температурасы мен ылғалдылығына әсер етеді.
Жазда ыстық немесе ылғалдылық шамадан тыс көп. Ондай ауаны салқындатып, құрғатып береді. Қыста керісінше ылғалдандырып және жылытып береді. СКВ жабдықтары ауа өңдеуде арнаулы жабдықтар калорифер арқылы оның сырт тегіс немесе сақиналы түтікшелерінде жылу тасымалдағыштың көмегімен, немесе түйіспелі, тегіс ауа салқындатқыштар қолданылады. Салқындатқыш түтік ішінде тасымалданатын салқын су, оның температурасы шық нүктесі температурасынан төмен жағдайда ауа құрамындағы ылғал тамшы ретінде жолда алынып қалады, яғни құрғатылады.
Ал құрғақ ауаны жаңбыр кеңістігінен өткізіп әдейі форсункалар арқылы су бұрқақтан ылғалдандырады. Түйіспе қондырғылары фарфор немесе металл сақиналар, ағаш жоңқалары суарылған күйде тұрады, осы салқындатылған лабиринтті бөлік арқылы ауа өңделеді, кейде бұл қондырғы ауаны жылытуға да мүмкіндік береді. Ауаны құрғату үшін түйіршік (силикогель, алюмогель) немесе сұйық (хлорлы литий, хлорлы кальций) ылғалсорғыштарын қолданады.
СКВ техникалық жабдықтары автоматты түрде температура, ылғалдылық, ауа жылдамдығын, тазалығын, басқа газдардан тазалау, иісінен айыру, құрамындағы жеңіл және ауыр иондарды қалыпқа келтіру, кейде барометрлік ауа қысымын реттеуді де іске асырады. Ғимарат күнделігіне қарай, тұрмыстық, қоғамдық және өндірістік бөлмерде алғашқы 4көрсеткішпен баптау (температура, ылғалдылық, ауа жылдамдығы, тазалау) барлық жағдайда іске асырылады.
1. 2 Бақыланатын, реттелетін және сигналданатын
параметрлерін таңдау
Технологиялық кешенді басқару құрылымын таңдау.
ГСП- Қала құрылысын жобалауда 4 түрлі әдіске сүйенеді.
1) электрлік;
2) пневматика(ауа қысымын пайдалану) ;
3) гидравликалық, су, май қысымы;
4) қосымша қуат қажет етпейтін.
Пневматикалық автоматика газ, шаң, тозаң әсерінен қопарылыс қауіпі бар комплекстерде қолданылады. Гидравликалық автоматика реттеуші органды қозғауға көп қуат пайдаланатын комплекстерге қолданылады. Бұл екі тармақтың кемшілігі процесс барысында ауа немесе су қысымының шығыны көп болады, алыс ара қашықтыққа белгі беруге мүмкіншілігі жоқ.
Электрлік тармақ белгіні жылдам береді және алыс ара қашықтыққа шығынсыз жетеді. Аспаптар, аппаратуралар кіріс-шығысын, түйіспе ұяшықтарын унификациялау бір-біріне ауыстыру мүмкіндігі бар және элементтерін орналастыруға өте ыңғайлы. Пайдалану үшін электрқауіпсіздігі сақталатын бөлме дайындау қиындық туғызбайды.
Автоматты басқарудың 3 түрі бар: ауытқу бойынша басқару(импульс) ; қозу әсерімен басқару; аралас басқару.
Бұл басқарулардың әрқайсысының артықшылығы мен кемшіліктері бар.
Қозу әсерімен басқару жылдам жүреді, бірақ процестің математикалық шешімі дәлдікті талап етеді.
Жүйені басқару
Жүйе 2 жұмыс режимінде басқарылады: тұтқаны қолмен қосу және автоматты режим.
Қолмен басқаруды оператор жүргізеді. Автоматты режимді арнаулы бағдарлама қамтамасыз етеді.
Қыс - жаз режимдері
Қыс режимі сыртқы ауа температурасы 35°C. -тан төмен түскенде қосылып, +10°C- ажыратылады. Қыс режимінде ауа баптағыш(конденционер) ауаны жылытады, ылғалдылығын 60℅-ға жеткізеді.
1-нші жылу бергіш контурында су қысымы қалыпты күйден төмен. Датчиктен монометрдің көрсеткіші арқылы пайда болған белгі клапанды электртоғының қуатымен ашады.
Рекуперация жүйесіндегі гликоль салқындату агентінің қысымы қалыпты күйден төмен. Бұл режим жылубергіштің 1-нші қыздырудың алдындағы күйді көрсетеді. Бағдарламамен жұмыс істейтін контроллер кері байланыс әдісімен мониторда осы процесті элементтердің жұмысын толық бақылауға алады. Шекті температура мен қысымды, ылғалдылықты ауа баптағыштың көмегімен ұстап тұрады.
Ауаны бірінші жылыту
Ағын ауаны алдын ала жылытатын секция жылубергіштен тұрады, оның ішімен жазда салқын су +50% гликоль ерітіндісі, қыста ыстық су циркуляция жасайды. Ыстық су қос сороппен (негізгі және резерв алмастырушы) жылу мөлшері клапанмен реттеледі. Судың температурасын өлшейтін датчик, жылу бергіштен шығатын нүктеде өлшенеді және капиллярлы термостаты бар.
Насос-сорап жұмыс істеп тұрғанда ылғалдандырғышты реттеу су температурасының датчигімен төменде (шық нүктесі) камера тебонынан басталады. Сорап жұмыс істемей тұрғанда ағын ауа температурасы датчигімен іске асады. Бірақ реттеу 16÷30°С аралығымен шектеледі.
Шық нүктесі температурасы қажетті ағын температурасы мен ылғалдылығына сәйкес 5÷20°С аралығында. Жылу бергіш қатып қалмас үшін капилярлы термостат бар. Ол мыс түтіктен жылубергіш сыртында тұрады. Жылубергіштегі ауадан температура түскенде термостат түйіспелері ажырап, жүйені тоқтатады. Жүйені қайта қосу үшін термостат қалпына келтіру К 1 кондиционерін қосқанда автоматты түрде жүйе қосылады.
Сорылатын ауа температурасы сыртқы ауа температурасынан жоғары болса, рекуператор ағын ауаны жылытады, шығарылатын ауаның жылуымен жылытады. Ал сорылатын ауаның температурасы сырт ауадан төмен болса, реттеуші клапан толық ашылып, сорылатын ауа ағын ауаны салқындатады. Рекуператор сораптары (2) кезекпе-кезек аптасына алмасып жұмыс істейді. Немесе авариялық жағдайда автоматты түрде ауысады. Жүйеде гликоль (жазда рекуперация) болмаса, жүйеде екі сорап та жұмысын тоқтатады. Қыста рекуператор қатып (мұздақ пайда болу) қалмас үшін, рекуператордан соң тұрған сору желдеткіштеріндегі датчик t оны қорғайды. Клапан арқылы температура -2°C - тан төмен түспейді, ал ол шамадан төмен түсіп кетсе, жүйе де тоқтайды. Қыста рекуператорды гликольдің ағын және сору жылубергішінің шығысында тұрған температура датчигі қорғайды. Оның да көрсеткіші -2°C -қа тапсырыс берілген, яғни ол шамадан төмен түссе, жүйе жұмыс істемейді. Қандай аварияның қаупі болса да, мұздақтану түтігінің ауа қақпағы жабылады.
Жылу бергіш қатып қалмас үшін су температурасының датчигі (10÷15°C) котроллерге белгі түсіріп, ол жүйені тоқтатады. Қайта қосу үшін жылу бергішті t су = f (t сырт ауа ) +20°С қыздырғаннан кейін іске асады. Қатып қалу қаупі төнгенде ауа қақпағы жабылады. Желдеткіш тоқтайды. Реттеу клапаны (рекуператордың I-ші жылу беру) толық ашылады. Қыста жүйе іске қосылмай тұрып, автоматты түрде жылубергіш қыздырылып, реттеу клапаны толық ашылады.
Қыста ылғалдандырғыш секциясы ағын ауаны ылғалдандырады. Ылғалдандыру сорабы қосылғанда су температурасының датчигі камера табанында бірінші жылу бергіш және рекуператор секциясының жылу өндіруін реттейді. Негізгі реттеу ылғалдандыру сорабы циркуляциясымен боялғанмен, ол тоқтаған кезде I-ші жылу беру мен рекуперация ағын ауаның температурасы арқылы жүзеге асады. Жылыну температурасы сыртқы ауа температурасыы
негізінде мына график арқылы табылады:
![]()
Сурет 2. 13 Судың кейін қайтуының кестесі
Ылғалдандыру қыста, режимді «қыс» жүйесіне қосқанда, жұмыс істейді.
Салқындату
Жаз мезгілінде ағын ауаны жылубергіш ішімен жүретін салқын су арқылы +50 гликоль қатысады. Жылу өндіру температура датчигі ағын ауа клапанымен (16÷30°С шегінде) шегінде іске асады.
Екінші жылу беру
Секциясы ағын ауаны соңына дейін қыздырады. Жылубергіш ішінде ыстық су циркуляциясы ағын ауа температурасы датчигі (16÷30°С) реттейді.
Желдеткіштер
Ағын, сору желдеткіштерінің жұмысын секцияда орналасқан қысым ауа (напор) күшімен істейтін датчик арқылы қадағалайды. Яғни желдеткіштен кейін әрдайым ауа қысымы болуы қажет. 20 сек ішінде контроллерге ондай белгі түспесе, авария белгісі шамы жанып, жүйе қосылмайды.
Ағын
Кондиционер жүйесінің шығысында температура датчигі, ылғалдық датчигі ағын ауаны қадағалайды.
Сору
Рекуператор секциясынан кейін ауа температурасының датчигі сору секциясының рекуператорын қатып қалудан (мұздақтан) қорғайды. Алгоритм - құрылғылардың жұмысы - режимі қауіп аварияның жағдайдан шығу операциялары.
Жүйені қосу және тоқтату
Қыс мезгілінде алдымен жылубергішті (I - ші жылу беру) рекуперация секциясы қосылып қыздырылады. Кейін ауа қақпағы ашылып, ағын-сору желдеткіші, ылғалдандыру сорабы қосылады. Ағын ауаның температурасы мен ылғалдылықты реттеу режиміне өтеді.
Кезекші-күту режимінде қақпағы жабық, желдеткіштер тоқтап тұр. Жылубергіштің бірінші жылу беру шығысында судың температурасын реттейді. Екінші жылу берудің реттеу клапаны жабық.
Жазда жылубергіштің қажеті жоқ. Қосылғаннан кейін ағын ауа температурасы реттеледі, қажет болса салқындатады.
Реттеу
Тапсырыс режимі температура 20÷23°С палата немесе кабинет, ағын ауа ылғалдылығы 50-60%. Ағын ауа температурасы екінші жылу беру секциясы арқылы жылу немесе салқындату клапан арқылы өзгертеді. Ағын ауа сырттан келетін ауа (16÷30°С) аралығында түсуі қажет. Ылғалдылық рекуператор, бірінші жылубергіш арқылы камера табанында шық нүктесі 5÷20°С жүзеге асады. Екінші жылу беру қосылғанда ауа ылғалданады. Ылғалдандырғыш ажырап тұрғанда рекуперация және бірінші жылу беру секциясы сору ауасы температурасы арқылы ағын ауа температурасын реттейді.
Авариялық күй
Су температурасы +10°С -тан төмен түскенде және сору ауасы рекуперация секциясынан кейін 2°С -қа, гликоль температурасы жылубергіштен ағын және сору рекуперация секциясында -2°С -қа, өрт дабыл қағу жүйесі іске қосылғанда, барлық сораптар ылғалдандыру мен желдеткіштер тоқтап, сырт ауа кіретін қақпақ жабығын реттеу клапандары толық ашылып (бірінші жылу беру және рекуператор) секциясы, бірақ салқындату және екінші жылу беру секциясының клапаны жабық болады.
Желдеткіштердің бірі істен шыққанда қақпақ жабылады. Жүйе кезекші режимге «авария желдеткіш» түседі. Қолмен бұл белгіні алып тастап, контроллердің интерфейсі арқылы қайта қосуға болады.
Бірінші жылыту контурында су қысымы жоғалса және рекуперация контурында гликоль қысымы азайса, циркуляциялық сораптар тоқтап, қақпақ жабылып, желдеткіштер тоқтайды. Реттеу клапандары ашылады. Фильтр-сүзгі бітеліп қалса, контроллерде засор-бітенді деген белгі түседі. Өрт қаупі белгісінен кейін, жүйе кезекші режимге өтеді.
ІІ. АРНАЙЫ БӨЛІМ
2. 1 Технологиялық процесті автоматтандырудың функционалдық схемасын қарастыру
Жергілікті сорып алу желдеткіш жүйесі тек қана жергілікті басқаруға ие болады. Ірі өнеркәсіптік және қоғамдық ғимараттардағы сорып алу жүйелері орталықтандырылған щиттен дистанционды басқарылады. Калорифері бар құйылу жүйелері дистанционды басқарудан басқа ғимарат ауасының температурасын автоматты реттеу мен жабдықталған.
Желдету жүйесін дистанционды басқару желдеткіш электрқозғалтқышын қосудан басқа атқарушы механизмдерді басқаруды да қарастырады.
Желдеткішті дистанционды басқарудың принципиалдық - электрлік схемасы 50 - суретте көрсетілген. Жергілікті немесе дистанционды басқаруды таңдау ПУ ауыстырғыш арқылы іске асырылады. Жергілікті басқаруда электрқозғалтқыш 2КП және 2КС батырмалары арқылы, ал клапандарды басқару К0 және К3 батырмалары арқылы қосылады және тоқтатылады.
![]()
50 - сурет. Желдеткішті дистанционды басқарудың принципиалдық - электрлік схемасы
Дистанционды басқару үшін 1КП және 1КС батырмалары қолданылады. 1КП батырмасын басқанда ПМ іскеқосқыштың катушкасы қосылады. Ол өзінің тұйықтаушы контакті арқылы Д электрқозғалтқышты және Р реленің катушкасын қосады. Р реле өзінің тұйықтаушы контактімен іскеқосқыштың катушкасын, ал екінші контактімен ашылыстағы ИМ клапанның атқарушы механизмін қосады.
Клапанның ашық жағдайында ИМ қозғалтқышты тоқтату КВО ажыратқыш арқылы іске асырылады. Желдеткіштің қозғалтқышы 1КС батырмасы арқылы ажыратылады. Оны басу уақытында ПМ іскеқосқыштың катушкасы және Р реле тоқсызданады, іскеқосқыштың катушкасы өздігінен блоктанудан шығады, ал Р реленің ажыратушы контакті клапан жабылысындағы ИМ қозғалтқышты қосады.
Схемада РПВ ауа ағыны релесінің көмегімен желдеткіш жұмысын бақылау қарастырылған. Желдеткіштің қалыпты жұмысында сигналдық табло Л қосылады.
Жергілікті желдету жүйесі тамбурдағы температура бойынша автоматты басқарылады. Автоматты басқару схемасында температура датчигінің контактілері қолданылады. 50 - суретте көрсетілген желдеткішті автоматты басқарудың принципиалды - электрлік схемасы автоматты басқару режимінде дистанционды басқару батырмаларының орнына температура датчигінің контактілері қосылады: 1КП батырманың орнынаинималді температура контакті, 1КС батырманың орнына максималді контакт. Желдеткіш қосылған уақытта атқарушы механизм калориферге жылутасушы берілісін ашады. Температура датчигі ретінде ДТКБ типті приборлар қолданылады. 51 - суретте көрсетілген құйылу желдеткіш жүйесі айналым мен жұмыс жасайды және екіауысымды цехтар үшін арналған.
Жұмыс емес уақытында ғимараттағы жылуды үнемдеу үшін температураны +5ºС, ал жұмыс уақытында +22ºС ұстап тұру қажет. Ғимараттағы температураны бақылау кедергі термометрі 1а және логометр 1б жинағы арқылы жүзеге асырылады.
![]()
51 - сурет. Автоматтандырудың функционалдық схемасы
Желдеткіш жүйесі үшін АРЖ пневматикалық приборларды пайдалану арқылы орындалады. Бұл жүйені автоматтандырудың негізгі ерекшеліктері: желдеткішті басқару схемасында жүйе жұмыс режимін таңдау кілтінің КВР болуы және ғимаратта екі ауа температурасын реттеушінің Т3 және Т4 қолданылуы. Т4 «желдету» режимінде, ал Т3 «жылыту» режимінде жұмыс істейді. әрбір реттеуіш өзінің температуралық режиміне ие болады.
Электромагниттік таратушыдан ЭМЗ (7а) қоректену ауасы берілгенде реттеуіш іске қосылады. Таратушының катушкасы КВР кілті арқылы қайта қосылады. «Желдету» режимінде катушка токтың әсерінде болады, ал «жылыту» режимінде тоқсызданады.
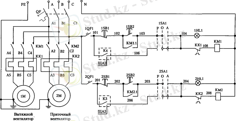
2. 2 Принципиалды электрлік схеманы қарастыру
![]()
Желдету жүйесін дистанционды басқару желдеткіш электрқозғалтқышын қосудан басқа атқарушы механизмдерді басқаруды да қарастырады.
Желдеткішті дистанционды басқарудың принципиалдық - электрлік схемасы 50 - суретте көрсетілген. Жергілікті немесе дистанционды басқаруды таңдау ПУ ауыстырғыш арқылы іске асырылады. Жергілікті басқаруда электрқозғалтқыш 2КП және 2КС батырмалары арқылы, ал клапандарды басқару К0 және К3 батырмалары арқылы қосылады және тоқтатылады.
Дистанционды басқару үшін 1КП және 1КС батырмалары қолданылады. 1КП батырмасын басқанда ПМ іскеқосқыштың катушкасы қосылады. Ол өзінің тұйықтаушы контакті арқылы Д электрқозғалтқышты және Р реленің катушкасын қосады. Р реле өзінің тұйықтаушы контактімен іскеқосқыштың катушкасын, ал екінші контактімен ашылыстағы ИМ клапанның атқарушы механизмін қосады.
Клапанның ашық жағдайында ИМ қозғалтқышты тоқтату КВО ажыратқыш арқылы іске асырылады. Желдеткіштің қозғалтқышы 1КС батырмасы арқылы ажыратылады. Оны басу уақытында ПМ іскеқосқыштың катушкасы және Р реле тоқсызданады, іскеқосқыштың катушкасы өздігінен блоктанудан шығады, ал Р реленің ажыратушы контакті клапан жабылысындағы ИМ қозғалтқышты қосады.
Схемада РПВ ауа ағыны релесінің көмегімен желдеткіш жұмысын бақылау қарастырылған. Желдеткіштің қалыпты жұмысында сигналдық табло Л қосылады.
III. ЕСЕПТЕУ БӨЛІМІ
3. 1 Стандартты тарылтылған қондырғылардағы қысымның
шамасының түсу бойыншы газ шығынын анықтау
Диафрагма қондырылған құбыр өткізгішпен өтетін домендік газдың массалық шығынын және шығынды анықтау қателіктерін анықтау. Шығынды өлшеу жүйесінің сипаттамалары мен бастапқы шамалары және өлшеу нәтижелері кестеде 1 көрсетілген.
Кесте 1
... жалғасы- Іс жүргізу
- Автоматтандыру, Техника
- Алғашқы әскери дайындық
- Астрономия
- Ауыл шаруашылығы
- Банк ісі
- Бизнесті бағалау
- Биология
- Бухгалтерлік іс
- Валеология
- Ветеринария
- География
- Геология, Геофизика, Геодезия
- Дін
- Ет, сүт, шарап өнімдері
- Жалпы тарих
- Жер кадастрі, Жылжымайтын мүлік
- Журналистика
- Информатика
- Кеден ісі
- Маркетинг
- Математика, Геометрия
- Медицина
- Мемлекеттік басқару
- Менеджмент
- Мұнай, Газ
- Мұрағат ісі
- Мәдениеттану
- ОБЖ (Основы безопасности жизнедеятельности)
- Педагогика
- Полиграфия
- Психология
- Салық
- Саясаттану
- Сақтандыру
- Сертификаттау, стандарттау
- Социология, Демография
- Спорт
- Статистика
- Тілтану, Филология
- Тарихи тұлғалар
- Тау-кен ісі
- Транспорт
- Туризм
- Физика
- Философия
- Халықаралық қатынастар
- Химия
- Экология, Қоршаған ортаны қорғау
- Экономика
- Экономикалық география
- Электротехника
- Қазақстан тарихы
- Қаржы
- Құрылыс
- Құқық, Криминалистика
- Әдебиет
- Өнер, музыка
- Өнеркәсіп, Өндіріс
Қазақ тілінде жазылған рефераттар, курстық жұмыстар, дипломдық жұмыстар бойынша біздің қор #1 болып табылады.

Ақпарат
Қосымша
Email: info@stud.kz