Программаланатын логикалық интегральды сұлбалар туралы негізгі мағлұматтар


Жұмыс түрі: Реферат
Тегін: Антиплагиат
Көлемі: 12 бет
Таңдаулыға:
КІРІСПЕ
Сандық құрылғыларды өңдеу барысында программаланатын логикалық интегралдық сұлбалар (ПЛИС) көп қолданыс табуда. Алғашқы ПЛИС -тардың құрылымы қарапайым болған және шығыстарында триггерлермен байланысқан программаланатын матрицалары болған. Олар негізінде қапарайым басқару құрылғыларын өңдеуде қолданылған. Қазыргі уақытта өте күрделі микросұлбалар өңделген және қолданыста, соның ішінде құрылымы бойынша базалық кристаллдық матрицаға жақын тұтынушымен программаланатын вентильді матрицалар (ТПВМ) бар. Бірақ соңғыларға қарағанда әр ТПВМ көпқайтара программаланады. Бұл жаңа құрылғыларды өңдеуге кететін шығындарды үнемдейді.
ПЛИС негізінде сандық құрылғыларды жобалаудың өзіндік ерекшеліктері бар. Нақты сұлбаларды өңдеу үшін арнайы құрылған автоматты жобалау жүйелері қолданылады. Ол үшін сұлбаларды құру тілдері немесе универсальды OrCAD типті сұлбалы редакторлар қолдануы мүмкін. Міндетті этап болып өңделген сұлбаланың дұрыстығын тексеретін модельдеу табылады. Микросұлбаларды программалау үшін IEEE 1149. 4 JTAG стандартын қолданылатын программаторлар қолданылады. Бұл стандарт ПЛИС-ті жүктеуді және сонымен қатар микросұлбаның жұмысының дұрыстығын тексереді.
ПЛИС-ті сигналды өңдеу құралдарында қолданудың негізгі ерекшеліктерін айтып өтейік:
- Жоғары тезәрекеттілігі;
- Күрделі параллельді алгоритмдерді жүзеге асыру мүмкіндігі;
- Жүйенің толық модельдеуін өткізетін САПР құоалдаырының болуы;
- Жүйеде конфигурацияны программалау немесе өзгерту мүмкіндігі;
- Алгоритмді аппаратураны сиппттау тілінің деңгейінде аударғанда сәйкестілігі (VHDL, AHDL, Verilog және т. б. ) ;
- Деңгей бойынша сәйкестілігі және стандартты интерфейсті жүзеге асыру мүмкіндігі;
- Күрделі алгоритмдерді сипаттайтын мегафункция кітапханаларының бар болуы;
- Программаланатын логикалық интегральды сұлбалар туралы негізгі мағлұматтар. ПЛИС құрылымы
Программаланатын логикалық интегралды сұлбалар (ПЛИС) берілген функцияны орындау үшін тұтынушымен программаланатын жүйелі құрылымы бар ҮИС (Үлкен Интегралдық сұлбалар) түрінде болады. Практика жүзінде комбинациялық сұлбаларды жүзеге асыру үшін программаланатын логикалық матрицалар (ПЛМ) қолданылады. Бұл схемалардың дамуының нәтижесінде ПЛМ-мен қатар шығысында регистрлік сұлбалары бар КМ1554ХП4 және КМ1554ХП8 типті комбинационды-кезектік микросұлбалар пайда болды.
Қиын сұлба болып тұтынушымен ақпаратты ультрафиолетті өшіруі бар программаланатын ПЛИС ПЛ400 табылады. Матрицалық логикалық сұлбаларға қарағанда триггерлердің саны көп және байланыстарды өткізу мүмкіндіктері кеңірек.
Типтік ПЛИС құрылымы сурет 1. 1-де көрестілген. Сұлбада N триггерлік ұяшықтары ТҰ. 1, ТҰ. 2 . . . ТҰ. N бар, М ақпараттық кірістері І. 1, І. 2 . . . І. М және С синхронизация кірісі. Триггерлік ұяшықтардың шығыстары өңделетін сұлбаның құрылымына байланысты кіріс немесе шығыс болып програмаланатын I/O. 1, I/O. 2 . . . I/O. N контактілеріне қосылған.
Триггерлік ұяшықтардың шығыстарының, ақпараттық кірістердің және синхронизация сигналының тура немесе инверсті мәндері байланыстардың логикалық массивтеріне қосылған. Олардың шығыстары қарапайым конъюнкциялар (термалар) P. i. болып табылады. Әр триггерлік ұяшыққа P. 1, P. 1 . . . P. K логикалық массивінің К шығыстары қосылады.
Сурет 1. 1- ПЛИС құрылымы
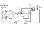
Сурет 1. 2 - Триггерлік ұяшық
Сурет 1. 2-де триггерлік ұяшық көрсетілген. К1 ауыстырып-қосқышы шығыс контактіге Q триггерінің шығысы мен қоса Q. D. басқарушы кірісті шығарады. OE=1 сигналы К1 контактісіндегі сигналды I/O. i. шығысына өтуіне рұқсат береді. OE=0-ге болғанда I/O. i контакті қажет болған жағдайда кіріс ретінде қолданыла алады. К2 ауыстырып-қосқышы логикалық массивке F. i кері байланыс сигналын анықтайды: бұл I/O. i контактісін кіріс ретінде қолданылғанда, оған келетін триггер шығысы немесе сигнал болуы мүмкін.
Микросұлбалар қатарында F1. i және F2. i екілік кері байланыстары қолдануы мүмкін (сурет 1. 3) . Егер триггер шығысы микросұлбаның контактісіне шығарылмаса, логикалық қосылыс массивіне біруақытта Q триггерінің шығысы мен кіріс ретінде қолданылатын I/O. i контактісі қосылады. Бұл жағдайда ОЕ сигналы нөлге тең, яғни К1 ауыстырып-қосқыштан I/O. i. -ге сигналдың өтуіне тиым салады. Қажет болған жағдайда К1 мен К2 жағдайлардың сәйкестілігінде кері байланысқа бір уақытта Q және Q. D. сигналы келіп түсуі мүмкін.
Сурет 1. 3 - Екі кері байланысы бар триггерлік ұяшық
Сурет 1. 4-те логикалық байланыс массивінің ықшамдалынған сұлбасы көрсетілген. F. 1 . . . F. N и I. 1 . . . I. K сигналдардың әрқайсысы қажет болған жағдайда P1. 1 . . . PK. N көлденең сызықтарының кез-келгеніне қосылуы мүмкін. Соңғыларының шығыстарында элементарлы логикалық туындылар (термалар) пайда болады. Осы сияқты ұйымдасу программаланатын логикалық матрицаларда да қолданылады.
Сурет 1. 4 - Логикалық массив
Нақты бір сұлбасын құру үшін ПЛИС сыртқы сұлбалармен программалануы керек. Бұл жағдайда логикалық массив триггерлік ұяшықтар сияқты программаланады. ПЛИС-ті программалау кезінде төрт вариант қолданылуы мүмкін: бір рет күйдірілетін ұстатқыштар (однократно прожигаемые перемычки), ультрафиолетті өшіруі бар электрлік программаланатын элементтер, электрлік қайтапрограммаланатын жады элементтері және өз бетімен сұрыптауы бар есте сақтау құрылғысы базасындағы программаланатын құрылымдар.
1. 1-кестеде шетел елдердің ПЛИС-тарының сандық сипаттамалары көрсетілген: триггерлік ұяшық сандары (ТҰ), кіріс сандары мен кейбір сұлбалардың ерекшеліктері.
1. 1-кесте.
Кестеде көрсетілгендей 5AC312 ПЛИС-і екілік кері байданысқа ие. Бұдан басқа бұл сұлбалардың шығысында «защелка» типті бірқадамды триггерлер бар. Жоғарыда айтылған ПЛ400 ПЛИС-тің 40 контактілері бар, 24 триггерлік ұяшықтардан тұрады, 12 ақпараттық кірістері мен синхронизацияның жалпы кірісі бар.
1. 2 ПЛИС негізіндегі сұлбаларды құрудың негізгі қадамдары.
ПЛИС негізіндегі сандық құрылғыларды өңдеу кезінде келесідей қадамдарды көрсетуге болады:
- көлемі мен тезәрекеттілігіне байланысты қажетті сұлбаны жүзеге асыруды қамтамасыз ететін ПЛИС-ті таңдау;
- сұлбаны өңдеу және оны арнайы сұлбаны сипаттау тілімен немесе әмбебеап сұлбалық редактормен енгізу;
- сұлбаның жұмысының дұрыстығын тексеру мақсатынмен оны модельдеу;
- сұлбаның кристаллда орналасуы және байланыстарын жүргізу;
- енгізілген сұлбаның биттік тізбекке трансляциялау;
- осы тізбекті жүктеу (ПЛИС-ті программалау) .
Бұл сұлбаны өңдеу үшін арнайы құрылған автоматты жобалау жүйесі қолданылуы мүмкін. Бұл жүйелер әдетте ПЛИС өңдеушілерімен құрылады. Оларда сұлбаны енгізу үшін арнайы сұлбаны сипаттау тілі немесе OrCAD типті әмбебап сұлбалық редакторлар қолданалыды.
Модельдеу міндетті қадам болып табылады. Ол кезде өңделген сұлбаның дұрыстығы тексеріледі. Модельдеу жүйесі ретінде модельдеудің әмбебап жүйелері қолданылуы мүмкін.
Микросұлбаларды программалау үшін жүктеудің арнайы режимдері қолданылады. Бұл операция әртүрлі ПЛИС-тарда әртүрлә әдістермен орындалуы мүмкін. Кейбір ПЛИС-тарда конфигурацияны жүктеу программаланатын логикалық матрицаларда (ПЛМ) сияқты жүзеге асады. Бірақ кейінгі уақытта бұл үрдісті стандарттау әрекеттеі жзеге асуда. Бұл мақсатта IEEE 1149. 4 JTAG. стандарты жасалды. Бұл стандарт ПЛИС-ті жүктеумен қоса, микросұлбаның жұмысының дұрыстығын тексереді. Тексеру "Boundary Scan" деген атқа ие арнайы әдіспен жүзеге асады. Нақтылы бұл стандарт туралы төменде жазылған.
- ПЛИС-ті программалау
ПЛИС-ті программалау қажетті функцияны түзету үшін конфигурацияның мәліметтерін микросұлбаға жүктеуді айтамыз. Программалау ПЛИС-ті өңдеушімен анықталатын әртүрлі әдіспен жүзеге асуы мүмкін. Кең тараған әдістердің бірі мәліметтерді оны тездетін сөзбен (әдетте байттармен) жүктеуді қарастырады, бірақ ол қосымша аппараттық шығындарды қажет етеді.
Соңғы уақытта ПЛИС-ті программалау үшін IEEE 1149. 4 JTAG арнайы құрылған стандартды қолданатын программаторлар қолданылады. Бұл стандартта ПЛИС-тің жұмысын команданы жазуы (UPDATE-IR), мәліметтердің жылжуы (SHIFT-DR), команданың соңы (EXIT-IR), меліметтерді басып алу (СAPTURE-DR), «прогон-тест/простой» (Run-Test/Idle) және т. б. анықталған арнайы ТАР автоматы басқарады (сурет 1. 5) . Бұл жағдайда бірнеше микросұлбалардың программалауға болады, егер олар бір тізбекке біріктірілген болса. Сурет 1. 6-да үш микросұлба көрсетілген D1, D2 және D3. Оларды басқару мен синхронизациялау TMS және TCK сигналдары арқылы жүзеге асады. Мәліметтер ПЛИС-қа TDI кірістері арқылы жүйелі түрде енгізіледі де TDO шығыстары арқылы шығарылады.
Мәліметтер массиві арнайы командалар арқылы жүктеледі. Оларды толығырақ қарастырайық.
LDVECT (00101 коды) командасы жол немесе бағандар адресі мен программалау мәліметтерін жүктеу үшін қолданылады. Команда регистрі ТАР контроллерінің соңғы автоматының UPDATE-IR жағдайында жаңартылады. Мәліметтер SHIFT-DR жағадйында енгізіледі.
IDCODE (00010 коды) командасы құрылғының иидентификационды коды мен тұтынушының идентификациондық байттарын оқу үшін қолданылады. Бұл режим кезінде TD1 және TD0 шығыстарының арасында арнайы құрылғының идентификация регистрін оқитын тізбек қосылады.
Сурет 1. 5 - TMS сигналының басқаруымен TAP автоматының жұмысы
FRGM (10101 коды) EPROM ұяшықтарын программалайтын команда болып табылады. Жолдар немесе бағандар адресі мен программаланатын мәліметтер LDVECT командысының көмегімен алдын-ала жазылып алынуы керек.
Программалау Run-Test/Idle жағдайында ТСК-ның бірінші төмендетілген фронтында инициирленеді. Құрылығы бұл күйінде кем дегенде 200 мкс тұруы керек.
Сурет 1. 6 - JTAG стандартына микросұлбаларды программалау
Программаланатын мәліметтер НЕМЕСЕ (ИЛИ) элементі арқылы верифицирленеді. НЕМЕСЕ операциясынан өтетін мәліметтер «программалау-верификация» регистр күйінен CAPTURE-DR регистр күйіне жазылады. Мәліметтердің бір биті SHIFT-DR күйіне TDO шығысы арқылы шығарылуы мүмкін. Бұл операция кезінде адрестік және программалық мәліметтер өзгермейді.
FREAD (00110 коды) тұрақты есте сақтау құрылғысының барлық жолдарындағы мәліметтерді оқу үшін қолданылады. Бұл кезде тек жол адресін ғана енгізу керек. Жол адрестерін енгізгеннен кейін CAPTURE-DR күйінде мәліметтерді оқығанға дейін құрылғы Run-Test/Idle күйінде кем дегенде 250 нс тұруы қажет. Бұл режим үшін ішкі верификация жоқ.
Қарапайым операция FREAD командасын жүктеуден және SHIFT-DR күйін егізуден тұрады. Содан кейін жол адресі және Run-Test/Idle күйі (кем дегенде 250 нс осы күйде болуы шарт) енгізіледі. Содан кейін мәліметтер жылжымалы регистрге жыналатын CAPTURE-DR күіне көшеді. Жиналған мәліметтер SHIFT-DR күйінде TDO шығыстары арқылы жылжуы мүмкін.
SWRITE (0 коды) жедел есте сақтау құрылғысының биттердің мазмұнын өзгету үшін қолданылады. Ол арқылы ТЕСҚ мазмұнын өзгертпей құрылғының реконфигурациясын өзгертуге болады. ЖЕСҚ-ның ұяшықтарына жазылатын мәліметтер мен жолдар адрестері SHIFT-DR күйіне енгізіледі. ЖЕСҚ-на жазу операциясы ТАР контроллерінің Run-Test/Idle күйінде жүзеге асады.
SRAM-ға жазу Run-Test/Idle күйінде ТСК-ның бірінші төмендетілген фронтында инициирленеді және Run-Test/Idle күйінен шыққан кейін ТСК-ның бірінші төмендетілген фронтында аяқаталады.
Бұл режимда верификация мен оқу жоқ. SRAM ұяшықтарының мазмұнын оқу үшін SREAD командасын қолдануға болады. Қарапайым операция SHIFT-DR күйіне өту кезінде SWRITE командасын жүктеп, мәліметтерді енгізіп, сосын жазу үшін Run-Test/Idle күйіне өтуден тұрады.
Қрылғы SWRITE режимінде тұрғанда тұтынушының шығыстары жоғарғы шыыс кедергісі күйінде қалады. Шығыстарды іске қосу үшін команда регистрі жаңа командамен модифицирленуі қажет (IDCODE, BYPASS және т. б. ) .
SREAD (1 коды) командасы JEDEC массивінде SRAM биттерінің мазмұнын оқу үшін қолданылады. Жол адресін енгізі ғана қажет.
Адресті енгізгеннен кейін құрылғы SHIFT-DR күйі кезінде Run-Test/Idle күйінде қалуы қажет. Мәліметтер CAPTURE-DR күйінде жол регистрлеріне жиналады және SHIFT-DR күйіне өзгерілуі мүмкін.
Бұл режим үшін ішкі верификация жоқ болады.
Бұл операция SREAD командасын SHIFT-DR күйіне өткен кезде және жол адресін жүктеу кезінде жүктеуден тұрады. Сосын Run-Test/Idle күйіне өтеді, бұдан кейін SHIFT-DR күйіне CAPTURE-DR күйі арқылы және мәліметтерді жылжыту арқылы өтеді.
UESCODE (10110 коды) командасы «Тұтынушының электрондық қолдтаңбасын» оқу үшін қолданылады. UESCODE кодына FRGM командасы арықылы тиым салуға болады. Бұл команда FREAD командасына ұқсас. Бірақ UES мазмұнын оқу үшін жол адрестерін енгізу қажеттілігі жоқ.
RADLOAD (11000 коды) командасы жол адресінің 6 биті жүктейді. Ол BSDL файлдарында программаланатын құрылғыың стандартқа сәйкес келуіне және ішкі реконфигурация үшін қолданылады.
PORST (10100 коды) iFX780 және iFX740 олардың алдыңғы күйіне ауыстыруы үшін қолданылуы мүмкін. Құрылғы конфигурациясы EPROM биттерінен қайта оқылады. Команданы жүктегеннен кейін TEST-LOGIC RESET күйіне өту жүреді.
Осы командаларды қолдану ПЛИС-ті программалауға және жүктелген мәліметтерді оқүға мүмкіндік береді.
ҚОРЫТЫНДЫ
... жалғасы- Іс жүргізу
- Автоматтандыру, Техника
- Алғашқы әскери дайындық
- Астрономия
- Ауыл шаруашылығы
- Банк ісі
- Бизнесті бағалау
- Биология
- Бухгалтерлік іс
- Валеология
- Ветеринария
- География
- Геология, Геофизика, Геодезия
- Дін
- Ет, сүт, шарап өнімдері
- Жалпы тарих
- Жер кадастрі, Жылжымайтын мүлік
- Журналистика
- Информатика
- Кеден ісі
- Маркетинг
- Математика, Геометрия
- Медицина
- Мемлекеттік басқару
- Менеджмент
- Мұнай, Газ
- Мұрағат ісі
- Мәдениеттану
- ОБЖ (Основы безопасности жизнедеятельности)
- Педагогика
- Полиграфия
- Психология
- Салық
- Саясаттану
- Сақтандыру
- Сертификаттау, стандарттау
- Социология, Демография
- Спорт
- Статистика
- Тілтану, Филология
- Тарихи тұлғалар
- Тау-кен ісі
- Транспорт
- Туризм
- Физика
- Философия
- Халықаралық қатынастар
- Химия
- Экология, Қоршаған ортаны қорғау
- Экономика
- Экономикалық география
- Электротехника
- Қазақстан тарихы
- Қаржы
- Құрылыс
- Құқық, Криминалистика
- Әдебиет
- Өнер, музыка
- Өнеркәсіп, Өндіріс
Қазақ тілінде жазылған рефераттар, курстық жұмыстар, дипломдық жұмыстар бойынша біздің қор #1 болып табылады.

Ақпарат
Қосымша
Email: info@stud.kz