Жүктемемен қосылған тоқ бойынша 20 (bт)-ты шығысы бар дыбыс жиілікті қуатты күшейткіш


Жұмыс түрі: Курстық жұмыс
Тегін: Антиплагиат
Көлемі: 26 бет
Таңдаулыға:
Қазақстан Республикасы
Алматы Энергетика және Байланыс Институты
Электроника және Компютерлік Технология Кафедрасы
Қурстық жұмыс бойынша жобалау проектісі.
Тақырып : « Жүктемемен қосылған тоқ бойынша 20 (Bт) -ты шығысы бар дыбыс жиілікті қуатты күшейткіш »
Мазмұны
Техникалық тапсырма 3
Кіріспе 4
1. Теоретиялық дайындық 6-14
1. 1. Аналитикалық жалпылама 6
1. 2. Күшейткіштің құрылымдық сүлбесінің құрылуы 9
1. 3. Күшейткіштің принципиальды электрлік сүлбесін талдау 13
2. Электрлік есептеу 13-25
2. 1. Негізгі есептеу 14
2. 2. Кері байланысты есептеу 20
2. 3. Конденсатор параметрлерін есептеу 21
2. 4. Гармоника коэффициенттерін есептеу 22
Қорытынды 25
Қолданылған әдебиеттер 26
ТЕХНикалық тапсырма
Жүктемемен қосылған тоқ бойынша 20 (Bт) -ты шығысы бар дыбыс жиілікті қуатты күшейткішке талдау жасау.
кҮШЕЙТКІШТІҢ ТЕХНИКАЛЫҚ СИПАТТАМАЛАРЫ :
- Шығыс қуаты, (Вт),
- Белсенді жүктеменің кедергісі, Ом
=6 (Ом),
- Сигнал көзінің кедергісі
=200 (Ом),
- Жұмыс жиіліктерінің диапозоны:
(Гц)
(Гц)
- Жиілікті бұрмаланулардың ала-алатын коэффициенті
(дБ),
- Жұмыс кезіндегі температуралар -
- Номинальді кіріс кернеу,
- Берілген жиіліктегі гармоника коэффициенті 0, 035% -тен кем
КІРІСПЕ
Төмен жиіліктегі электронды күшейткіштер айнымалы токтагы белгілі бір жиілік интервалында жатқан жиілік пен айнымалы ток сигналдарын күшейтуге арналған. Олар жұмыс жиіліг, ауқымы, жүктеменің сипаттамасы, қолдану шарттары бойынша бөлінетін белгіленуіне байланысты әр түрлі техникалық құрылғыларда қолданады.
Төмен жиілік күшейткішінің (ТЖК) ерекшелігі, олардың көрсеткіштеріне сұраныстары көбінесе жүктеменің сипаттамалары және олардың қолдану шарттарымен анықталынады. Электромагниттік және электростатикалық құрылғы ретінде жүктеме көп жағдайда комплексті сипаттама алады. (ТЖК) -ны қолдану шарттары күшейткіштің салмақ сұраныстарын, энергетикалық көрсеткіштерін, механикалық әсеодің түрлерін және толық жұмыс икемділігін сақтайтын қоршаған орта температураларының өзгеру диапозонын анықтайды.
(ТЖК) -ның сұраныстар шеңбері-пайдалы сигналдың сызықсыз тежеулері мен жіберілетін жиіліктері арқылы күшейтілу шегі, жұмыс жиілігінің ауқымды көлемі. Жіңішке немесе негізінен екі фазамен индукцияланған двигатель немесе демдултор жұмыстарына арналған. Мұндай күшейткіштердің сұраныстарының көбінесе фазо-жиілікті сипаттамасына байланысты. Бірақ, (ТЖК) -ның бұл айтылған ерекшеліктері оның жобалануына деген жалпы көзқарасты қанағаттандырмайды.
Қарастылыған күшейткіштер әр түрлі конструктивті және энергетикалық көрсеткіштерді сипаттайды. Біріншісіне біз-салмақ габаритін, жылу шығаруын, техникалық әсерлерге тұрақтылығын және т. б. жатқыза аламыз. Ал, энергетикалыққа айнымалы ток сигналына қатысты күшейткіш қасиетін, транзистордың жұмыс істеу режимін сиппатайтын көрсеткіштерді жатқыза аламыз. Оның ішінде ең маңыздысы-кернеу (ток, қуат) бойынша күшейту коэффициенті, оның тұрақтылығы, оның жұмыс жиілк ауқымы, жиіліктің тежелу коэффициенті, кіріс және шығыс сигналдар арасындағы фазалардың ауысу бұрышы, сызықсыз тежелу коэффициенті туралы келесіні айтуға болады. Егерде, күшейтеіште арналы тұрақтандыру шаралары қарастырылмаса, транзистор параметрлерінің техникалық шашылуына байланысты кең ауқымда оның күшейту коэффициенті өзгеруі мүмкін.
Егер соңғы каскадта қуатты транзистор пайдаланылса, онда транзисторлық күшейткішке салыстырмалы түрде аздаған жоғары шекаралық күшейту жиілігіне ие болады. Комплексті байланыс тізбегімен бірге ол күшейту сигналының көрнекті тежелу жиілгіне алып келеді. Транзмстордың сызықсыз вольт-амперлік сипаттамасы (ВАС) күшейткіштің шығысындағы үлкен сызықсыз тежеулердің қорек көзі болып табылады.
Күшейткіш элемент ретінде транзистордың физикалық қасиеттері күшейткіш каскадтың төменгі кіріс және жоғарғы шығыс (транзистордың активті облысында) кедергілерін анықтайды.
Мұндай транзисторлық күшейткіштерді пайдаланудағы мүмкіндіктерді бағалау үшін оларға көбіне қойылатын талаптармен негізгі парметрлерді салыстырайық. Күшейткіш кіріс тізбегімен, ережеге сәйкес, ток бойынша көрнекті жүктеме тізбейтін сигнал өзімен байланысқан. Бұл транзистордың кіріс кедергісін 10, 100, 1000 есе үлкейту жолдарын іздеуге соқтырады. Күшейткіштің кіріс тізбегі жүктемеге күшейтілген сигнал береді. Көп жағдайда ток көзінен жүктемеге қоректендіруді беру тиімдірек (күшейткіштің ішкі кедергісі нөлге жақын кезде) . Басқаша айтқанда, күшейткішті жобалаудағы практикалық жағдайларда жүйенің жұмыс дәлдігін жоғарлату үшін күшейту коэффициентінің тұрақтылығын сипаттайды.
1. ТЕОРИЯЛЫҚ ДАЙЫНДЫҚ
- АНАЛИТИКАЛЫҚ ТАПСЫРМА
Төмен жиіліктегі қазіргі күшейткіштер биполярлы және өрістік транзисторларда дискретті немесе интегралды түрде орындалады, онымен бірге күшейткіштер микроорындалуда өзінің анлогтарынан айырмашылығы бар, негізінен конструктивті-техникалық сипаттамларымен.
Кіріс сигалдың көзі ретінде ТЖК-де микрофон, дыбыстүсіргіш, алдын-ала күшейткіш кіруі мүмкін. Кірс сигнал көздерінің көпшілігі өте төмен кернеуді дамытады. Әлсіз кернеумен басқарғанда шығыс токтан жақсы мән алу мүмкін емес, тіпті шығыс қуттан да. Сондықтан күшейткіштің құрылымдық сүлбесіне шығыс каскадтан басқа керекті қуатты беретін алдын-ала күшейткіштік каскадтар енгізеді.
Бұл каскадтарды транзистордың шығыс тармағындағы жүктеме кедергісінің сипаттамасы бойынша класстау керек. Резистивті күшейткіш каскадтар жиі қолданылады, жүктеменің кедергісін резистор атқарады. Транзистордың жүктемесі ретінде трасфроматор қолдануы мүмкін. Мұндай каскадтар трансформаторлық деп аталынады.
Биполярлы транзисторлардағы алдын-ылы күшейткіш каскадтарда басқаларға қарағанда ортақ эмиттерлі сүлбе қолданылады, ол кернеу және қуат бойынша үлкен коэффициентпен күшейеді, салыстырмалы үлкен кіріс кедергімен, эмиттер және коллектор тармақтары үшін ортақ бір қорек көзін қолдану рұқсат етіледі.
Ортақ эмиттермен қосылған резисивті күшейткіш каскад және бір ғана қорек көзді қарапайым сүлбе
1-суретте
көрсетілген. Берілген сүлбе фиксирленген база токты сүлбе деген атқа ие болған. Сонымен қоса,
резистор кедергісінің шамасы өте үлкен және ол каскадтың кіріс сигнал кедергісіне әсерін тигізбейді. Бірақ, бұл ығысу әдісі каскад транзистордың аз тербелмелі температураларда жұмыс атқарғанда қажет. Одан басқа, тіпті бір типті транзисторлардың тым лақтырысы мен параметрлерінің тұрақсыздығы каскадтың жұмыс режимін транзисторды ауыстырғанда тұрақсыз қылады.
1-сурет
Фиксирленген кернеумен базадағы ығысу сүлбесі 2-суретте көрсетілген.
Бұл сүлбеде
және
, Е
к
қорек көзіне параллель қосылған резисторлар кернеу бөлгішті құрайды.
және
резисторлар арқылы құралған бөлгіш мүмкіндігінше үлкен кедергілі болуы керек, онда каскадтың кіріс кедергісі аз болады.
Транзисторлы күшейткіштен құралған сүлбеде жұмыс нүктесін тұрақтандыру үшін шара қолдану керек. Дестабильдеуші фактордың негізі-температураның ықпалы. Термотұрақтылаудың әр түрлі тәсілдері болады.
2-сурет.
Ең көп тарағаны сүлбелер арқылы құралады, 3-5 суретте көрсетілген.
3-сурет - терморезистормен
4-сурет. - диодпен
45-сурет. -
буынды эмиттерлі стабилизациямен
3-суретте көрсетілген сүлбеде кері температуралы кедергінің коэффициентпен терморезистор базалық тармаққа былай қосылған, температура артқан сайын базада кері кернеудің төмендеуі терморезистордың кедергісінің азаюы есебінен байқалады. Соның өзінде, база тоғының база тоғының төмендеуі болады, сондықтан да коллектор тогы да төмендейді.
4-суретте жартылай өткізгіш диод арқылы құралған термотұрақтылық сүлбесі көрсетілген. Бұл сүлбеде диод кері бағытта қосылған, ал кері ток диодтың температуралық сипаттамасы транзистордың кері коллектор тогының температуралық сипаттамасына аналогты болуы керек. Транзисторды ауыстырғанда тұрақтылық кері коллектор тогының әр жердегі көлемі есебінен бұзылады.
Режимнің термотұрақтандырулары ең көп тараған сүлбе, ол 5-суретте көрсетілген. Сүлбеде кернеу тура ығысқан,
резистордан түсірілген кернеуге
резисторда эмиттер тогы арқылы өтетін кернеу қосқан. Мысалы, температура өскен сайын коллектордын тұрақты құрама тогы да өседі. Коллектор тогының өсуі эмиттер тогының өсуіне әкеледі, және
резистор кернеінің төмендеуіне әкеледі
.
Нәтижесінде, эмиттер мен база арасындағы кернеу азайады да, ал бұл база тогының төмендеуіне әкеледі, яғни коллектор тогы да азады деген сөз.
Көпшілік жерде
резистор үлкен сыйымдылықты конденсатрмен алмасады. Бұл
резистордың айнымалы құрамаэмиттер токтан алуы үшін керек.
1. 2 КҮШЕЙТКІШТІҢ ҚҰРЫЛЫМДЫҚ СҮЛБЕСІН ҚҰРУ .
5-суретте құрылымдық сүлбе жобаланған.
6- сурет.
КК - кіріс каскад
АКК1 - алдын-ала күшейткіштің бірінші каскады
АКК2 - алдын-ала күшейткіштің екінші каскады
АКК3 - алдын-ала күшейткіштің үшінші каскады
ШК - шығыс каскад
Кіріс каскад күшейткіштің кіріс кедергісін арттыру үшін күшейткіштің кірісіне қойылады.
Кіріс сигнал көздерінің көпшілігі өте төмен кернеуді
дамытады. Оны қуат күшейткіш каскадқа түсірудің мәні жоқ, әлсіз кернеумен басқарғнда шығыс токтың өзгерісін алу мүмкін емес.
Формула бойынша жүктемедегі максимальды кернеуді есептейміз :
В (1)
Жүктемеден өтетін максимальды токты анықтаймыз:
(2)
Формула бойынша күшейткішке қажет күшейткіш коэфициентін есептейміз:
(3)
Формула бойынша алдын-ала күшейткіш каскадтардың санын табайық:
(4)
4-формуладан анықталған каскадтардың саны тақ бүтін санға ие болады. Бұл сүлбе ОЭ 180°: n = 3 жылжуын береді.
Шығыс каскад күшейткіштің шығысына қойылады. Және жүктемедегі пайдалы сигнлдың қуат күшейтуін қамтамасыз етеді.
1. 2. КҮШЕЙТКІШТІҢ ПРИНЦИПИАЛДЫ ЭЛЕКТРЛІК СҮЛБЕСІН ТАЛДАУ.
7-суретте кіріс каскадтың сүлбелік реализациясы бейнеленген.
7-сурет.
Мына сүлбе дифференциальды каскадтың сүлбесі. Дифференциальды каскад келесі шарттардан кейін таңдалынады:
- дифференциалды каскад алдын-ала күшейткіштің аса үлкен температуралық тұрақтылықты қамтамасыз етеді
- дифференциалды каскадқа кері байланысты қосу жеңіл болады
- дифференциалды каскадта салыстырмалы түрде өте ұлкен кіріс кедергі болады.
8-суретте алдын-ала күшейткіш каскадтың сүлбелік реализациясы бейнеленген. Биполярлы транзистордағы бұл күшейткіш сүлбе ОЭ-менқосылған. Бұл сүлбе талданған себебі, оның кернеу және ток бойынша күшейткіш коэффициенті үлкен, және де кіріс кедергісі де жоғары. Сүлбенің кемшілігі - бұл кіріс және шығыс сигналдар арасындағы жылжу фазасы 180% - қа тең.
8-сурет.
9-суретте шығыс каскадтың сүлбелік реализациясы көрсетілген
.
9-сурет.
Екітактілі қуатты күшейткіштті бұл сүлбе В жұмыс режимінде істейді. Екітактілі қуатты күшейткіш төменірек сызықсыз бұрмалану коэффициентімен сипатталады. Және де екітактілі сүлбенің негізгі байлығы болып оның кернеумен қоректеніп отырған пуьсацияның сезімталдығының тым аздығы. Берілген кемшілігі - бұл бірдей транзисторлады таңдаудың қиын түсуі.
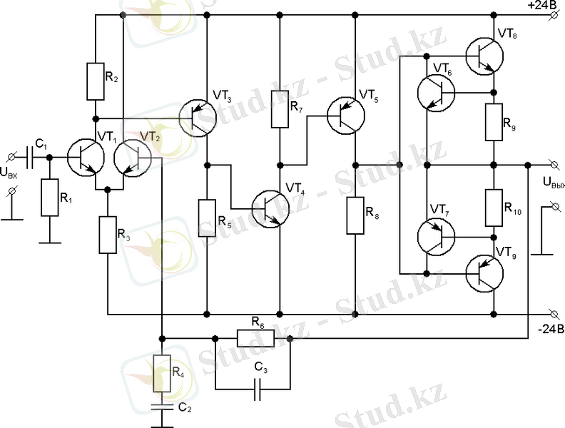
10-суретте электрлік принципиалды сүлбе көрсетілген.
10- сурет
. Күшейткіштің принципиалды электрлік сүлбесі. .
- ЭЛЕКТРЛІК ЕСЕПТЕУ. НЕГІЗГІ ЕСЕПТЕУ.
Жүктемедегі максималды кернеу
В. Жүктемеден ағатын максималды ток
. Күшейткішке қажет күшейту коэффициенті
. Адын-ала күшейткіштің каскадтар саны
.
Формула бойынша күшейткіштің қорек кернеуін есептейік:
(5)
мұндағы
- қанығу режиміндегі шығыс транзистордың коллектор-эмиттер өтпесіне түскен кернеу;
- шығыс каскадтың эмиттерлік тізбектің резисторға түскен кернеу.
Көпшілік транзисторлар үшін
= 0, 5. . 2 В. Соған байланысты
=1 В қабылдаған жөн. Шығыс каскадтың эмиттерлік тізбектің резисторға түскен кернеу
=1В.
5-формулаға есптелген кернеулерді қойып, күшейткіштің қорек кернеуін анықтаймыз :
Е қ =12. 65+1+1= 14. 65 В (6)
Табылған қорек кернеуінің мәнін бүтін санға дейін дөңгелектеп, стандарттық мәнін аламыз:
24
30
48
Қорек кернеуі Е қ =15 В.
Күшейткіштің қорек кернеуін және жүктеме арқылы ағатын максималды тогын біле отырып, шығыс каскад үшін транзистрларды келесі шарттар бойынша таңдаймыз:
Справочниктен келесі транзисторларды таңдаймыз:VT8 - KT827B; VT9 - KT825B.
KT827B және KT825B транзисторлрының параметрлері 1-кестеде, ал олардың сипаттамалары 11, 12-суреттерде көрсетілген.
1-кесте
R 9 және R 10 резисторлардың кедергілерін есептейік :
Ом (7)
- Іс жүргізу
- Автоматтандыру, Техника
- Алғашқы әскери дайындық
- Астрономия
- Ауыл шаруашылығы
- Банк ісі
- Бизнесті бағалау
- Биология
- Бухгалтерлік іс
- Валеология
- Ветеринария
- География
- Геология, Геофизика, Геодезия
- Дін
- Ет, сүт, шарап өнімдері
- Жалпы тарих
- Жер кадастрі, Жылжымайтын мүлік
- Журналистика
- Информатика
- Кеден ісі
- Маркетинг
- Математика, Геометрия
- Медицина
- Мемлекеттік басқару
- Менеджмент
- Мұнай, Газ
- Мұрағат ісі
- Мәдениеттану
- ОБЖ (Основы безопасности жизнедеятельности)
- Педагогика
- Полиграфия
- Психология
- Салық
- Саясаттану
- Сақтандыру
- Сертификаттау, стандарттау
- Социология, Демография
- Спорт
- Статистика
- Тілтану, Филология
- Тарихи тұлғалар
- Тау-кен ісі
- Транспорт
- Туризм
- Физика
- Философия
- Халықаралық қатынастар
- Химия
- Экология, Қоршаған ортаны қорғау
- Экономика
- Экономикалық география
- Электротехника
- Қазақстан тарихы
- Қаржы
- Құрылыс
- Құқық, Криминалистика
- Әдебиет
- Өнер, музыка
- Өнеркәсіп, Өндіріс
Қазақ тілінде жазылған рефераттар, курстық жұмыстар, дипломдық жұмыстар бойынша біздің қор #1 болып табылады.

Ақпарат
Қосымша
Email: info@stud.kz