Конденсаторлар, олардың түрлері және сыйымдылықтары


Қазақстан Республикасының Бiлiм және ғылым министрлiгi
Семей қаласының Шәкәрім атындағы мемлекеттік университеті
Физика-математика факультеті
Физика кафедрасы
CӨЖ
Тақырыбы Конденсаторлар, олардың түрлері және сыйымдылықтары.
Орындаған: Кенжеғалиева Айзат.
Тобы: Т-423
Тексерген: Рахимбердина А. Т.
Семей 2015
Жоспар:
I. Конденсатор ұғымы, Лейден банкасы.
II. Конденсатордың түрлері:
а) жазық
ә) сфералық
б) цилиндрлік
III. Конденсатор сыйымдылығы
Конденсатор (лат. condenso - тығыздаймын, қоюландырамын)
1) жылу техникасында - заттың газ тәрізді күйден сұйық затқа немесе кристалды затқа айналуын жүзеге асыратын аппарат;
2) электрлік конденсатор - диэлектрлік (қағаз, слюда, ауа, т. б. ) қабатпен бөлінген, екі не одан көп
Әр аттас электр зарядтарын толыққанды жинақтау үшін
конденсаторлар
пайдаланылады.
Конденсатор-
деп қалындығы өткізгіштердің мөлшерімен салыстырғанда аз диэлектрикпен бөлінген астарлар деп аталатын екі өткізгіштен тұратын жүйені айтады.
Жазық конденсатордың
сыйымдылығы пластиналар ауданына және пластиналарды бөлетін диэлектриктің салыстырмалы диэлектрлік өтімділігіне тура, ал пластиналардың ара қашықтығына кері пропорционал екендігі тәжірибе арқылы анықталған.
Конденсаторлар техникалық құрылғыларда электр зарядын жинақтау үшін кеңінен қолданылады. Конденсатордың электр зарядтарын жинақтау және сақтау қасиеті, мысалы, электрондық фото жарқыл алуда пайдаланылады. Бұл аспапта конденсатор гальваникалық элементтер батареясынан ұзақ зарядталады да, арнайы шам арқылы тез разрядталады.
Лейден банкасы
- алғаш рет XVIII ғасырда жасалған конденсатор, сыртқы және ішкі жағынан станиолмен (станиоль-қалайының жұқа қабаты) желімделген банка түрінде болады. Қағаз конденсаторда астар ретінде станиоль жолақтары, ал өткізбегішке - парафин сіңдірілген қағаз қиындылары алынады. Электролиттік конденсаторларда астардың бірінің қызметін атқаратын фольга жолағы екінші астардың қызметі атқаратын электролит ерітіндісіне салынады. Диэлектрик ретінде фольганы жабатын тотық алынады.
Кейде конденсатордың сыйымдылығын өзгерту қажет болғанда, айнымалы сыйымдылықты конденсаторлар пайдаланылады.
Бір-бірінен диэлектрик қабатымен бөлінген екі металл пластинадан тұратын электрлік жүйені конденсатор деп аталады. Металл пластиналар конденсатор астарлары деп аталады. Конденсаторлар жазық, сфералық, цилиндрлік болып бөлінеді.
1) тұрақты конденсатор
2) конденсаторлар магазині
Конденсатор астарындағызарядтың оның тудыратын электр өрісінің потенциалының айыр-масына қатынасы конденсатор-дыңэлектр сыйымдылығы деп аталады.
Конденсатордың сыйымдылығы конденсатордың пішініне және астарлар арасындағы диэлектрик қабатының электрлік қасиетіне тәуелді.
1) Жазық конденсатор

Электр өрісінің кернеулігі мен потенциалы арасындағы байланыс
.
Осы өрнектен потенциалдардың өзгерісін анықтасақ
.
Зарядтардың беттік тығыздығы
потенциалдар айырмасы
екенін ескерсек, жазық конденсатордың электр сыйымдылығы келесі формуламен анықталады:
.
2) Сфералық конденсатор

Электр өрісінің кернеулігі мен потенциалы арасындағы байланыс
.
Осы өрнектен потенциалдар өзгерісін анықтасақ
Потенциалдар айырмасы
немесе
Сфералық конденсатордың электр сыйымдылығы келесі формуламен анықталады:
.
3) Цилиндрлік конденсатор

Цилиндрлік конденсатордың электрсыйымдылығы келесі формуламен анықталады:
.
Конденсаторларды қосу
Әрбір конденсатор тек өзінің сыйымдылығымен ғана емес, сонымен бірге максимал жұмыстық кернеуімен сипатталады. Егер конденсаторға жұмыстық кернеуден артық кернеу берілетін болса, онда конденсатор астарлары арасынан ұшқын шығып, конденсатор істен шығады. Бұл құбылыс конденсатордың тесілуі деп аталады. Берілген жұмыстық кернеу кезінде қалаған сыйымдылық алу үшін конденсаторларды тізбектей, параллель немесе аралас түрде қосады.
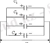
1) Конденсаторларды параллель қосу

Кондесаторларды параллель қосқан кезде барлық конденсаторлардағы кернеу бірдей болады:
Конденсаторлар батареясындағы толық заряд
Конденсаторларды параллель қосқан кездегі батареяның толық электр сыйымдылығы келесі формуламен анықталады:
2) Конденсаторларды тізбектей қосу
Конденсаторларды тізбектей қосқан кезде барлық конденсаторлардағы зарядтар бірдей, конденсаторлар батареясының толық зарядына тең болады:

Батареяларға түсірілген кернеу жеке конденсаторларға түсірілген кернеулердің қосындысына тең болады:
Конденсаторларды тізбектей қосқан кездегі батареяның толық электр сыйымдылығы келесі формуламен анықталады:
Конденсаторлар аралас қосылған кезде батареяның толық сыйымдылығы олардың қосылу схемасына тәуелді және параллель немесе тізбектей қосу заңдылықтарын пайдаланып анықтауға болады.
Электр сыйымдылығы
Тәуелді:
-өткізгіштің пішініне
-өткізгіштің өлшеміне
-ортаның (e)
-басқа өткізгіштермен қатынасына
Өткізгіш зарядының (конденсатордың бір астарының) оның потенциалына (екі астарының арасындағы потенциалдар айырымына) қатынасымен анықталады
Х. Б. жүйесінде электрсыйымдылық бірлігіне 1 фарад алынады. 1 Ф - 1Кл заряд бергенде, потенциалдар айырымы 1 В-қа өзгеретін өткізгіштің электрсыйымдылығы. Бұл бірлік өте үлкен: мысалы, Жер сияқты аса үлкен өткізгіштің сыйымдылығы не бары 7·10-4 Ф, сондықтан тәжірибелік мақсатта үлестік бірліктер қолданылады:
... жалғасы- Іс жүргізу
- Автоматтандыру, Техника
- Алғашқы әскери дайындық
- Астрономия
- Ауыл шаруашылығы
- Банк ісі
- Бизнесті бағалау
- Биология
- Бухгалтерлік іс
- Валеология
- Ветеринария
- География
- Геология, Геофизика, Геодезия
- Дін
- Ет, сүт, шарап өнімдері
- Жалпы тарих
- Жер кадастрі, Жылжымайтын мүлік
- Журналистика
- Информатика
- Кеден ісі
- Маркетинг
- Математика, Геометрия
- Медицина
- Мемлекеттік басқару
- Менеджмент
- Мұнай, Газ
- Мұрағат ісі
- Мәдениеттану
- ОБЖ (Основы безопасности жизнедеятельности)
- Педагогика
- Полиграфия
- Психология
- Салық
- Саясаттану
- Сақтандыру
- Сертификаттау, стандарттау
- Социология, Демография
- Спорт
- Статистика
- Тілтану, Филология
- Тарихи тұлғалар
- Тау-кен ісі
- Транспорт
- Туризм
- Физика
- Философия
- Халықаралық қатынастар
- Химия
- Экология, Қоршаған ортаны қорғау
- Экономика
- Экономикалық география
- Электротехника
- Қазақстан тарихы
- Қаржы
- Құрылыс
- Құқық, Криминалистика
- Әдебиет
- Өнер, музыка
- Өнеркәсіп, Өндіріс
Қазақ тілінде жазылған рефераттар, курстық жұмыстар, дипломдық жұмыстар бойынша біздің қор #1 болып табылады.

Ақпарат
Қосымша
Email: info@stud.kz