Диод туралы жалпы сипаттама


Жұмыс түрі: Курстық жұмыс
Тегін: Антиплагиат
Көлемі: 23 бет
Таңдаулыға:
МАЗМҰНЫ
I КІРІСПЕ… . . . 3
II Негізгі бөлім. 4
1 ДИОД ТУРАЛЫ ЖАЛПЫ СИПАТТАМА . . . 4
1. 1 Диодтардың шығу тарихы . . . 4
1. 2 Диодтардың түрлері . . . 5
2 ИМПУЛЬСТІК ДИОДТАР . . . 12
III ҚОРЫТЫНДЫ . . . 23
IV ПАЙДАЛАНЫЛҒАН ӘДЕБИЕТТЕР ТІЗІМІ . . . 24КІРІСПЕ
Қазіргі кезде техниканың дамуымен электрондық құрылғылардың басты бөлігі бұл жартылай өткізгіш құралдар мен құрылғылар болып табылады. Олар электрвакуумды құралдар мен құрылғыларға қарағанда жоғары үнемділігі мен және жұмыста беріктілігімен ерекшеленеді. Жартылай өткізгіш құралдар түріне диодтар, биполярлық және өрістік транзисторлар, тиристорлар және т. б. көптеген құралдар жатады. Бұлардың бәрі жартылай өткізгіштердегі электрофизикалық үрдістерге негізделген.
Өткізгіштер мен диэлектриктердің аралығында жататын, өздерінің сан алуан түрлі белгілерімен жартылай өткізгіштердің қатарына жақын келетін көптеген материалдар бар. Жартылай өткізгіштік техникада олардың ең көп тараған түрі, кремний, германий, галлий, селен және галлий арсениді, кремний карбиді, кадмий сульфиді химиялық қоспалары және т. б.
Жартылай өткізгіш материалдарының меншікті кедергісі аралығын қамтиды. Жартылай өткізгіштер басқа қатты кристалдық материалдардан өзінің электр өткізгіштігіне, кристалдардың энергиялық күйіне, электрлік қасиетінің температурадан тәуелділігінің сипатына қарай, сәуле шығару және басқа да сыртқы әсерлеріне қарай ажыратылады. Электрондық үрдістерді бақылай отырып, жартылай өткізгіш құралдардағы электр тоғын басқаруға болады.
Бір р-п өтпесіне негізделген, электр тоғын бір бағытта өткізетін, электрондық аспап, жартылай өткізгіш диод деп аталады. Жартылай өткізгіш диод айнымалы тоқты түзетуде, модуляцияланған радиосигналдарды детектрлеуде қолданылады.
1 ДИОД ТУРАЛЫ ЖАЛПЫ СИПАТТАМА
- Диодтардың шығу тарихы
Диод (көне грекше: дио - екі және -од шекті) - екі электродты, электр тогының бағытына байланысты әр-түрлі өтімділігі бар электронды аспап (прибор) .
1-сурет. Схемотехникалық кескінді электровакуумды диод:
ортасындағы жылытқыш шыны лампалы - катод, шеткі жағындағы - анод. Оң жағындағы - лампалы диодтың сұлбадағы белгіленуі.
2-сурет. Сол жақтағы - жартылай өтізгішті диодтың қарапайым түрі. Жоғарғы және сол жақтағы - диодтың сұлбадағы шартты белгісі (ГОСТ 2. 730-73 бойынша) .
Диодтарды дамыту бiрден екі бағытта XIX ғасырдың үшiншi ширегiнде басталды: 1873 жылы британдық ғалым Фредерик Гутри термиондық (вакуум шамды тікелей қыздыру арқылы), ал 1874 жылы германдық ғалымды Карл Фердинанд Браун (қатты денелi ) кристалды диодтарды жұмыс істеу принципн ашты. 1880 жылдың 13 ақпанында Томас Эдисонды қайтадан термионды диодтың жұмыс істеу принципін қайта ашты, және содан соң 1883 жылы патенттеген(№ 307031-шi АҚШ патентi) . Дегенменде Эдисон жұмыстарын ары қарай дамытуға идея болмады. 1899 жылы германдық ғалым Карлы Браун Фердинанд кристаллды түзеткiштi патенттады.
Екі электродты электровакуумдық аспап немесе жартылай өткізгіштік диод, токты бір бағытта өткізетін құрал. Радиоаппаратураларда айнымалы токты түзету, детекторлеу, жиіліктерді өзгерту, электр тізбектерін қайта қосу үшін қолданылады.
Екі электродты вакуумдық, газразрядты немесе шалаөткізгіш аспап; электр тогы бағытына байланысты өткізгіштігі әр түрлі болады: тура бағыттагы токтар үшін өткізгіштігі жоғары және кері бағыттағы токтар үшін - төмен. Электр және радиоэлектрондық аппараттарда айнымалы токты түзету, детекторлеу, электр тербелістерін түрлендіру, электр тізбектерін ажыратып-қосу үшін қолданылады.
Егер де біз n - типті және p - типті екі жартылай өткізгіштерді бір - бірімен қоссақ, онда диод деген құралды аламыз. Диод деген сөз гректің дио - екі деген сөзінен алынған. (1, 2-сурет) .
Бұл екеуін диодтың екі электроды деп атайды. Олар оң таңбалы анод пен терѕс таңбалы катод. Диодтың ашық және жабық кездері болады. Ашық күйінде ол токты жақсы өткізеді де, жабық күйінде нашар өскізеді, сіпті өткізбейді деп айтуға болады. Егер де батереяның оң полюсын диодтың анодымен, ал теріс полюсын катодымен қоссақ, онда диод арқылы ток жүреді.
Диодтың оң зарядты жағына қосылған ток көзінің оң полюсы жағындағы оң зарядтар диодтың өзі аттас зарядтарын өзіне итереді. Ал ток көзінің теріс полюс жағындағы теріс зарядтар диодтың теріс зарядтарын өзіне итереді. Ал диодтың өзіндегі оң және теріс зарядтар бір - біріне ұмтылып, электрондар бос орындарды, яғни ток жүре бастайды. Мұны диодтың тура тоғы дейді. Ал енді батареяны тізбекке керісінше қоссақ, яғни батареяның теріс полюсын диодтың анодына, ал оң полюсын катодына қоссақ, онда диод арқылы ток жүрмейді. Неге олай болатынын тағы да түсіндіріп көрейік. Мұндай жағдайда диодтың теріс, негативті n жағында ток көзінің оң полюсы (ойықтар) орналасады да, диодтың теріс полюсындағы электрондарды өздеріне тартады. Яғни, электрондар мен ойықтар бір-біріне ұмтылады. Ал диодтың оң полюсы жағында ток көзінің теріс полюсы орналасқан. Бұл жерде де оң полюстағы ойықтар теріс полюстағы электрондармен қосылуға ұмтылады. Сөйтіп, диодтағы оң полюстағы ойықтар мен теріс полюстағы электрондар бір - бірінен екеуі екі жаққа қашады. Екі ортада пайда болған ара қашықтықты потенциалды барьер деп атайды. Мұндағы « I тура » дегеніміз өткізетін тоғы - тура ток . Ал « I кері» дегеніміз - диодқа керісінше берілген ток - кері ток .
Диодтың вольт - амперлік сипаттамасы. Жалпы вольт - амперлік сипаттама дегеніміз диодқа ма, жоқ әлде басқа бір аспапқа ма, бәрібір, берілетін кернеу өзгергенде, соған байланысты токтың калай өзгеретінін көрсететін график. Диодқа арналған- графикті көрсету аркылы оның қалай жұмыс істейтінін түсіне аламыз. Диодқа тура кернеу бергенде ток бірден көтеріледі. Яғни, диод ашылады. Ал кері кернеу бергенде ток өте аз мөлшерде болады, яғни диод жабық. Осы уақыттағы аз мөлшердегі болсын ток іс жүзінде еш уақытта есепке алынбайды-өйткені оның мөлшері расында да өте аз. Сондықтан да ол токты біз жоқ деп есептейміз. Егер де біз кері кернеуді белгілі бір мөлшерден көп артық берсек, онда кері ток бірден көп мөлшерге артады. Көп мөлшерге артқан токтың зияны сол диод тесілді немесе диод «жанып кетті» дейді. Бірақ тура берген кернеуіміздің өзі де белгілі бір мөлшерден жоғарыламауы керек. Өйткені ондай жағдайда да әлгі «жанып кетті» деген нәрсе міндетті түрде болады. Д246 аталатын диодтың сыртқы түрі көрсетілген.
Барлық диодтардың да вольт - амперлік сипаттамалары жоғарыда көрсетілген графикке ұқсас болады. Бұларды Д226А немесе Д242 деген сияқты белгілермен атайды. Мұндағы Д - диод деген сөз, ал тұрған сан заводтың конструкциялық рет саны. Ал соңындағы әріп - аспап тобының түрі. Кремнийден жасалған диодтардың тура кедергісі германийге карағанда сәл көбірек, ал кері кедергісі он есеге артық. Кремний диодының тағы бір артықшылығы оның жұмыс температурасының 180 - 200°С-ге дейін жететіндігі. Яғни ток тығыздығы жоғары. Осыған байланысты қуаттары бірдей болғанда кремний диодтарының көлемі кіші болып келеді. Бірақ та, табиғатта таза кремнийді алып, оны сол қалпында сақтау біраз қиыншылықтар туғызады. Соның салдарынан кремнийден жасалған жартылай өткізгіш аспаптар біраз қымбат тұрады. Ал кремний дегеніміз жер бетінде оттегіден кейін таралуы бойынша екінші орын алатын элемент.
1. 2 Диодтардың түрлері
Жартылай өткізгішті диодтар. Бір р-п ӛтпесіне негізделген, электр тоғын бір бағытта өткізетін, электрондық аспап, жартылай өткізгіш диод деп аталады. Жартылай өткізгіш диод айнымалы тоқты түзетуде, модуляцияланған радиосигналдарды детектрлеуде қолданылады. Жартылай өткізгіш диодтың вольт-амперлік сипаттамасы 4, а-суретте көрсетілген. Мұнда тура кернеу кернеудің оң мәндеріне, ал кері кернеу теріс мәндеріне сәйкес келеді. 4ә-суретте жартылай ӛтікізгіш диодтың шартты белгісі келтірілген.
Жартылай өткізгіш диодтар құрылысына байланысты жазыктық (4а-
сурет) және нүктелік (4, ә-сурет) болып екіге бөлінеді. Нүктелік диодта үшкір ұшын р-түрлі вольфром мен п-түрлі жартылай өткізгіштің түйісу аймағында р-п өтпесі қалыптасады. Жазықтық диодтар бірнеше ондаған миллиамперден бірнеше жүздеген амперге дейінгі ток күшін ӛткізеді. Сондықтан оларды айнымалы тоқты түзету үшін қолданады.
3-сурет 4-сурет
Нүктелік диодтардың шамалары жазықтық диодтардың шамаларынан өзгеше болып келеді. Олардың тура кедергілерінің шамасы үлкен, ал тура тоқ күшінің ең жоғарғы мәні аз. Нуктелік диодтардың ерекше қасиеттерінің бірі, олар өте жоғары жиіліктер аймағында жұмыс атқаруға қабілетті. Сондықтан оларды жиілііктері жоғары радиосигналдарды детекторлеу үшін қолданылады.
5- сурет. Жартылай өткізгішті диодтар әртүрлі пішінде болады, олар кернеуі,
диэлектрлік күштері және операциялық жылдамдықтары бойынша
ажыратылады.
Диодтардың әдетте екі қысқышы болады
Анод Катод
6-сурет. Тіпті қазіргі заманғы диодтардың да анод және катод деген екі
қысқышы бар
7-сурет. Германий және кремний диодтарының вольт-амперлік
сипаттамалары
Жартылай өткізгішті диодтардың сипаттамалары температураға тәуелді. Сондықтан оларды температураның шектеулі аймағында ғана пайдалана аламыз. Мәселен, германий диодтар үшін -60-тан +70 °С, ал кремний диодтар үшін -60-тан +120 °С.
Жартылай өткізгішті диодтар мына тӛмендегі шамалар арқылы сипатталады:
− вольт-амперлік сипаггамасы,
;
− айнымалы тоқ үшін ішкі кедергі,
;
− тұрақты тоқ үшін кедергісі,
;
− түзету коэффициенті,
,
− I тура тоқ дегеніміз, диод арқылы тоқ кӛзінің оң полюсіне сол полюсіне қарай, яғни оң бағытта жүретін тоқ;
− түзетілген, яғни тұрақты тоқ дегеніміз үлпілдік (пульсациялық) тоқтың тұрақты құраушысы немесе түзетілген тоқтың орташа мәні;
− түзетілген тоқтың ең үлкен амплитудасы - активтік жүктемелі диод арқылы өтетін тоқтың ең үлкен мәніне тең. Түзетілген тоқтың мәні шамамен оның амплитудалық мәнінің 30%-на тең болады.
− I кері тоқ - кері кернеу берілген кезде диод арқылы өтетін тоқ.
− кері кернеудің ең үлкен амплитудасы - диодтың қалыпты күйі сақталатын, тесіп өту болмайтын, кері кернеудің шамасына тең. Ондай кері кернеудің шамасы 25 В-дан 600 В аралығында болады. Әрбір диодқа өзінің техникалық сипаттамасында көрсетілген шамасынан артық кері кернеу беруге болмайды.
Диодқа өткізу бағытында түсетін кернеудің мәні өте аз, ол 0, 5-1, 0 B аралығында ғана болады.
Стабилитрон. Қайтымды тесіп өту аймағында диодқа түскен кернеу тоқ күшіне тәуелді болмайды. Диодтың мұндай сипаттамасын бірнеше тәжірибелік мақсатпен, мәселен кернеуді тұрақтандыру үшін қолдануға болады (8-сурет) .
Мұндай диодты стабилитрон деп атайды. Стабилитрон арқылы тұрақтандырылған кернеуді кейде кернеудің эталоны ретінде қолданады, ондай стабилитронды тірек диод деп те атайды.
Стабилитрондарды (Zener диоды), кернеуді тұрақтандыру қасиетін анықтаған К. М. Zener деген физиктің құрметі атаған. Стабилитрондарды (Zener диоды) тұрақты тоқтың кернеуiн ауытқусыз немесе ауытқымалы түрде тұрақтандыру үшін қолданылады. Әдетте негiзгi сұлбасы қуатты транзисторлары бар немесе қолданылымдағы күшейткіштердің жиынтығы арқылы тұрғызылады.
8-сурет
Кернеуді тұрақтандырушы диодтар туралы түсінік. Тоғы өзгергенмен кернеуі тұрақты болып қалатын жартылай өткізгішті диод стабилитрон деп аталады. Стабилитрон әртүрлі құрылғыларда кернеуді тұрақтандыру үшін, яғни кернеуді өзгертпей ұстап тұру үшін қолданылады.
Стабилитрон және стабистор. Тұрақты тоқтың сызықты емес тiзбектерiнде кернеудi тұрақтандыру үшiн қолданылады.
9-сурет
Стабилитронның стабистордан айырмашылығы, стабилитронда кернеудi тұрақтандыру үшiн (9-сурет) ВАС-ның керi тармағын қолданады. Диодтың ВАС-да АВ және СD бӛлiктері бар, мұнда тоқтың айтарлықтай өзгеруiне кернеудiң аз ғана ӛзгеруi сәйкес келедi (олардың сызықтық тәуелдiлiгi кезiнде) .
Жоғары кернеудi ( U >3B) тұрақтандыру үшiн ВАС-ның керi тармағы (АВ бөлiгiн) қолданылады. Стабилитрон р-п өтпесінің вольт-амперлік сипаттамасының АВ бөлігінде тоқ өскенмен кернеу тұрақты болып калатындығы кӛрініп тұр. Стабилитрон тоғы осы аралықта жататын жүктемелер үшін пайдаланылады. Тоқ одан әрі өскен кезде р-п өтпесі қатты қызып, электрлік тесілу жылулық тесілуге ұласуы мүмкін.
Аз мәндi кернеулердi ( U ≤1 B ) тұрақтандыру үшiн, мысалы интегралды сұлбаларда ВАС-ның тура тармағын (СD бӛлiмін) қолданады, ал бұл мақсатта қолданылатын диодтарды стабистор деп атайды, және (10-сурет) оның шартты белгiленуi төменде көрсетiлген.
10-сурет
Оларды кремнийден жасайды. Тұрақтандыру кернеуі (3-180В) диапазонын құрайды.
Стабилитронның негізгі шамалары:
U СТ -тоқ берілген кездегі номиналды тұрақтандыру кернеуі;
R д - сипаттаманың кернеуі тұрақты бӛлігіндегі динамикалық кедергісі;
I СТ - кернеуі тұрақты мәніне сәйкес минимал тоғы;
P max -максималды рауалы шашыратқыш қуат;
ТКU - кернеудің температуралық коэффициенті.
Кернеуді екi өрiстi түрде тұрақтандыру сұлбаларында симметриялы стабилитрондар қолданылады(6-сурет) .
11-сурет
Жарық диодтары. LED (жарық Диоды) әртүрлі түсте қолданылады. Қызыл, жасыл және сары түстер жиі қолданылады. Әсіресе олар автомобилдерде жиі қолданылады (бақылау шамдарында және фарларында) . Қазіргі кезде көк LED жиі қолданыла бастады. Көзге көрінетін LEDтен басқада адамның көзіне көрінбейтін инфрақызыл диапазонында жұмыс істейтін LED болады.
Кернеуі жарықдиодтың түсіне тәуелді
Қондырғының шашыранды қуаты диод арқылы тоққа пропорционал. Жарық диодының шамалары шектеулі, себебі жұмыс істеп тұрған кезде жоғарылап кетпеуі керек әйтпесе қондырғы істен шығып қалады. Жарық диодының шамалары оның құжатында көрсетілген.
Бұл сұлба төмендеткіш(өшу) R7 = 402 Ом кедергісі бар инфрақызыл жарық диодынан тұрады. Катод жерге жалғанған. LED кернеудің кері әсеріне тӛзімді болып табылмайды, сондықтан керә кернеуді болдырмау үшін D3 диоды тізбектей жалғанады.
Сәуле шашатын диод − р-n өтпесінің аймағыда энергия кванттарын шашатын диод.
Жарық диоды - көрінетін спектр аймағында, ал инфрақызыл диод кӛрінбейтiн спектр аймағында жарық шашатын диод. Заряд тасымалдағыштардың рекомбинациялануы энергия кванттарының бӛлiнiп шығуына әкелiп соғады. Жарық диодтары жарық индикаторлары ретiнде қолданылады. Инфрақызыл диод оптоэлектрондық құрылғыларда сәуле шашушы ретiнде қолданылады. Жарық диоды арнайы құрастырылған диод, мұнда жарық сәулелерiнiң ауысу аймағынан корпустың мөлдiр терезелерi арқылы өтуiне жағдай жасалынған.
Жартылай өткiзгiштiң ауысу аймақтарына жататын тоқтың диод арқылы өтуi кезiнде заряд тасымалдағыштарының электрондар мен кемтiктердiң қарқынды түрде рекомбинациясы жүредi. Босанып шыққан энергияның бір бөлігі жарық кванты ретiнде бӛлiнедi. Жартылай өткiзгiштiң тыйым салушы еніне байланысты сәуле ұзындығы адам көзiне көрiнетiн немесе адам көзiне көрiнбейтiн инфрақызыл толқындар ұзындығына ие болуы мүмкiн. Арсенад галий негізiнде жасалынған өткізгіштік аймақтардағы сәулелердiң толқын ұзындығы - 0, 8 мкм. Карбид кремнийiнен немесе фосфид галийден жасалынған өткізгіштік аймақтары қызыл түстен кӛгiлдiр түс диапазонында көрiнетін сәуле шашады. Жарық диодының маңызды шамаларының бiрi жарықтық және сәулелену түсi (немесе сәуленiң спектрлiк құрамы) .
Фотодиод - жұмыс iстеу ұстанымы фотогальваникалық эффектке негiзделген және фотосезiмтал элементi жартылай өткiзгiштi диод құрылымына ие фотоқабылдағыш.
Сәуле р- n өтпесіне перпендикуляр бағытта әсер етсiн дейiк. Энергиясы фотондардың жұтылу нәтижесiнде n - базаның тереңдiгiнде электроды- кемтіктік жұптар (фототасымалдағыштар) пайда болады. Фототасымалдағыштар n - аймақтың түбiнде диффузияланады. n - аймақтың енi сәулену нәтижесiнде қалыптасатын фото тасымалдағыштардың негiзгi иесі n - аймаққа рекомбинацияланып үлгермейтiндей болады, олар р- n өтпесінің шекарасына дейiн жетеді (х) . Электрондар мен кемтiктер р- n өтпесінің электрлiк өрiсi әсерiнен кернеуi бойынша бөлiнедi және бұл жағдайда кемтiктер р - аймаққа өтеді де, ал электрондар ауысу өрiсiн бұзып өте алмай р- n өтпесінің р - аймағында жинақталады. Сонымен, р- n өтпесінің арқылы өтетiн фототасымалдағыштар тоғы негiзгі емес тасымалдағыштар кемтiктердiң дрейфімен анықталады.
Фотодиод сапасы ең алдымен сәуле кӛмегiмен фототоқты басқару тиiмділiгiмен анықталады. Фотодиод тоғын оптикалық түрде басқару бойынша оның жұмыс iстеу режимiн анықтауға болады. Осы тұрғыда қарапайым (түзеткіш) диод пен фотодиодтың жұмыс iстеу ұстанымдарын салыстырайық.
Сәуле ағымы (Ф=0) тепе-теңдiк күйде диод пен фотодиодтың зоналық диаграммалары сәйкес келедi. Сонымен қатар екi аймақ үшiн де Ферми деңгейi бiрдей және негiзгi тасымалдағыштар тағы р- n өтпесі арқылы өтетiн тоқтың диффузиялық құрамасы негiзгi емес тасымалдағыштар тоғының дрейфтық құрамасына тең. Қарапайым диодта тепе-теңдiк күйi р- n өтпесіне тура кернеуді ( р - аймағына оң , n - аймағына теріс ) бергенде бұзылады, нәтижесiнде ішкi потенциалды тосқауыл төмендейдi. Ауысу арқылы өтетiн тасымалдағыштар тепе-теңдiгі бұзылғанда тоқтың диффузиялық құрамасы жоғарылайды, айтарлықтай үлкен тура кернеуде ол р- n өтпесінің тоғының мәнiн анықтайды.
Фотодиодта р- n өтпесін фототасымалдағыштар тудырған сәулелер бөлiп тұрады. Бұл фотодиодтың iшкi потенциалды тосқауылының төмендеуiне себеп болады (қарапайым диодқа тура кернеу бергендегiдей), р- n өтпесінің екi жағындағы құрылымдардағы Ферми деңгейi сәйкес келмейдi және олар бiр-бірiне қарама-қарсы бағытта ауытқиды. Фотодиодтағы тепе- теңдіктің бұзылуы р- n өтпесінің тоғының дрейфты құрамасы пайдалы екенін ескеру қажет, яғни тоқты тимдi басқару үшiн фотодиодтағы диффузиялық құрамаларды сәуле көмегiмен басу керек.
(электрондар мен кемтіктердiң) дрейфтi ағымы фототоғын қалыптастырады. Кемтiктер р - түріндегі оң зарядпен
зарядтайды, ал электронда n - түріндегі терiс зарядпен зарядтайды.
Нәтижесiнде қалыптасқан потенциалдар айырымы (фотоЭҚК) iшкi потенциалдық тосқауылды мәнiне дейiн төмендетедi. Жарықтандырылған жартылай өткiзгiштiң жоғары қабатында фототасымалдағыш қосымша кемтіктер мен электрондар пайда болады.
Электронның диффузия коэффициентi кемтiктерiнiң коэффициентiнен көп. Сондықтан генерациялау орнынан диффузиясы кезінде электрондар кемтiктерден өтiп кетеді, нәтижесiнде зарядтардың бөлiнуi қалыптасады - жартылай өткiзгiштiң жоғары жағы кӛлемге қатысты оң зарядқа ие болады.
Сәулеленуге жоғары сезiмталдықты қамтамасыз ету үшiн фотодиодта тоқтың диффузиялық құрамы төмен болуы керек. Сондықтан фотодиод сыртқы кернеумен (фотодиодты режим) жұмыс iстейдi.
11-сурет
Фотоөткізгiштiк қасиет сыртқы жарықтық ағымның қарқындылығына (интенсивтiлiгiне) және спектральді құрамына байланысты. Фотодиод корпусы р- n өтпесіне перпендикуляр түрде бағытталынатын сыртқы жарық ағымын тудыратын қосымша линзамен жабдықталған.
Фототүрлендiргіш режимiнде фотодиод тiзбегiне р- n өтпесінің керi ауытқуын қамтамасыз ететiн сыртқы қорек көзiн қосады. Егер өткізгіштік аймаққа жарық берiлмесе, керi көлеңкелi тоқ пайда болады. Өткізгіш аймаққа жарық берiлгенде, көлеңкелi тоққа мәнi берiлген U кернеуге теуелсiз және фотодиодтық жарық ағынының қарқындылығына пропорционалды фототоқ қосылады.
Фотогенератор режимiнде өзi фото ЭҚК көзi болып табылады. Фото ЭҚК-тің мәнi бос жүрiстiң кернеуiне тең, яғни Uxx . Кремнийлi фотодиод үшiн бұл кернеу 0, 5В құрайды, ал орташа күн сәулесi түскен кездегi қысқаша тұйықталу тоғының мәнi 20-25мА/см 2 құрайды.
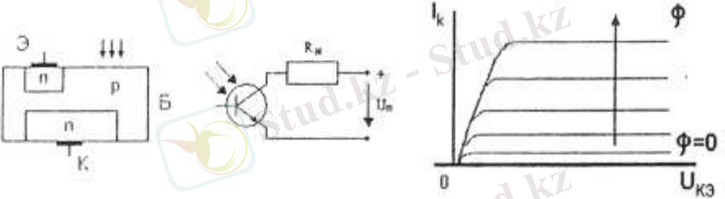
Фототранзистордың құрылымы биполярлы транзистордікiне ұксас. Ол фотодиодқа қарағанда жоғары фотосезiмталдыққа ие.
12-сурет
Жарық ағымы базада заряд жұптарын өндiре отырып эмиттерлi р- n өтпесінің жазықтығына перпендикулярлы түрде әсер етедi. База үшiн негiзгi емес болып саналатын зарядтар K Ι, тоғын күшейте отырып коллекторлар өткізгіш аймаққа тартылады. Алайда, бұл тоқ K Ι коллекторлы тоғының тек бір бөлігi ғана, өйткенi базадан негiзгi емес тасымалдағыштардың кетуi онда негізгi тасымалдағыштардың компенсацияланған көлемдi зарядын қалыптастырады. Бұл заряд эмиттерлi ауысудың потенциалды тосқауылын төмендетедi. Нәтижесiнде эмиттер көмегiмен база аймағына инжекцияланатын заряд тасымалдағыштарының саны көбейеді, K Ι коллектор тоғының өсуiне себеп болады. Сонымен, фототранзисторды фототоқ бойынша күшейту орындалады, бұл оның фотодиодқа қарағанда сезiмталдығын жоғары екенiн көрсетедi.
База шықпасын қолданбаған фототранзистордың ВАС-сы ортақ эмиттерлі сұлба бойынша қосылған биполярлы транзистордың сипаттамаларына ұксас. Айырмашылығы фототранзисторда басқару шамасы база тоғы емес, жарық ағымы болып табылады.
13-сурет
... жалғасы- Іс жүргізу
- Автоматтандыру, Техника
- Алғашқы әскери дайындық
- Астрономия
- Ауыл шаруашылығы
- Банк ісі
- Бизнесті бағалау
- Биология
- Бухгалтерлік іс
- Валеология
- Ветеринария
- География
- Геология, Геофизика, Геодезия
- Дін
- Ет, сүт, шарап өнімдері
- Жалпы тарих
- Жер кадастрі, Жылжымайтын мүлік
- Журналистика
- Информатика
- Кеден ісі
- Маркетинг
- Математика, Геометрия
- Медицина
- Мемлекеттік басқару
- Менеджмент
- Мұнай, Газ
- Мұрағат ісі
- Мәдениеттану
- ОБЖ (Основы безопасности жизнедеятельности)
- Педагогика
- Полиграфия
- Психология
- Салық
- Саясаттану
- Сақтандыру
- Сертификаттау, стандарттау
- Социология, Демография
- Спорт
- Статистика
- Тілтану, Филология
- Тарихи тұлғалар
- Тау-кен ісі
- Транспорт
- Туризм
- Физика
- Философия
- Халықаралық қатынастар
- Химия
- Экология, Қоршаған ортаны қорғау
- Экономика
- Экономикалық география
- Электротехника
- Қазақстан тарихы
- Қаржы
- Құрылыс
- Құқық, Криминалистика
- Әдебиет
- Өнер, музыка
- Өнеркәсіп, Өндіріс
Қазақ тілінде жазылған рефераттар, курстық жұмыстар, дипломдық жұмыстар бойынша біздің қор #1 болып табылады.

Ақпарат
Қосымша
Email: info@stud.kz