Микропроцессорлық жүйе жайлы


Жұмыс түрі: Курстық жұмыс
Тегін: Антиплагиат
Көлемі: 19 бет
Таңдаулыға:
МАЗМҰНЫ
I КІРІСПЕ… . . . 4
II Негізгі бөлім. 6
1 Микропроцессорлық жүйе . . . 6
1. 1 ДЭЕМнің элементтік базасы . . . 6
1. 2 Микропроцессорлық жүйелердегі ақпараттардың алмасуы . . . 7
2 Сыртқы қондырғылардың жұмыс істеу принциптерін зерттеу . . . 9
III ҚОРЫТЫНДЫ . . . 21
IV ПАЙДАЛАНЫЛҒАН ӘДЕБИЕТТЕР ТІЗІМІ . . . 22Кіріспе
Кез-келген МПЖ ақпараттарды бағдарламалық алмастыру негізгі болып саналады. Ол әрқашан да алдын-ала қарастырылады, өйткені онсыз басқа алмастыру режимдарын орындау мүмкін емес. Бұл режимда процессор жүйелік магистральдың жекеменшік иесі (немесе беруші, Master) болып саналады. Осы жағдайдағы барлық ақпараттарды алмастыру операциялары (циклдар) тек процессормен бастама алады, олардың барлығы орындалатын бағдарламадағы жазылған қатаң тәртіп бойынша орындалады.
Процессор ақпаратты өңдеуге арналған. Ол екі бөліктен тұрады: УУ - басқару құрылғысы (устройство управления), және АЛУ - арифметико-логикалық құрылғы.
Процессор ақпаратты өңдеуді ЖЕСҚ-да сақталатын программа басқаруымен жүзеге асырады. ЖЕСҚ-да программамен бірге өңделуге тиіс мәліметтер де сақталады. Программа мен мәліметтер ЖЕСҚ-нан процессорге ЖЕСҚ мен процессор арасындағы байланыс арнасы бойынша түседі. Олар есептеу техникасында шина деп аталады. Мұндай шиналар процессорды ЭЕМ-нің басқа құрылғыларымен де байланыстырады.
Енгізу-шығару құрылғылары программалар мен мәліметтерді ЖЕСҚ-на енгізу үшін арналған. Яғни олар перфокарта, перфолента түрінде, немесе магнитті лента, магнитті диск және т. с. с. түрінде дайындалады, содан кейін машинаның жедел жадына енгізіледі. Осыдан кейін программа өңделуге жіберіледі.
Процессор жадыдан команда кодын оқиды (таңдайды) және жадыдан немесе енгізу-шығару құрылғысынан мәліметтерді оқи отырып, өңдейді және жадыға мәліметтерді жазады немесе оларды енгізу-шығару құрылғысына бере отырып оларды орындайды. Бағдарлама арқылы процессорға жіберу жолы сызықты, циклдік сондай ақ өтпелі (секірмелі) болуы мүмкін. Бірақ ол үнемі үздіксіз және толықтай процессор бақылауында болады. Бағдарламамен сыртқы ортадағы әсерлердің ешқандай байланысы жоқ болғандықтан, процессор ешқандай әсер бермейді.
Үзу арқылы алмастыру, сыртқы сигналдың келуіне байланысты қандайда бір сыртқы оқиғаларға МПЖ әсерлесуі қажет болғанда қолданылады.
Компьютердегі сыртқы әсерлер болып, мысалы, клавиатурадағы түймешені басу немесе локальды желі арқылы мәліметтер пакетінің келуі жатуы мүмкін. Осы кезде компьютер осы жағдайлармен сәйкесінше әсерлесуі қажет. Яғни экранға символдарды енгізу немесе оқу және пакет желісі арқылы қабылданғандарды өңдеу т. б.
Осы курстық жұмыста біз микропроцессорлардағы сигналдардың, ақпараттардың сыртқы қондырғыларарқылы жұмыс істеу принципін зерттейміз.
1 Микропроцессорлық жүйе
1. 1 ДЭЕМнің элементтік базасы
Дербес ЭЕМ-нің (ДЭЕМ) элементтік базасы болатын электрондық компоненттері ақпарат өңдеудің белгілі бір функциясын немесе оны есте сақтау ісін атқарады. Мұндай компоненттер интегралдық схемалар деп аталады. Интегралдық схема металдан не пластмассадан жасалған қорапқа салынған жартылай өткізгішті кристалдан тұрады. Жіңішке жіп секілді арнайы сымдар осы кристалды қораптың шеткі тұяқшаларымен жалғастырылады.
Жартылай өткізгішті кристалл көбінесе өте таза кремнийден жасалады, оны жасауда вакуумдық бүрку, тырналау, қоспаларды иондық түрде енгізу, дәлме-дәл фотолитография және де басқа жоғары сапалы технологиялар қолданылады. Осындай күрделі технология нәтижесінде кристалда электр схемасына біріктірілген “электрондық молекулалар” жасалады. Олар бір кристалл көлемінде (5*5мм) жүз мыңнан аса бір-бірімен байланысқан “электрондық молекулаларды” құрастырып, өте күрделі ақпарат түрлендіру жұмыстарын орындай алады.
Интегралдық схемаларды жасау, тексеру, олардың сапаларын бақылау - барлығы да автоматтандырылған, оның үстіне оларды сериялық түрде шығару да меңгерілген. Интегралдық схемаларды шығаруды баспаханалардағы кітапты көбейтіп шығарумен салыстыруға болады. Олар өздерінің атқаратын функцияларына қарай ЭЕМ-нің әртүрлі тетіктерінің-шифраторлардың, сумматорлардың, күшейткіштер-дің түрлеріне байланысты бөлек-бөлек топтарға жіктеліп, сериаларға бөлініп шығарылады.
Бұл схемалардың интегралдық (біріктірілген) деп аталу себебі-олардың бір кристалы күрделі логикалық функциялардың белгілі біреуін орындай алады, содан соң олардан транзисторлар мен диодтардан құрастырылатын сияқты машина қондырғылары оңай жасалады.
ДЭЕМ біріңғай ақпараттық жүйеге біріктірілген техникалық электрондық құрылғылар жиынынан тұрады. ДЭЕМ құрамына кіретін құрылғыларды олардың функционалдық қызметіне қарай екіге бөлу қалыптасқан, олар: жүйелік блок және перифериялық, яғни шеткері құрылғылар.
Жүйелік блок мыналардан тұрады:
- микропроцессор;
- оперативті (жедел) есте сақтау құрылғысы;
- тұрақты есте сақтау құрылғысы;
- қоректену блогы мен мәлімет енгізу-шығару порттары;
Ал шеткері құрылғылар құрамына:
- мәлімет енгізу құрылғылары;
- мәлімет шығару құрылғылары;
- мәлімет жинақтауыштар;
ДЭЕМ-нің мүмкін болатын ең минималды құрамына жүйелік блок, бір-бірден енгізу, шығару құрылғылары және ақпарат жинақтауыш құрылғы кіреді. ДЭЕМ-дегі шығарылатын есептер түрлеріне қарай оның минималды конфигурациясын қосымша шеткері құрылғыларды қосу арқылы кеңейтуге болады.
1. 2 Микропроцессорлық жүйелердегі ақпараттардың алмасуы
МПЖ ақпараттардың алмасуы ақпаратты алмастыру циклдарында жүзеге асады. Ақпараттарды алмастыру циклі деп - шина арқылы қарапайым бір операцияның орындалуы іске асатын уақытша интервалды айтады. Мысалы, процессордан жадыға мәліметтер кодын немесе енгізу-шығару құрылғысынан процессорға мәліметтер кодын жіберу.
Ақпараттарды алмастыру циклі негізгі екі түрге бөлінеді:
- процессор ақпаратты жазатын (шығаратын), жазу циклі (шығару) ;
- процессор ақпаратты оқитын (енгізетін), оқу циклі (енгізу) .
Кейбір МПЖ «оқу-модификация-жазу» немесе «енгізу-үзіліс-шығару»
циклдары болады. Бұл циклдарда процессор жадыдан немесе енгізу-шығару
құрылғыларынан ақпаратты оқиды, содан кейін оны түрлендіреді де тағыда дәл сол адрес бойынша жазады. Мысалы, процессор жады ұяшығынан кодтты оқып, оны бірге ұлғайтып және тағыда оны осы жады ұяшығына (INR) жазуы мүмкін.
Ең маңызды орынды жадыға тікелей кіру (егерде ЖТК режимі қарастырылған болса), үзуді қайта беру (егер жүйеде үзу болса) және сұраныс циклдары алады.
Әрбір цикл уақытында ақпаратты алмастыруға қатысатын құрылғы бір-
біріне ақпаратты басқарушы сигналдарды бекітілген тәртіп бойынша беріп отырады.
Ақпаратты алмастыру циклі уақытының ұзақтығы тұрақты немесе айнымалы болуы мүмкін. Бірақта ол жүйенің тактілік жиілігінің бірнеше периодын өзіне қосып алады. Жүйе жадынан командалар кодын оқу, оқу циклінің көмегімен іске асырылады. Сондықтан біршиналы құрылым кезінде жүйелік магистральда команданы оқу циклі мен мәліметтерді беру (оқу және жазу) циклі кезектесіп орындалады. Бірақ алмастыру протоколы мәліметтер немесе команда берілгеніне тәуелсіз болғандықтан өзгеріссіз қалады. Ал екі шиналы құрылымда команданы оқу, жазу немесе мәліметтерді оқу циклдары жеке бөлек шиналарға бөлінеді де олар бір уақытта орындалуы мүмкін.
Мәліметтер шинасы мен адрестер шинасында оң немесе теріс логикалар қолданылуы мүмкін. Оң логика кезінде кернеудің жоғарғы деңгейі логикалық бірге тең, ал төменгісі логикалық нөлге тең болады. Ал теріс логика кезінде керісінше болады. Көп жағдайларда сигналдар деңгейі ТТЛ шинасында болады.
Магистральдардың байланыс сызықтарының санын жалпы азайту үшін
адрестік шинаны (АШ) және мәліметтер шинасын (МШ) мультиплексирлеу қолданады: уақыттың әртүрлі моменттерінде адрестерді және мәліметтерді беру үшін (адрестің басқы циклі, мәліметтердің соңғы циклі) бірдей байланыс сызықтары қолданылады. Осы моменттерді фиксациялау (стробтау) үшін басқару шинасында (БШ) арнайы сигналдар қызмет етеді.
Басқару шинасындағы (БШ) басқару сигналдары циклдің әртүрлі бөліктері мен стадияларына сәйкес келетін уақыт моментін (фиксируют) және ағымдағы циклдің түрін анықтайды. Сонымен қатар, басқарушы сигналдар процессордың (немесе магистральдың басқа иесін, master) жадымен немесе енгізу-шығару құрылғысымен (орындаушы-құрылғы, slave) жұмыс істеуін сәйкесінше қамтамасыз етеді. Сондай-ақ басқарушы сигналдар сұранысты және үзуді жіберуді және тура кіруді қамтамасыз етеді.
Басқару шинасы оң логика (сирек) және теріс логика (жиі) түрінде берілуі мүмкін. Басқару шинасының сызықтары бірбағытты және екібағытты болады. Ал шығыс каскадттарының түрлері әртүрлі болады: екі күйлі (бірғатты сызықтар үшін), үш күйлі (екібағытты сызықтар үшін) және ашық коллекторлы (екібағытты және мультиплексирленген сызықтарға үшін) . Ең басты басқарушы сигналдар - бұл алмастыру стробтары, яғни, процессормен қалыптасатын және мәліметтер шинасы бойынша мәліметтерді алмастыруды тудыратын уақыт моментін анықтайтын сигналдар болып табылады. Магистралдарда алмастыру стробының екі түрі қолданылады:
- жазу стробы (шығыс), бұл мәліметтер шинасына процессормен қойылған мәліметтерді қабылдайтын орындаушы - құрылғының уақыт моментін анықтайды;
- оқу стробы (енгізу), бұл процессормен оқылған мәліметтер кодын мәліметтер шинасына беретін орындаушы-құрылғының уақыт моментін анықтайды.
Осығын байланысты, цикл аралығында процессор алмастыруды қалай аяқтайтыны және қандай момент кезінде ол өзінің алмастыру стробын алып тастайтыны өте маңызды болады. Негізі шешудің екі жолы бар:
- синхронды алмастыру кезінде (tвыд) бекітілген уақыт интервалы арқылы процессор мәліміттерді алмастыруды өздігінен аяқтайды, яғни орындаушы- құрылғының қатысуынсыз;
- асинхронды алмастыру кезінде, процессор алмастыруды тек орындаушы-құрылғы операцияның орындалуын арнайы сигналмен (handshake-рукопожатие режимі) бектіткен кезде ғана аяқтайды.
Синхронды алмастырудың артықшылықтары - басқарушы сигналдарының саны аз және алмастыру протоколдары біршама қарапайым. Кемшіліктері - орындаушының операцияларды орындауына кепілдіктің жоқтығы, сондай-ақ орындаушының тезәрекеттілігіне жоғары талаптардың қойылуы.
Асинхронды алмастырудың артықшылықтары - мәліметтерді жіберу біршама сенімді және әр түрлі тез әрекетті орындаушылармен жұмыс істеу мүмкіндігінің болуы. Кемшілігі- қосымша аппаратуралық шығындарды талап
етуі.
2 Сыртқы қондырғылардың жұмыс істеу принциптерін зерттеу
Дискреттi элементтер және басқаруды нақтылы есептi қандай болмасын орындайтын интегралды микросұлбаларды база құрылған электрондық басқару жүйелерi қатты логикасы бар жүйелерге жатады. олардың жұмыс жасауын алгоритммен жүйенiң схемотехникасымен анықталады. Мұндай шектеудiң микропроцессорлық жүйелерiнде болмайды, өйткенi. жүйенiң ылғи бiр мәлiметтер құрылымының жанында жүйенiң жады элементтерiндегi командалардың жазуды салдарынан тиiстi өзгерiстiң басқаруының әр түрлi алгоритмдары iске асыра алады. Арқасында бұл микропроцессорлық жүйелерге электрондық басқару жүйелерiнiң ерекше сыныптарын құрастырады және басқарудың өзi күрделi мәселелерiн iске асыру қасында сирек кездесетiн мүмкiндiктер көздiң нүктесiмен ие болады. Ақпаратты өңдеуiн микропроцессорлық жүйеде екiлiк цифрларға кодта апарады. Түсетiн сигналдардың жүйелерiне барлық алуантүрлiгi сондықтан е бiртұтас екiлiк кодтық құрылымға, өйткенi түйiстiруi керек. туралы түрдiң құрылымына логикалығы.
Автокөлiктiң агрегаттарының жұмыс тәртiптерi туралы мәлiмет (түйiндердiң температурасы, олардың бүйiр желi, қозғаушы және трансмиссияның бiлiктерiнiң айналу жиiлiгiнiң жүктеме тәртiбi, кернеуi тағы басқалар) . (Цпу) орталық процессорды келесi өңдеу үшiн тиiстi олардың (цифрларға код) түрiне әр түрлi сигналдарының өрнектеуi.
(Ацп) аналогтық-цифрлықты және (шап беру) цифр аналогтық түрлендiргiштердi жатқызуға болған алдын ала құрылымдар (Пчн) кернеуге жиiлiк түрлендiргiштер орындайды. Ацп цифрларға кодқа температура, қысым, кернеудiң датчиктерiнiң үздiксiз сызықты сигналдың өрнектеуi үшiн қолданады, шап беру - керi өзгеру үшiн. Кодқа бiлiктердiң айналу жиiлiктерiнiң өрнектеуi кодқа кернеудi келесi өрнектеуi бар аралық Пчн, гак арқылы сияқты бола алады және кодқа жиiлiктiң жолымен тiкелей өрнектеуi. О, түйiскен датчиктердiң өрнектеулерi үшiн керек болмайды, олардың шығу белгiсi өйткенi деңгей, тиiстi немесе күйге логикалық немесе логикалық 1 алады. Ендi құрылымды процессорды өңдеу үшiн қажеттi алатын және сондықтан ары қарай өрнектеулер талап етпейтiн терминал құрылымның ескертпе дабылы. Бiртұтас түр өзгертiлген барлық ескертпе дабылдар сыртқы көз процессордың микросхемасы құрамына кiретiн немесе жеке элементтердiң түрiнде орындала алатын енгiзу-шығаруды интерфейске түседi. Енгiзу құрылымы - қорытынды Цпу бiрлескен жұмысты және Цпу қарағанда сыртқы болатын жүйелердiң барлық басқа құрылымдарын қамтамасыз етедi.
Сыртқы құрылымдары бар жұмыс олардың күйiн периодты сұрауды әдiс бойынша, немесе олардан үзулердi жүйесiн ұйымдастыру арқылы орындалады. үзулердiң онындағы жүйелерi iске асыруы бар микропроцессор жұмыс iстегенде әсерлердiң келесi ретiндесi iске асады:
1) сыртқы құрылымдардың бiрi кезектi мәлiметтi дайын берiп немесе қабылданғанда немесе басқару жүйесiнiң жұмыс жасауына әсер көрсететiндесi кезде ол (үзуге сұрау салу) дайындық сигналы Цпуға жiбередi;
2) Цпу ағымдағы команданың орындауы бастапқыда сыртқы құрылымнан дайындық сигналы алынып бiтiредi, содан соң негiзгi программа ескерiлген әсерлердiң орындауын бөгейдi, және дайындық сигналын бередi басталған жұмыс пайда болған (үзулер рұқсаты ) үзумен сабақтас;
3) болған жағдайда екi көрcетiлген дайындық сигналдары е үзулердi өңдеу, өйткенiде болады. iшкi программаның орындауы, сыртқы құрылымның мәлiметiнiң ескерiлген сұрау салуымен;
4) дайындық сигналының ағымдағы есебiнiң Цпуi шешiмдер егер уақытында.
Бұдан әрi олардың басымдылығының ағалық анықталатын кезектiлiгi бар сыртқы құрылымдардың мәлiметi қаралудан өтедi. (үзулердi тереңдiк деп аталатын) басымдылықтардың ағалығының градацияларының саны микропроцессордың түрiнен тәуелдi болады. Ол 2мен 8бен аралығындағы және көп толқиды. Басқаруды микропроцессорлық жүйенiң жұмысының қамтамасыз етулерi үшiн нақты масштабта уақыт, е өйткенi. нақтылы уақыт аралықтарында, оның құрамына қажеттi командаларының беруiмен жеке интегралды микросұлбаны түрлерде әдетте орындаған таймер ендiредi. Бағдарлаушы (бағдарлаушы сөз) команданы, таймер алынып уақытша сигналдардың нақтылы тiзбегiн қалыптастырады. Мысалы, санға мұндай (дiрiлдеткiштiң тәртiбi) жеке импульстердiң такты жиiлiктiң бөлуi, құрастыруы, сонымен бiрге импульстердiң әр түрлi комбинацияларын жатады. Басқа сыртқы құрылымдардан сигналдармен таймерден ескертпе дабыл қатар салған алгоритмдармен сәйкес барлық қажеттi өрнектеу және есептеулерде болған және шешiм шығып тұрған Цпуға түседi. Мысалы, қосылатын берiлудi нөмiр, iлiнiсудi сөндiрудi талап, дросселдiк жапқышты ашуды дәреже мүмкiн, мұндай шешiммен.
Цпу жұмыстар үшiн үнемi қосымша мәлiмет, әр түрлi тұрақтылар керек болады, сонымен бiрге аралық ақпараттың уақытша сақтауы керек. Бұл осы Цпулар жүйенiң (ЖҚ) есте сақтайтын құралдарынан алады. Қабылдау, сақтаулар және әр түрлi аралық мәлiметтердiң беруi үшiн, сонымен бiрге е элементтердiң ағымдағы күйi, өйткенi туралы мәлiметтер. барлық сол басқаруды микропроцессорлық жүйенiң жұмысының процессiнде өзгеретiн мәлiмет (ОЗУ) жедел есте сақтайтын құралды қолданылады. Микропроцессор жұмыс iстегенде бұлжымайтын ақпаратты сақтаулар үшiн сонымен бiрге жүйенiң жұмыс жасауын алгоритмды жазу әр түрлi түрдiң (ТСҚ) тұрақты есте сақтайтын құралдарын қолданылады. Өте аласа құн бағдарламасы олардың жасауында жазылған (ROM) ТСҚ алады. Мұндай құрылымдар микропроцессорлық жүйелердiң жаппай жасауында қолданылады. Бағдарламаның жазуын (PROM) ппзуды программалалатын есте сақтайтын құралдарда олардың жасауынан кейiн зауытта iске асыра алады.
1-шi сурет. (KP580нiң топтамасының микросхемаларының комплектiнiң базасында) берiлiстi ауыстырып қосуды автоматты басқаруды микропроцессорлық жүйенiң құрылымдық схемасы.
Суретте 1, берiлiстi ауыстырып қосудың автоматты басқарудың KP580нiң топтамасының микропроцессорлық комплектiнiң құрам кiретiн микросхемалардың қолдану негiзделген жүйелерi құрылымдық схема келтiрiлген. Мысалы, жүйелер кiруге автокөлiктi жылдамдық және қозғаушы, қозғаушы, автокөлiктi жүктеудi температураның иiндi белдiгiнiң айналу жиiлiгiнiң датчиктерiнен ескертпе дабылдарды әпередi тағы басқалар, сонымен бiрге басқару құрылғысы немесе қозғаушы және берiлiс қорабының көрсеткiштерi күйдi индикацияға отынның беруiн басқаруды педальнiң жағдайының датчигi, басқару контроллерi, сұрау салулар жүргiзушi не бiр әсер ететiн басқару аппаратура түсетiн командалар. Мысалы, мына барлық ескертпе дабыл басқарулар микропроцессорлық жүйенi шындығында түсудi алдында тиiстi түрлендiргiштердiң түрлендiргiштер, жиiлiк түрлендiргiштердi аналогтық-цифрлықтары көмегiмен санмен көрсетiлген кодтарға мiндеттi түрде өзгертедi - код және тағы басқалар. ) енгiзудi блоктiң құрам кiретiн. Енгiзудi блоктaн мәлiмет интерфейстiң схемасына түседi.
Енгізу-шығару порттарының кейбір арналары МК-ң перифериялық модульдермен мультиплицирленген. Перифериялық модуль қосылып тұрған кезде, енгізу-шығарудың әмбебап арнасы ретінде қолданыла алмайды.
PORTА және TRISA регистрлері. PORTA - 6-разрядты енгізу-шығару порты (RA5-RA0) . PORTA-ң барлық арналары TRISA регистріне сәйкес бағытталу биттарына ие. TRISA регистріне 1-жазу сәйкес шығыстық буферді 3-куйге әкеледі. TRISA регистріне '0'-жазу сәйкес арнаны шығыс ретінде анықтайды, PORTA қысқыштарының құрамындағылар микроконтроллердің шығару портына беріледі.
PORTA регистрінің оқылуы шығару портының күйін қалпына келтіреді, ал жазу PORTA қысқышында орындалады. Портқа барлық жазу операциялары «оқу - модификация - жазу» принципі арқылы жүзеге шығару портының күйі оқылады, одан кейін өзгертулер мен қыстырмаға жазу орындалады.
PORTA арнасы АСТ-ң (АЦП) аналогты кірістерімен және VREF тірек кернеу көзінің аналогты кірістерімен мультиплицирленген. PORTA енгізу-шығару порт арналарының жұмыс режимдерін басқаратын биттары ADCON1 регистрінде орналасқан. TRISA регистрінің биттары PORTA араналарының бағытын, тіпті олар аналогты кіріс ретінде колданылған кездің өзінде, басқарып отырады.
Қолданушы: PORTA-ң сәйкес арналары кіріске дұрыс орнатылғанына көз жеткізу керек, әсіресе ол аналогты кіріс ретінде қолданылса.
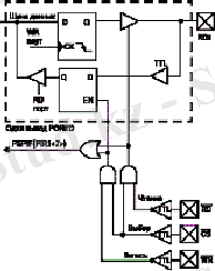
5. 2-сурет. RA шықпаларының құрылымдық сұлбасы
Ақпар параллельді порты. PORTD - PSPMODE(TRISE<4>) биті '1'-режиміне орнатылған кезде, 8-разрядты параллельді порт сияқты жұмыс істейді. Ақпар режимінде деркетер асинхронды оқылады немесе RD (RE0/-RD) не -WR(RE1/-WR) сыртқы сигналдарымен жазылады.
Сыртқы микропроцессор деректерді PORTD-қа жазып/оқи алады. Оқу/жазу операциялары RD, -WR кірістеріндегі сигналдың төменгі логикалық деңгейінде және CS микросұлбасының таңдау кірістеріндегі сигналдың төменгі логикалық деңгейінде орындалады. TRISE (TRISE<2:0>) биттері '1'-режиміне орнатылуы керек. ADCON1 регистріндегі RE2:RE0 шығару порттары енгізу/шығарудың сандық арналары сияқты орнатылуы тиіс (PCFG3:PCFG0 биттары) .
Екі 8-разрядты регистрлер бар: біруі - ақпаратты қабылдау үшін, екіншісі - беру үшін. Қолданушы 8-разрядты деректерді PORTD шығыс қысқышына жазады, ал деректерді оқуды кіріс қысқышынан жүргізеді (назар аударыңыз, кіріс және шығыс қысқыштарының адресі бірдей) . Бұл режимде TRISE регистрінің бит мәндері еленбейді, өйткені деректермен басқаруды сыртқы құрылғы басқарады.
Егер -CS және -WR шықпалары сигналдың төменгі деңгейіне ие болса, онда PSP-ға жазу орындалады. CS немесе -WR шығару порттарындағы сигнал жоғары деңгейге өткеннен кейін деркетер Q2 тактіндегі кіріс қысқышында сақталады. Q4 тактінде IBF(TRISE<7>) биті '1' режимде орнатылады. IBF биті PORTD регистрінің оқылуы арқылы ғана '0' режиміне өтеді. Егер PSP-ға келесі жазу орындалмаса, ал алдыңғы байт оқылмаса, онда IBOV(TRISE<5>) толу биті '1' режимде орнатылады. PSP-дан оқу -CS және -RD шығару порттарында сигналдың төменгі деңгейі болған жағдайда орындалады. OBF(TRISE<6>) биті лезде 0 режиміне тасталып,
PORTD сыртқы шинамен оқуды күтіп жатқанын көрсетеді. -CS немесе -RD шықпаларындағы сигнал жоғарғы деңгейге ауысқаннан кейін Q4 (тек Q2 тактінен кейін ғана) тактіндегі PSPIF үзу жалаулары орнатылады, олар оқу аяқталғанын көрсетеді. OBF биті PORTD-ға жаңа деректер жүктелмейінше 0 режимінде болады.
PSP режимі өшірілген кезде IBF және OBF биттері 0-ге теңеседі, ал 1-режимінде алдынала орнатылған IBOV биті бағдарламалы тасталуы керек.
PSPIF үзу жалауы әр жазу-оқу операциясы аяқталғаннан кейін 1-режимде орнатылуы тиіс. PSP модулінен үзуге рұқсат беру-бермеуді PSPIE (РIЕ1<7>) тастау битін орнатумен жүзеге асыруға болады.
5. 3-сурет. Параллельді ақпар порт режиміндегі PORTD
Порттар жасалу түріне қарай параллель және тізбекті болып бөлінеді.
Дербес компьютерлерде негізгі ендіру-шығару интерфейсі үшін тізбектелген және параллель порттар қолданылады. Тізбектелген портқа информацияны беруші және қабылдаушы қондырғылар жалғастырылады. Тізбекті портта информация бір ғана өткізгіш арқылы беріледі. Тізбекті портқа “тышқан” тетігі, модемдер қосылады. Компьютерде СОМ1/СОМ3 және СОМ2 - СОМ4 оларды бір мезгілде қолдануға болмайды. Тізбекті порт ұяшықтар (розетка ) түрінде жасалады да 9 немесе 25 контактілі болады.
... жалғасы- Іс жүргізу
- Автоматтандыру, Техника
- Алғашқы әскери дайындық
- Астрономия
- Ауыл шаруашылығы
- Банк ісі
- Бизнесті бағалау
- Биология
- Бухгалтерлік іс
- Валеология
- Ветеринария
- География
- Геология, Геофизика, Геодезия
- Дін
- Ет, сүт, шарап өнімдері
- Жалпы тарих
- Жер кадастрі, Жылжымайтын мүлік
- Журналистика
- Информатика
- Кеден ісі
- Маркетинг
- Математика, Геометрия
- Медицина
- Мемлекеттік басқару
- Менеджмент
- Мұнай, Газ
- Мұрағат ісі
- Мәдениеттану
- ОБЖ (Основы безопасности жизнедеятельности)
- Педагогика
- Полиграфия
- Психология
- Салық
- Саясаттану
- Сақтандыру
- Сертификаттау, стандарттау
- Социология, Демография
- Спорт
- Статистика
- Тілтану, Филология
- Тарихи тұлғалар
- Тау-кен ісі
- Транспорт
- Туризм
- Физика
- Философия
- Халықаралық қатынастар
- Химия
- Экология, Қоршаған ортаны қорғау
- Экономика
- Экономикалық география
- Электротехника
- Қазақстан тарихы
- Қаржы
- Құрылыс
- Құқық, Криминалистика
- Әдебиет
- Өнер, музыка
- Өнеркәсіп, Өндіріс
Қазақ тілінде жазылған рефераттар, курстық жұмыстар, дипломдық жұмыстар бойынша біздің қор #1 болып табылады.

Ақпарат
Қосымша
Email: info@stud.kz